Первая часть сборника электросхем для автомобиля Renault Trafic. Все схемы предоставляются для просмотра бесплатно и без регистрации. Для увеличения - кликните на картинке. В этой части вы найдёте схемы таких модулей, как мультиплексная сеть, противотуманные фары, электростеклоподъемники дверей, системы отопления и вентиляции салона и другие. Продолжение эл. схем автомобиля Renault Trafic во второй части. Отдельно показаны схемы двигателя и блоки предохранителей с реле.
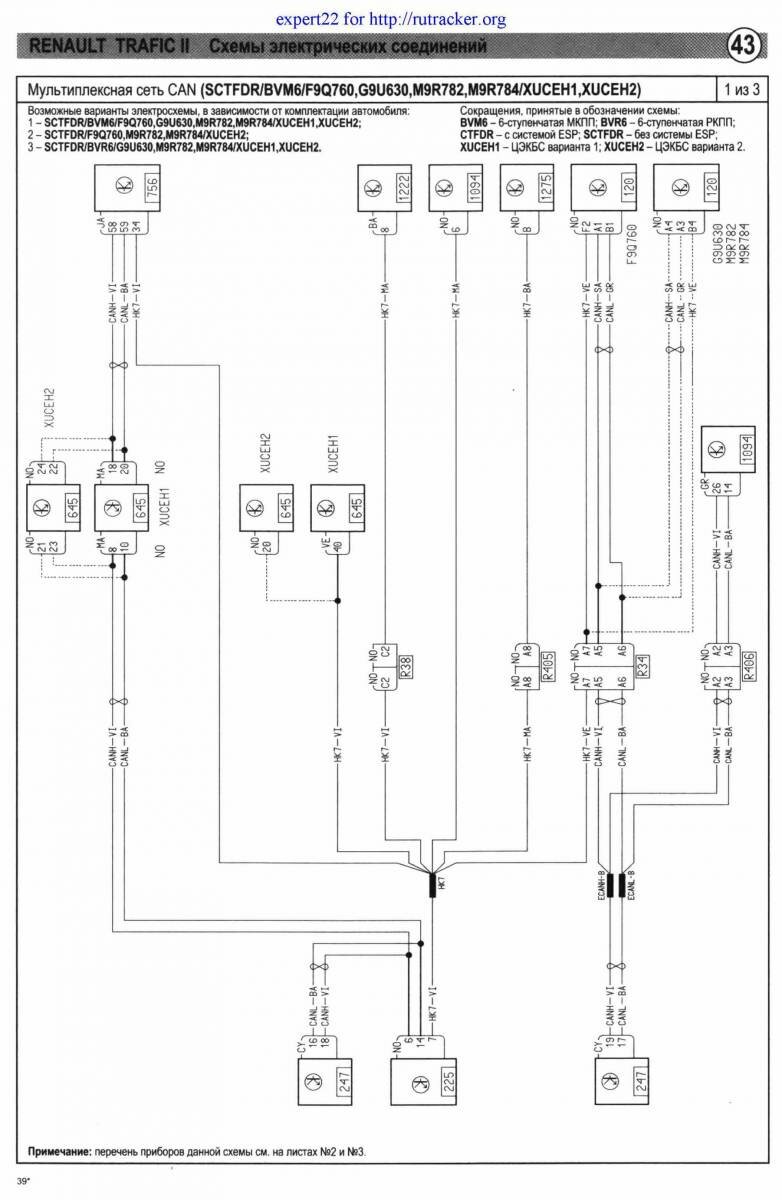
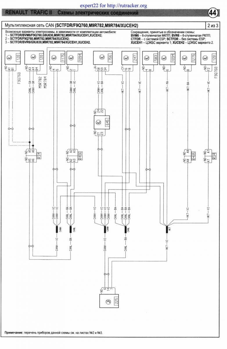
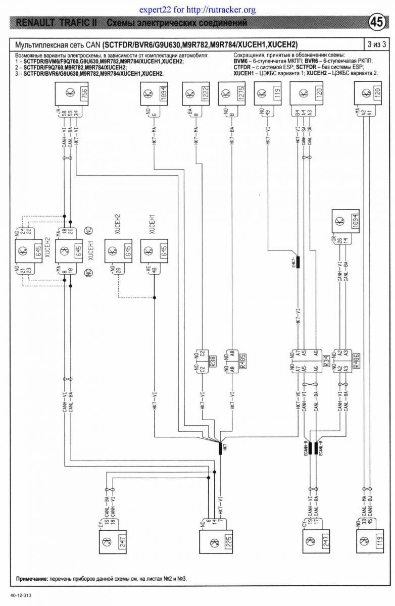
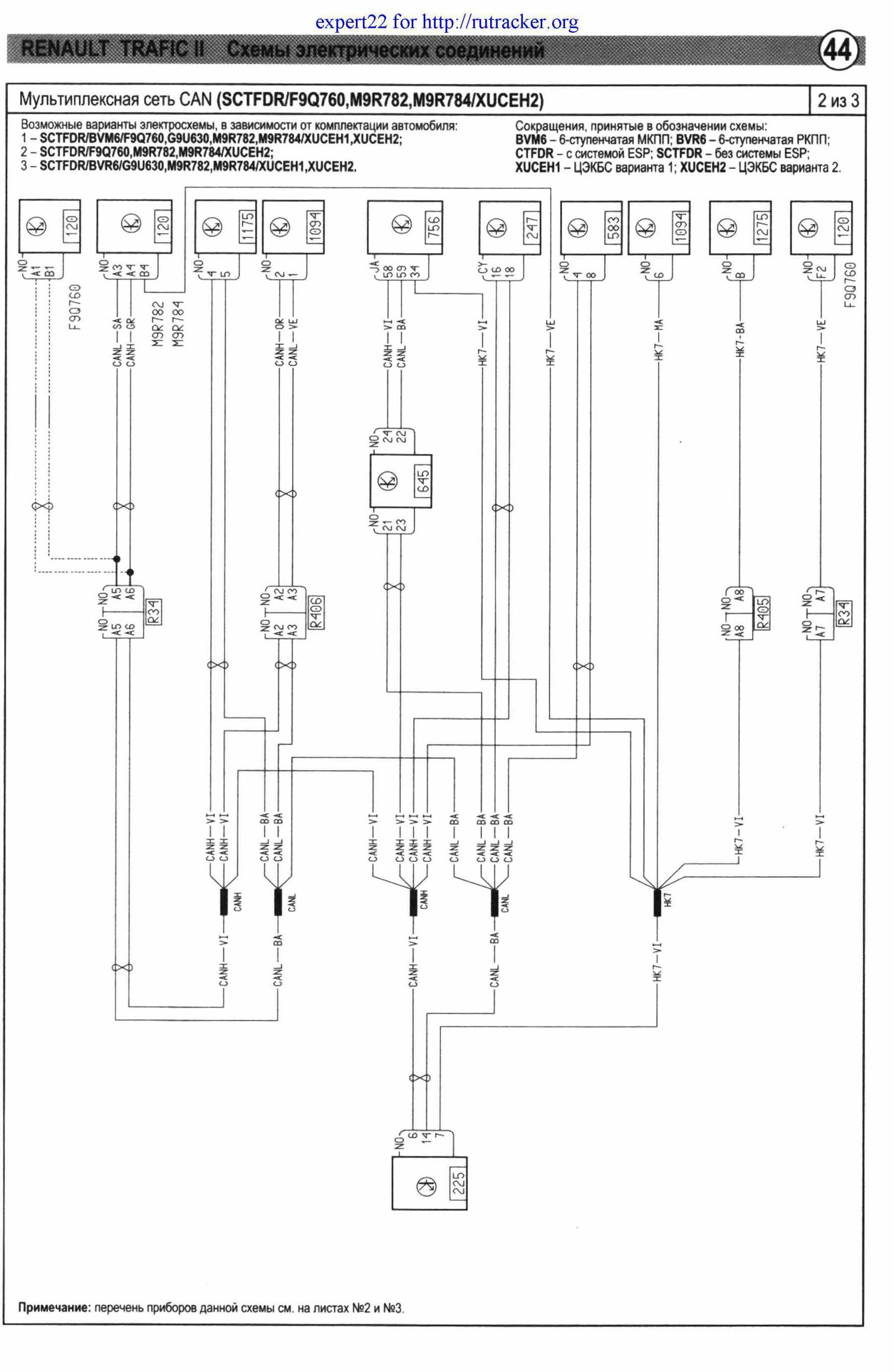
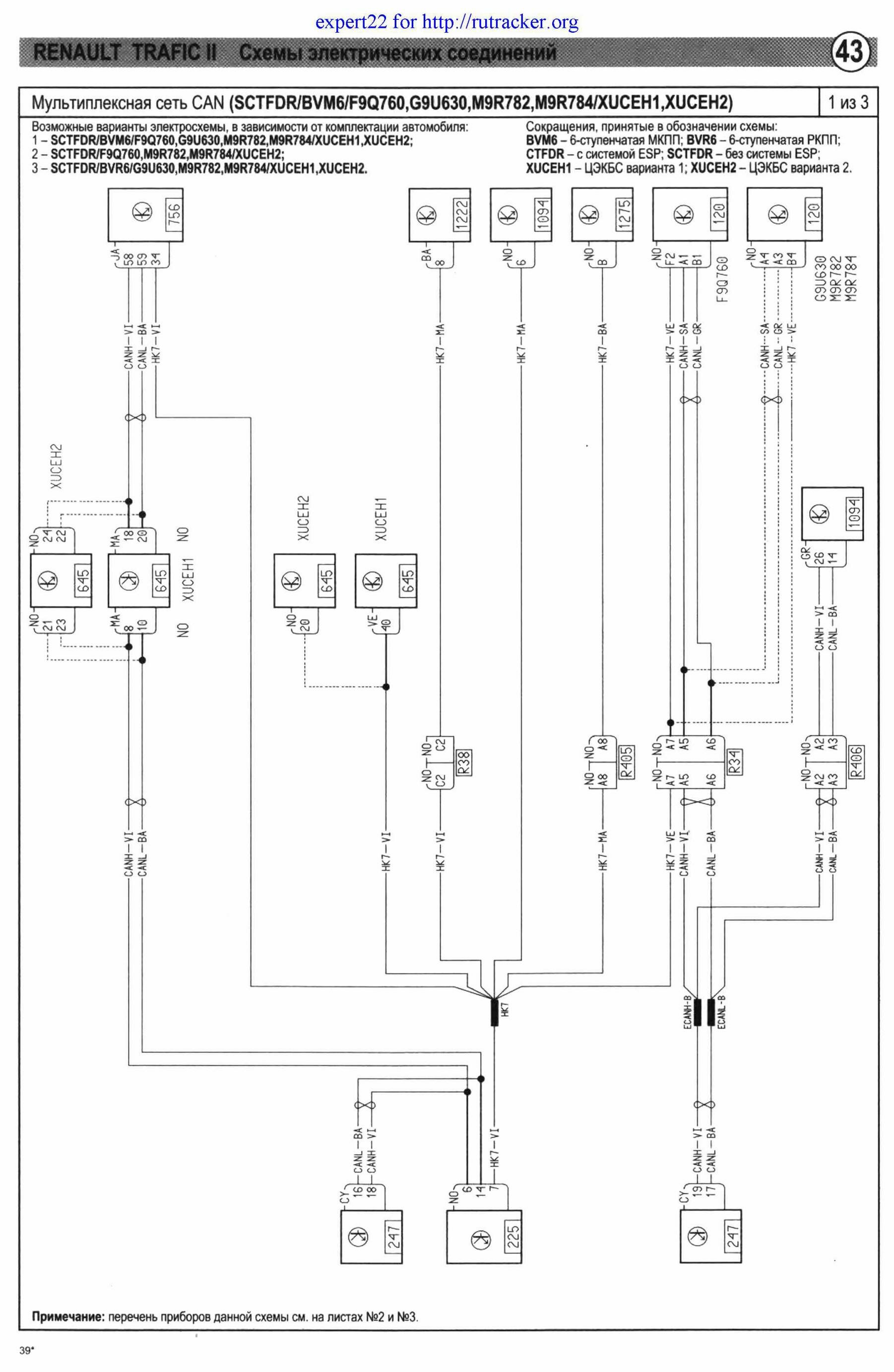
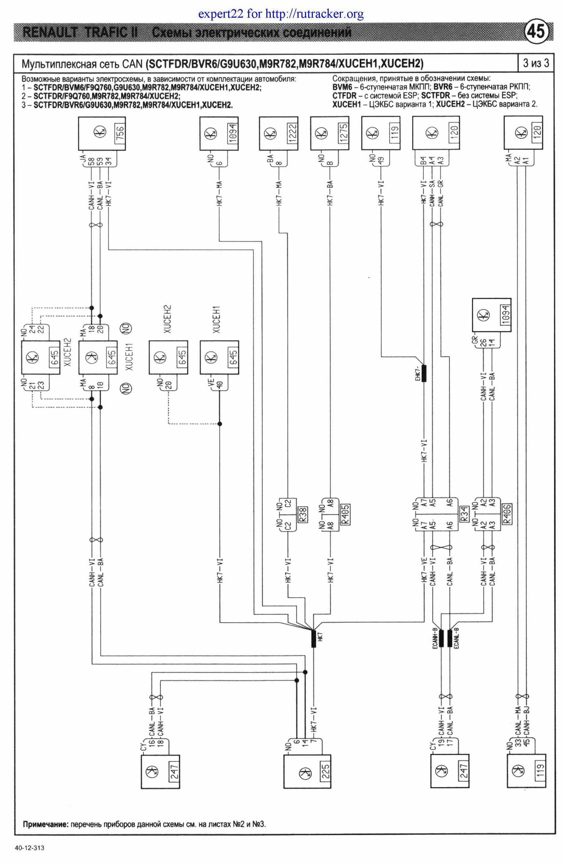
Мультиплексная сеть - схема принципиальная



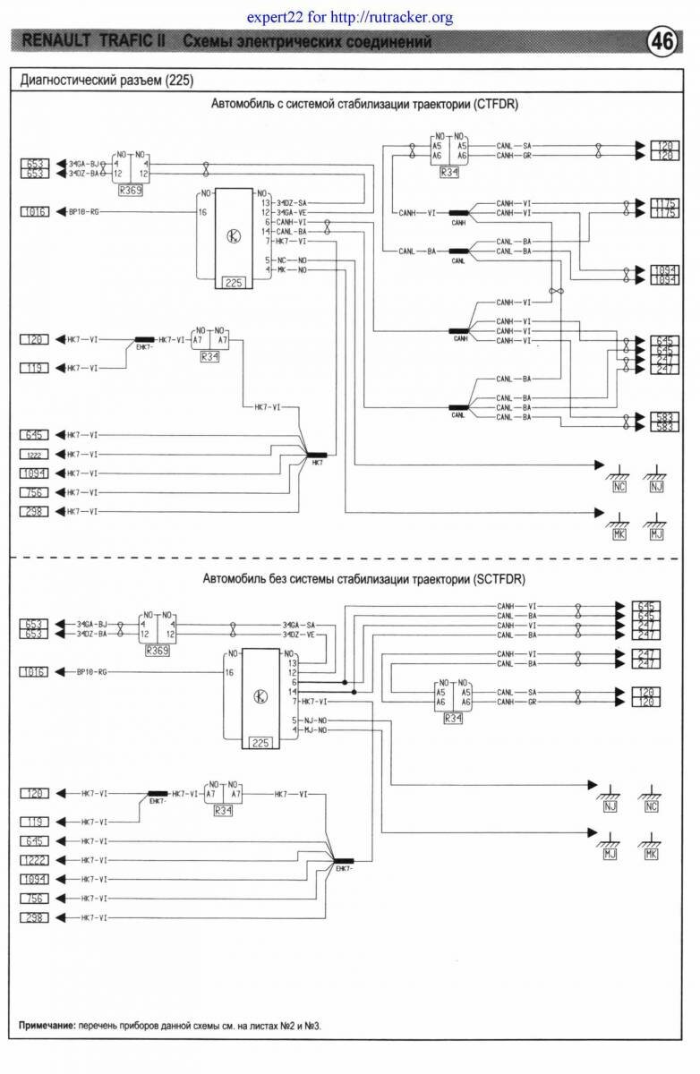
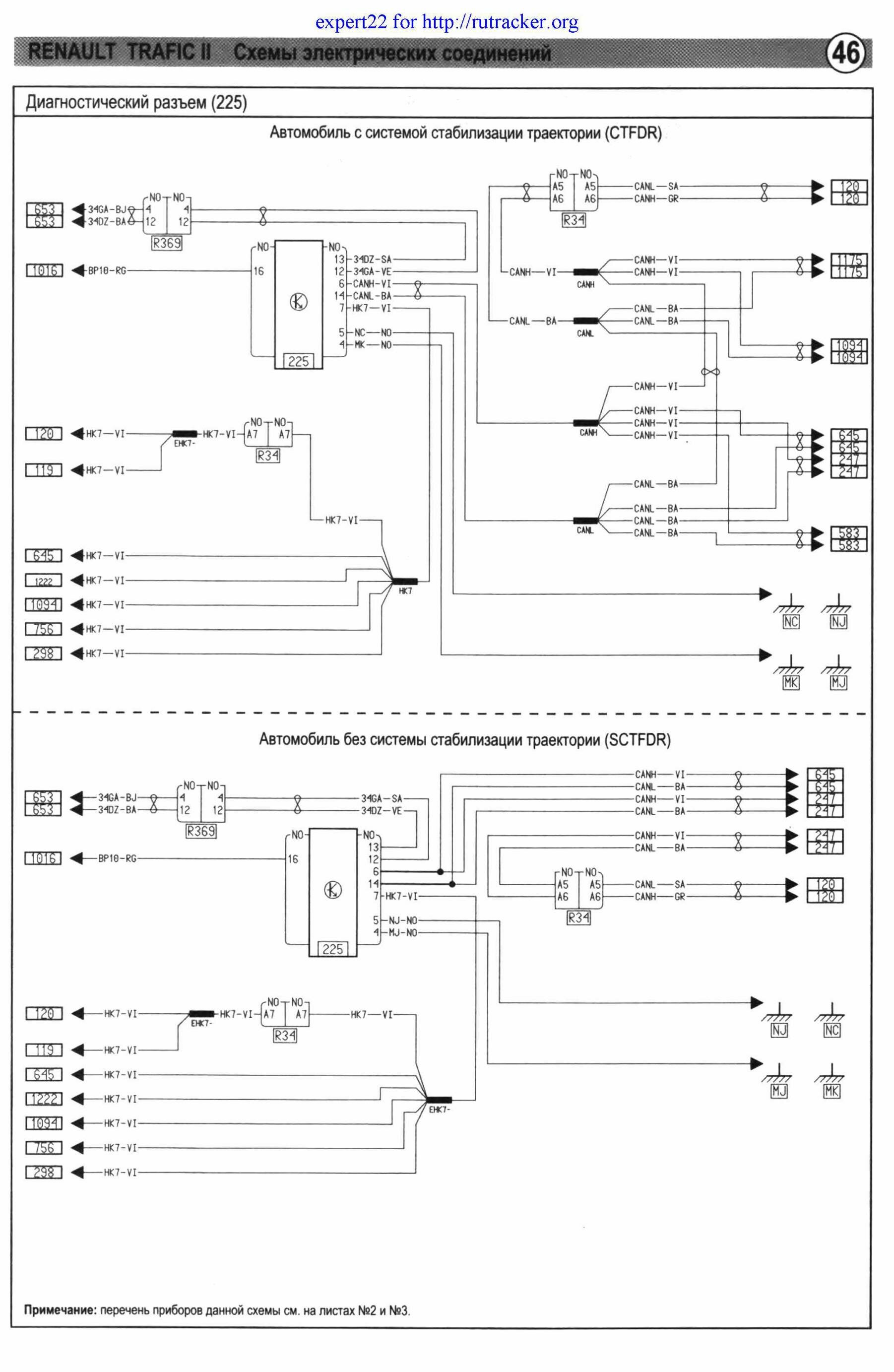
Схема диагностического разъёма Renault Trafic

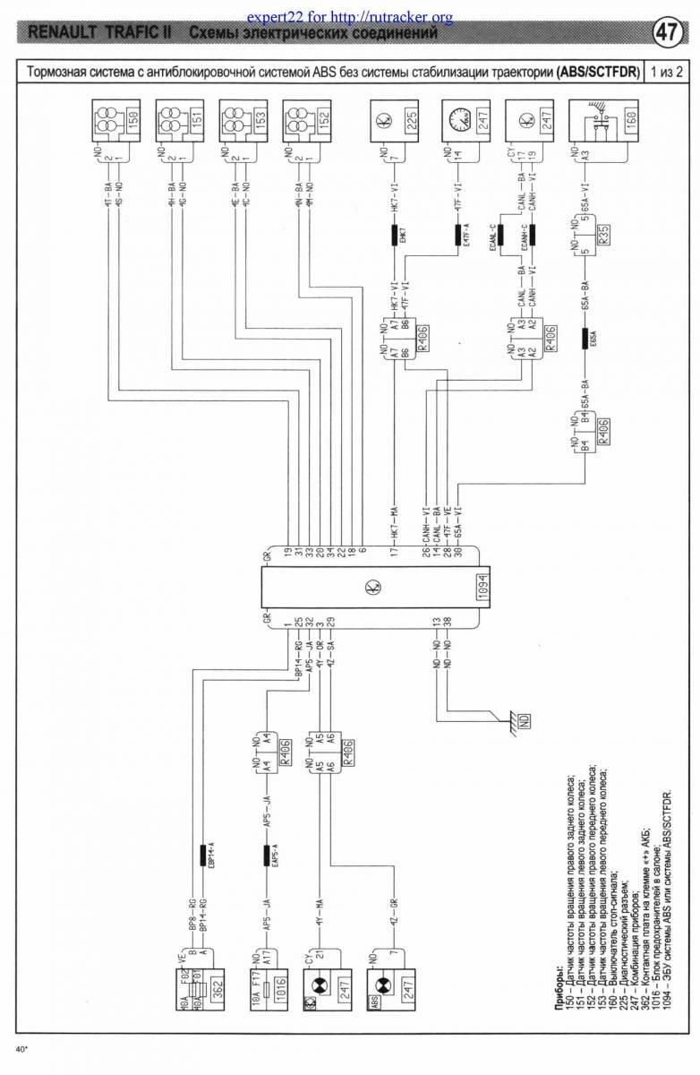
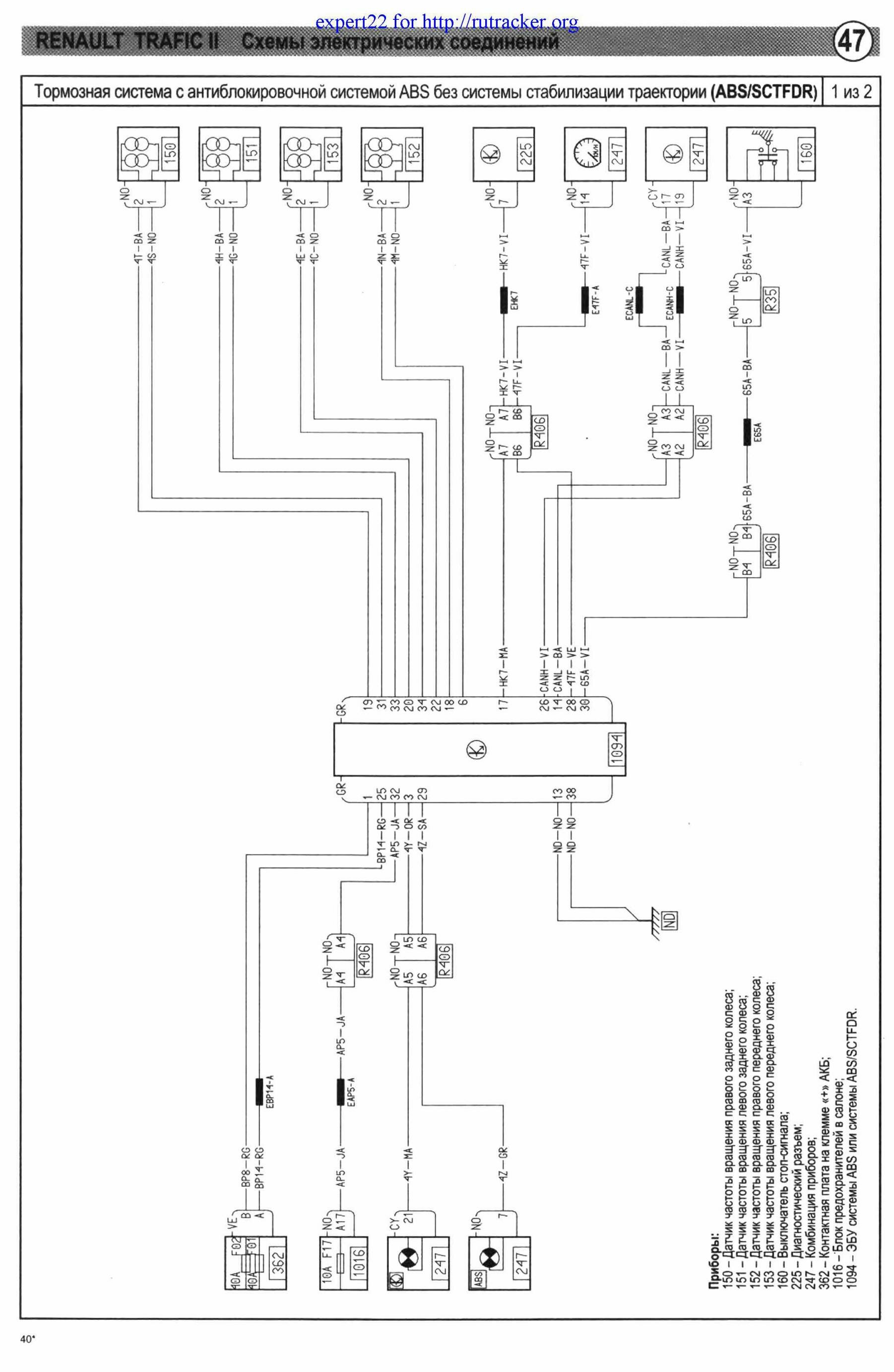
Тормозная система с ABS - схема

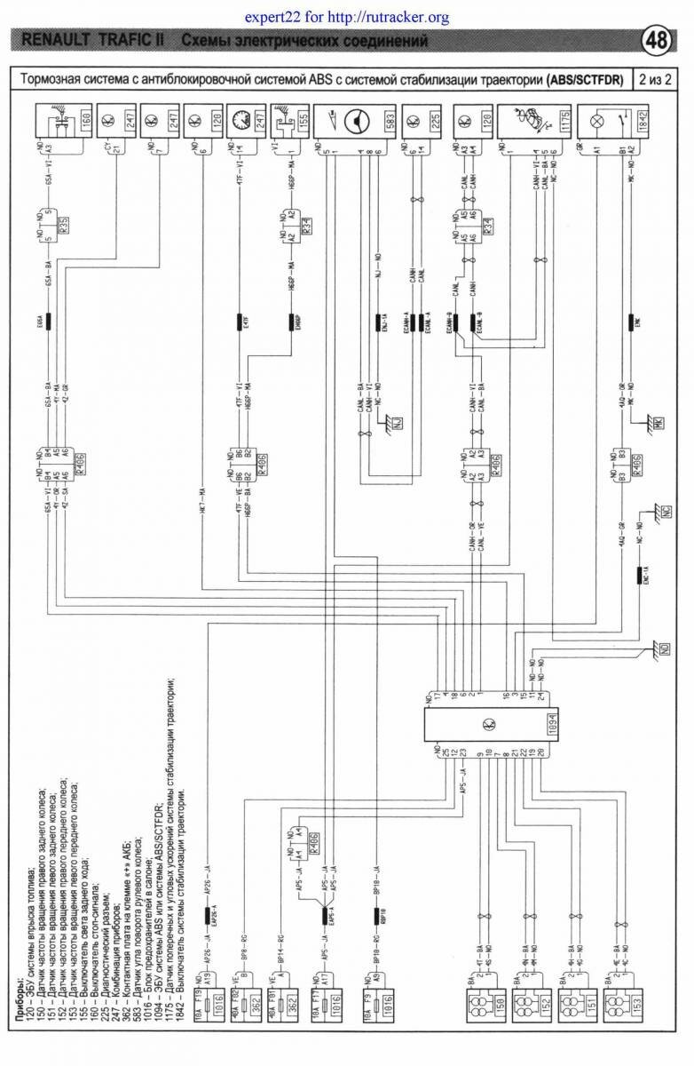
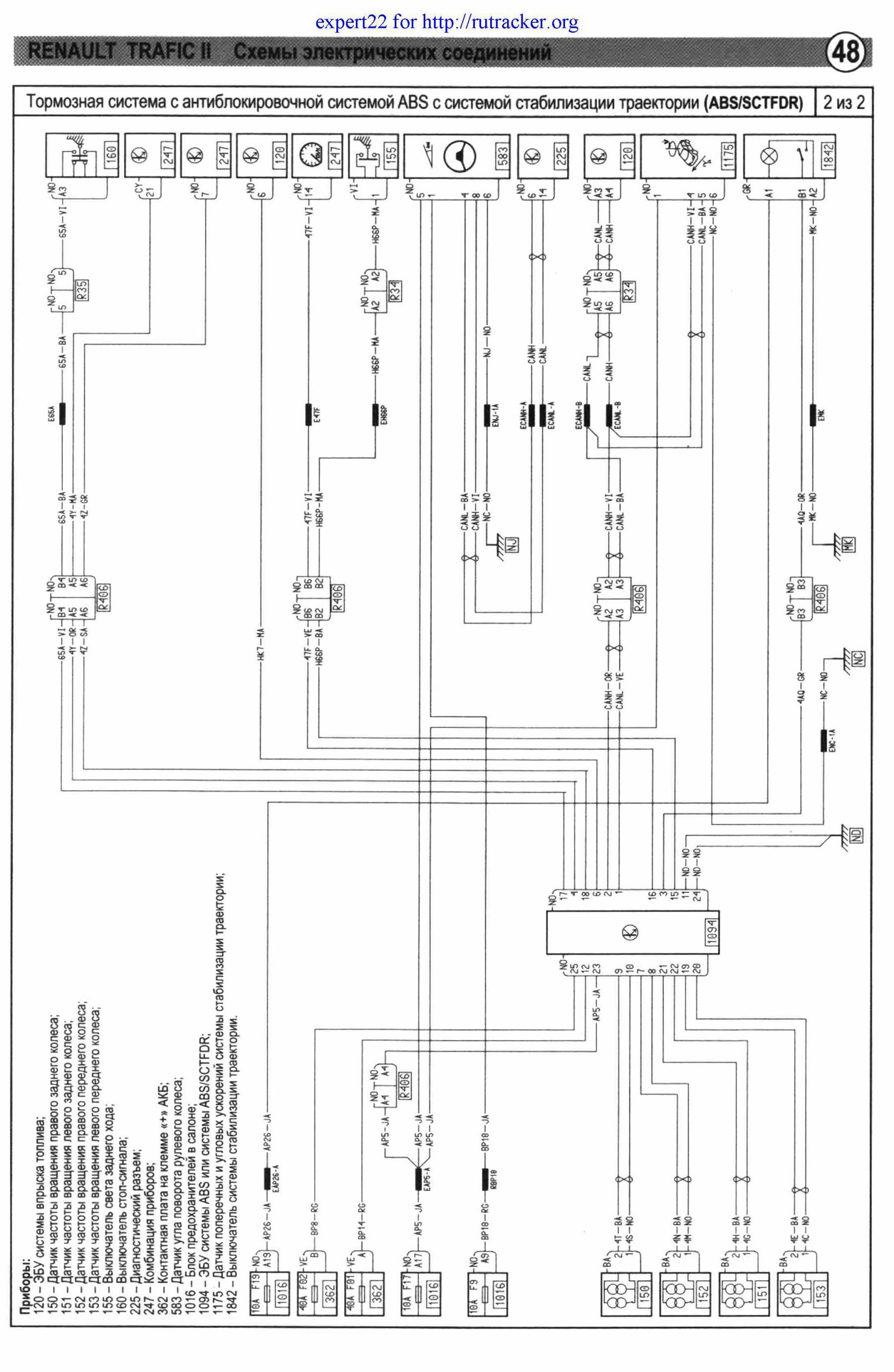
Тормозная система с ABS и системой стабилизации траектории

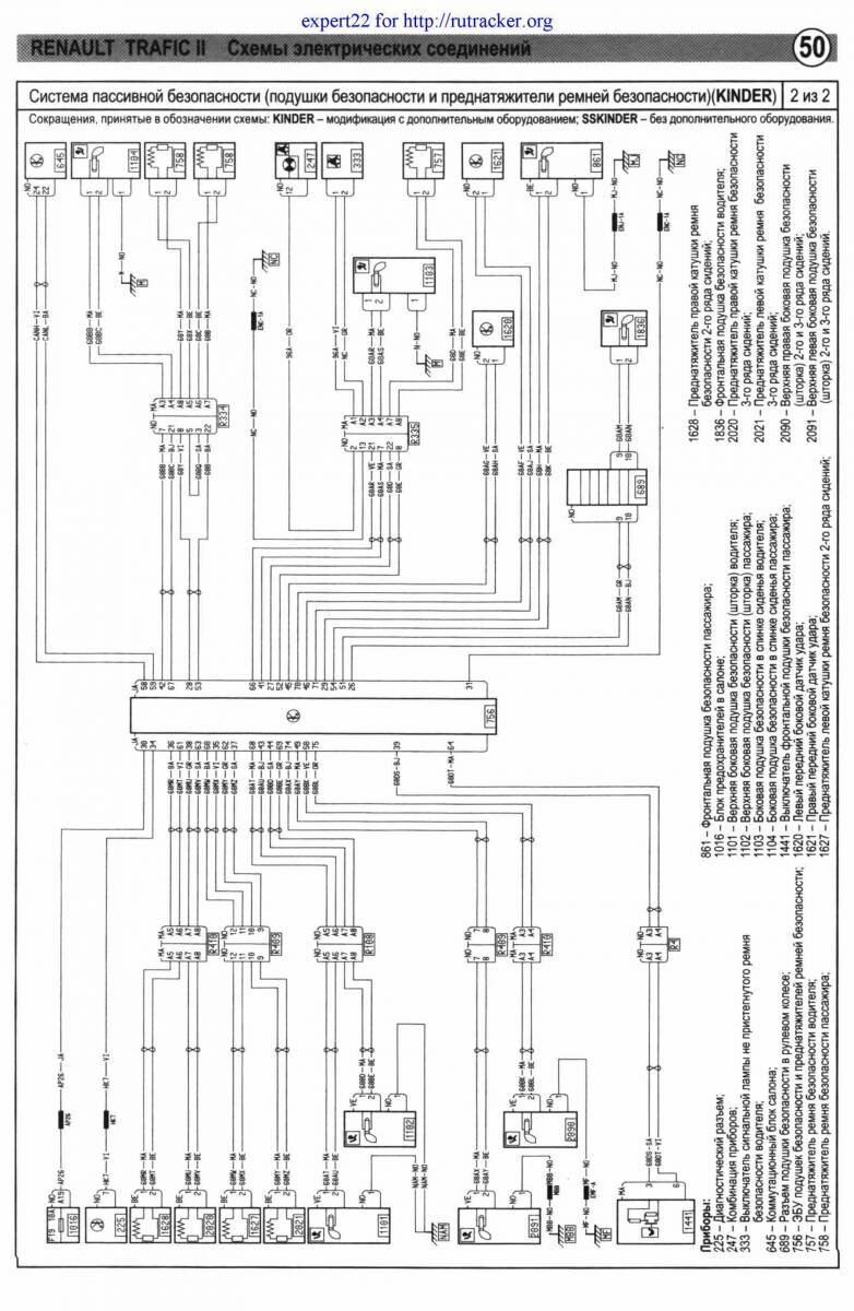
Система пассивной безопастности автомобиля


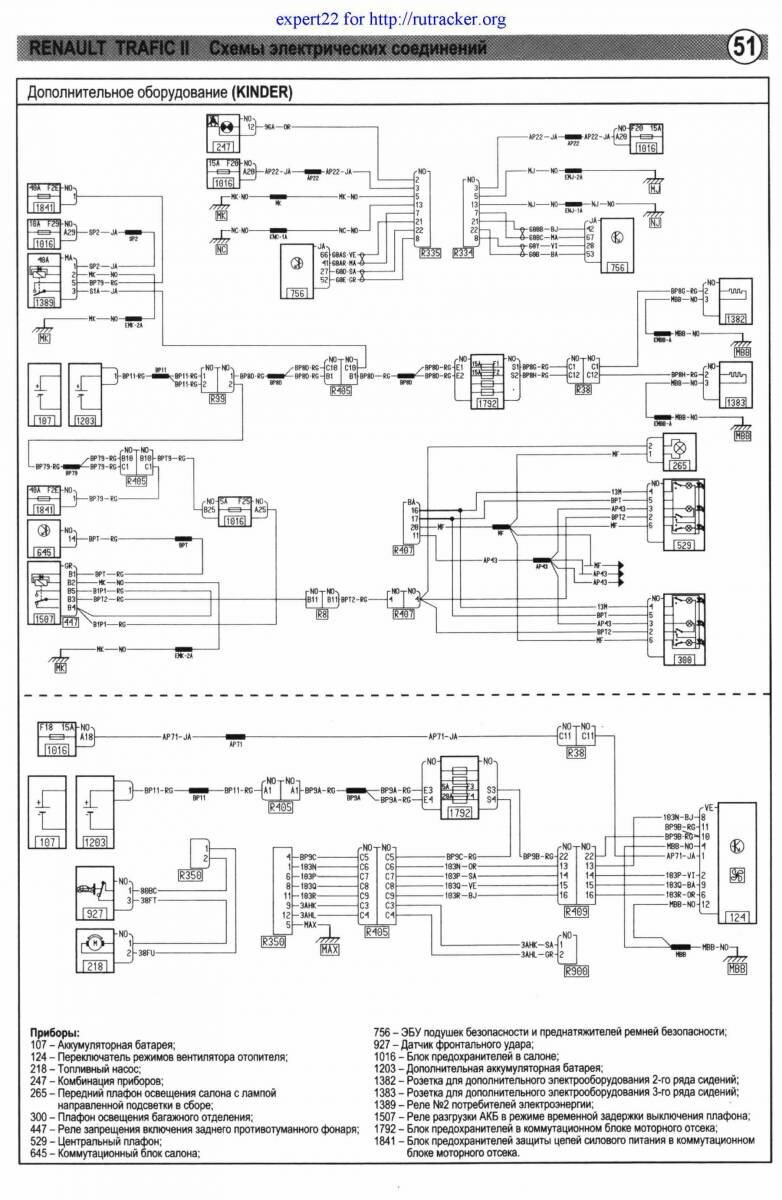
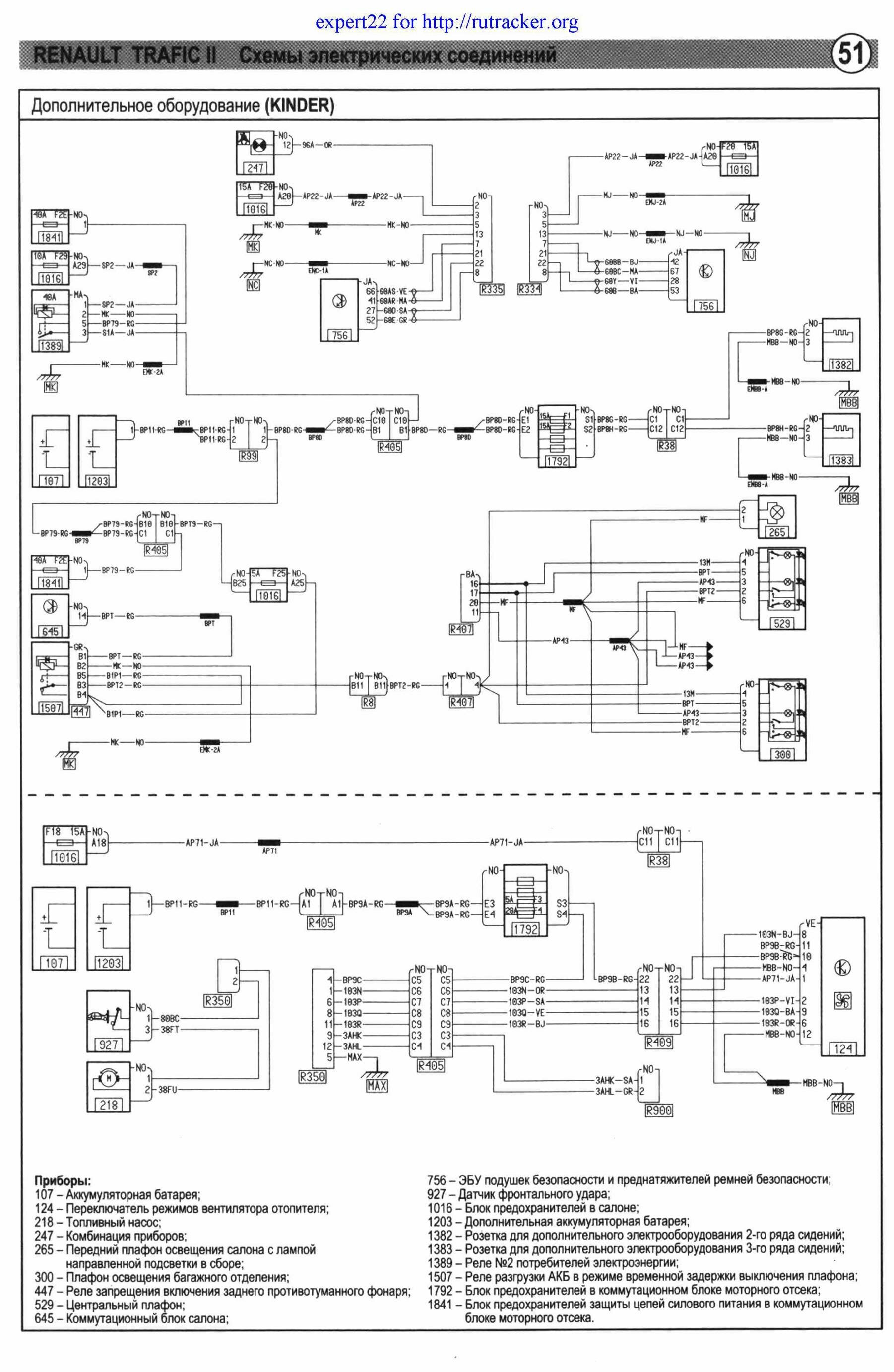
Электросхема дополнительного оборудования

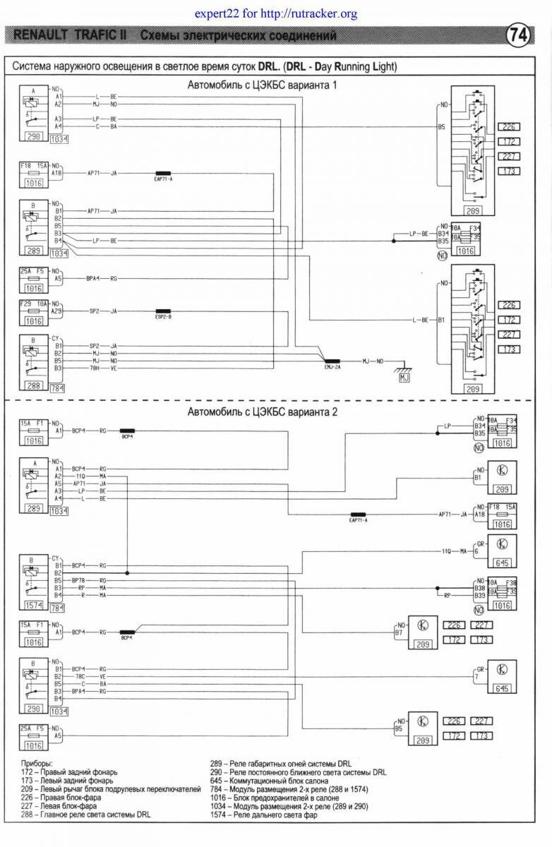
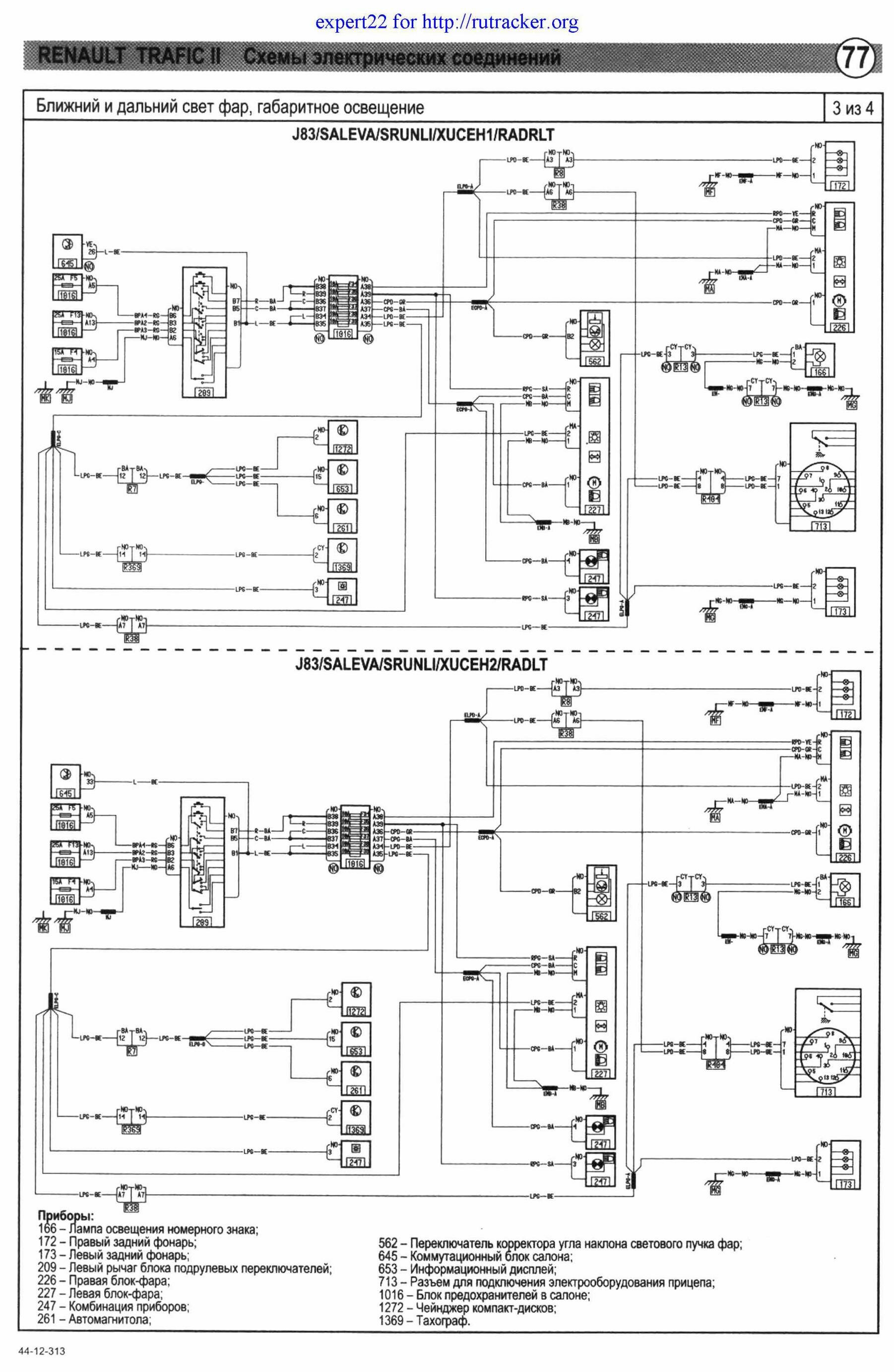
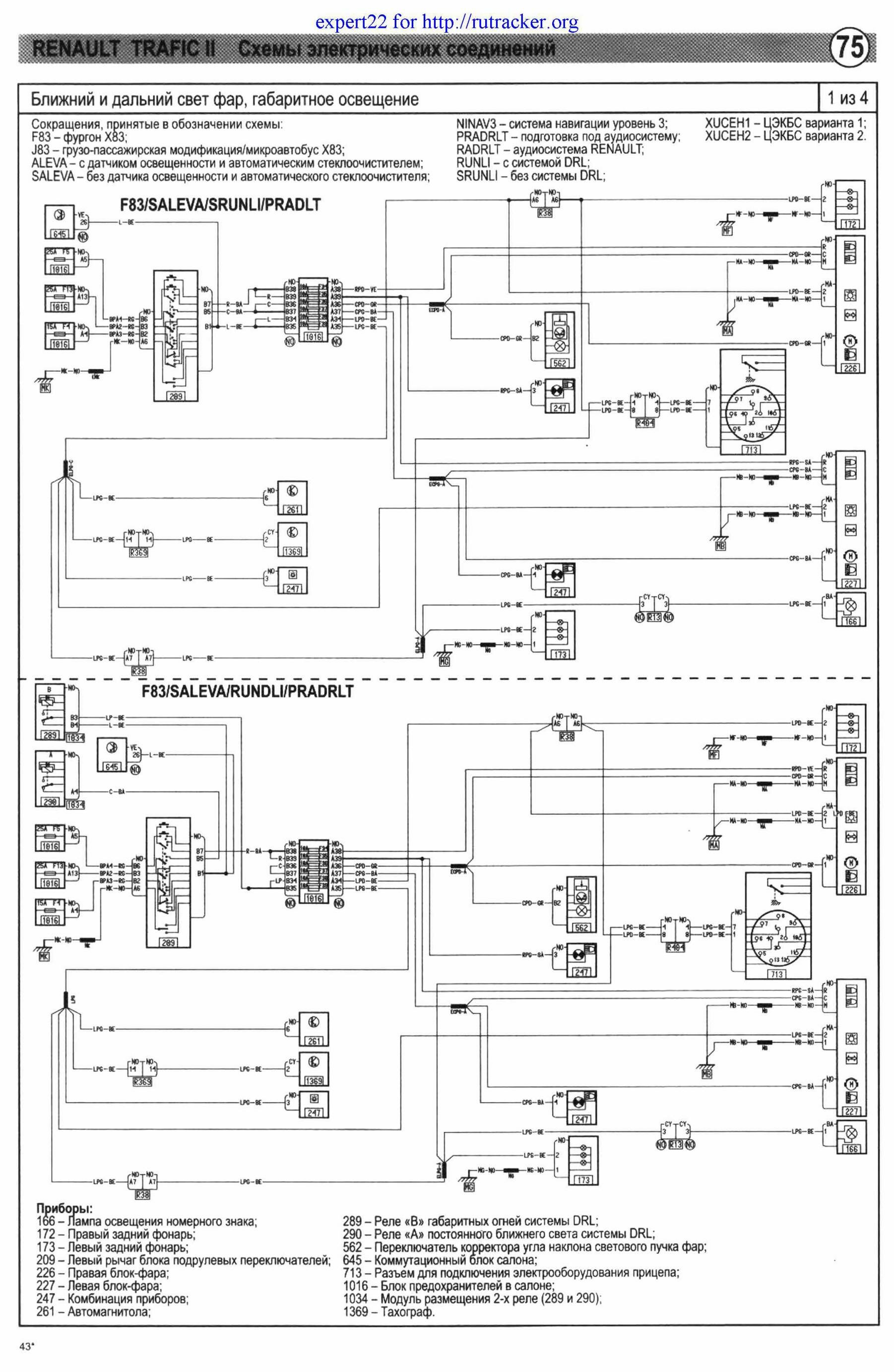
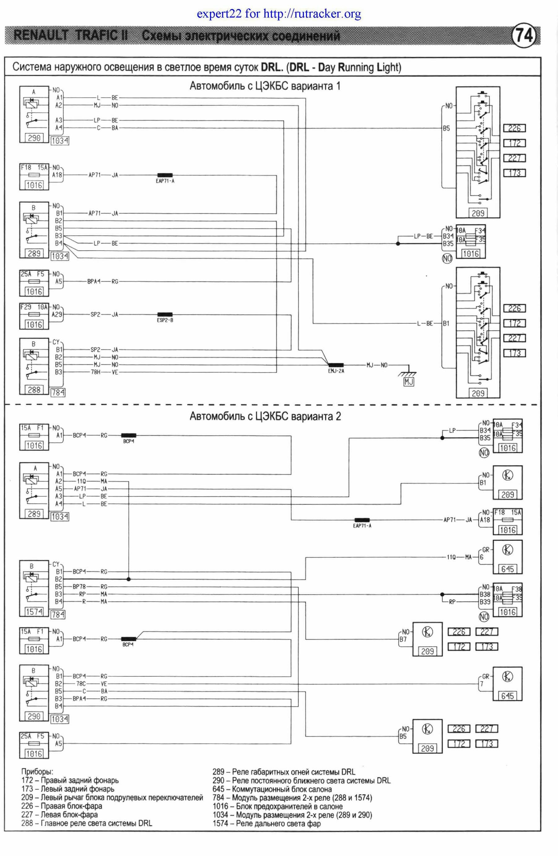
Система управления наружным освещением Renault Trafic

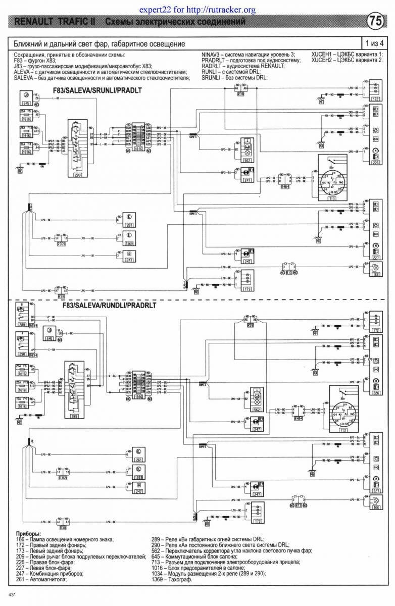
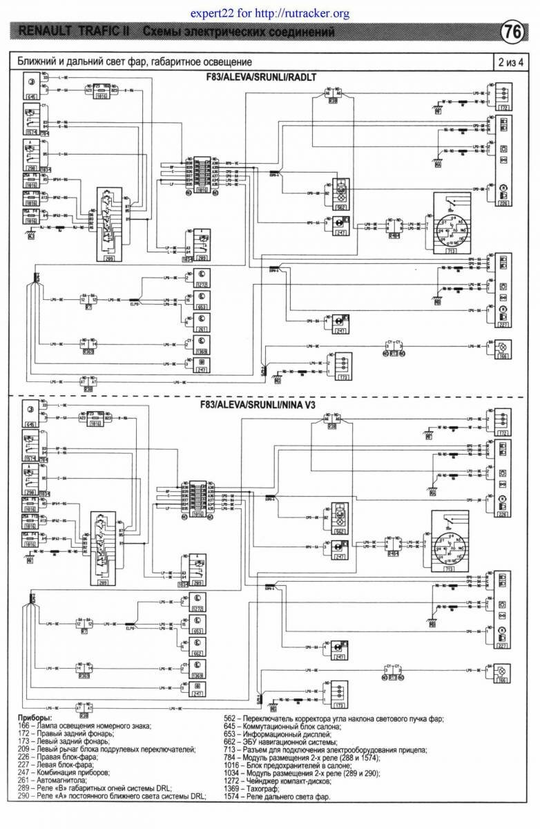
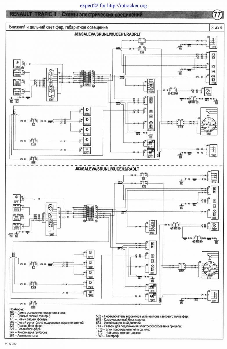
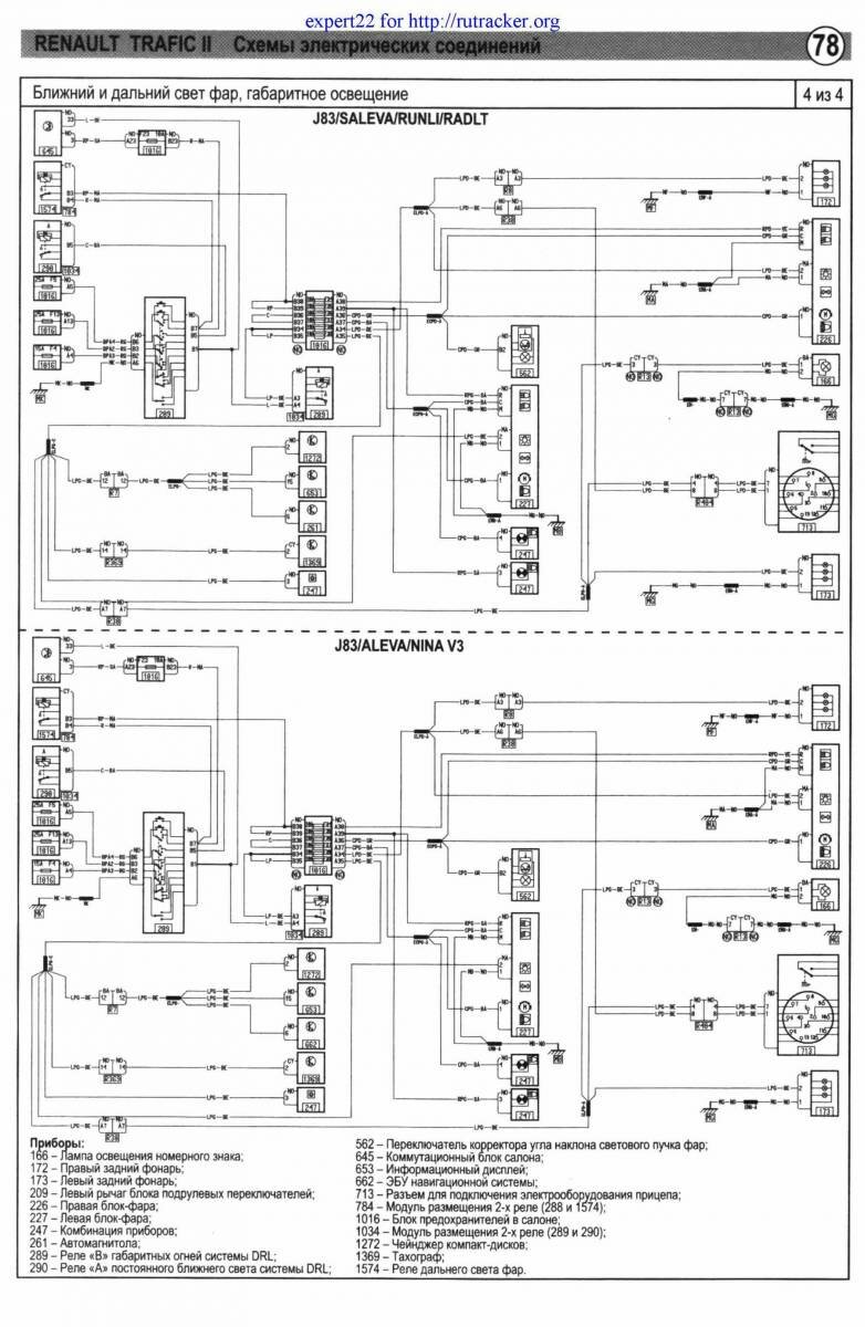
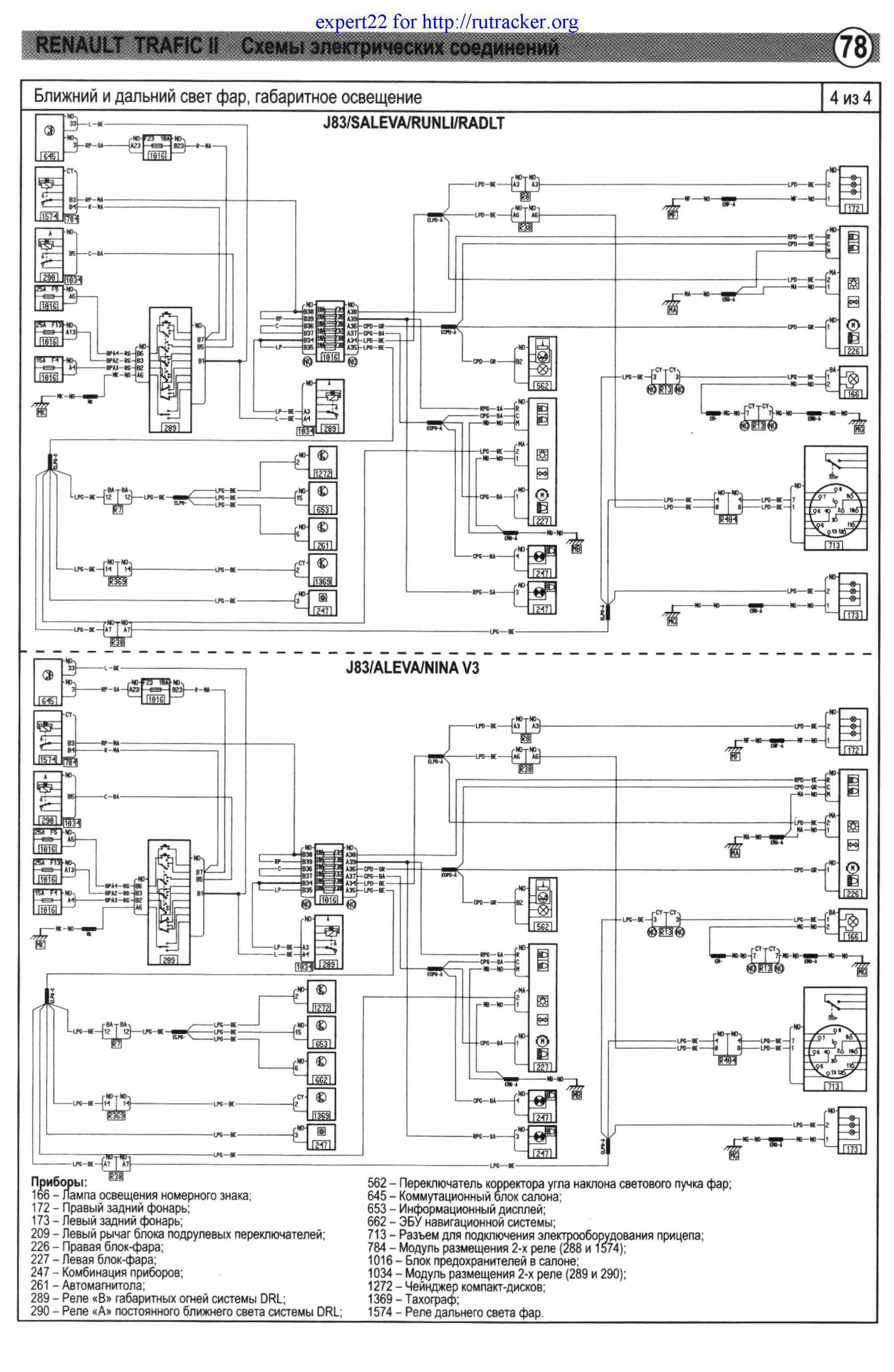
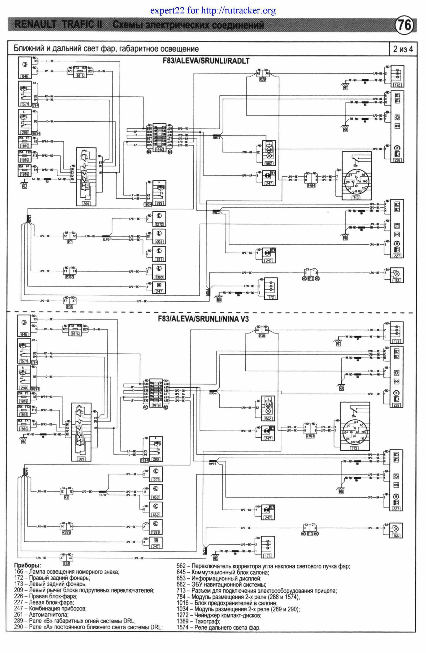
Ближний и дальний свет фар, габаритные огни




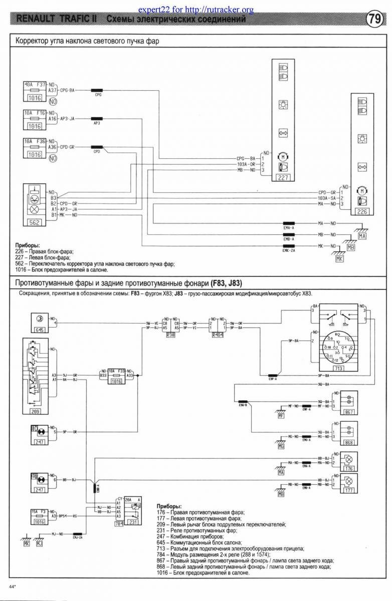
Корректор угла наклона фар - схема

Схема указателей поворота и автосигнализации Renault Trafic

Указатели стоп-сигналов - схема


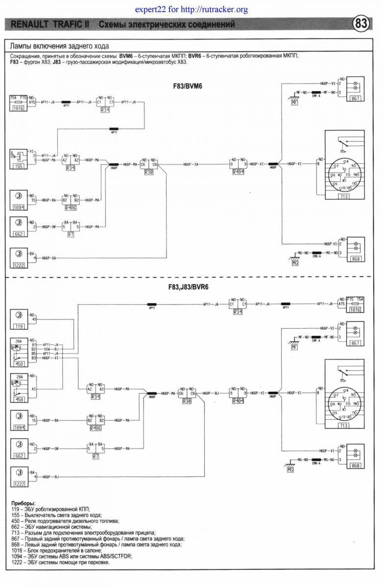
Лампы включения заднего хода

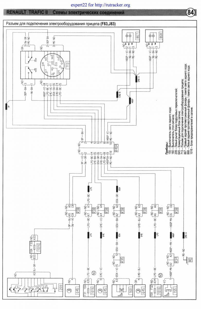
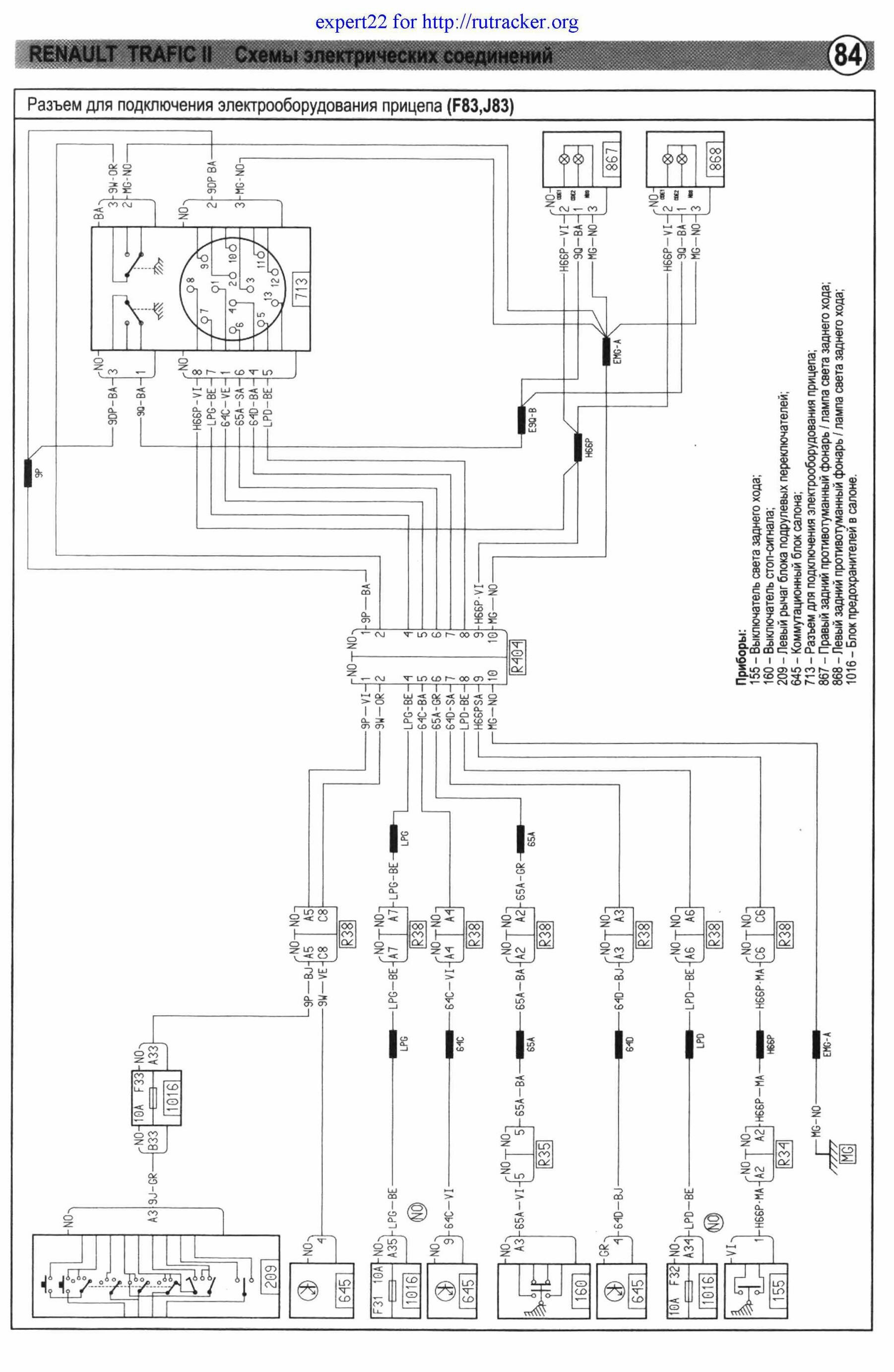
Схема разъёма для подключения прицепа авто

Звуковой сигнал - клаксон

РЕМОНТ АВТОЭЛЕКТРОНИКИ ЗАРЯДНЫЕ УСТРОЙСТВА ДЛЯ АКБ

|