Вторая часть сборника электросхем для автомобиля Рено Трафик. Все схемы предоставляются для просмотра бесплатно и без регистрации. Для увеличения - кликните на картинке. В этой части вы найдёте схемы таких модулей, как освещение салона, противотуманные фары, электростеклоподъемники дверей, системы управления замками и другие. Начало эл. схем автомобиля Renault смотрите здесь.
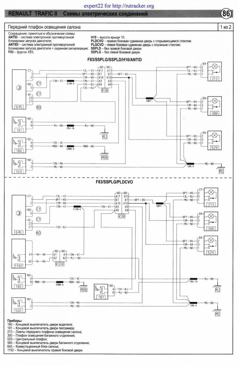
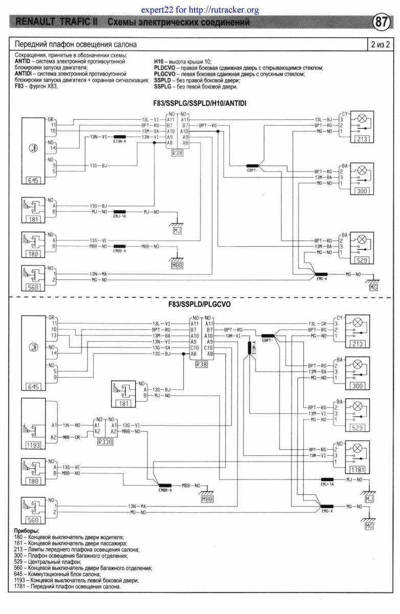
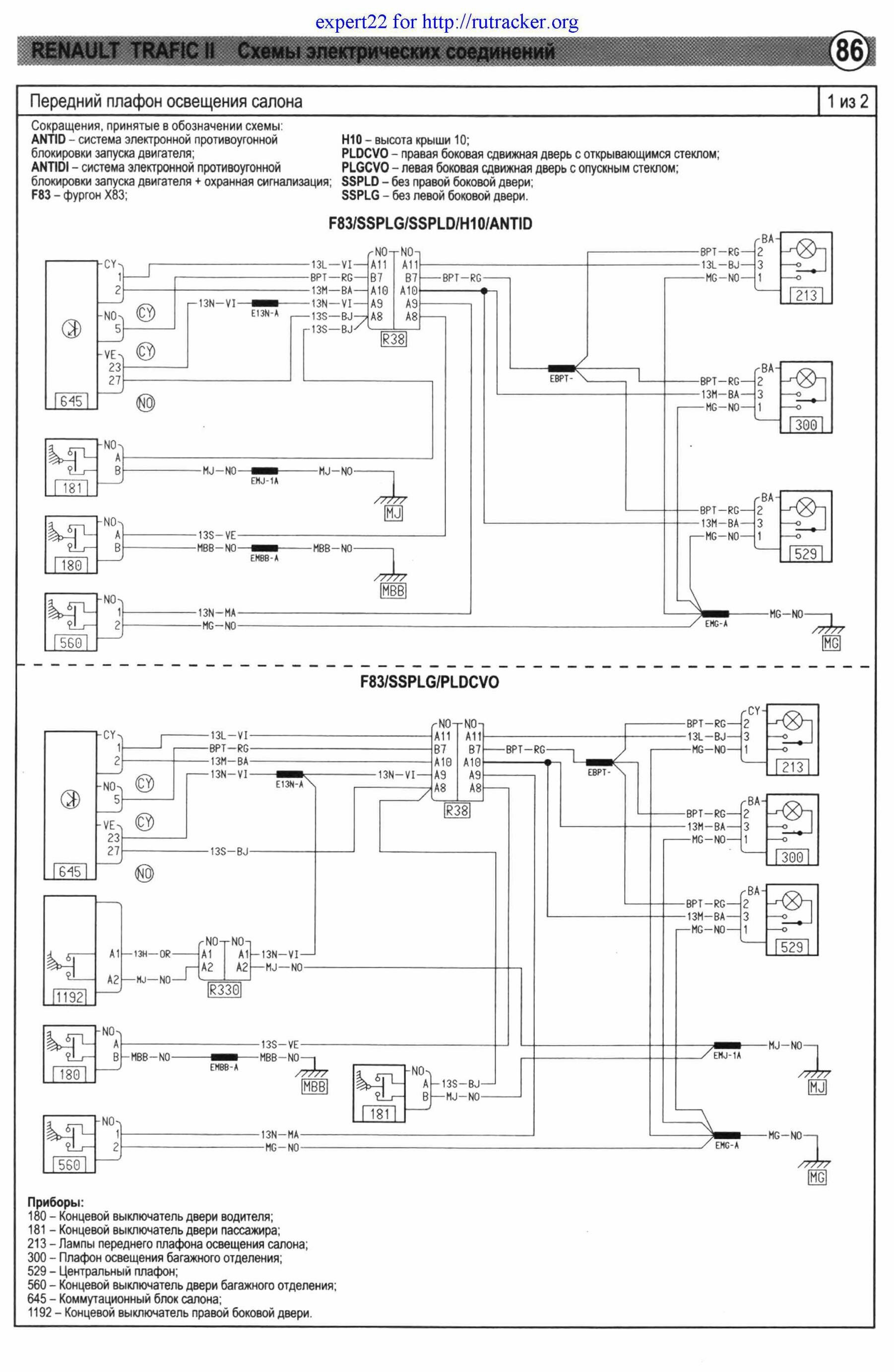
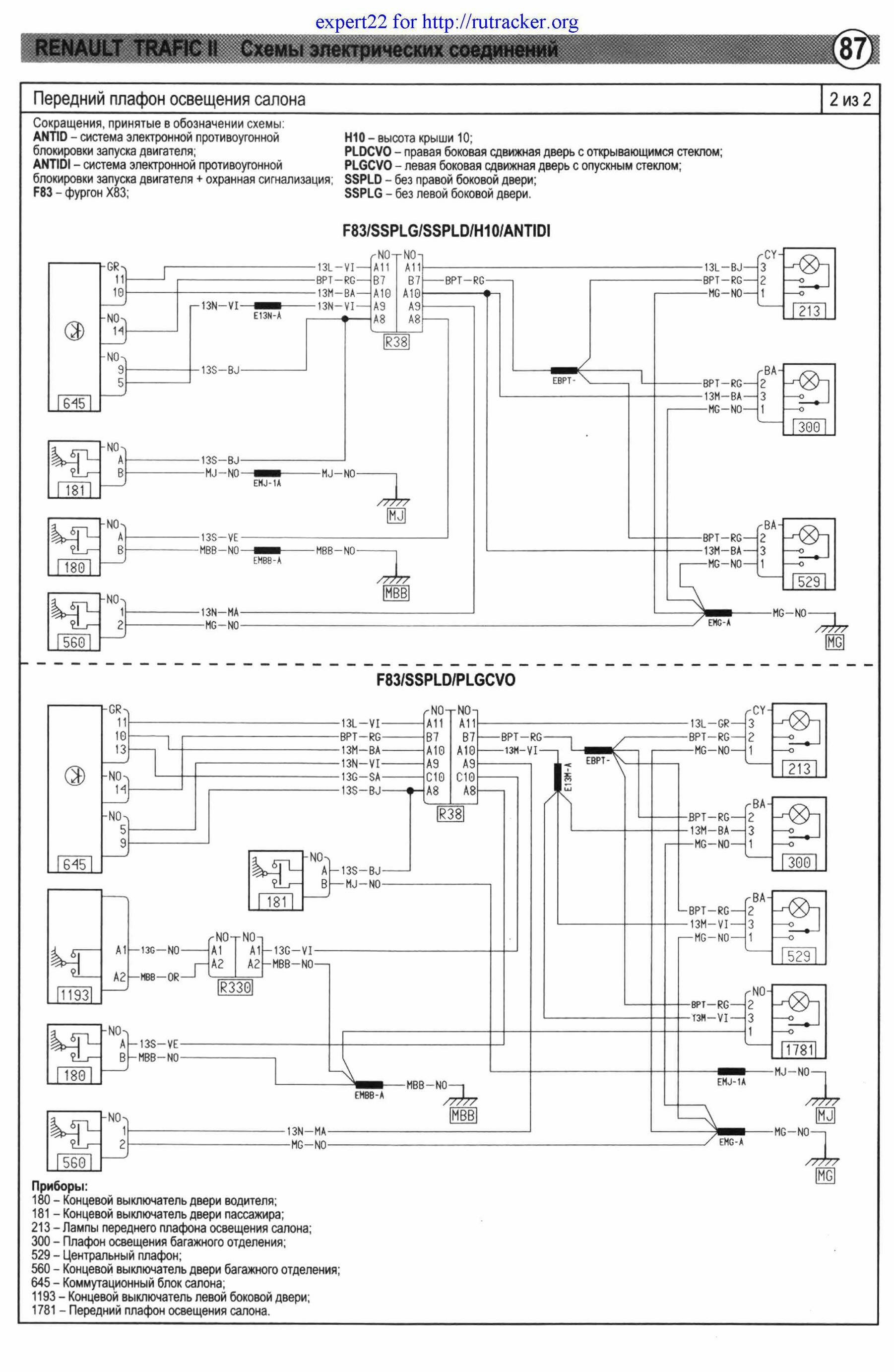
Схема переднего плафона освещения салона авто


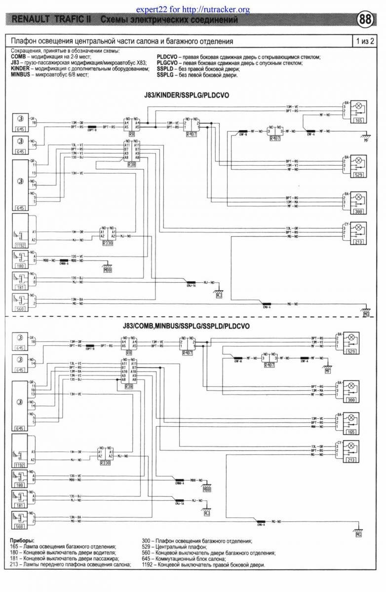
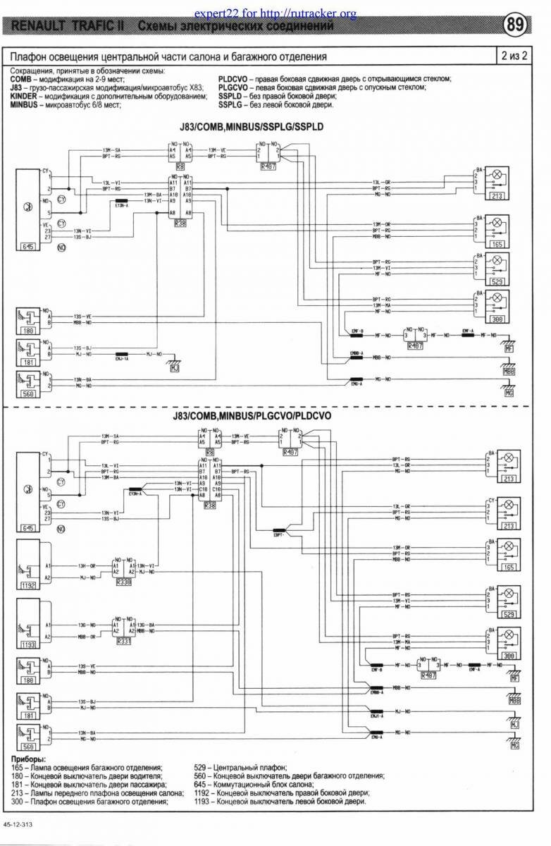
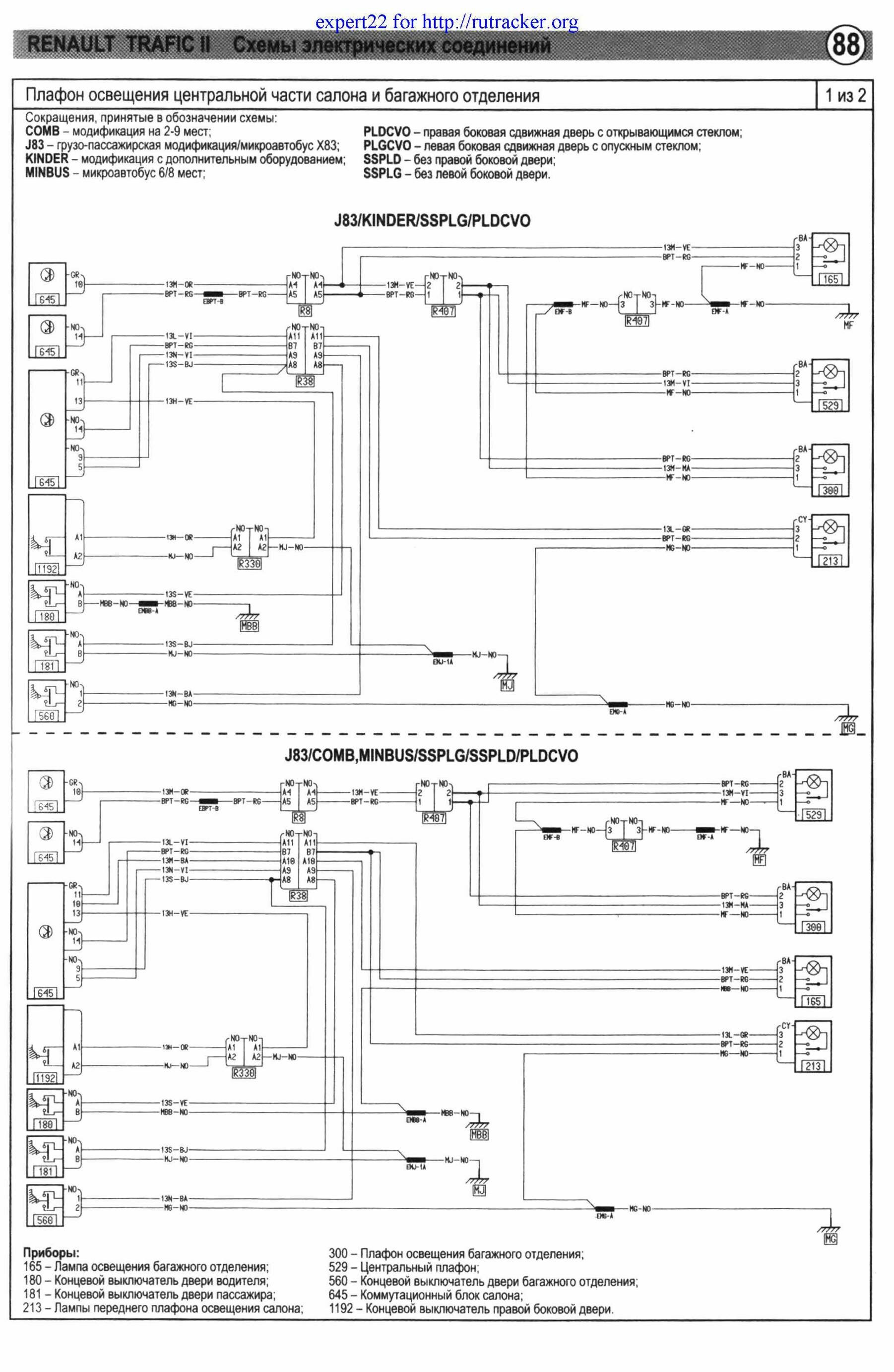
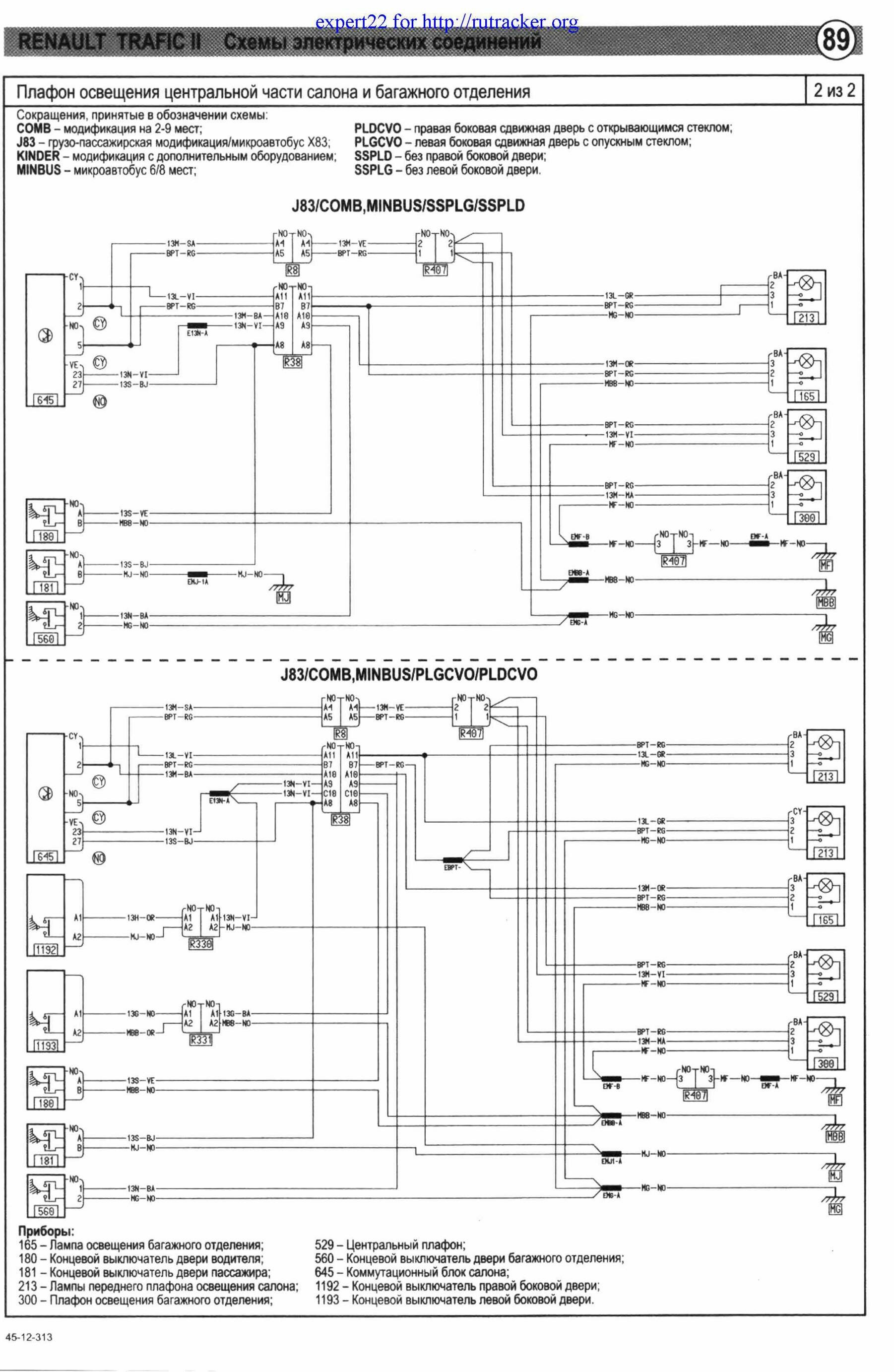
Плафон освещения центральной части салона Рено Трафик


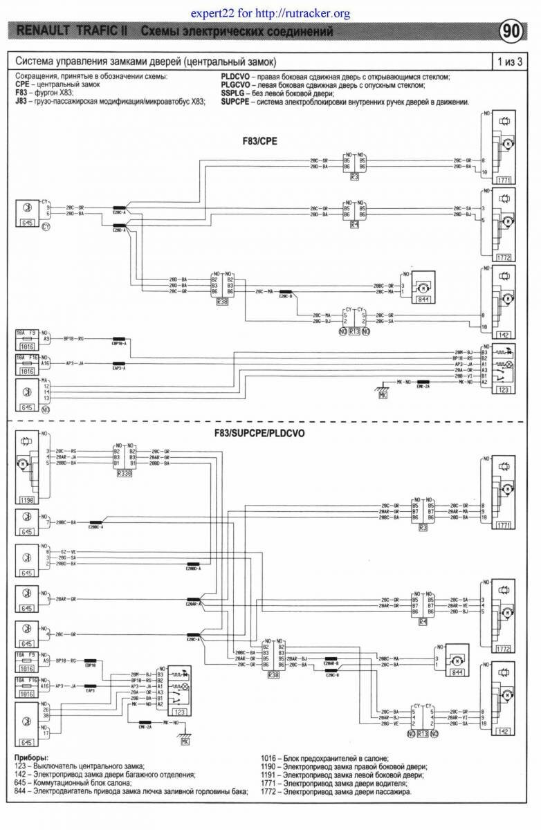
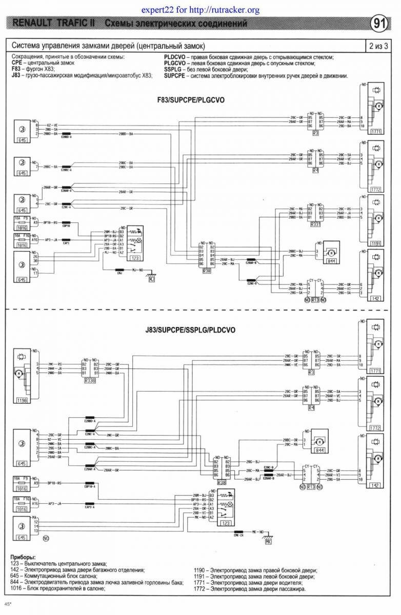
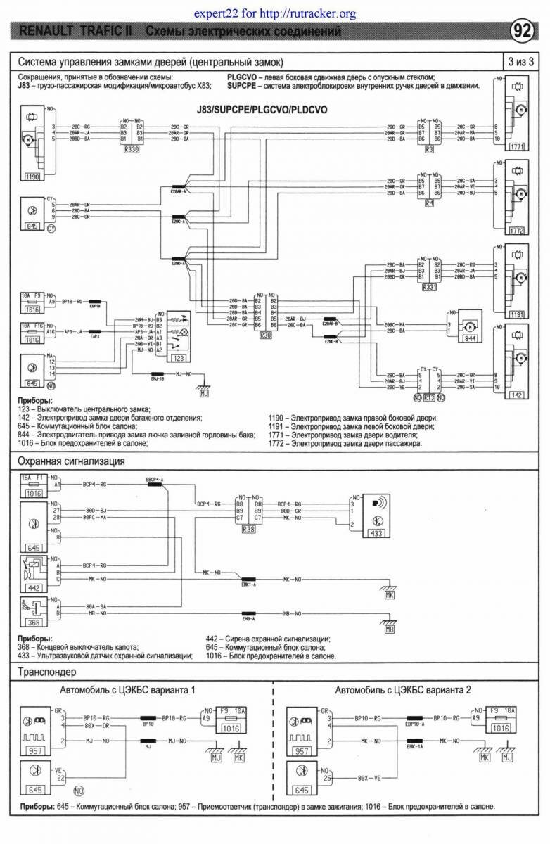
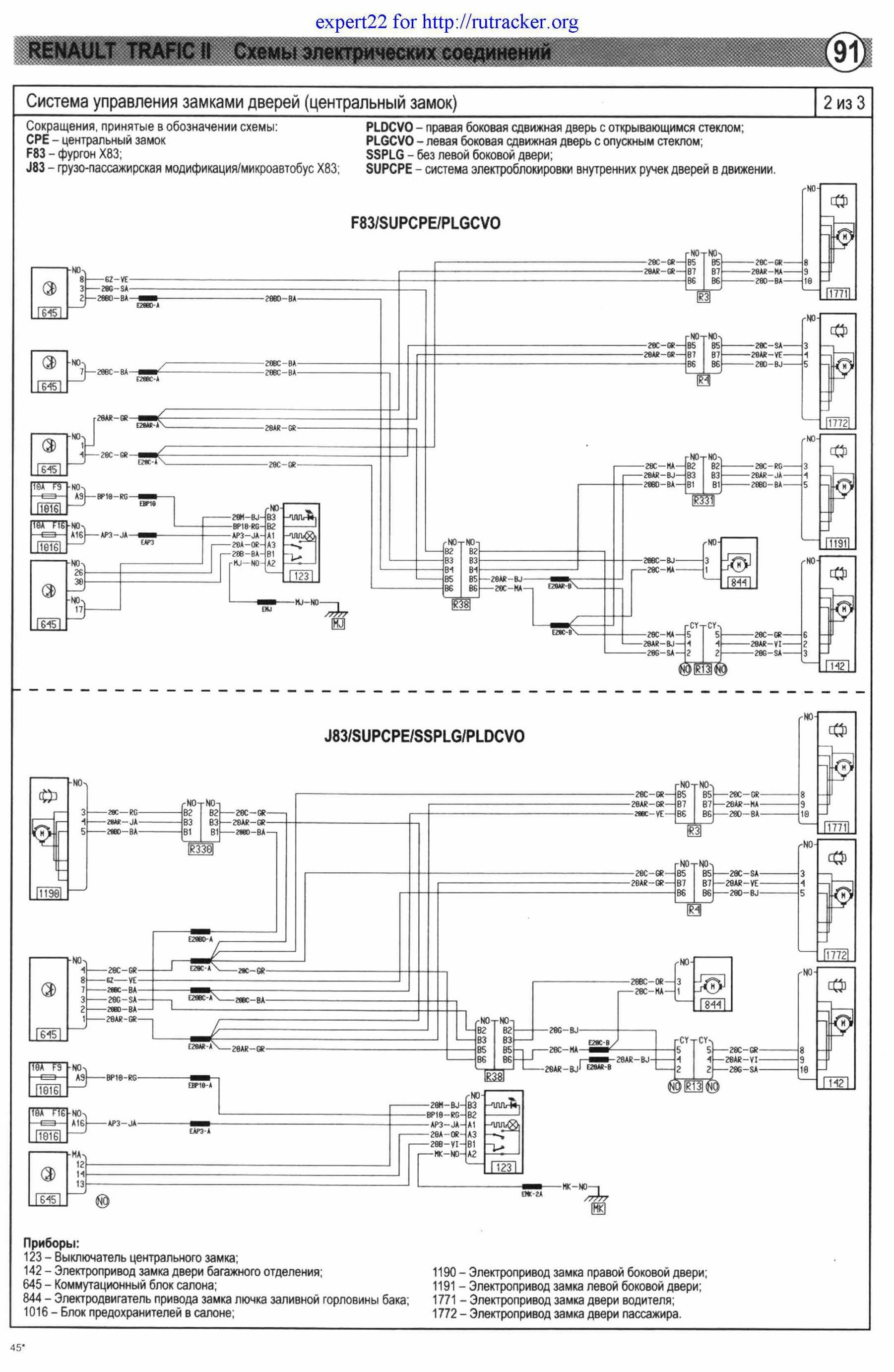
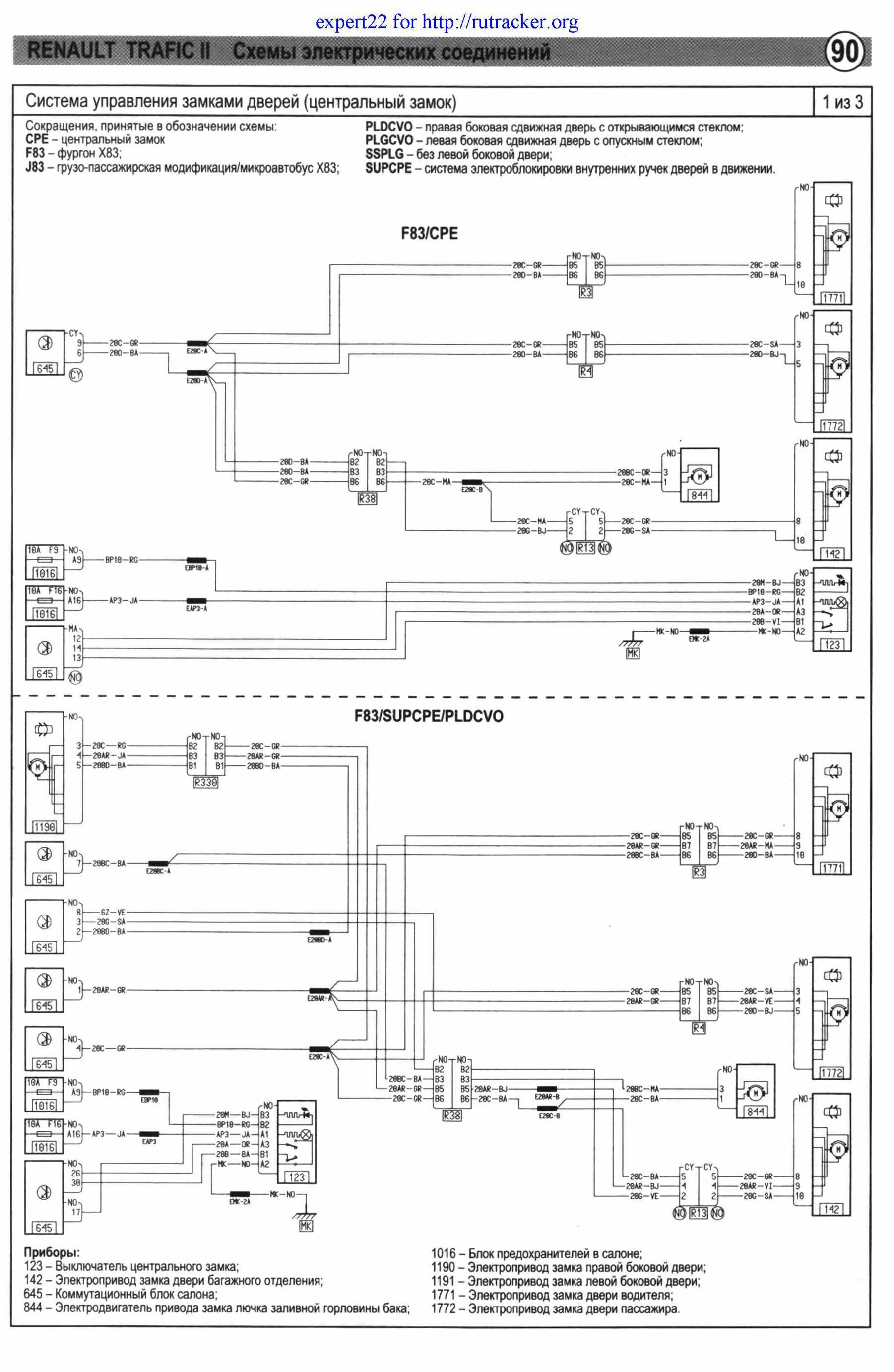
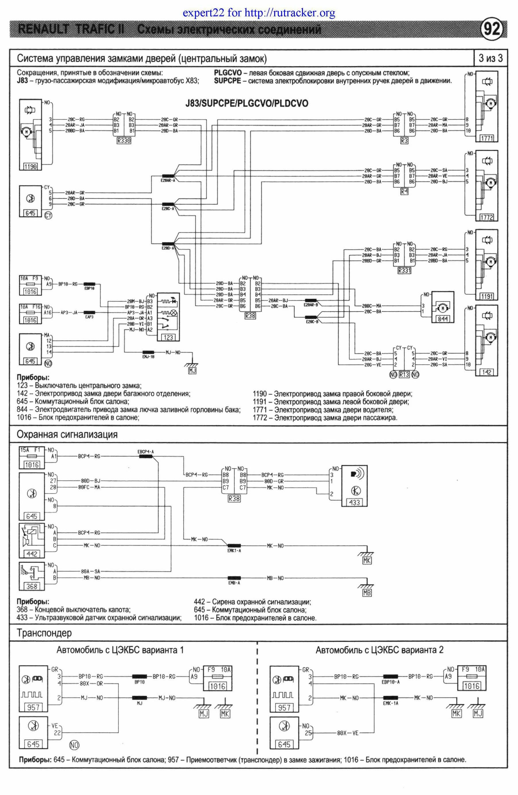
Система управления замками дверей - ЦЗ



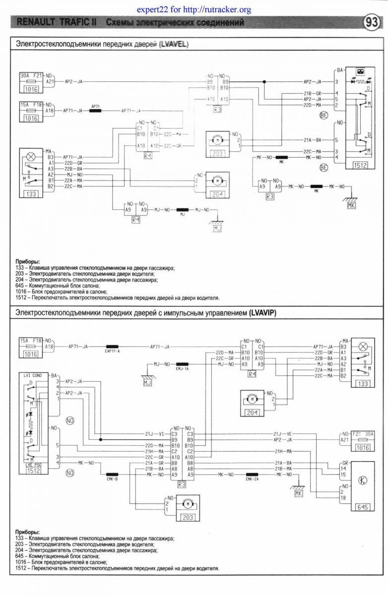
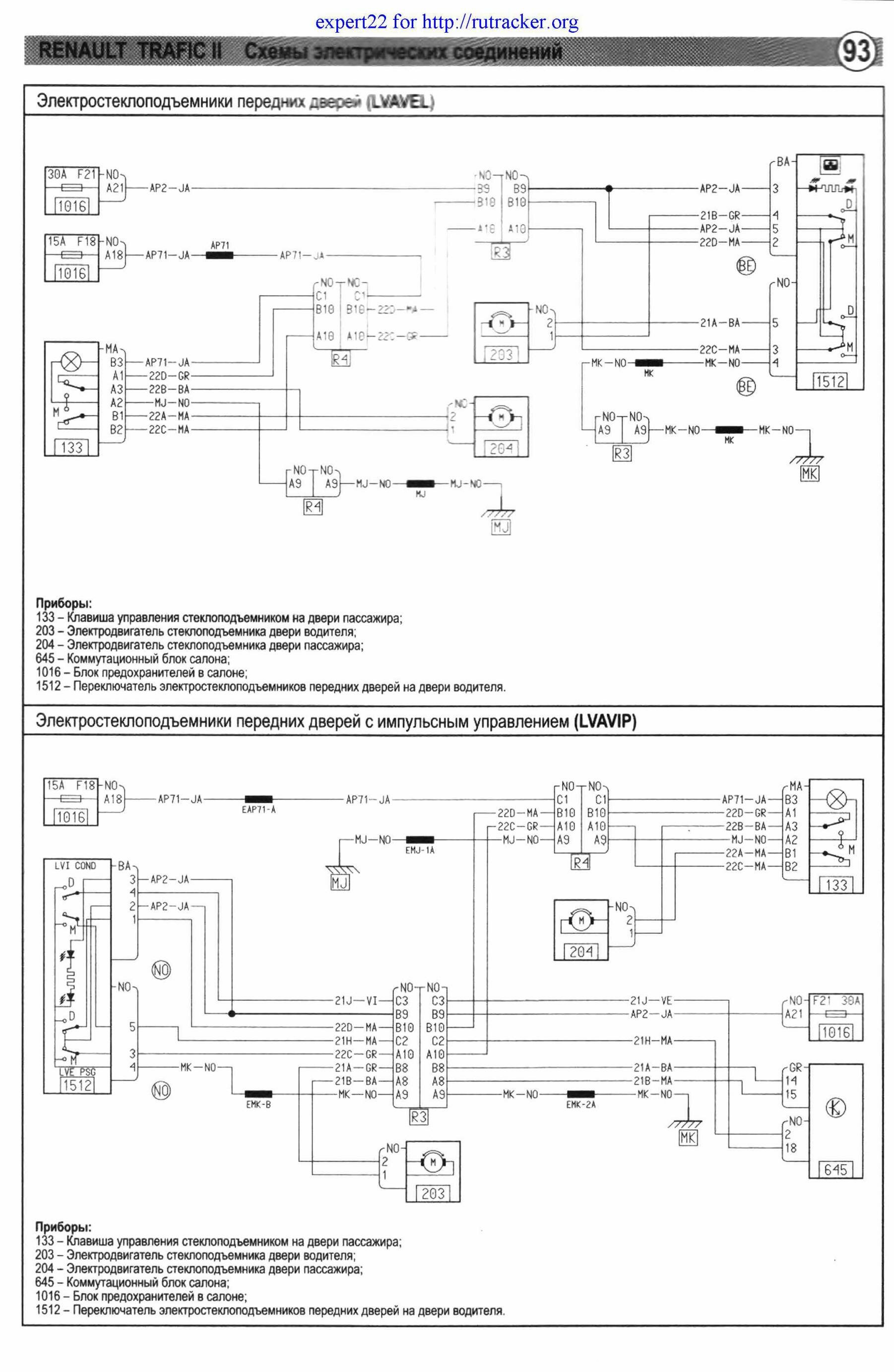
Схема электростеклоподъёмников дверей

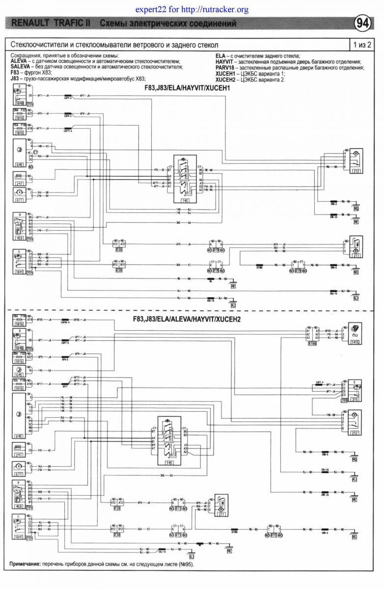
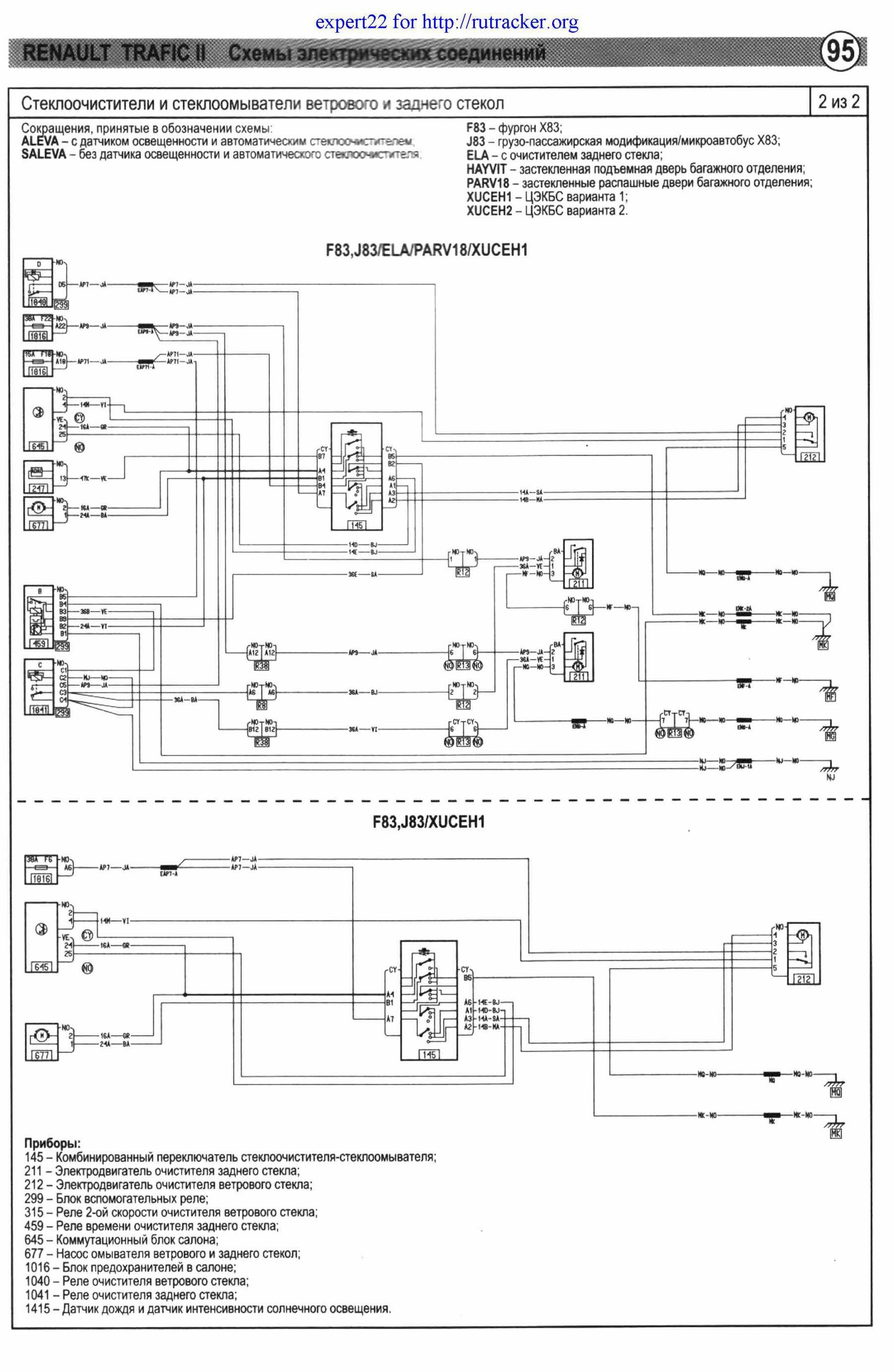
Стеклоочистители стёкол авто Рено Трафик


Регуляторы положения наружных зеркал - электросхема

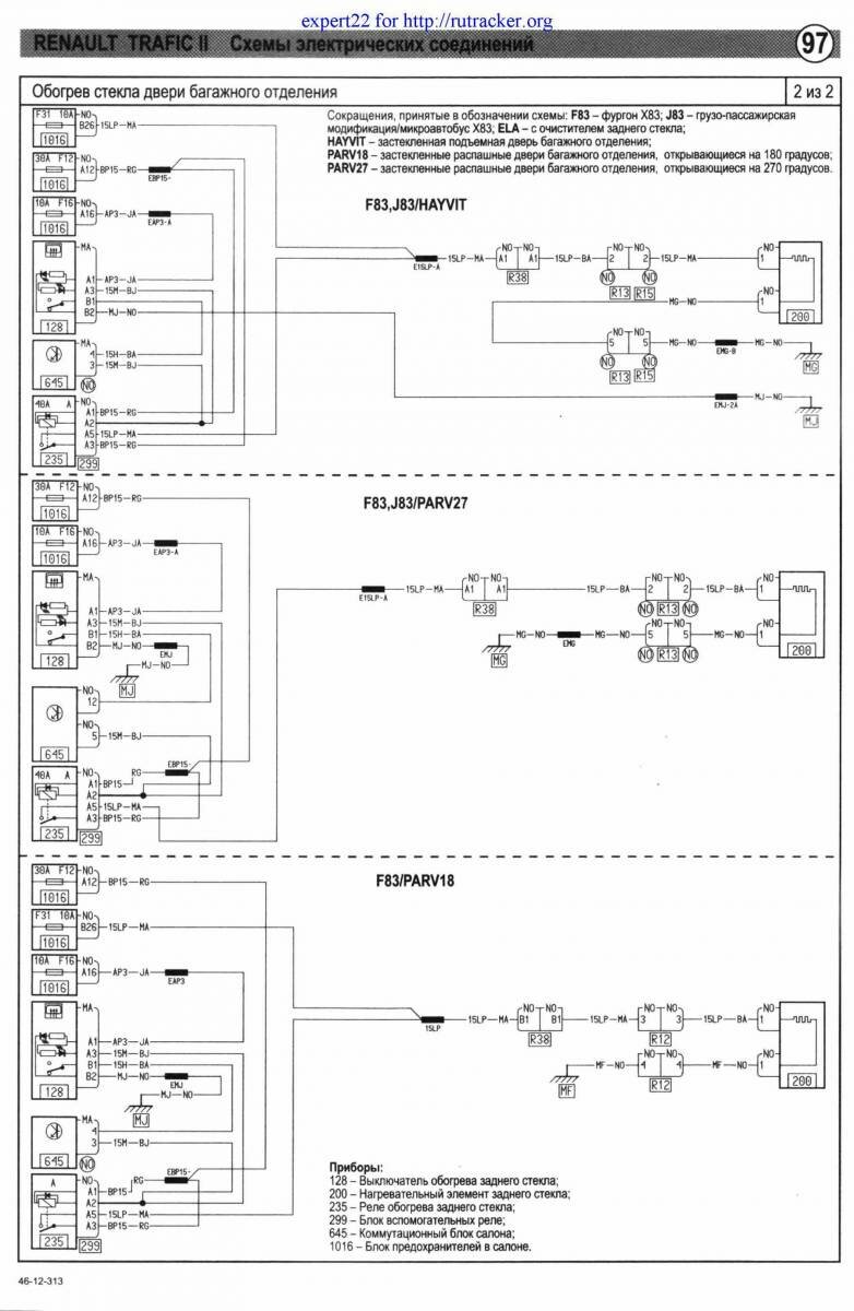
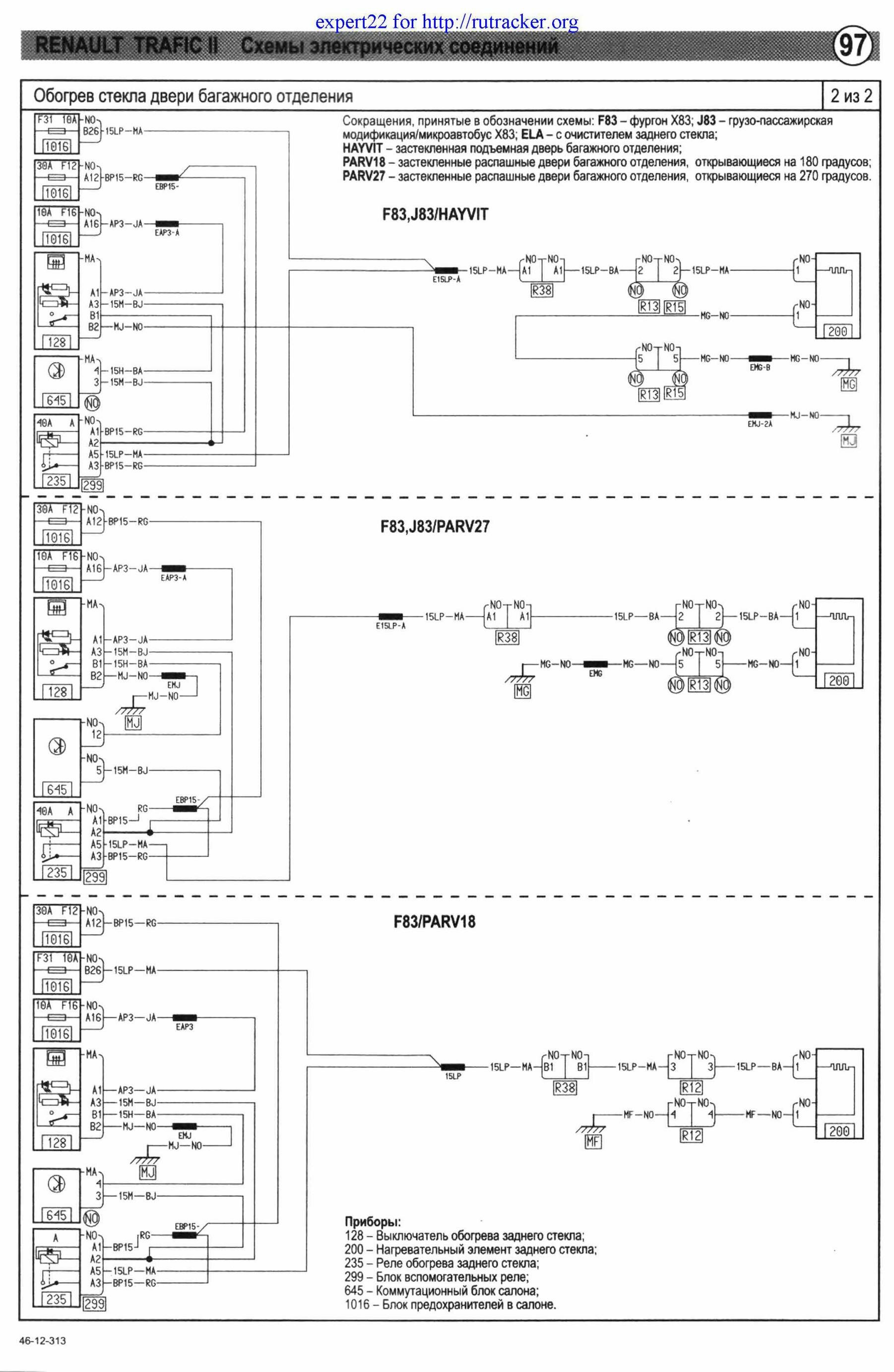
Схема обогрева стекла багажного отделения

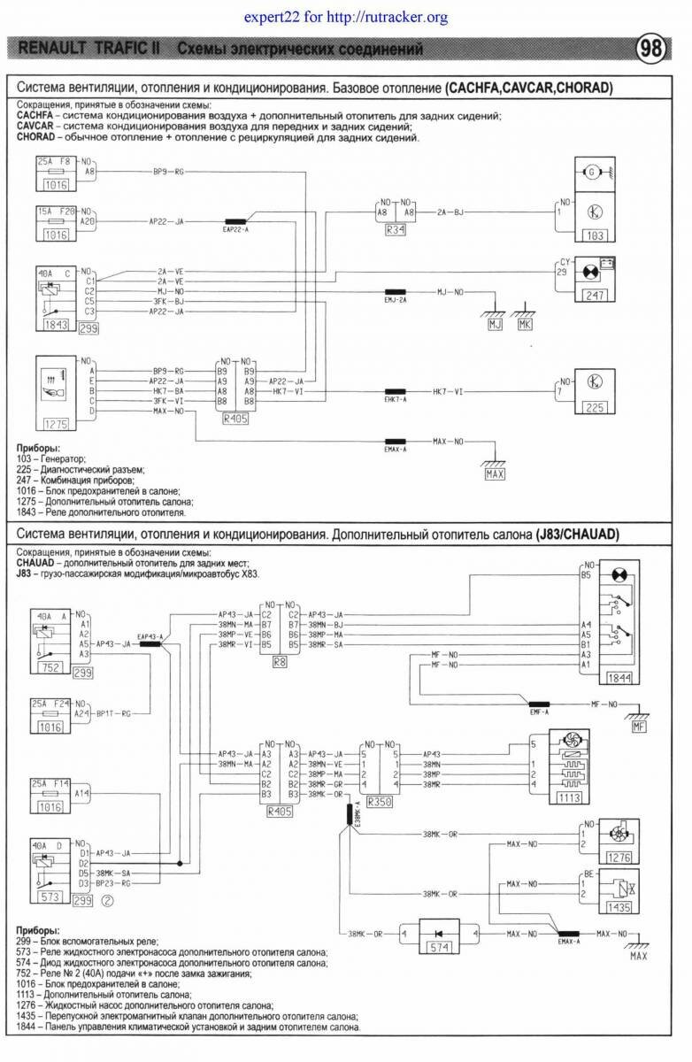
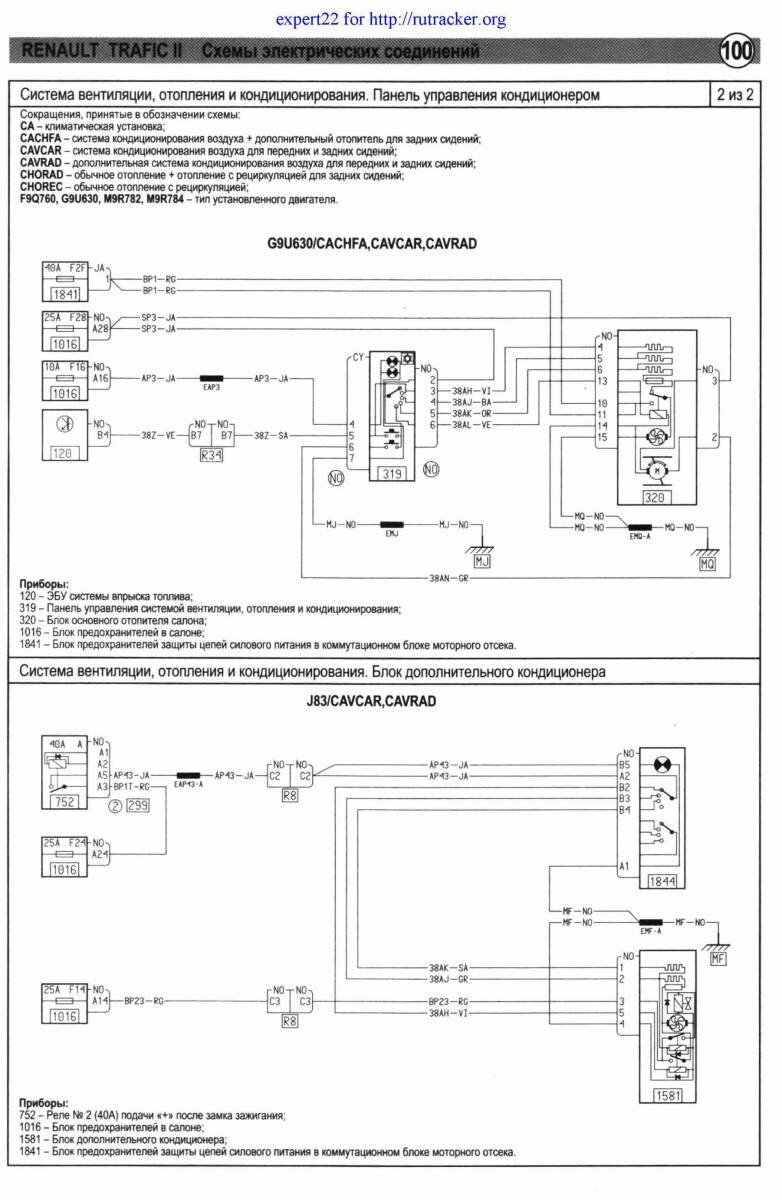
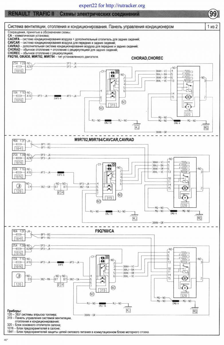
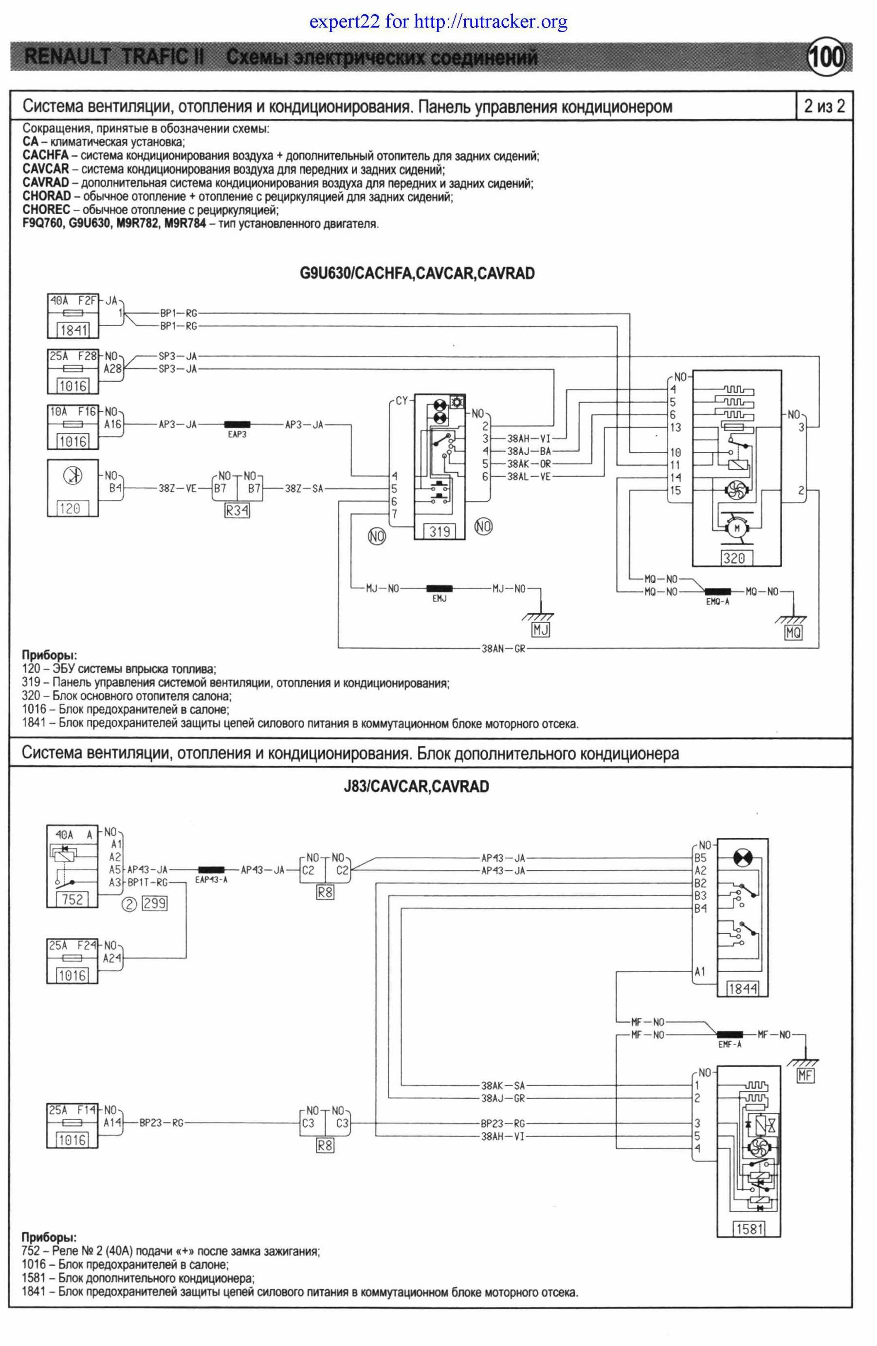
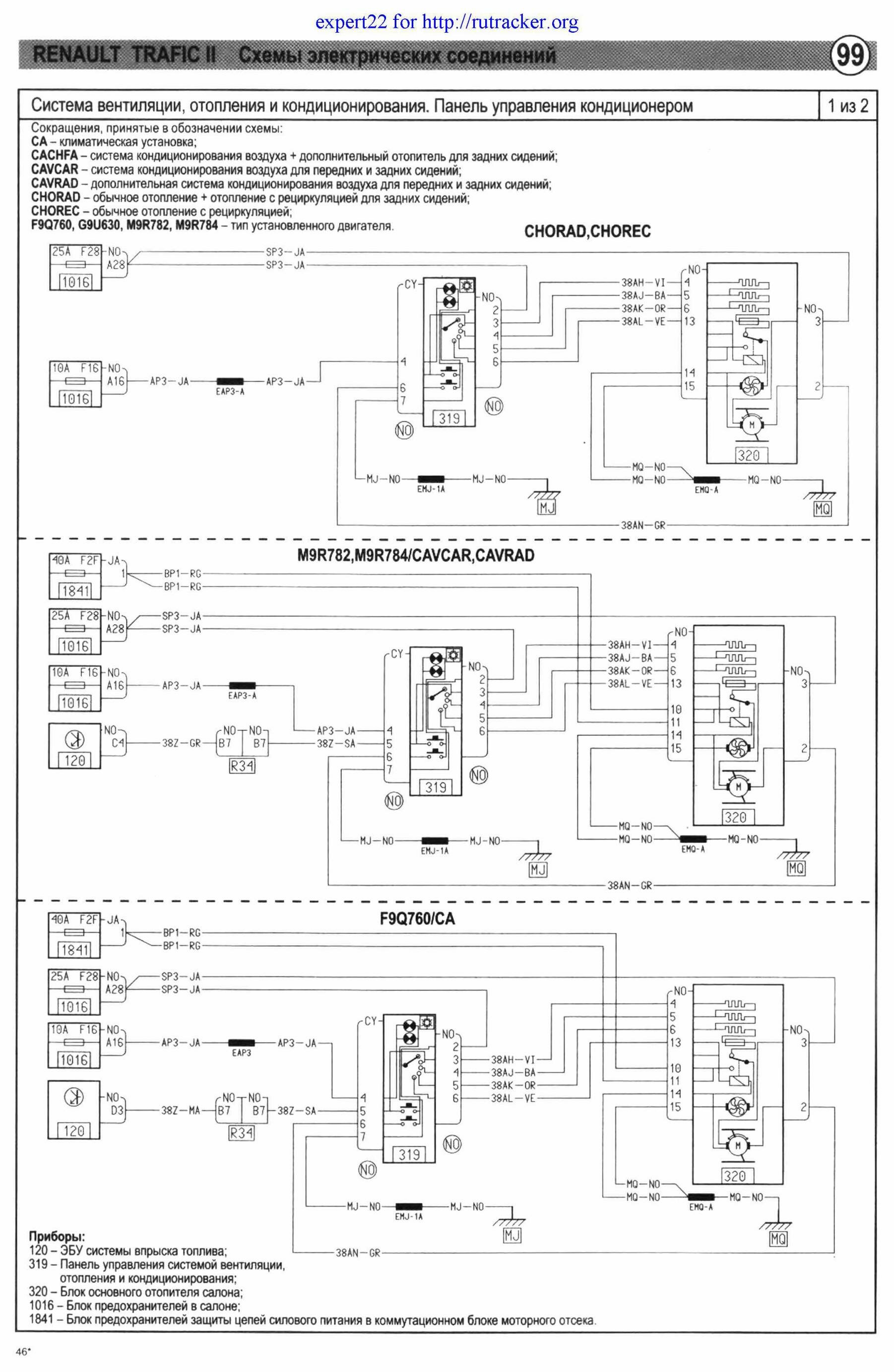
Схема вентиляции и кондиционирования авто



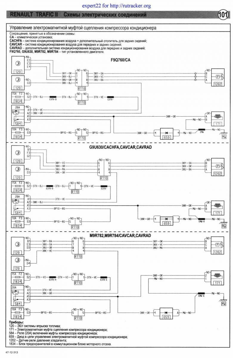
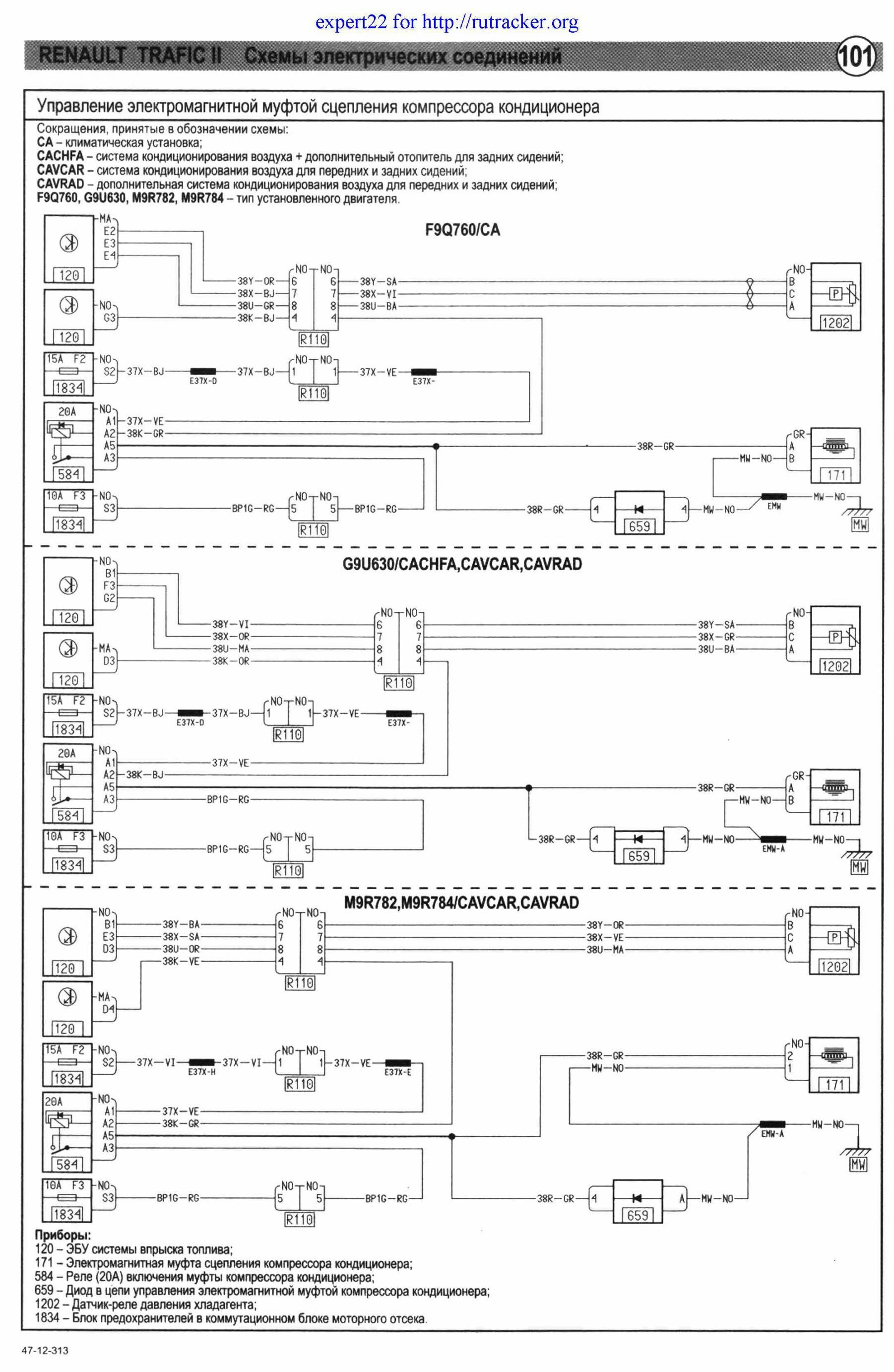
Управление электромагнитной муфтой сцепления компрессора

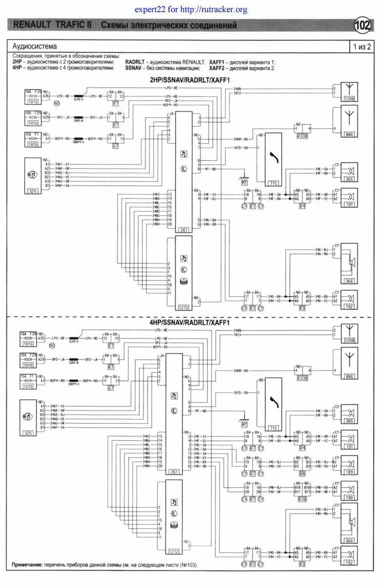
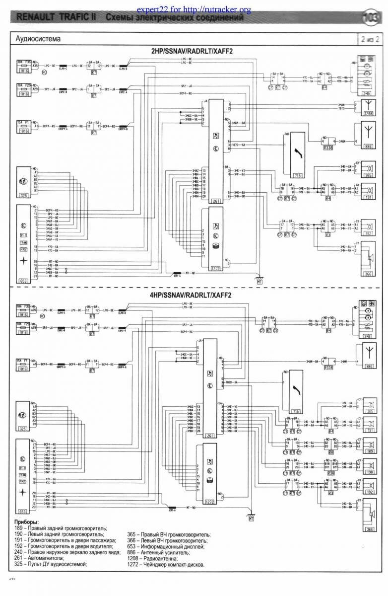
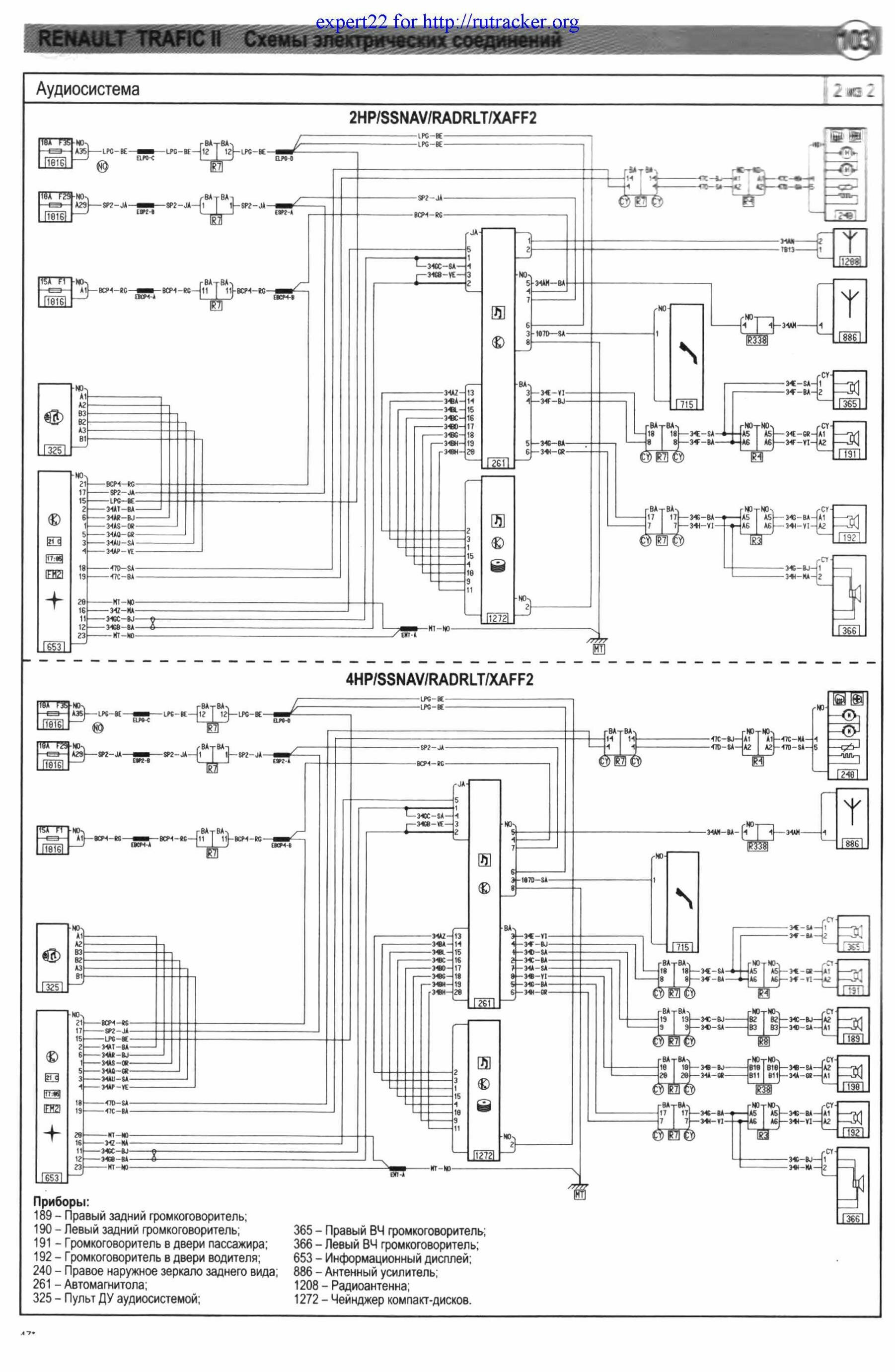
Электрооборудование авто Рено Трафик - аудиосистема АС


Установка автомагнитолы и радиотелефона в автомобиле

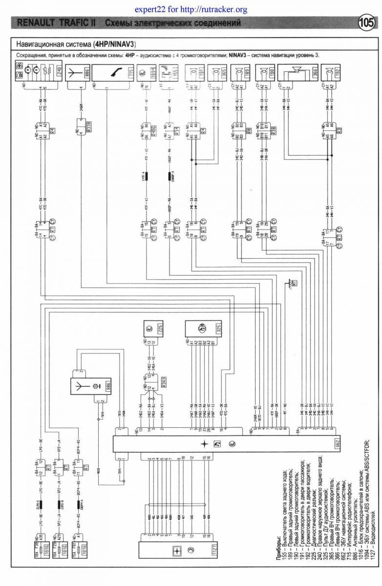
Схема навигационной системы Renault Trafic

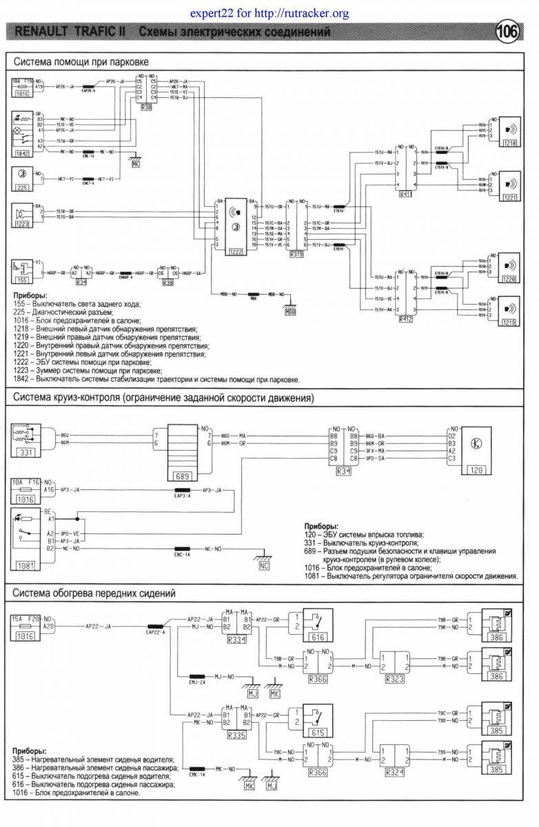
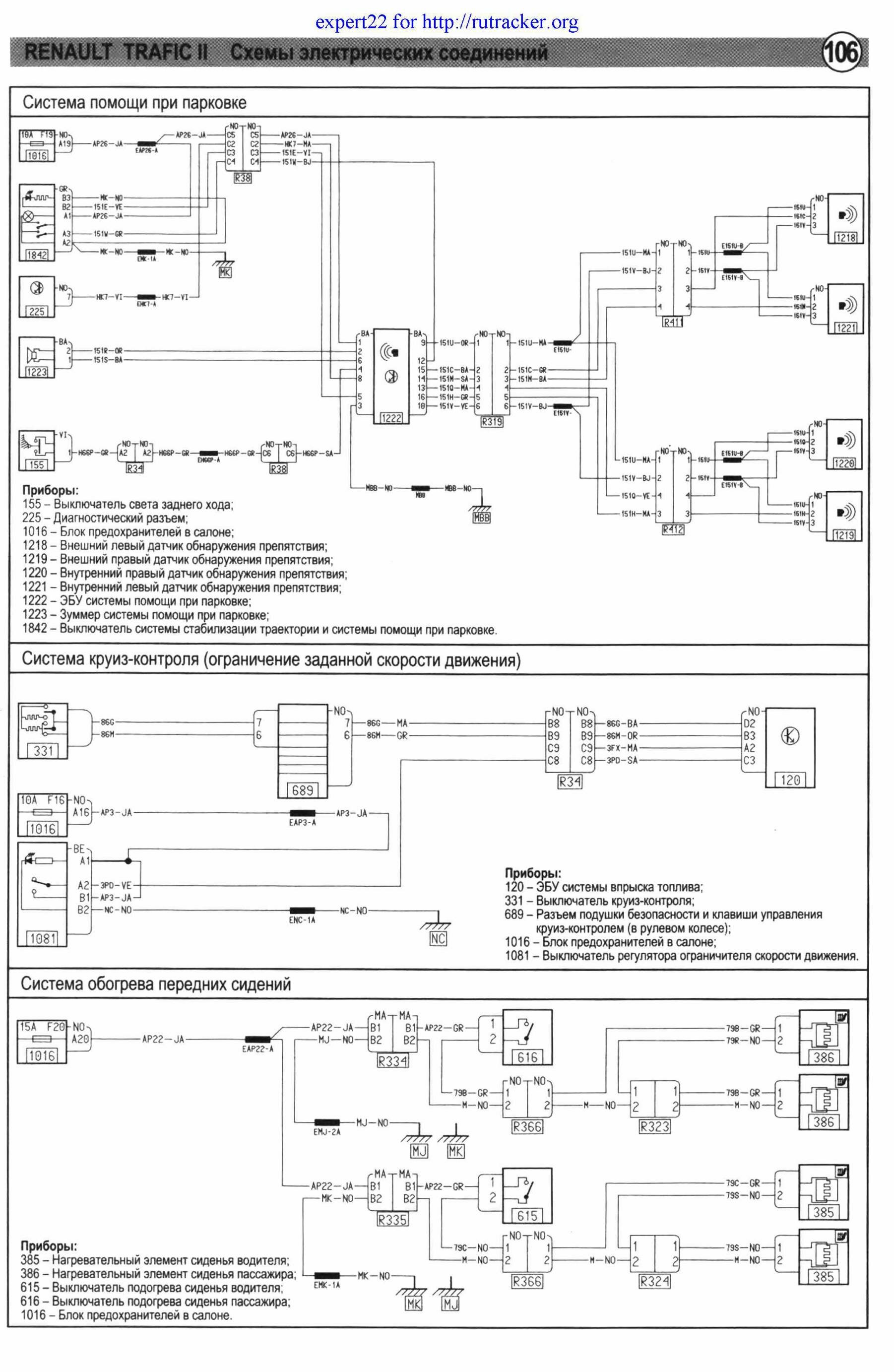
Система круиз-контроля и автопарковки

Эл. оборудование комбинации приборов Рено


РЕМОНТ АВТОЭЛЕКТРОНИКИ ЗАРЯДНЫЕ УСТРОЙСТВА ДЛЯ АКБ

|