Бесплатные схемы электрооборудования двигателя автомобиля Renault Trafic. Все схемы на русском языке и в хорошем качестве. Чтоб развернуть картинку на весь экран - кликните на неё. Приведены модули запуска двигателя, впрыска топлива, охлаждения, электроснабжения двигателя. Схемы защищены от копирования и просматривать их можно только на сайте. Продолжение сборника, с описание остальных схем Renault Trafic, смотрите тут.
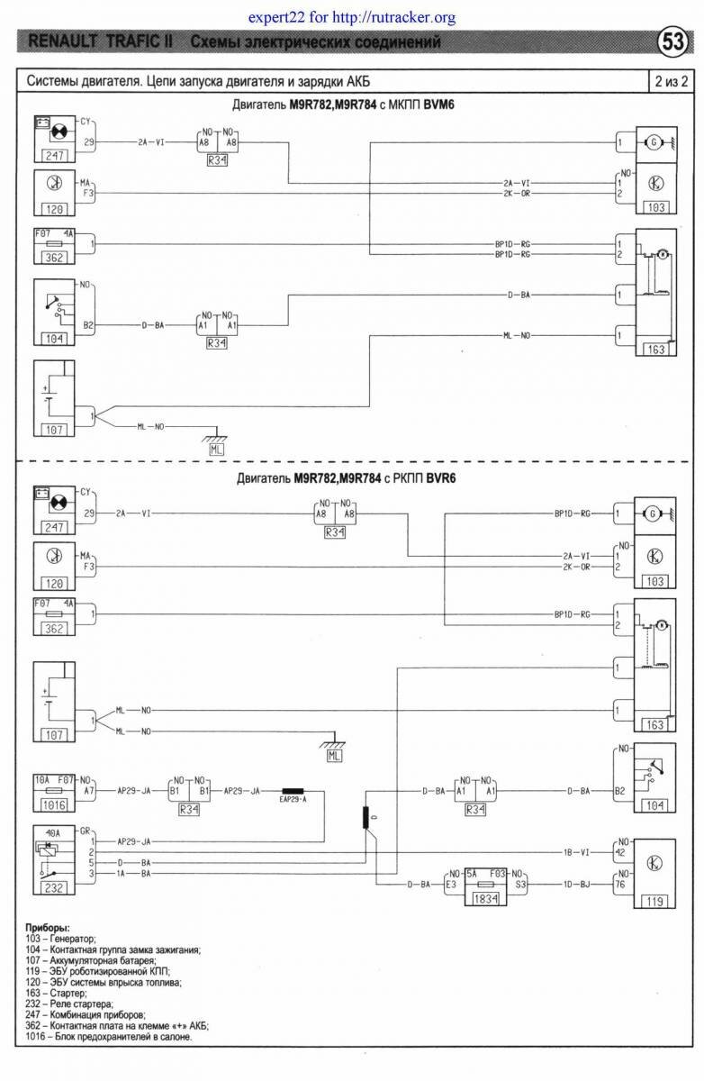
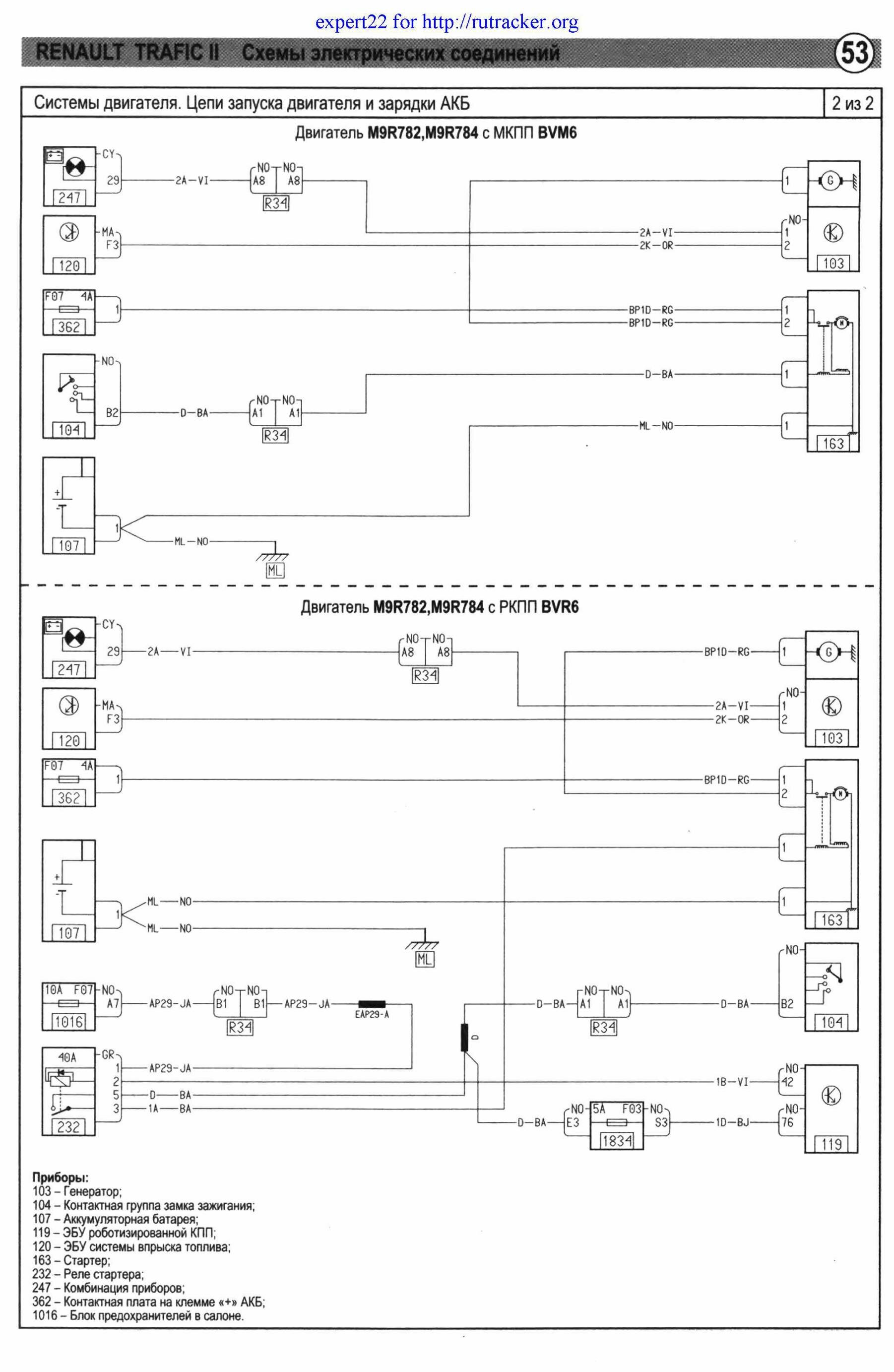
Цепи запуска двигателя и зарядки АКБ

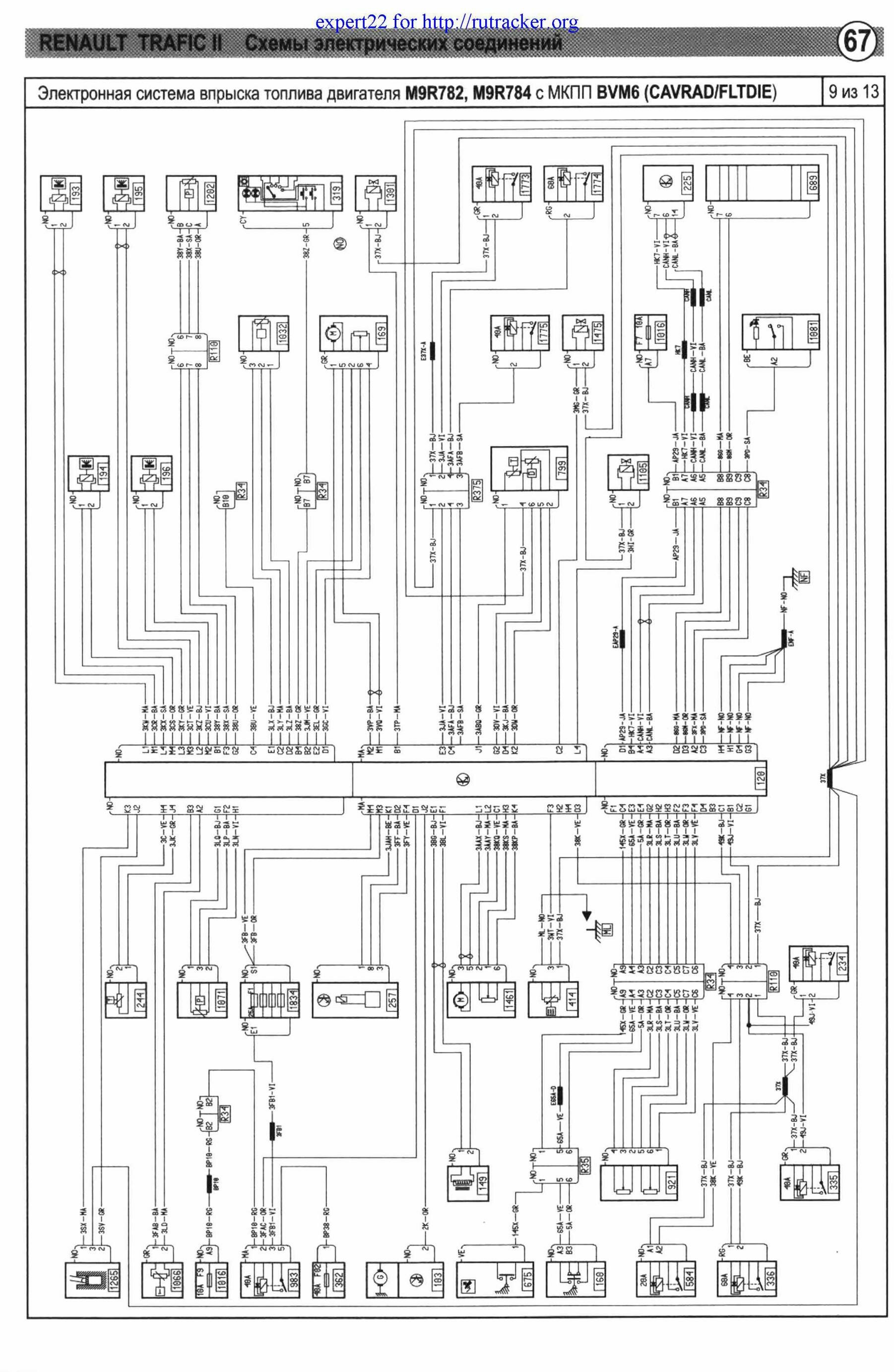
Для двигателя M9R782, M9R784, с РКПП и МКПП

Схема системы охлаждения мотора Renault Trafic

То-же и дополнительная система кондиционирования воздуха

Погружные подогреватели в системе охлаждения двигателя

Подогреватель дизтоплива в топливном фильтре - схема

Схема предварительного прогрева и свеч накаливания

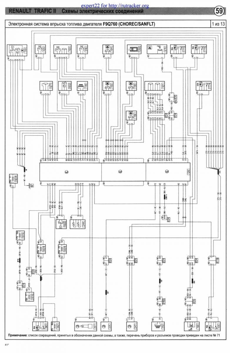
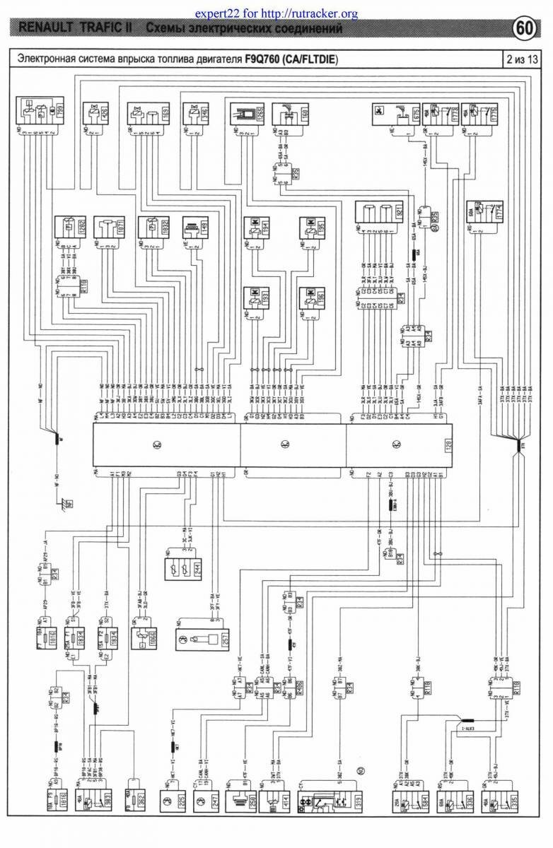
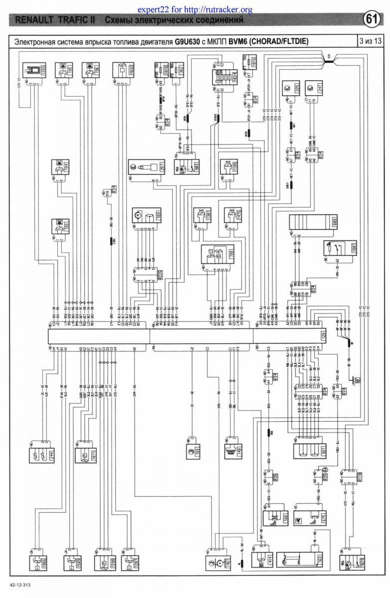
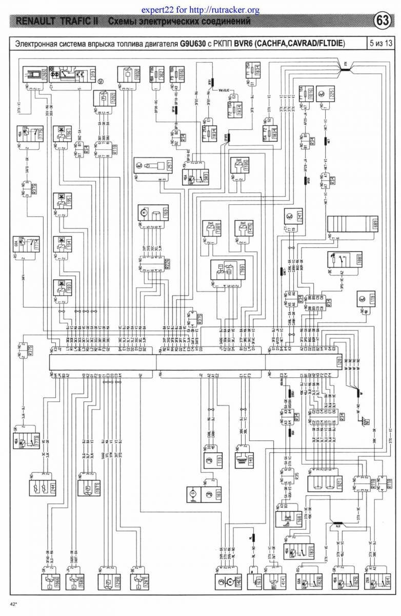
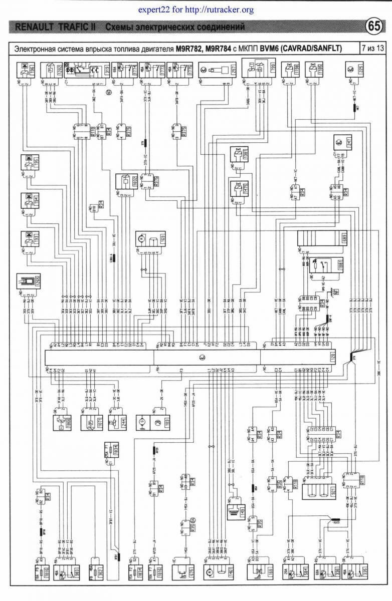
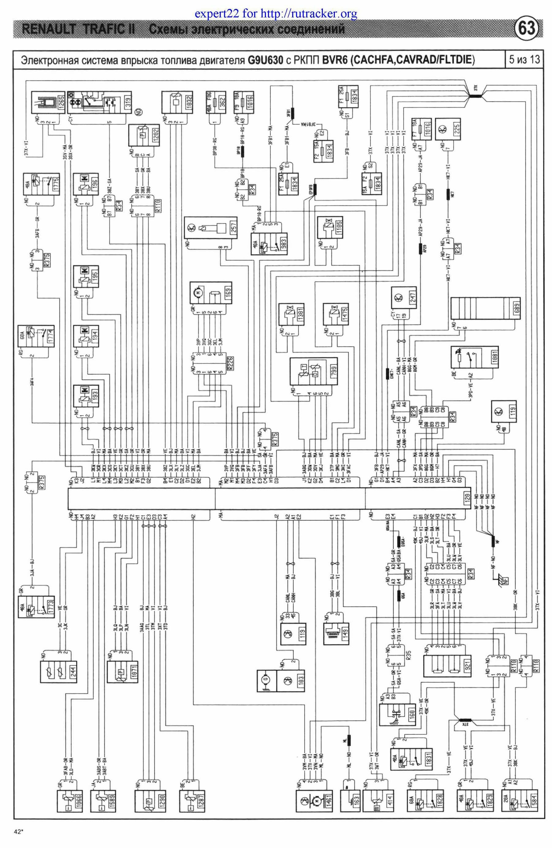
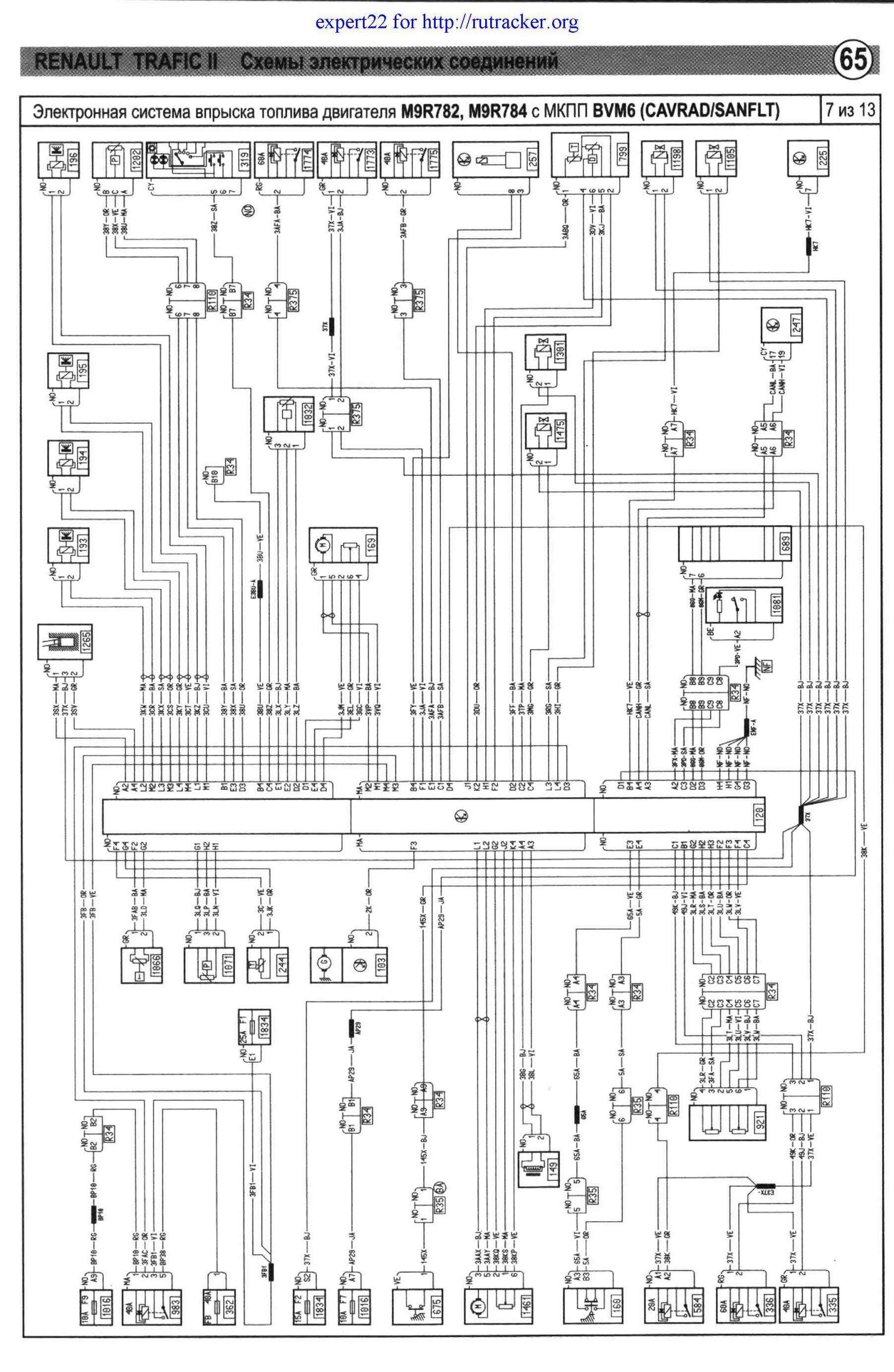
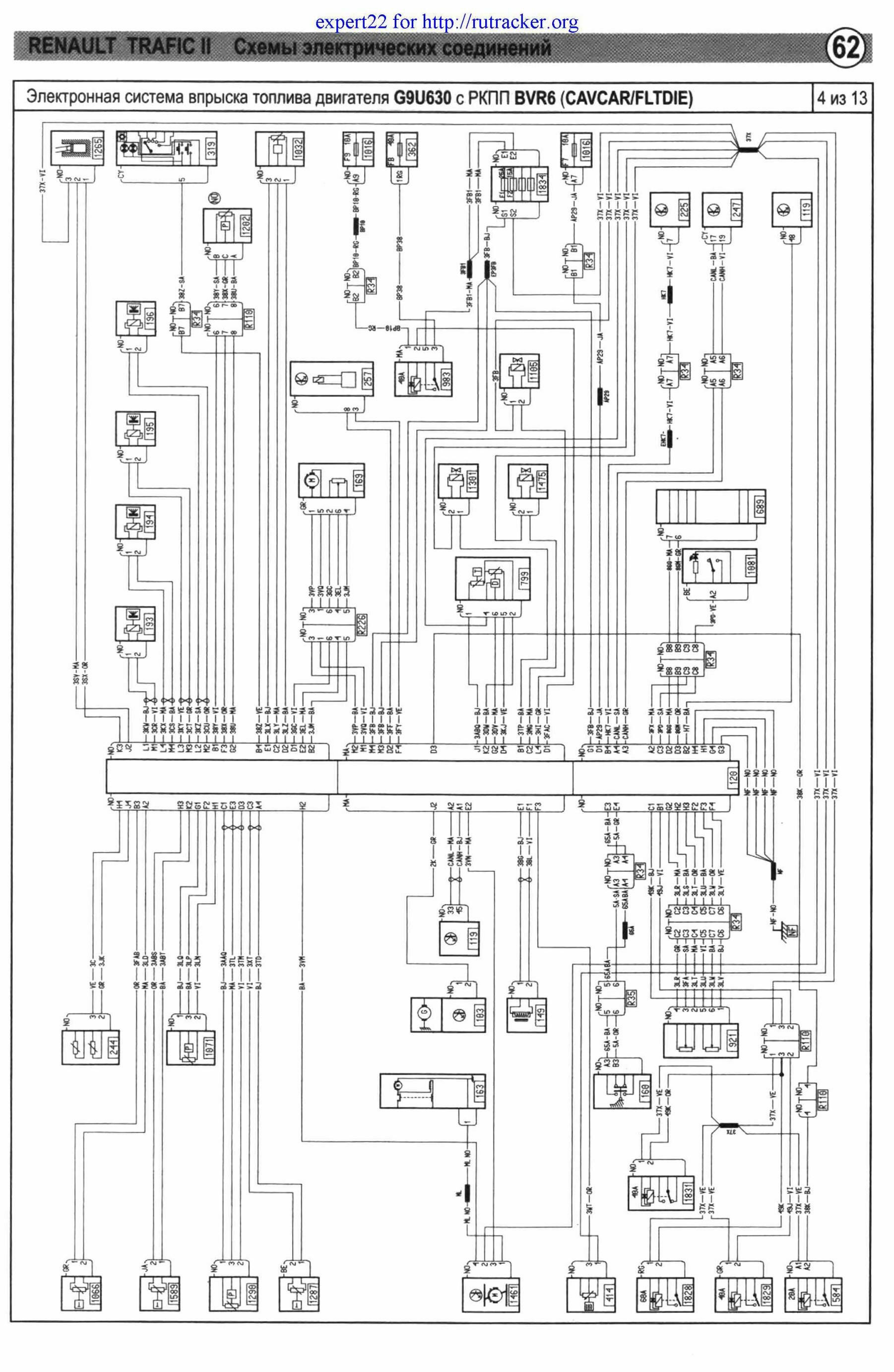
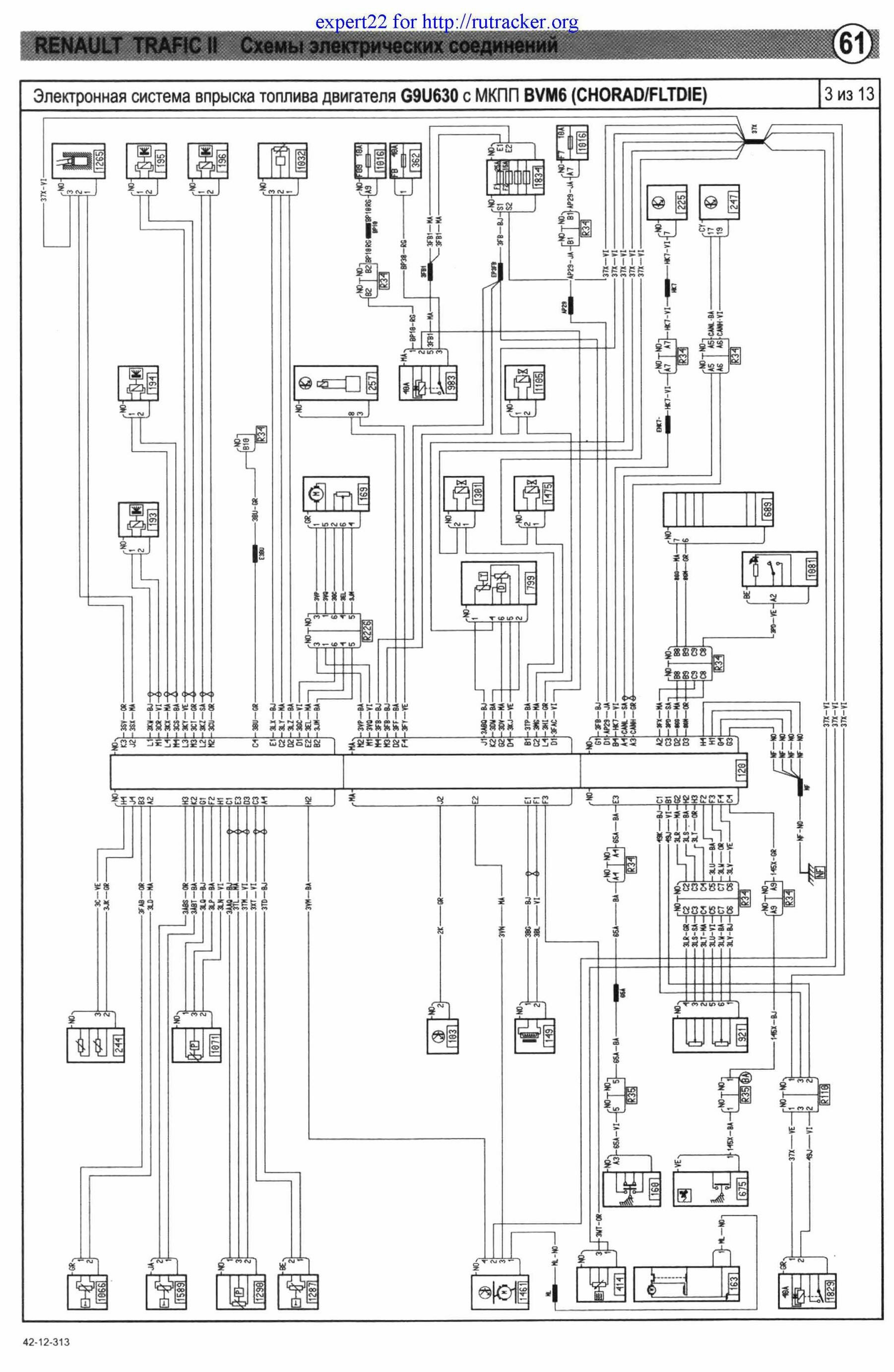
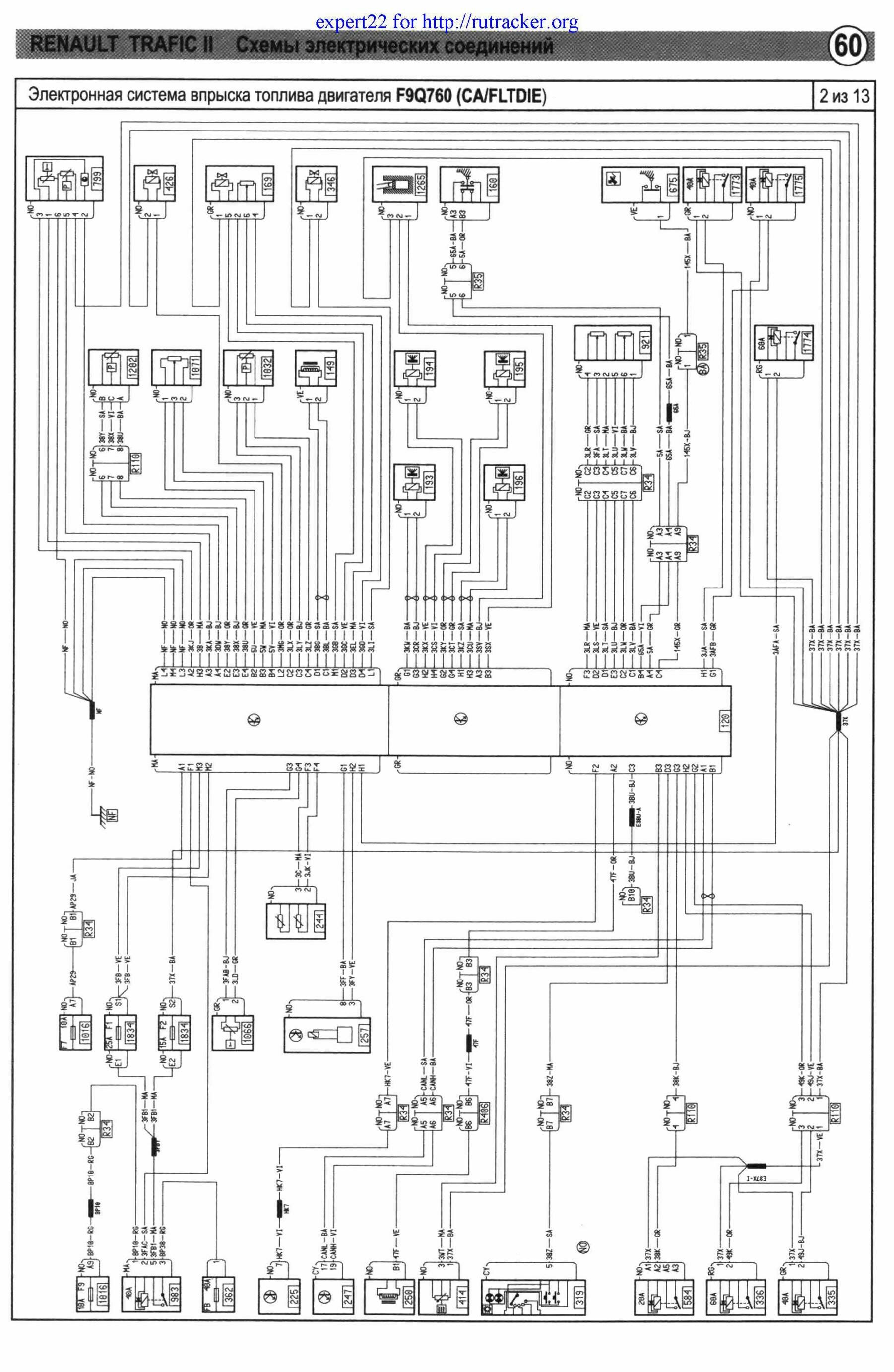
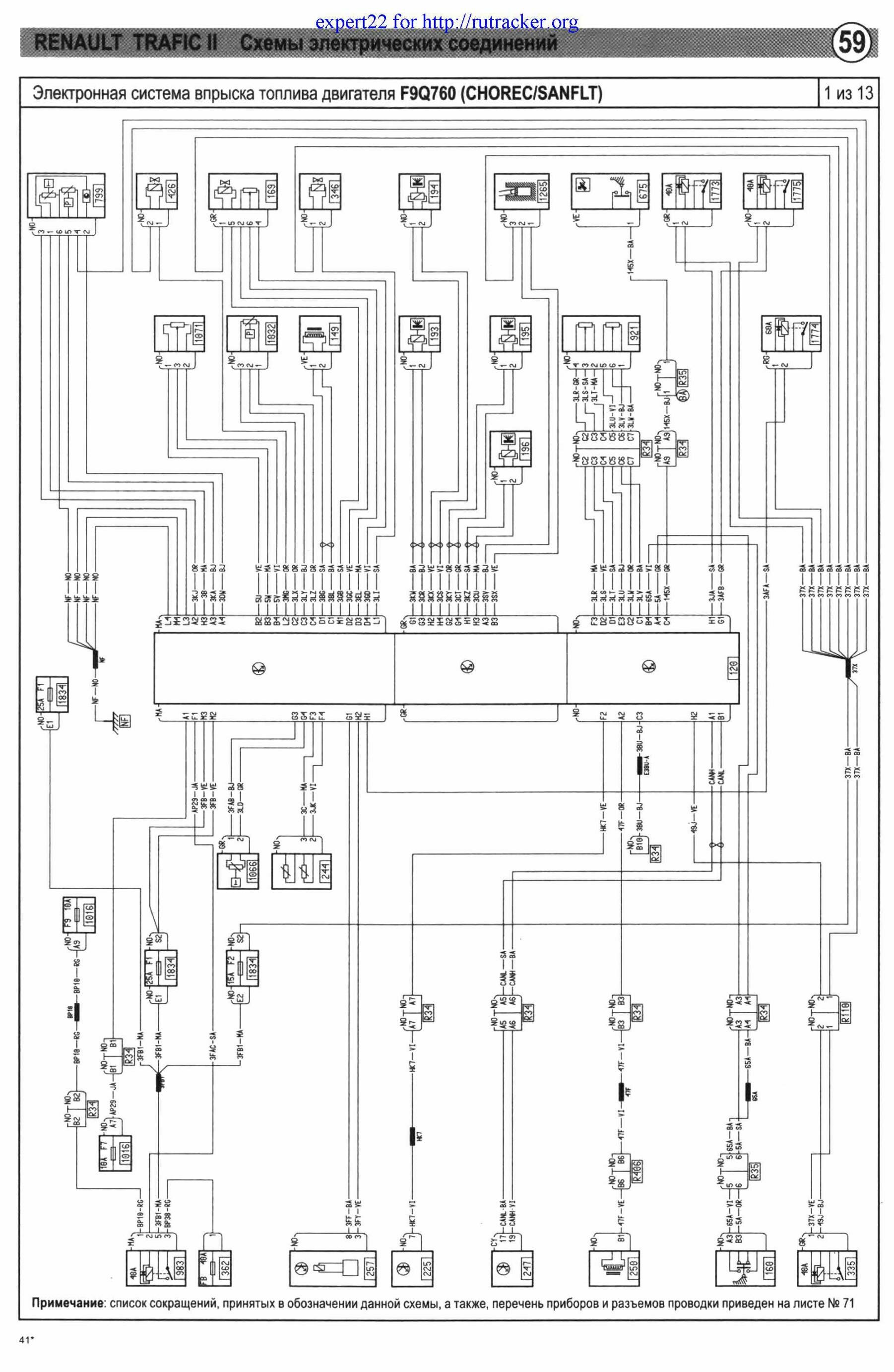
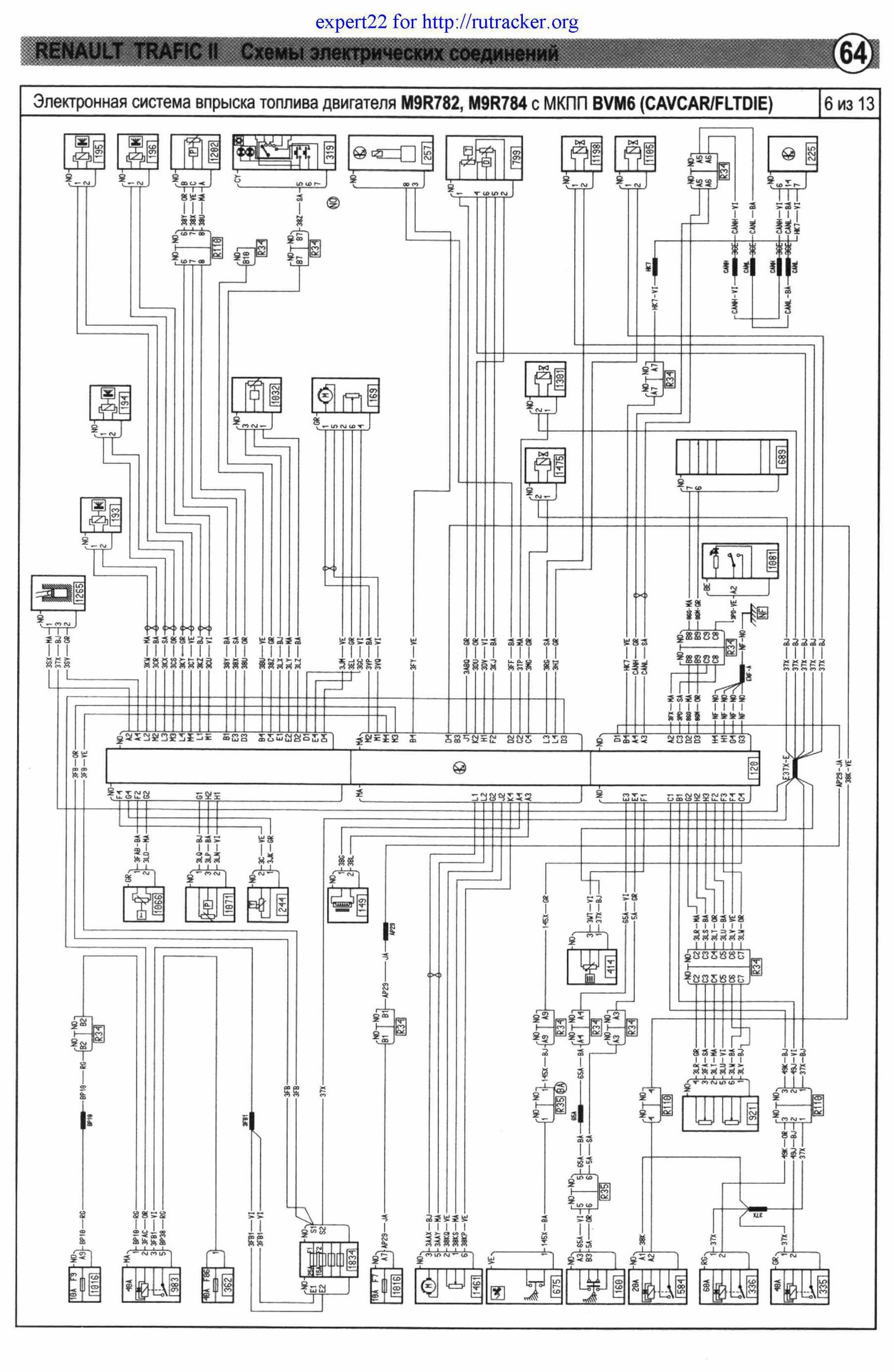
Электронная система впрыска топлива Renault Trafic




Электронная система впрыска топлива для двигателя с роботизированной КПП

Электронная система впрыска топлива для двигателя с механической КПП







Электронная система впрыска топлива дизельных двигателей - сокращения на схемах

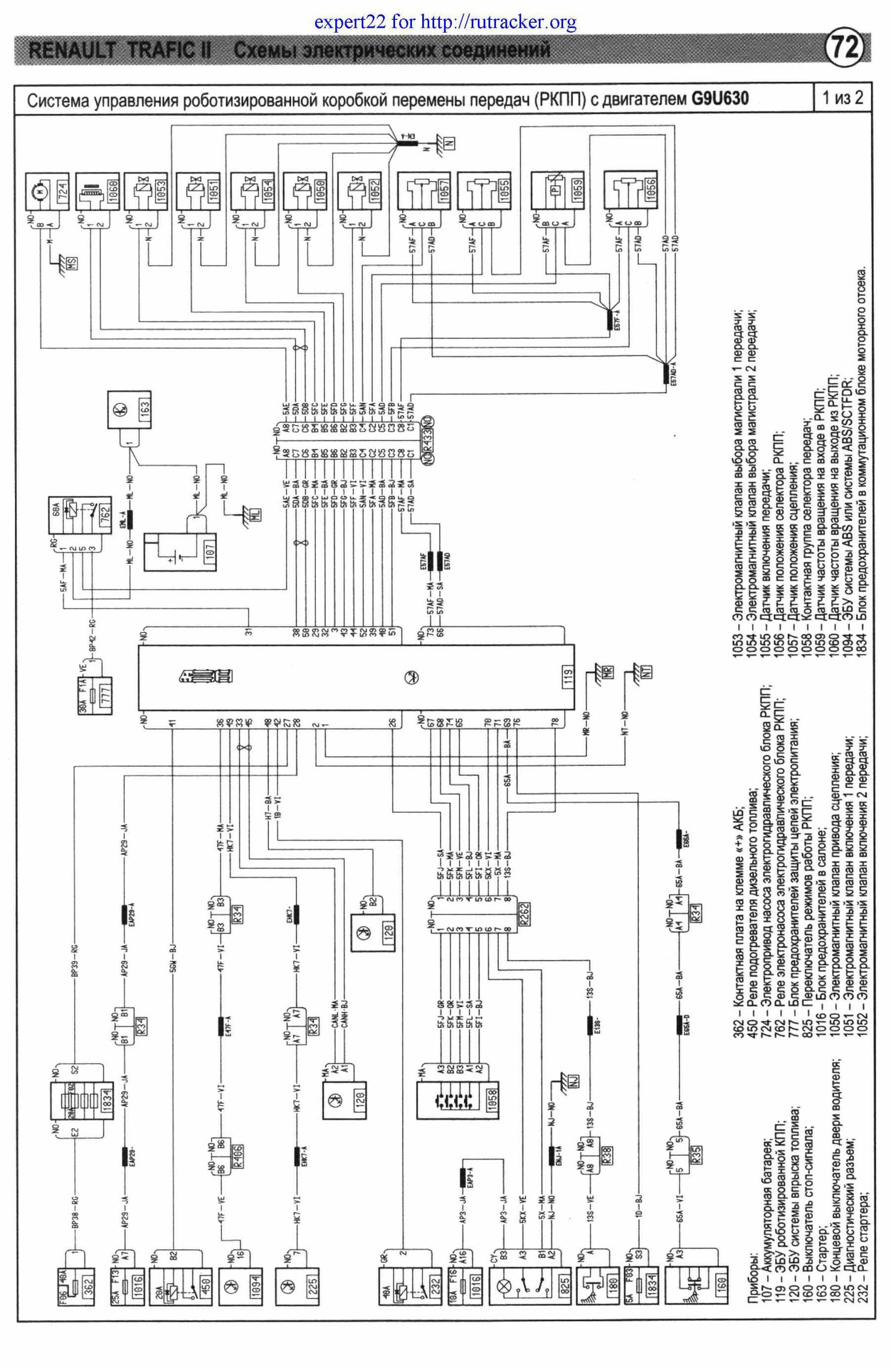
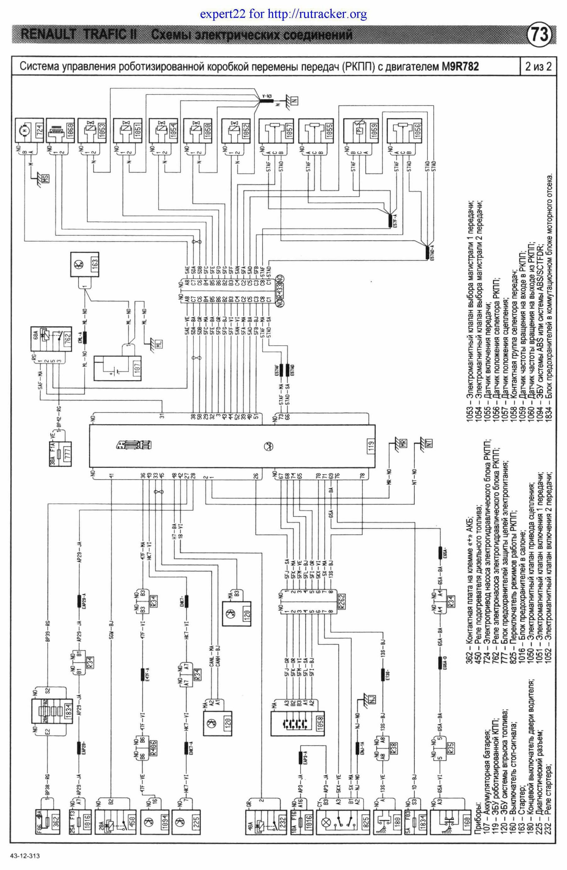
Система управления роботизированной коробкой передач РКПП


РЕМОНТ АВТОЭЛЕКТРОНИКИ ЗАРЯДНЫЕ УСТРОЙСТВА ДЛЯ АКБ

|