Электросхема автомобиля марки Тойота, представленна типовая схема электрооборудования, на примере модели Тойота Камри. Для удобства просмотра лучше сохранить все схемы на компьютере и увеличить. Смотрите такие узлы, как системы пуска, заряда и зажигания, управления двигателем, охлаждения двигателя, обогрев заднего стекла и зеркала, указатели и система световой сигнализации, сигнал поворота, аварийная сигнализация, сигнал движения задним ходом и другие модули автомобиля Тойота Камри 1996-2001 г.
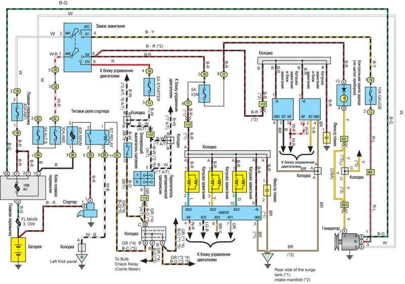
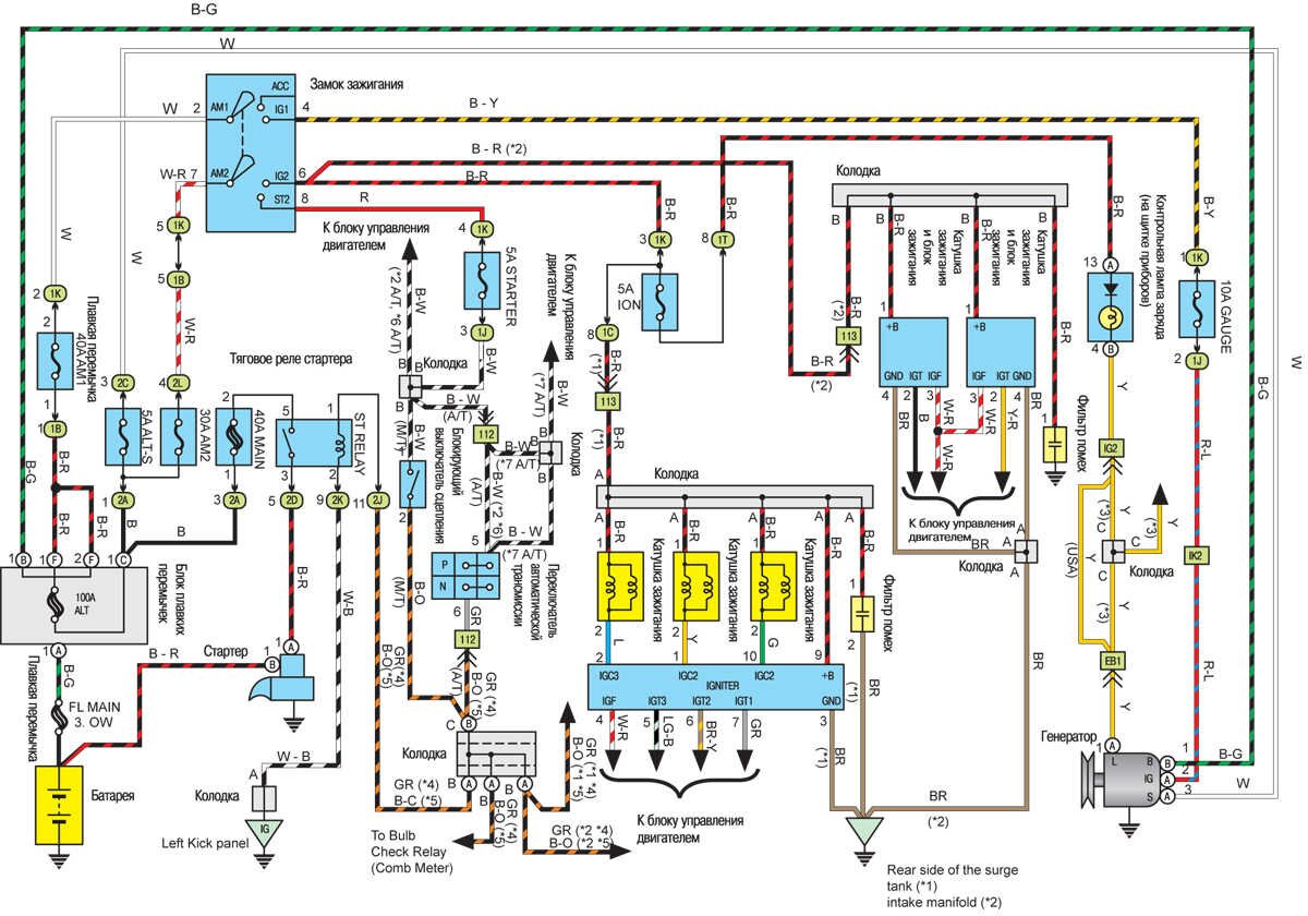
Электросхема системы пуска, заряда и зажигания Тойота Камри

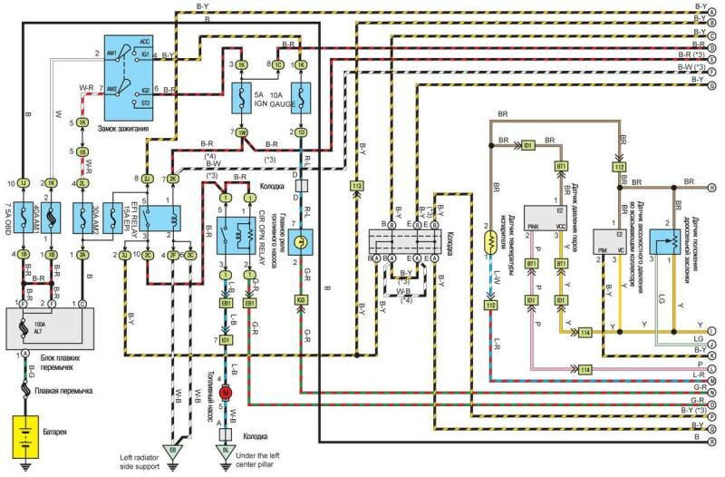
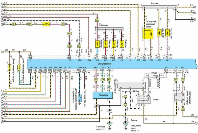
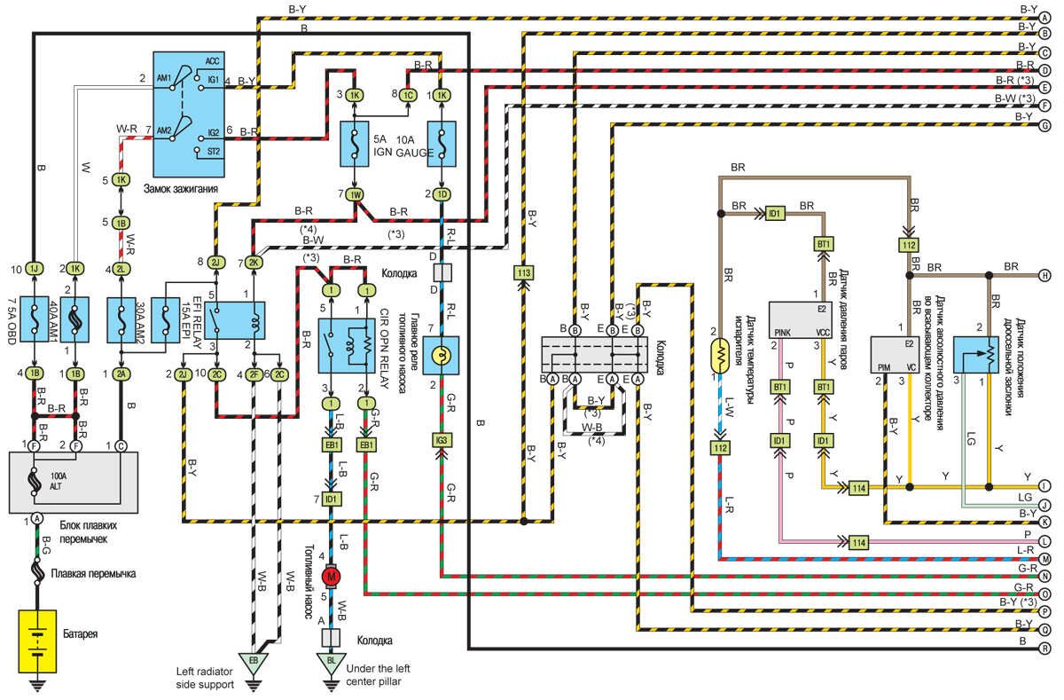
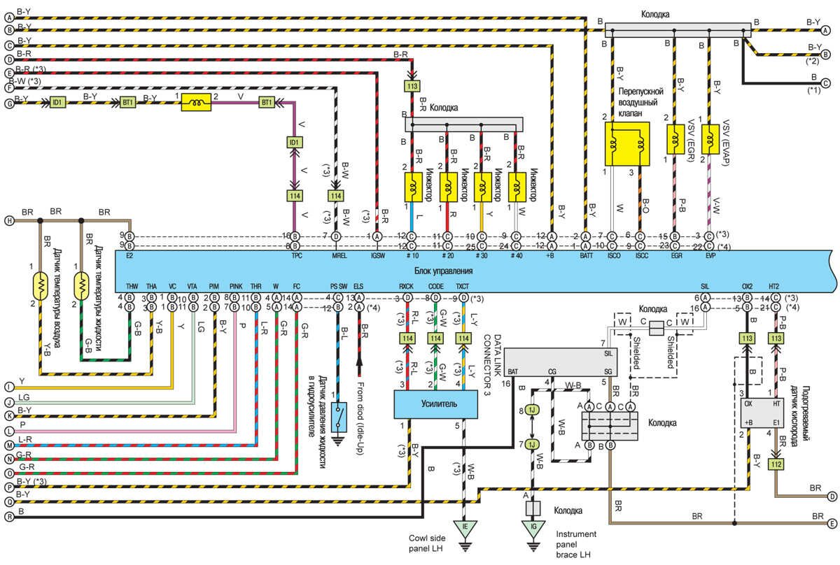
Схема управления 4-цилиндровым двигателем



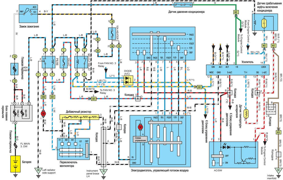
Отопитель и кондиционер автомобиля

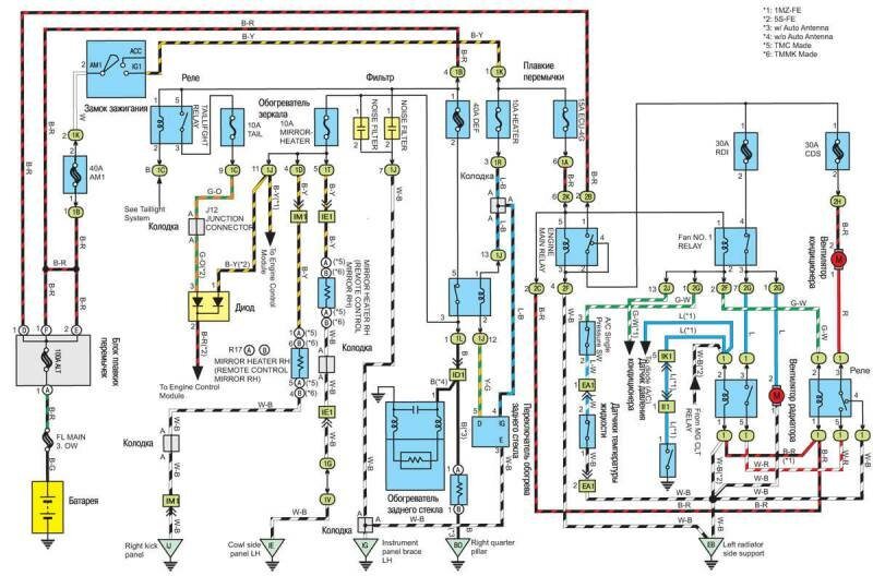
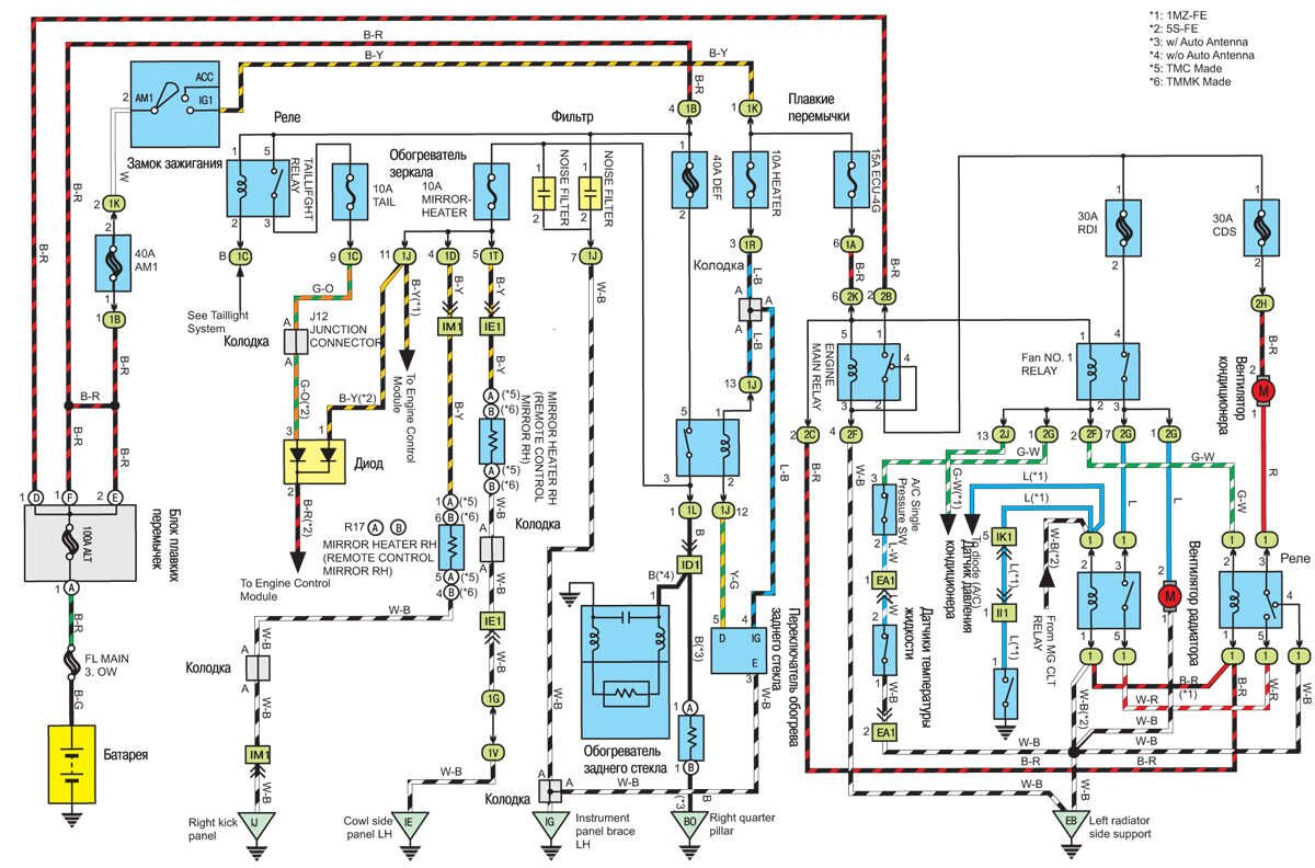
Электросхема охлаждения двигателя, обогрев заднего стекла и зеркала

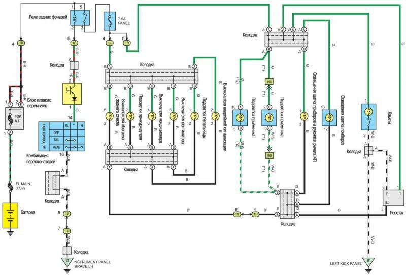
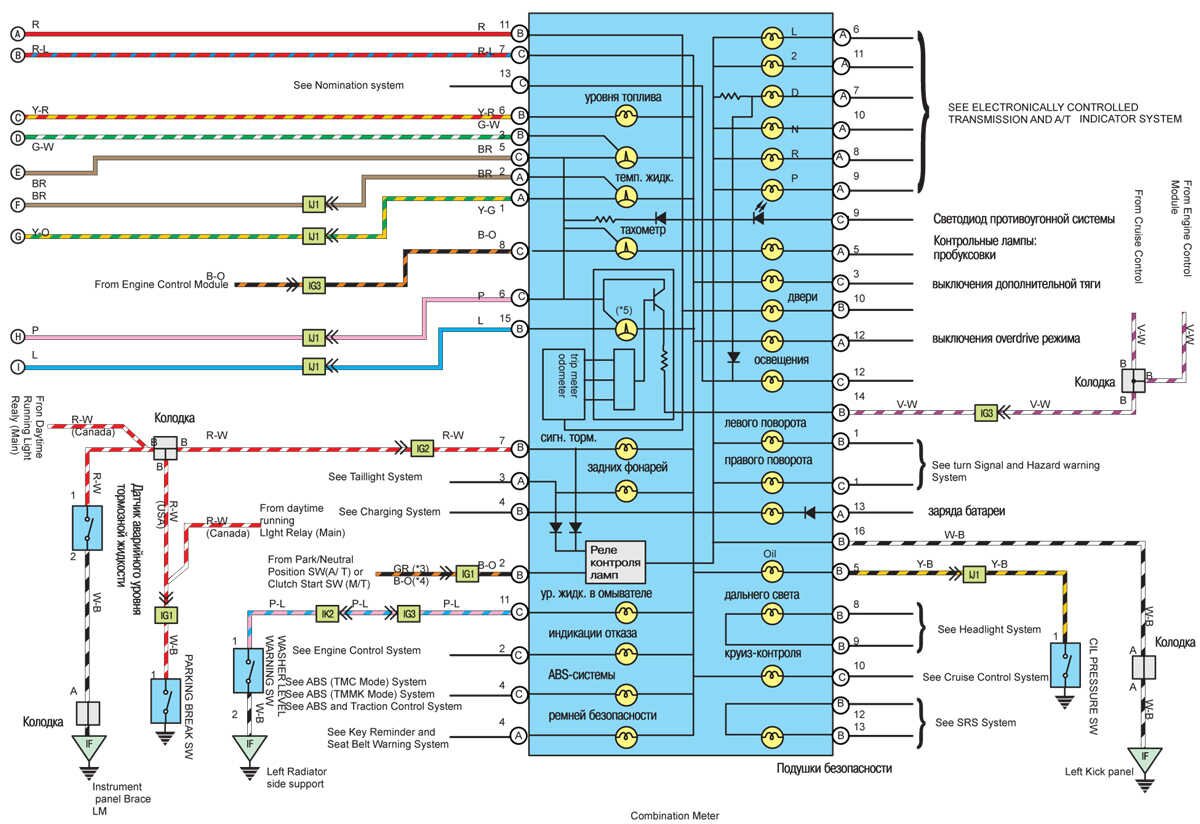
Указатели и система световой сигнализации Тойота Камри


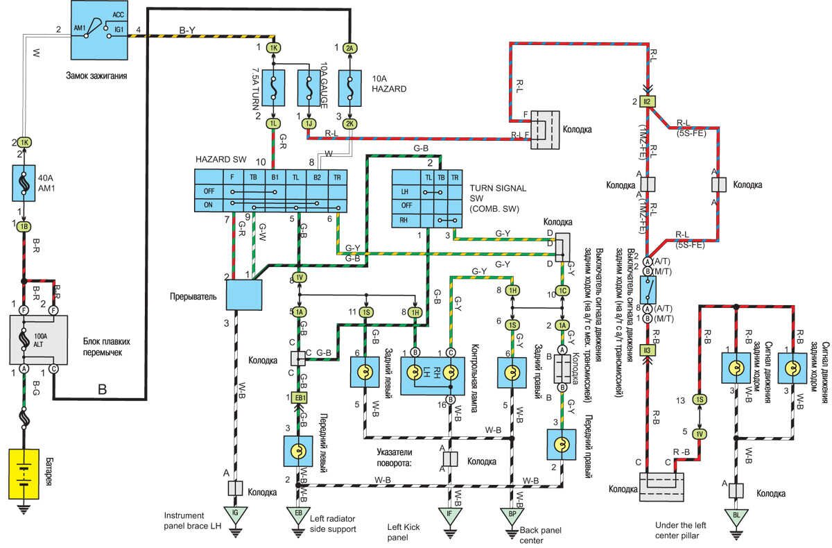
Сигнал поворота, аварийная сигнализация, сигнал движения задним ходом - схемы

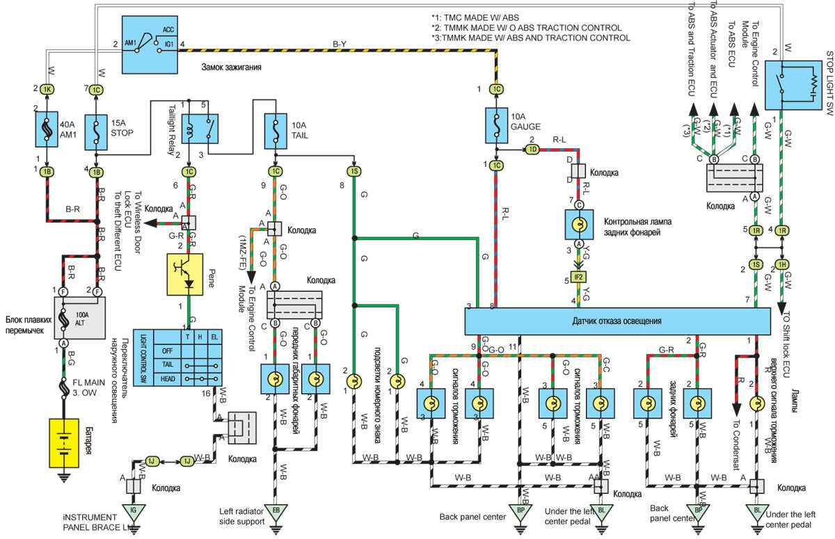
Задние фонари и сигнал торможения автомобиля Тойота

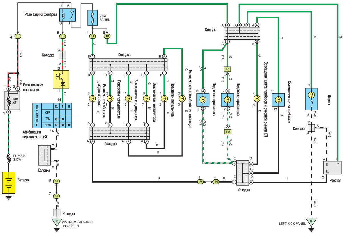
Внутреннее освещение Тойота Камри


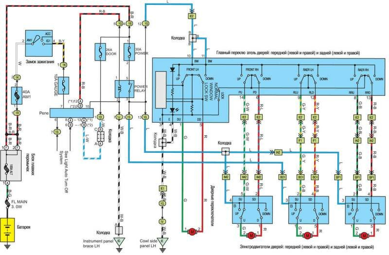
Стеклоподъемники авто

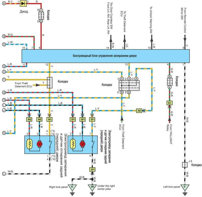
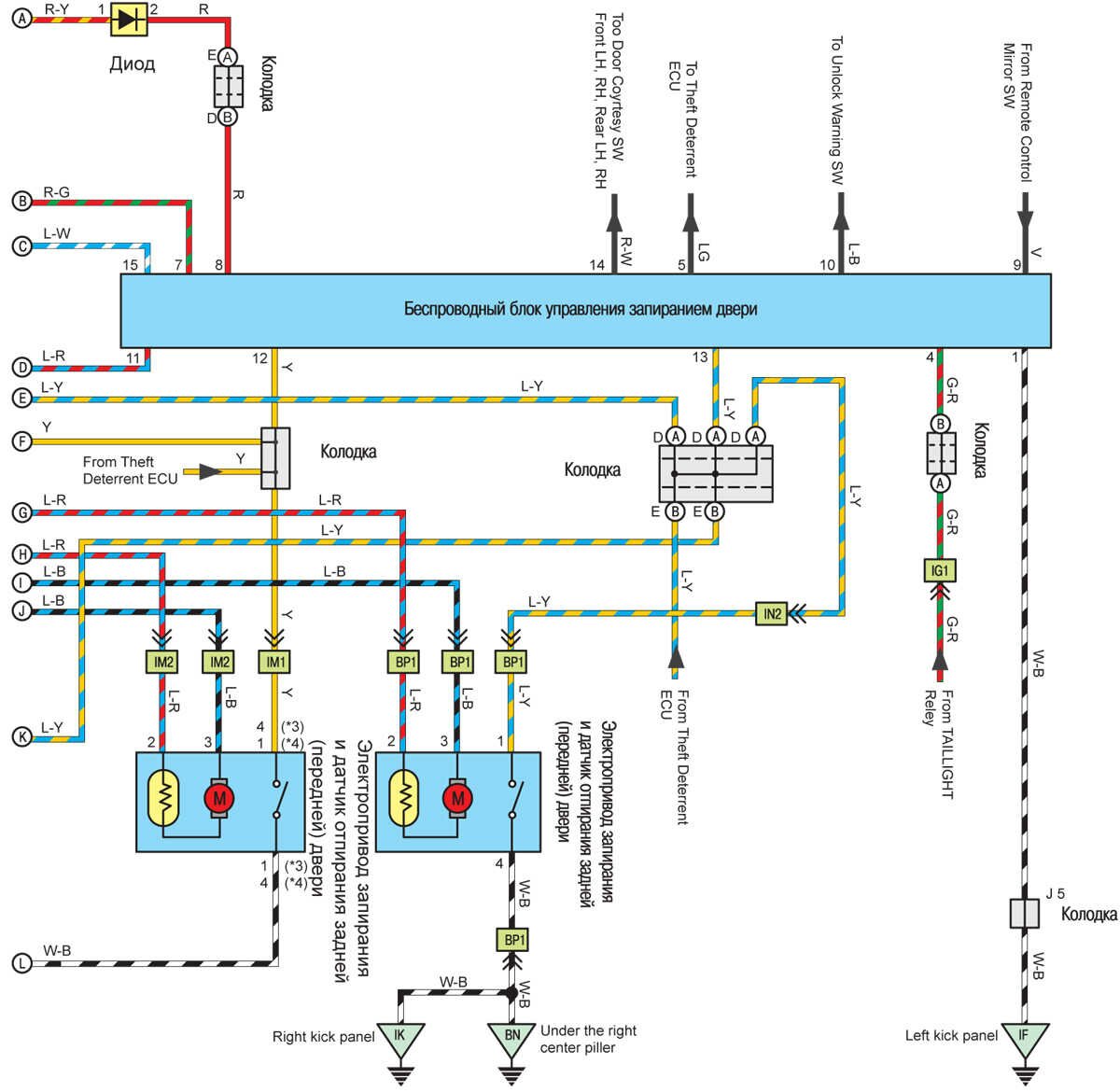
Дверные замки Toyota Camry


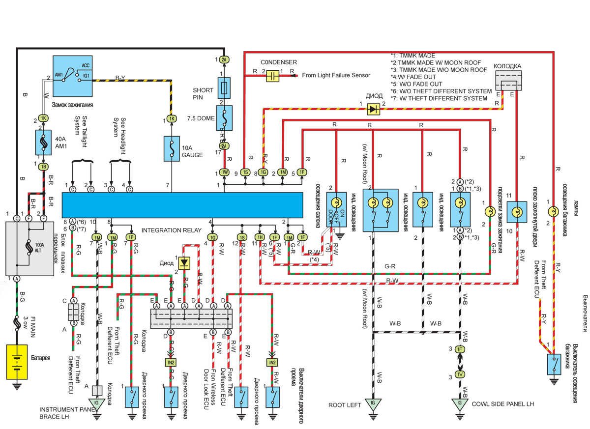
Противоугонная система автомобиля - схема принципиальная

Очиститель и омыватель ветрового стекла, система привода зеркал Toyota Camry

РЕМОНТ АВТОЭЛЕКТРОНИКИ ЗАРЯДНЫЕ УСТРОЙСТВА ДЛЯ АКБ

|