Бесплатные и качественные электросхемы автомобиля Сузуки Свифт на русском языке. Представленна вторая часть, содержащая такие узлы, как прикуриватель, зуммер, АКПП и другие. В конце статьи указан пример обозначения элементов на схемах и их расшифровка. Начало сборника электросхем Suzuki Swift смотрите тут.
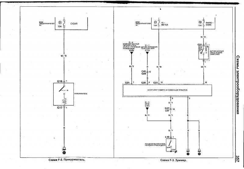
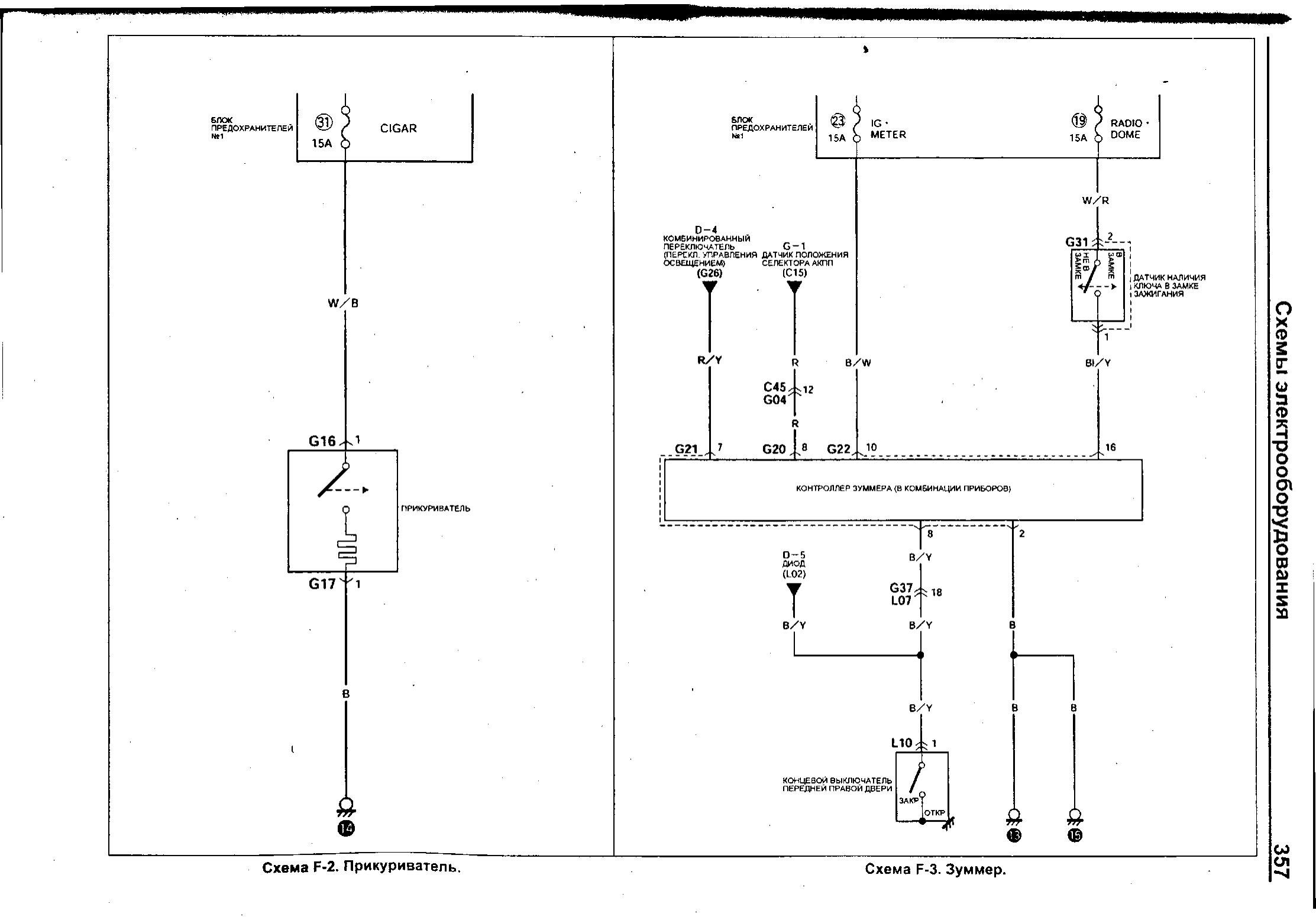
Электросхема прикуривателя автомобиля Сузуки Свифт

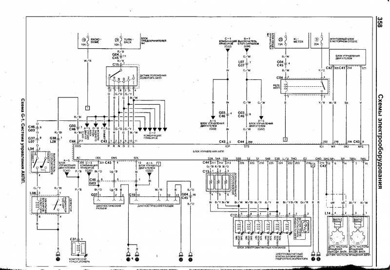
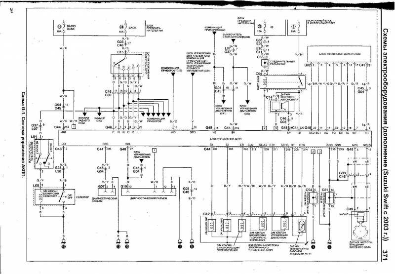
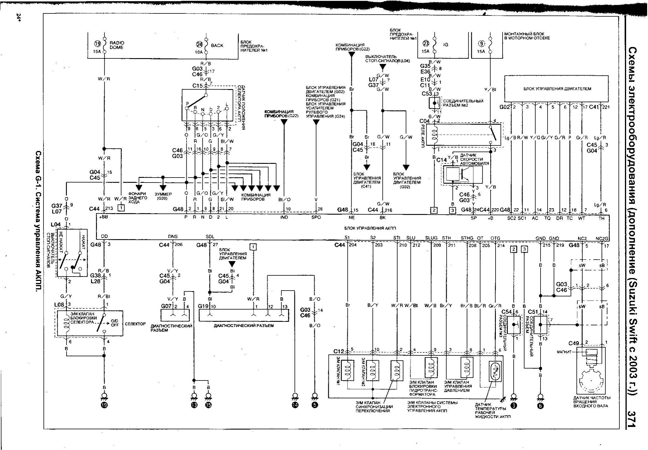
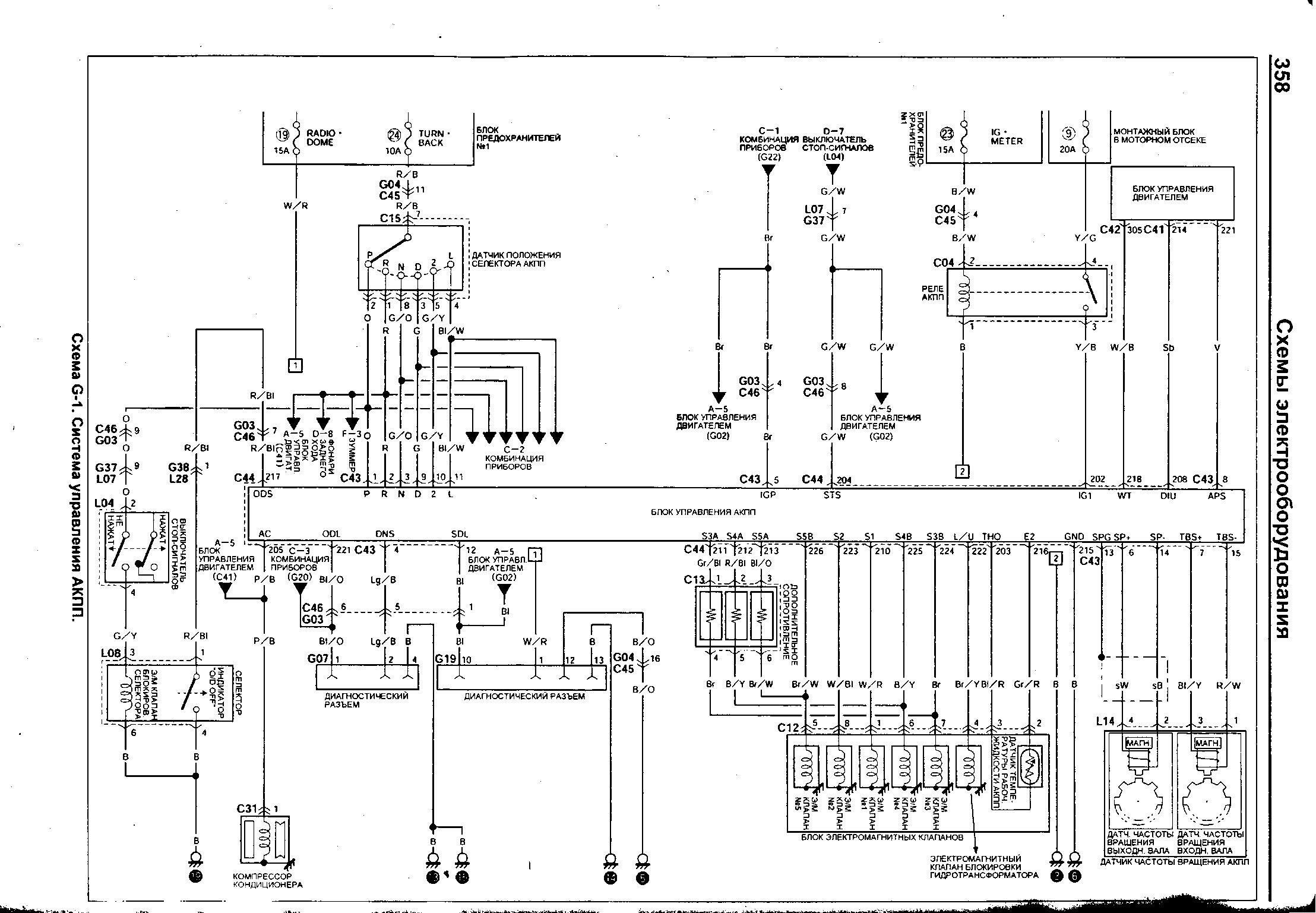
Схема системы управления АКПП

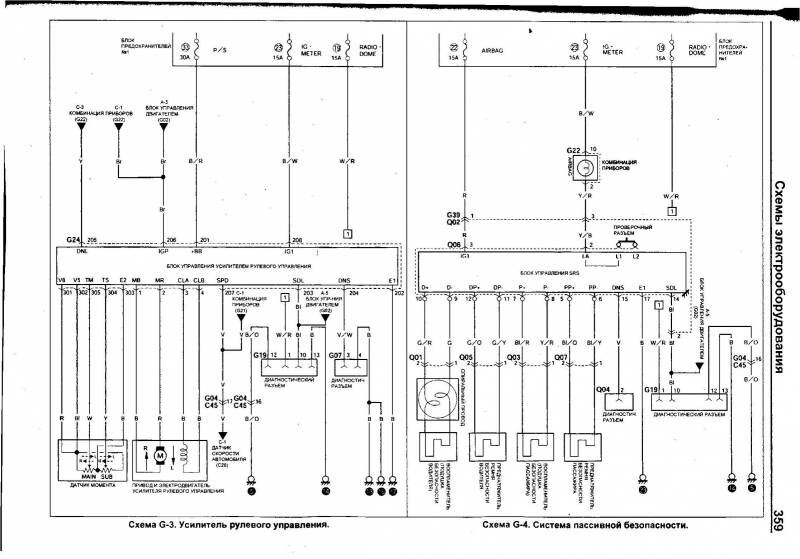
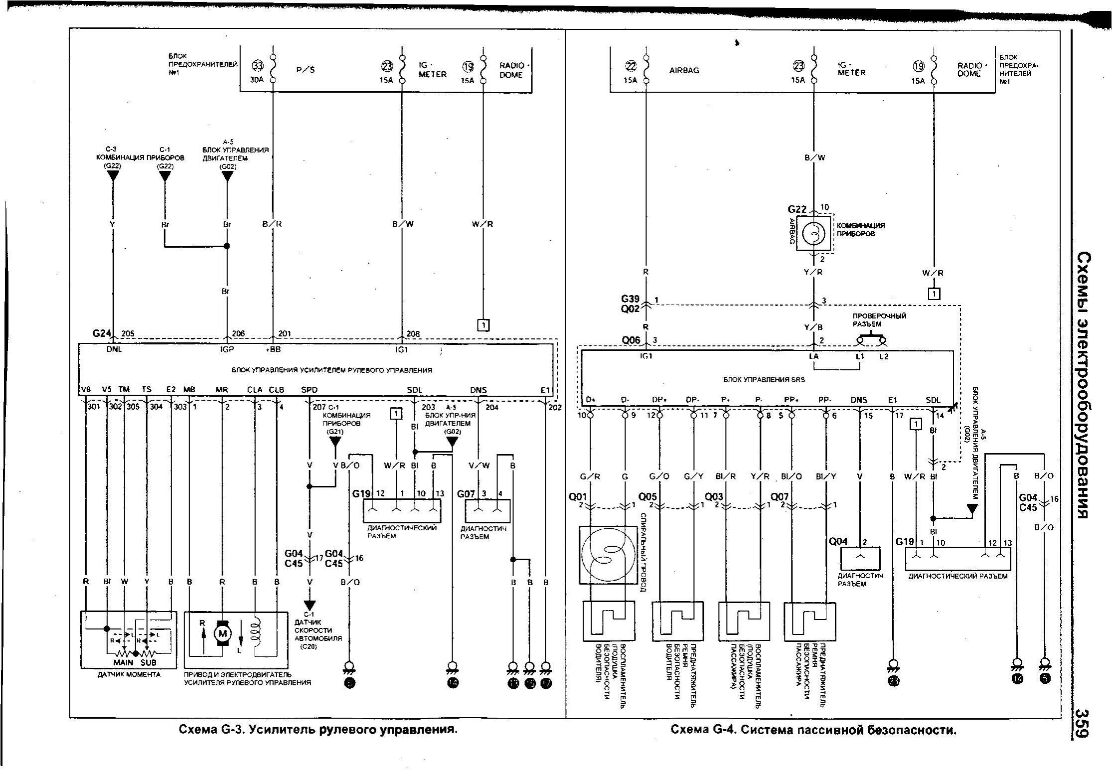
Схема усилителя рулевого управления

Электросхема антиблокировочной системы тормозов ABS

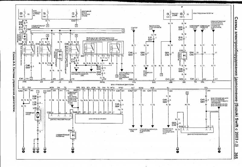
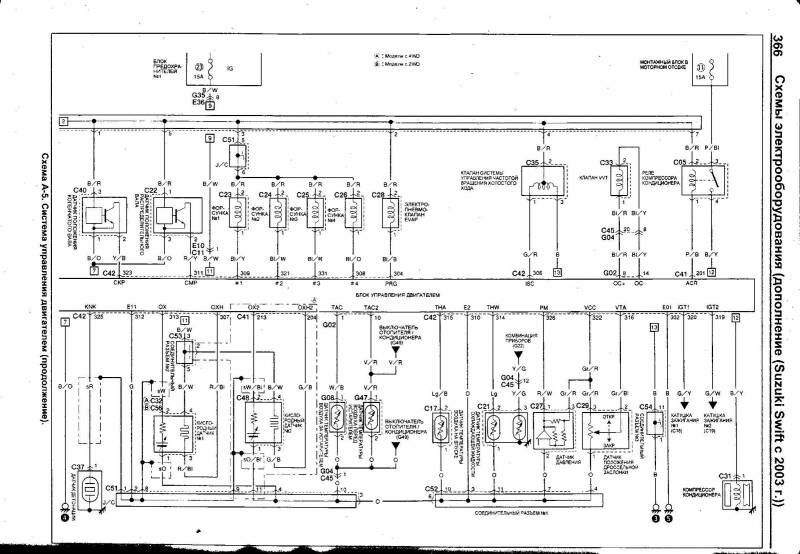
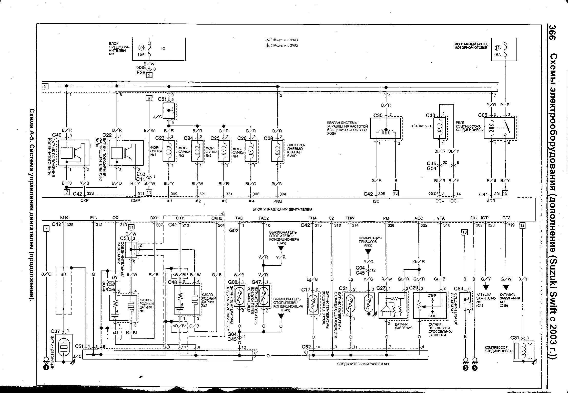
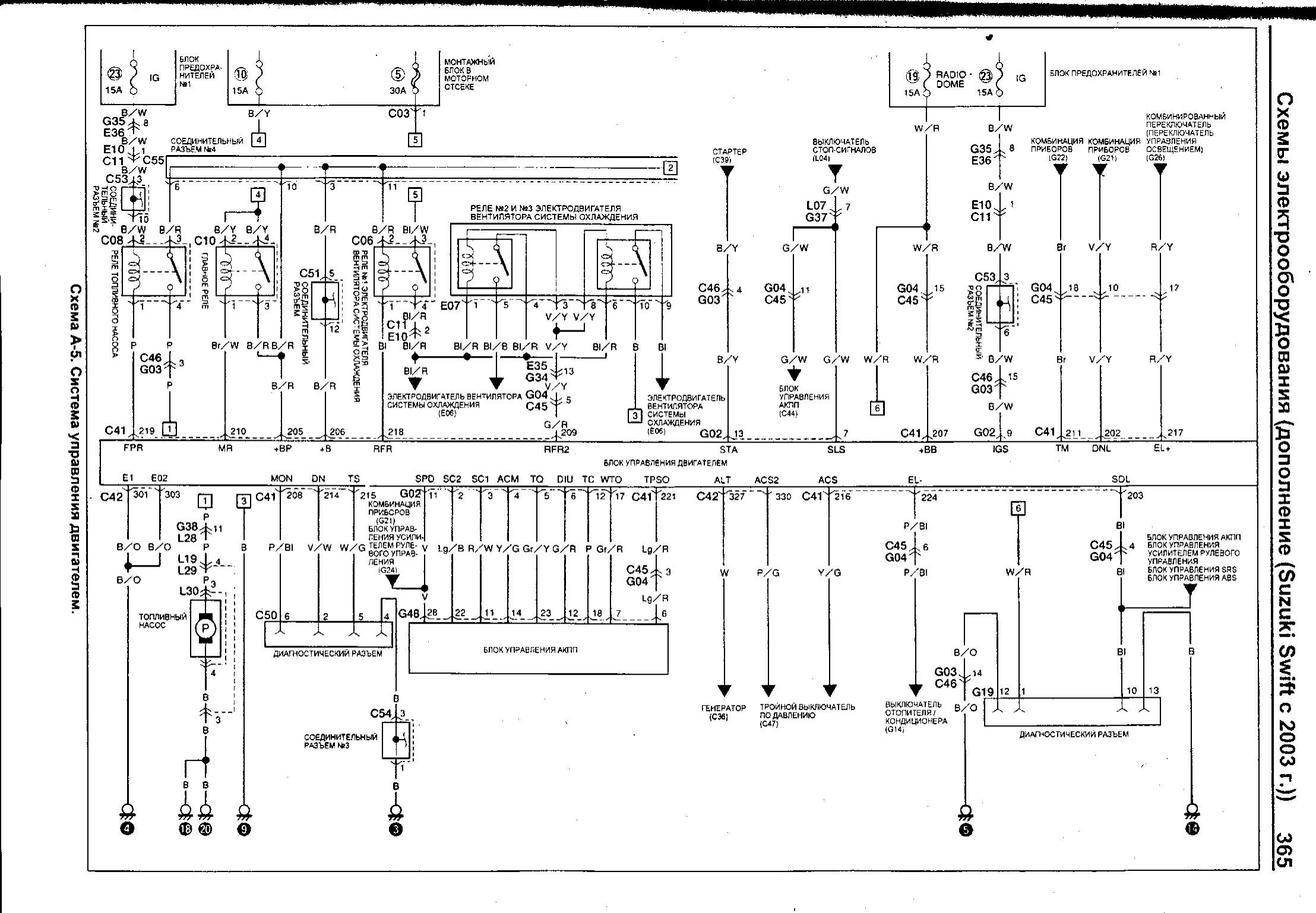
Система управления двигателем Сузуки Свифт


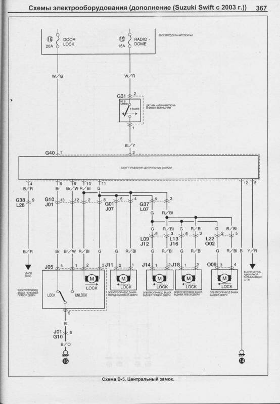
Центральный замок - схема

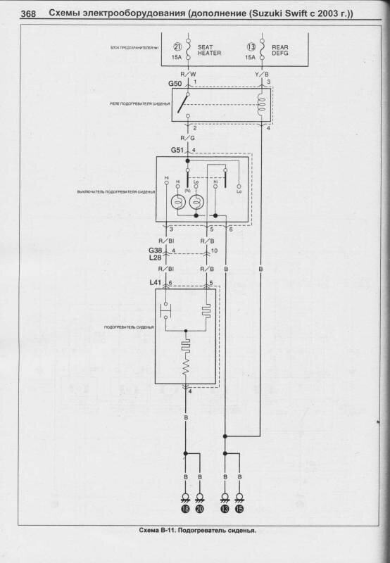
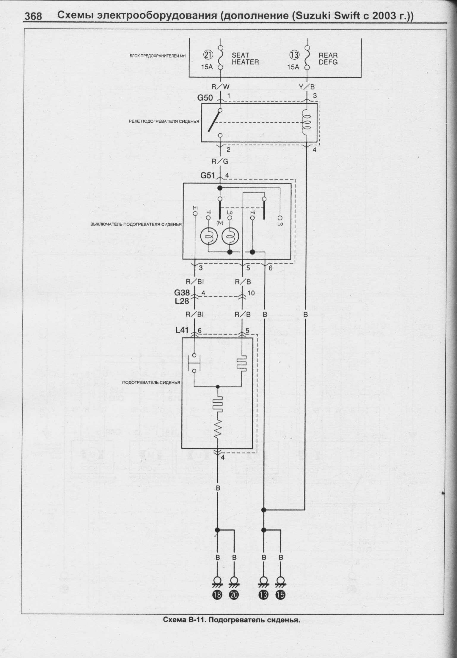
Схема подогрева сидений

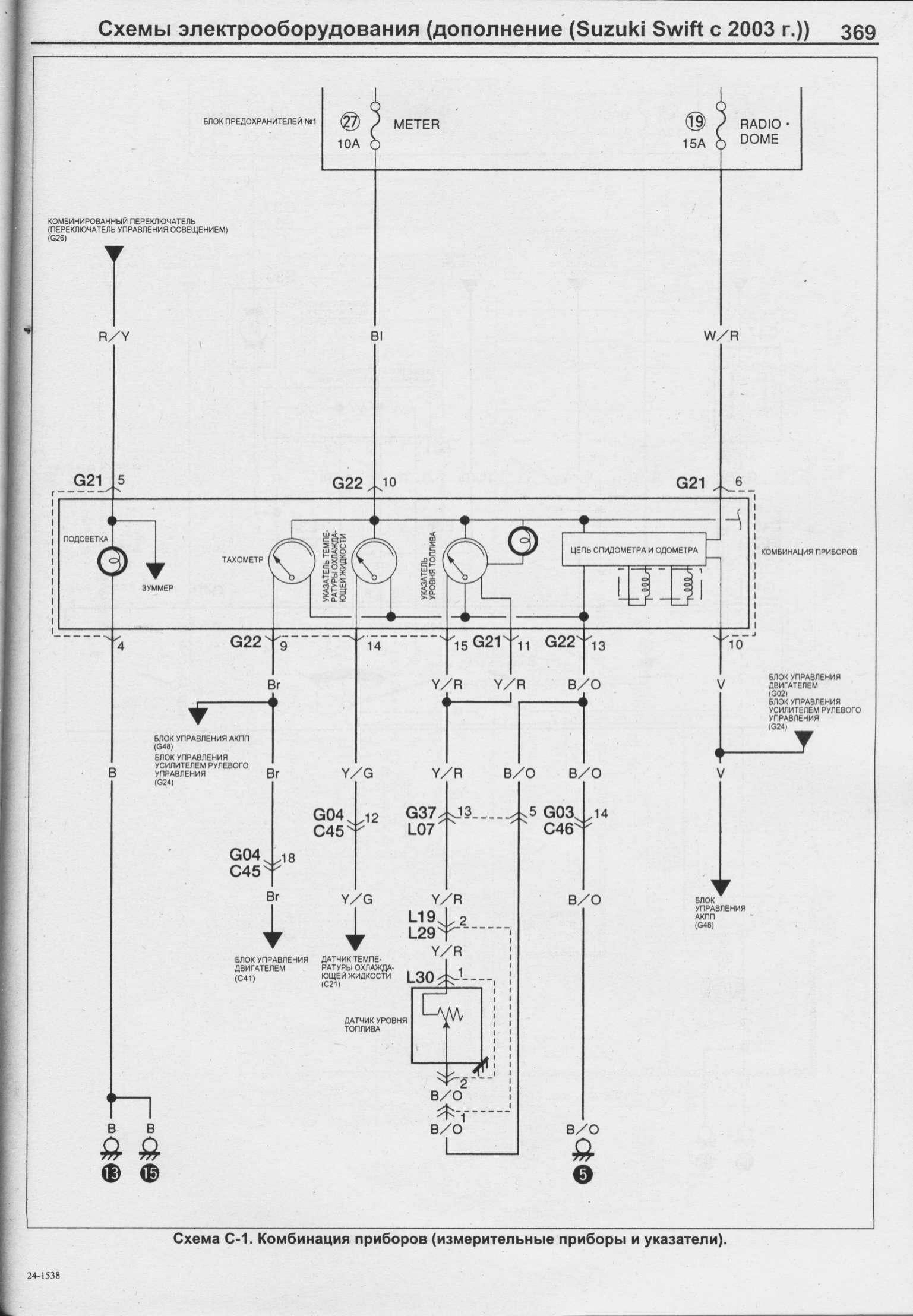
Электрооборудование - комбинация приборов

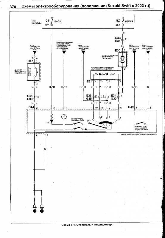
Отопитель и кондиционер авто

Система АКПП

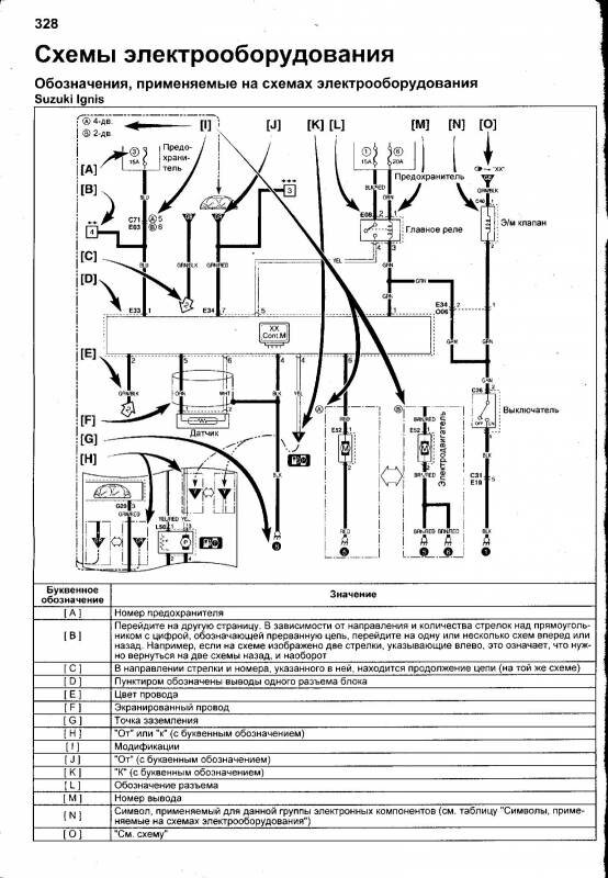
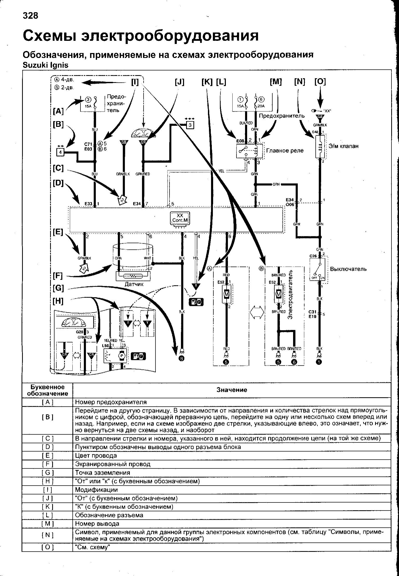
Расшифровка обозначений, используемых на схемах Сузуки



РЕМОНТ АВТОЭЛЕКТРОНИКИ ЗАРЯДНЫЕ УСТРОЙСТВА ДЛЯ АКБ

|