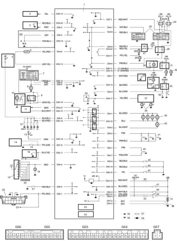
Полная электросхема и описание узлов для автомобиля сузуки гранд витара. Для увиличения нужного фрагмента - кликните на схему. Информация предоставленная бесплатно, для всех посетителей сайта Элетросхемы авто
Электропроводка автомобиля

A — автомобиль, оборудованный системой «Дневной свет»
1 — блок управления электроникой кузова
2 — приборная панель
3 — блок управления системы отопления, вентиляции и кондиционирования
4 — функциональный соединительный элемент системы «Дневной свет»
5 — датчик температуры воздуха окружающей среды
6 — отсутствует
7 — включатель заднего дворника и стеклоомывателя
8 — электромотор насоса омывателя заднего стекла
9 — реле времени заднего дворника
10 — электромотор заднего стеклоочистителя
11 — устройство, позволяющее попасть в салон автомобиля без ключа
12 — дверной замок сузуки гранд витара
13 — индикатор ремня безопасности водительского сиденья (на приборной панели)
14 — контрольно-диагностический модуль
15 — прерыватель цепи индикатора ремня безопасности водительского сиденья, расположенный в пряжке
16 — датчик скорости автомобиля
17 — к блоку управления двигателем (блоку управления КПП), счетчику
18 — переключатель трансмиссионной цепи (индикатор)
19 — фара заднего хода
20 — блок управления КПП
21 — диагностический коммутатор (диагностический разъем блока управления кузовной электроники)
22 — разъем канала передачи данных
23 — к блоку управления двигателем (блоку управления КПП), контрольно-диагностическому модулю, блоку управления системы АБС (антиблокировочная система тормозов), блоку управления системы отопления, вентиляции и кондиционирования и приборной панели
24 — лампы накаливания передних фар
25 — переключатель системы освещения
26 — реле включения передних фар
27 — реле включения габаритных огней
28 — габариты, стоп-сигнал, подсветка номерного знака и освещение салона
29 — реостат радиоприемника
30 — включатель передних противотуманных фар
31 — реле включения передних противотуманных фар
32 — передние противотуманные фары
33 — генератор сузуки
34 — внутреннее освещение
35 — реле включения звукового сигнала
36 — включатель звукового сигнала
37 — реле включения поворотных сигналов и сигнализации
38 — фонари поворотных сигналов и сигнализации
39 — электроприводы дверных замков
40 — электропривод замка двери водителя
41 — реле замка двери водителя
42 — реле ручной блокировки дверей
43 — прерыватель цепи индикатора положения ручного тормоза
44 — прерыватель цепи индикатора уровня тормозной жидкости
45 — прерыватель цепи индикатора уровня жидкости в бачке омывателя лобового стекла
46 — предохранитель в цепи дверного замка
47 — прерыватель цепи устройства, сигнализирующего о наличие ключа в скважине замка зажигания
48 — дополнительный прерыватель
49 — замок зажигания сузуки гранд
50 — прерыватель цепи сигнализации
51 — аккумуляторная батарея
52 — предохранитель приборной панели
53 — дисплей "Часы/Темп."
54 — устройство для подачи предупреждающего звукового сигнала
55 — "масса" кузова
56 — "масса" двигателя
57 — 5 вольт
58 — 12 вольт.
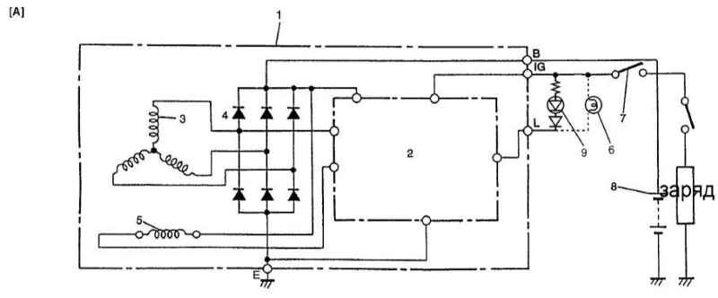
Электросхема генератора сузуки

1 — генератор со сборкой стабилизатора
2 — регулятор IC
3 — катушка статора
4 — диод
5 — обмотка возбуждения (катушка ротора)
6 — лампа индикатора заряда
7 — главный выключатель
8 — батарея
9 — лампа заряда.
РЕМОНТ АВТОЭЛЕКТРОНИКИ ЗАРЯДНЫЕ УСТРОЙСТВА ДЛЯ АКБ

|