Качественные эл.схемы автомобиля Chevrolet Aveo с 2003 г. выпуска, и его модификаций. Сборник будет полезен, как инструкция по ремонту электрической части двигателя, трансмиссии и электрооборудования осветительных устройств. Детально описаны элементы системы управления впрыском и список ремонтно-восстановительных работ при неполадках автомашины. Для увеличения картинки - клик. Вторая часть Chevrolet Aveo здесь.
Схема сборки и разборки генератора авто

Схема сборки и разборки стартера авто

Прверка зарядки, установка генератора, стартера - инструкция

Описание аккумулятора Chevrolet Aveo

Пример чтения электросхем

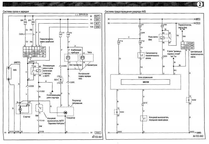
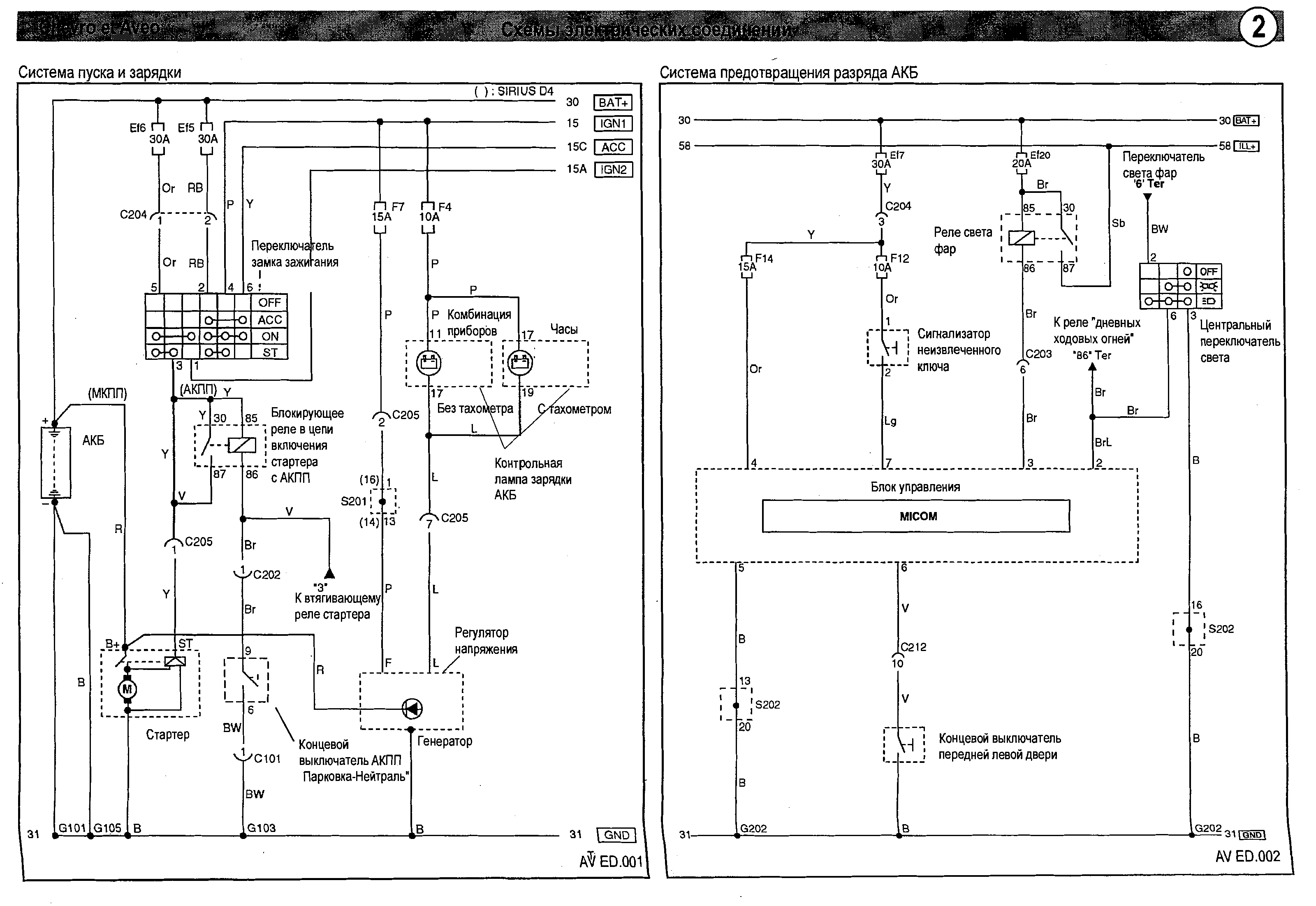
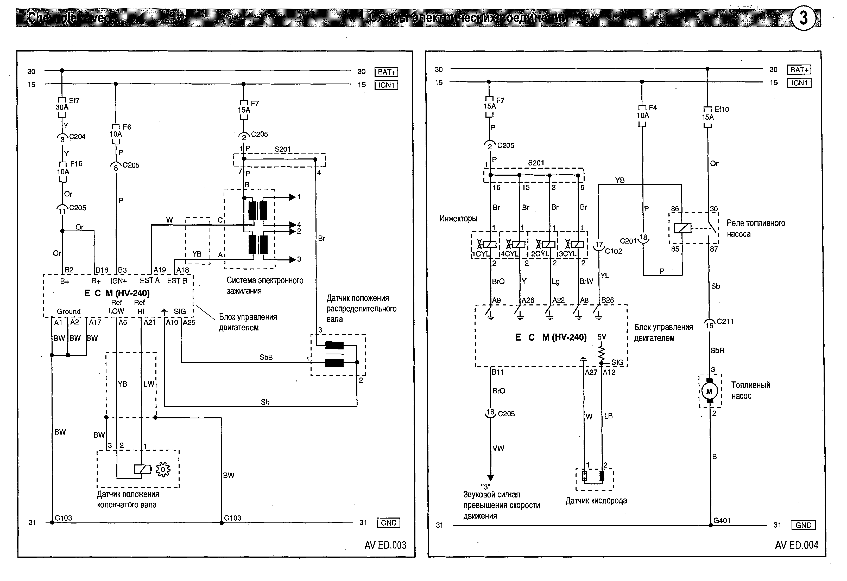
Схема системы пуска и зарядки АКБ

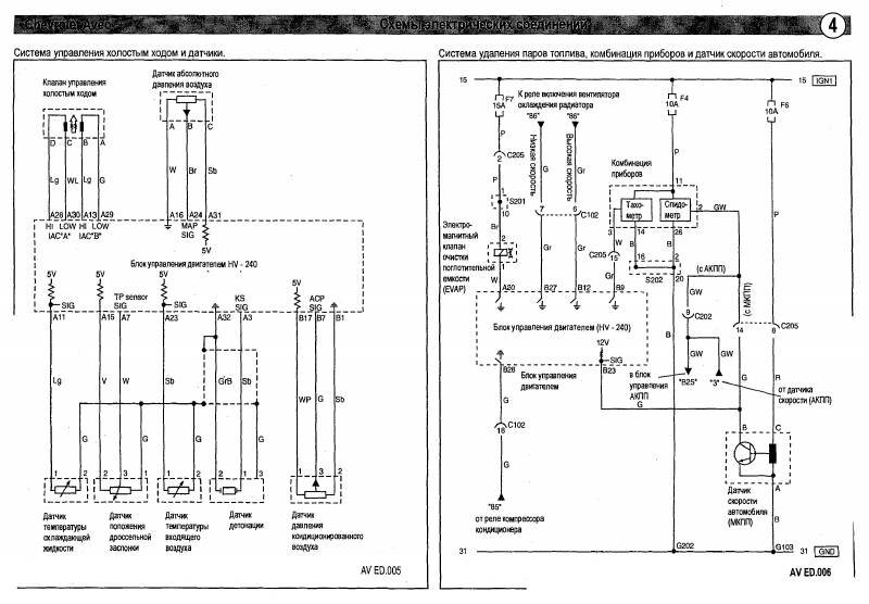
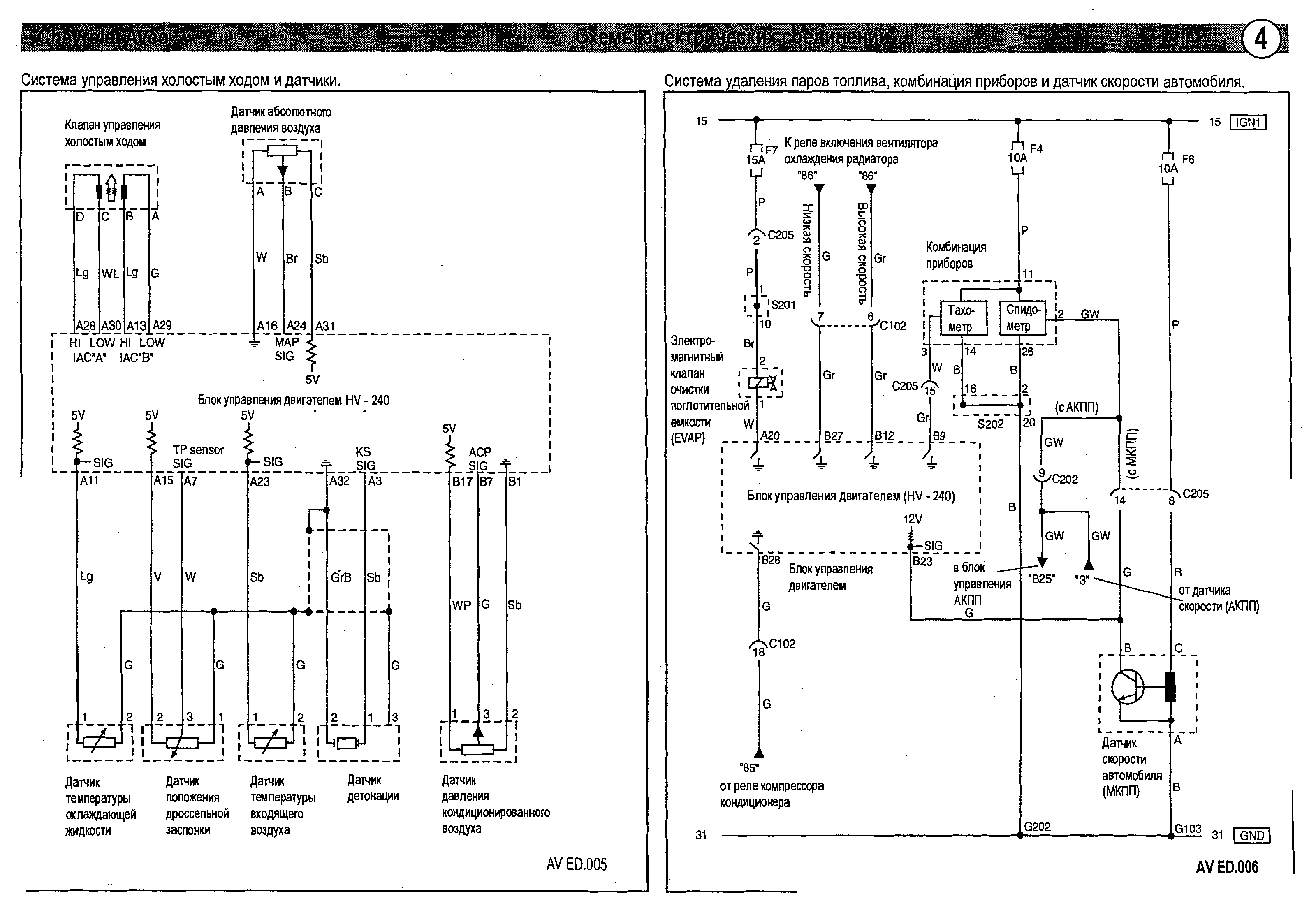
Сигнал превышения скорости и датчики Авео

Система управления холостым ходом - схема принципиальная

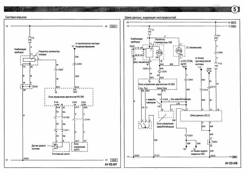
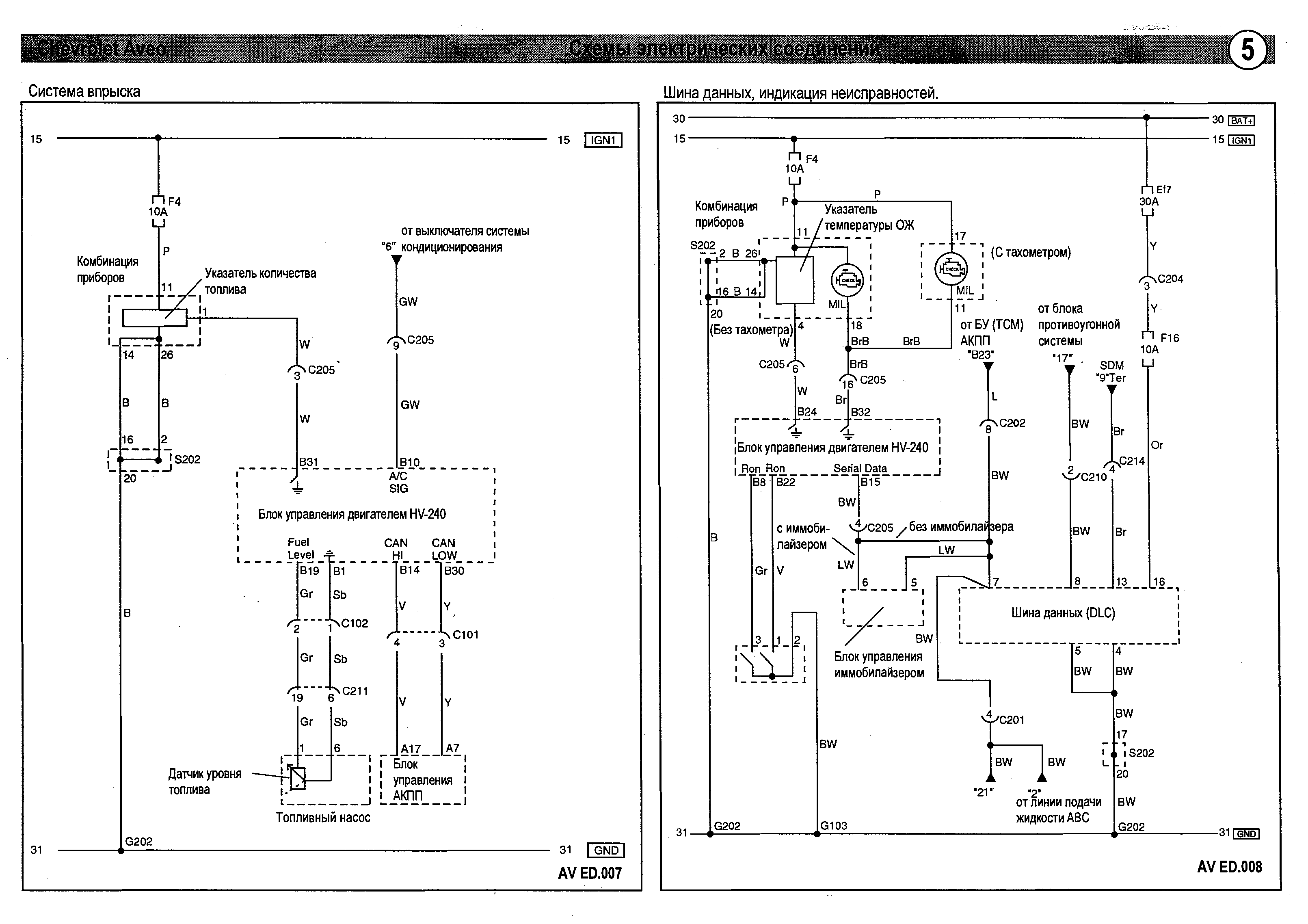
Система впрыска, шина данных Chevrolet Aveo

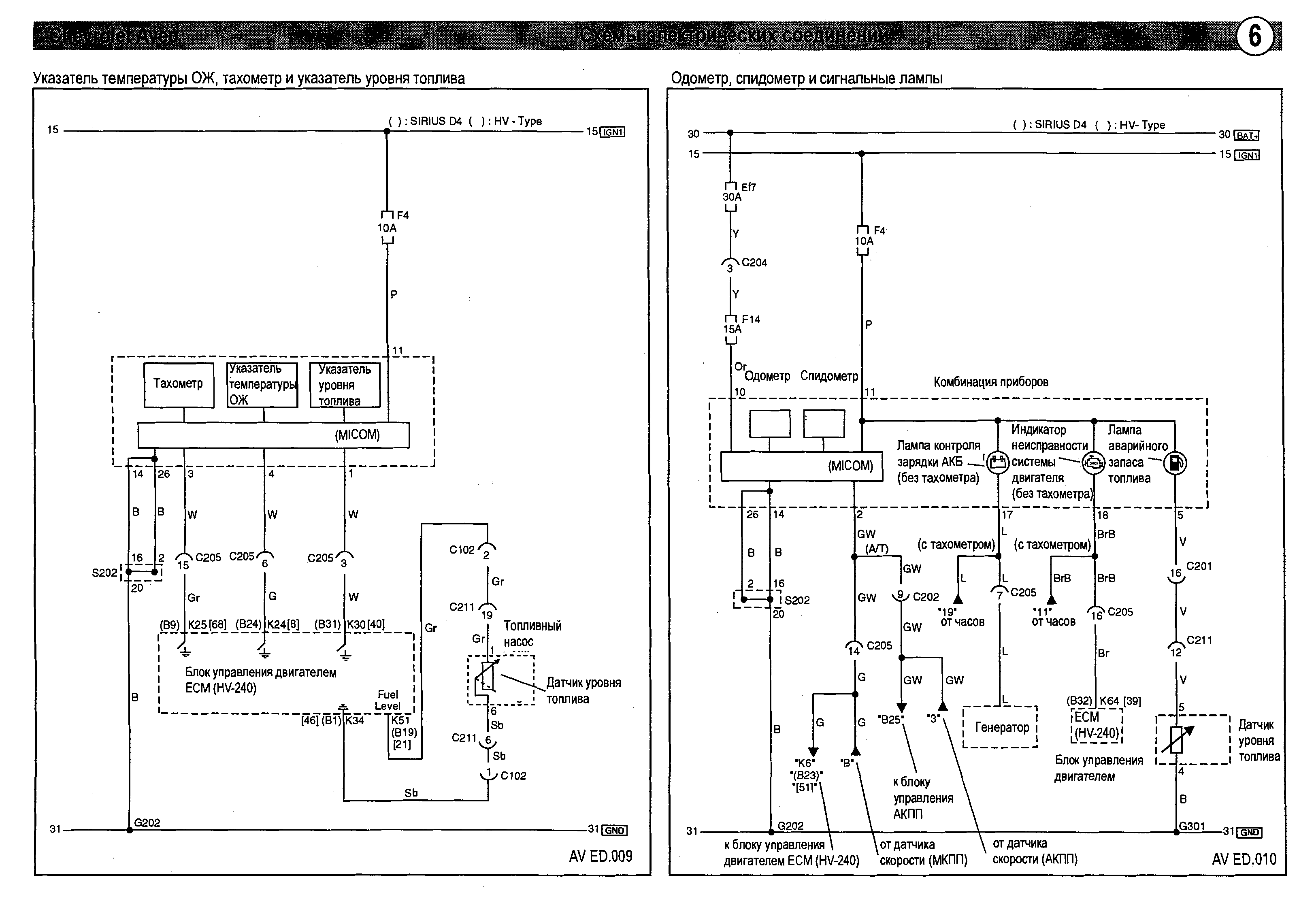
Указатель температуры, одометр и сигнальные лампы авто

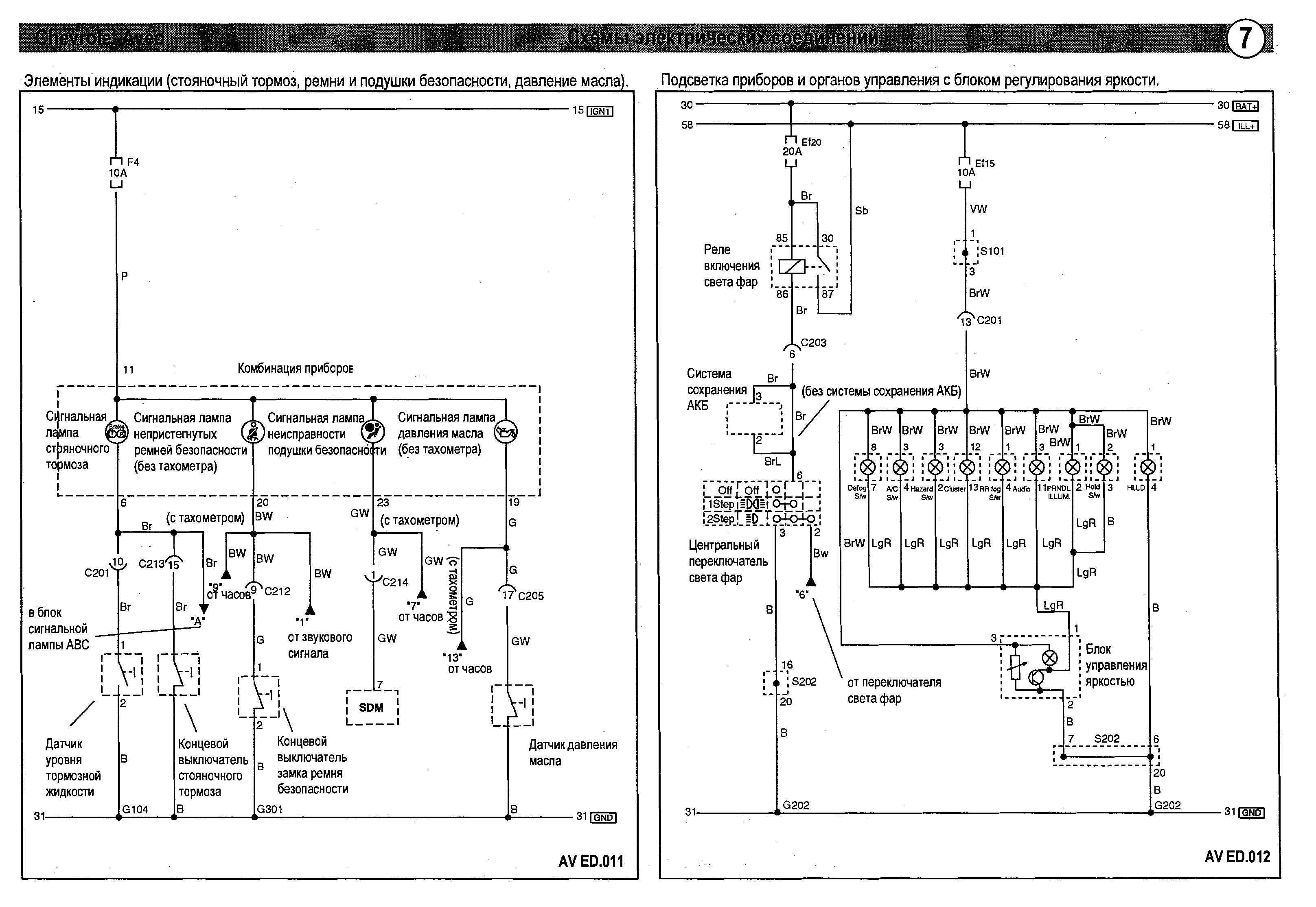
Элементы индикации - электросхема

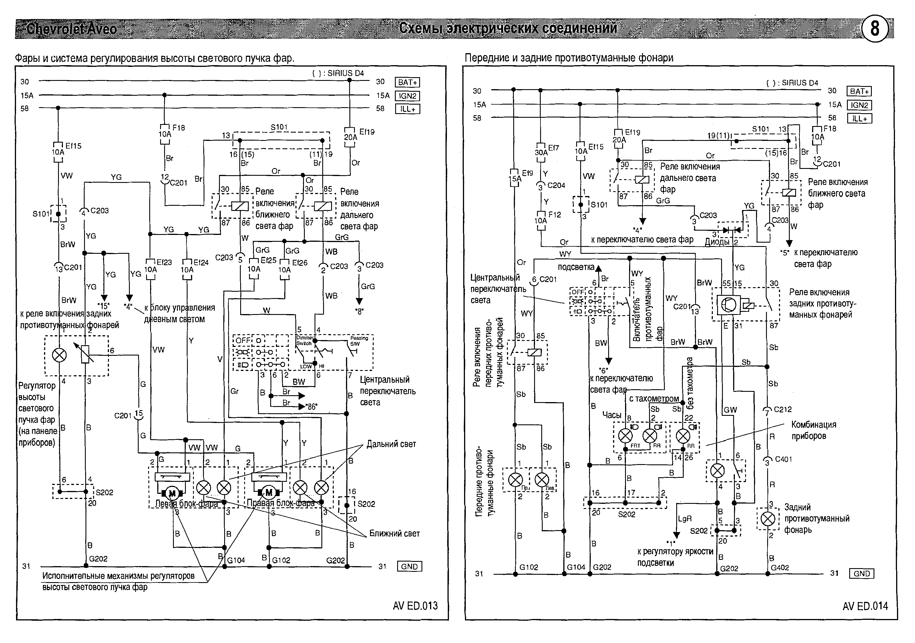
Схема фар и противотуманок Chevrolet Aveo

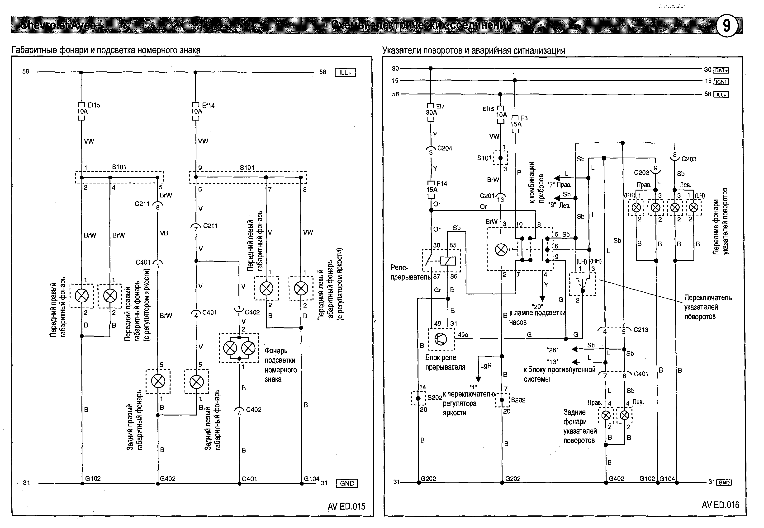
Схема принципиальная габаритных фонарей автомобиля Авео

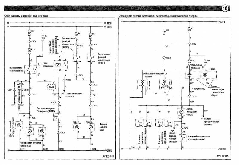
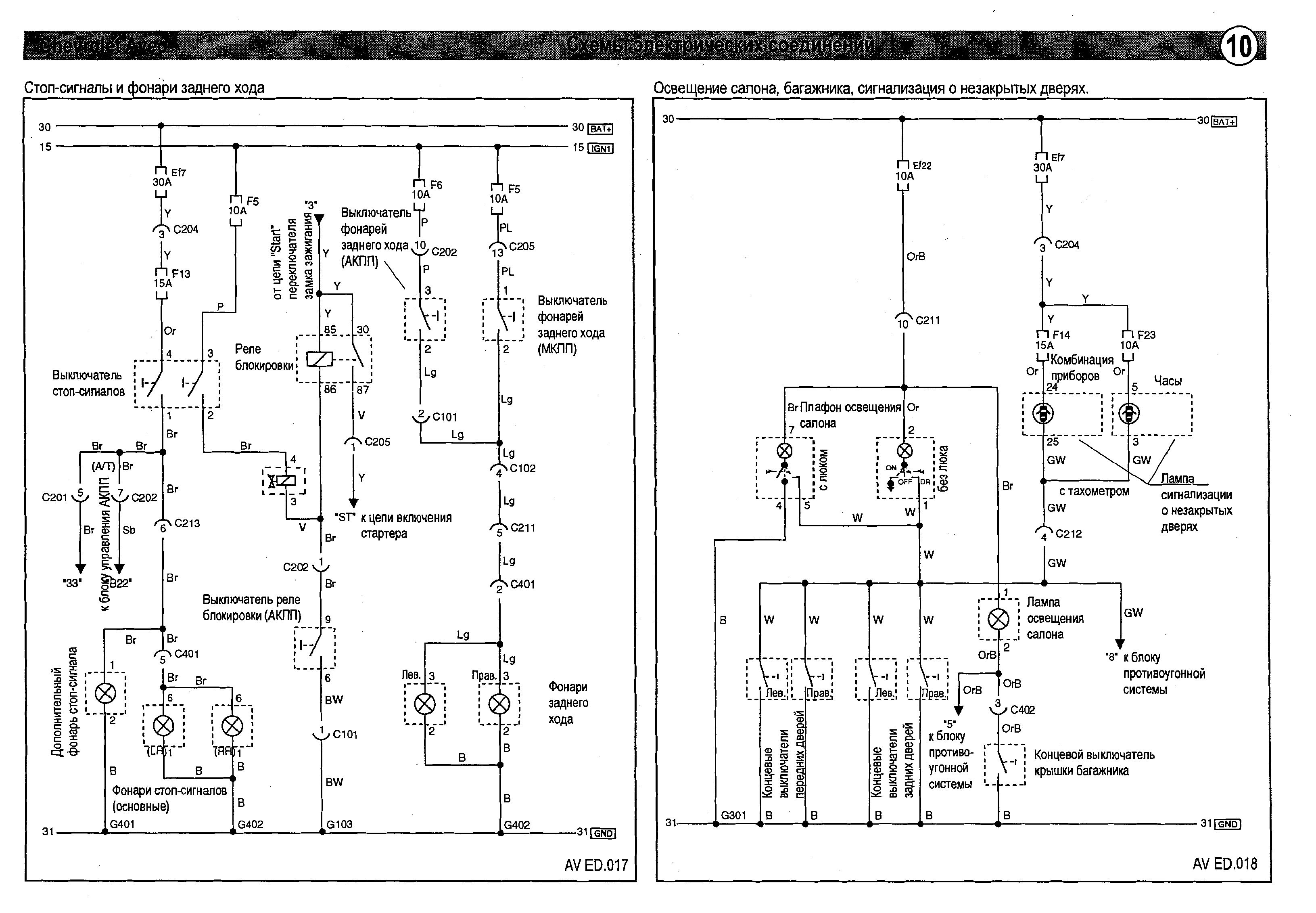
Стоп сигналы и освещение салона авто

РЕМОНТ АВТОЭЛЕКТРОНИКИ ЗАРЯДНЫЕ УСТРОЙСТВА ДЛЯ АКБ

|