Цветные элетросхемы для Рено Логан. На автомобили устанавливают двигатели рабочим объемом 1,4 и 1,6 л, мощностью 55 кВт (75 л.с.) и 64 кВт (87 л.с.) соответственно. Внешне двигатели идентичны и отличаются лишь радиусом кривошипа коленчатого вала и высотой блока цилиндров. Кузов – типа седан, несущий, цельнометаллический, сварной конструкции, c навесными передними крыльями, дверьми, капотом и крышкой багажника. Трансмиссия выполнена по переднеприводной схеме, приводы передних колес оснащены шарнирами равных угловых скоростей типа «Трипод». Коробка передач пятиступенчатая механическая. Коробки передач, устанавливаемые на автомобили с двигателями рабочим объемом 1,4 и 1,6 л, практически одинаковы по конструкции, имеют одинаковые передаточные числа и различаются только размерами картера сцепления, что обусловлено применением на этих двигателях сцеплений разного диаметра. Тормозные механизмы передних колес дисковые, с плавающей скобой. Тормозные механизмы задних колес барабанные, с автоматической регулировкой зазоров между тормозными колодками и барабанами. По заказу автомобили могут быть оснащены антиблокировочной системой (ABS) тормозов. Это первая часть схем электрооборудавания, продолжение смотрите тут.
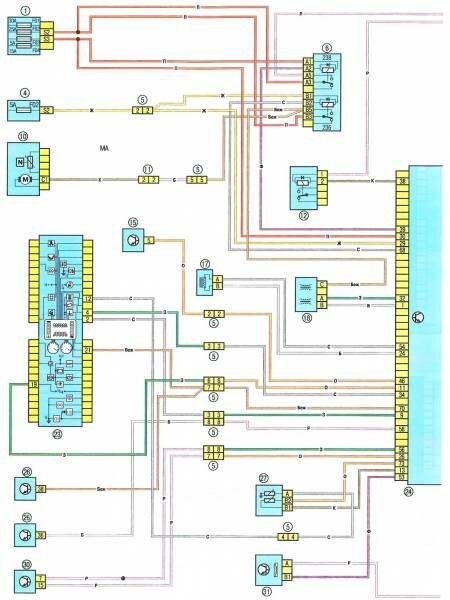
Электросхема зарядки аккумуляторной батареи

1 - стартер; 2 - генератор; 3 - разъем электропроводки моторного отсека/салона (моноблок); 4 - комбинация приборов Рено Логан.
Топливный насос и датчик уровня топлива

1 - комбинация приборов; 2 - разъем электропроводки моторного отсека/салона (моноблок); 3 - разъем электропроводки панели приборов/левой задней части кузова; 4 - топливный насос и датчик уровня топлива; 5 - блок реле 1047 в моторном отсеке, реле 236.
Схема системы управления двигателем Рено


1 - блок предохранителей 597В в моторном отсеке; 2 - блок реле 784 в моторном отсеке, реле 700; 3 -форсунка 1-го цклиндра; 4 - блок предохранителей в салоне; 5 - разъем электропроводки моторного отсека/салона (моноблок); 6 - блок реле 1047 в моторном отсеке, реле 236 и 238 (см. рис. 10.2а и 10.26); 7 - блок реле 784 в моторном отсеке, реле 474; 8 - датчик давления хладагента (автомобили с системой кондиционирования); 9 - форсунка 2-го цилиндра; 10 - топливный насос и датчик уровня топлива; 11 - разьем электропроводки панели приборов/левой задней части кузова; 12 - блок реле в моторном отсеке, реле 234; 13 -датчик положения дроссельной заслонки; 14 - форсунка 3-го цилиндра; 15 - панель управления системой кондиционирования; 16 - датчик детонации; 17 - датчик положения коленчатого вала; 18 - модуль зажигания; 19 - датчик температуры воздуха; 20 -форсунка 4-го цилиндра; 21 - адсорбер; 22 - шаговый электродвигатель регулятора холостого хода; 23 - комбинация приборов; 24 - ЭБУ; 25 - диагностический датчик концентрации кислорода (лямбда-зонд); 26 - коммутационный блок салона; 27 - датчик температуры охлаждающей жидкости; 28 - реле давления системы рулевого управления с гидроусилителем; 29 - датчик концентрации кислорода (лямбда-зонд) системы управления двигателем; 30 - диагностический разъем; 31 - датчик скорости; 32 - датчик абсолютного давления во впускной трубе.
Система пуска двигателя автомобиля

1 - аккумулятор; 2 - стартер; 3 - разьем электропроводки моторного отсека/салона (моноблок); 4 - выключатель зажигания Рено Логан.
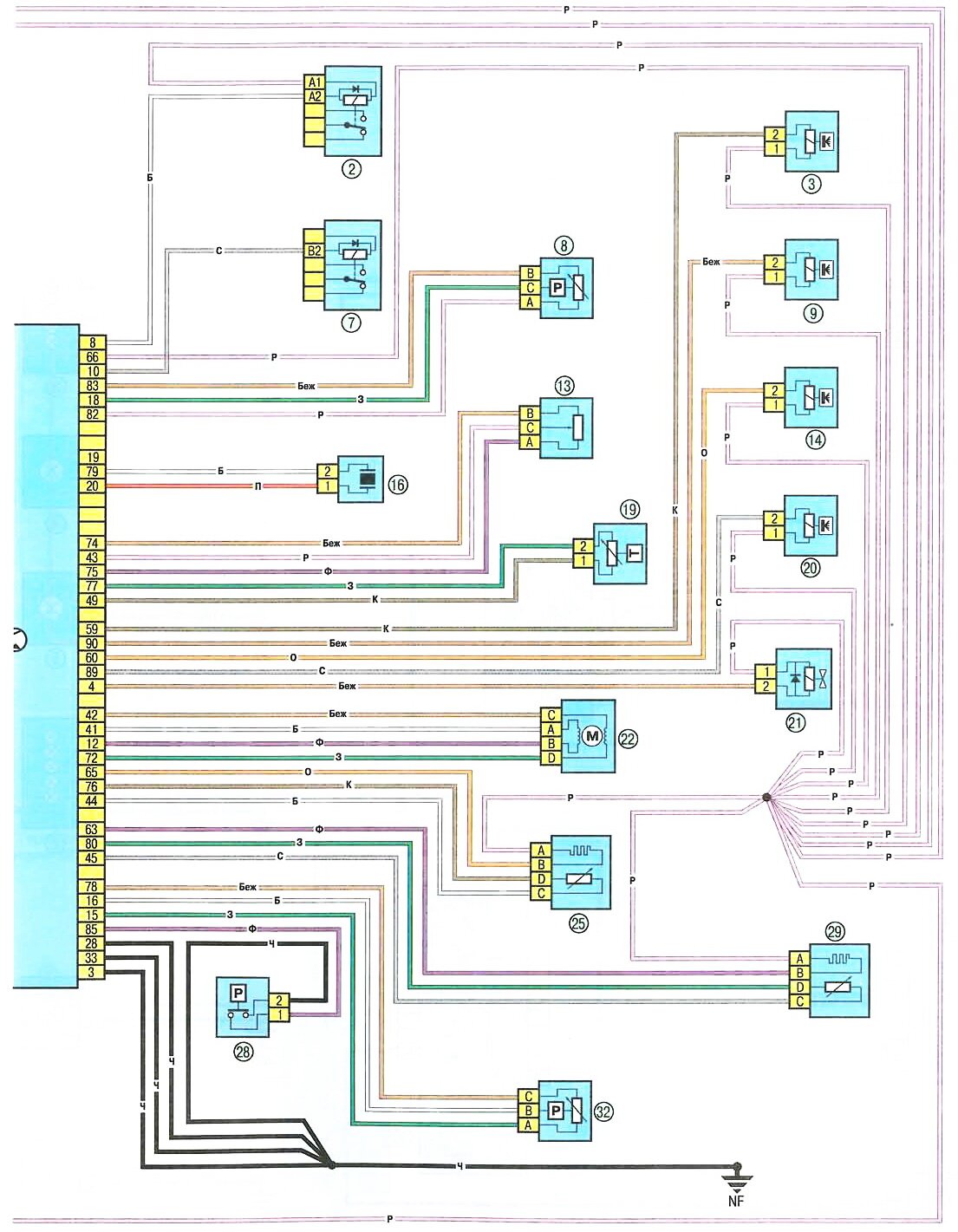
Схема указателей поворота и аварийной сигнализации

1 - коммутационный блок салона; 2 - разьем электропроводки приборной панели/левой задней части кузова; 3 - правый задний фонарь; 4 - правый гередний указатель поворота; 5 - правый повторитель указателя поворота; 6 - левый задний фонарь; 7 - левый передний указатель поворота; 8 - левый повторитель указателя поворота; 9 - рычаг переключателя наружного освещения и указателей поворота с кнопкой включения звукового сигнала; 10 - диагностический разьем; 11 - выключатель аварийной сигнализации; 12 - блок предохранителей в салоне.
Габаритный свет Рено Логан

1 - блок предохранителей в салоне; 2 - разъем электропроводки панели приборов/левой задней части кузова; 3 - габаритный свет левой передней фары; 4 - левый задний фонарь; 5 - фонарь освещения номерного знака; 6 - габаритный свет правой передней фары; 7 - правый задний фонарь; 8 - рычаг переключателя наружного освещения и указателей поворота с кнопкой включения звукового сигнала.
Дальний свет Рено Логан

1 - блок предохранителей 597А в моторном отсеке; 2 - рычаг переключателя наружного освещения и указателей поворота с кнопкой включения звукового сигнала; 3 - блок предохранителей в салоне; 4 - правая передняя фара; 5 -левая передняя фара.
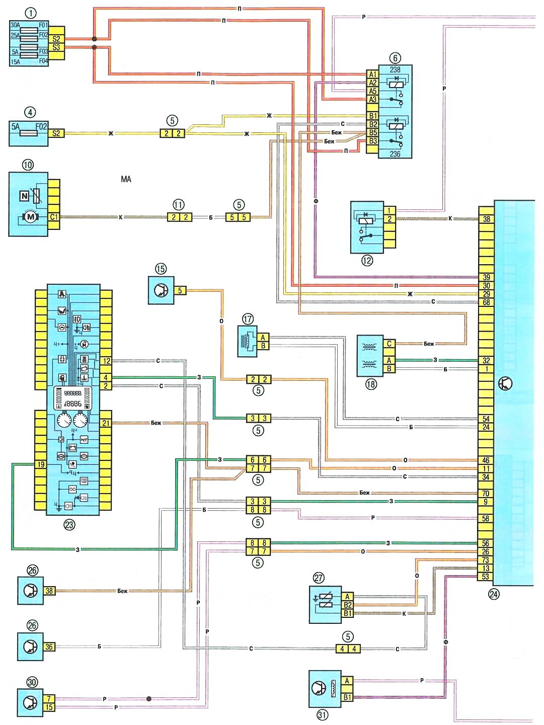
Электрообогрев заднего стекла авто

1 - блок предохранителей в салоне; 2 - комбинация приборов; 3 - электрообогрев заднего стекла; 4 - разъем электропроводки панели приборов/левой задней части кузова; 5 - выключатель электрообогрева заднего стекла.
Электровентилятор системы отопления и вентиляции салона - схема

1 - блок предохранителей в салоне Рено; 2 - реле 233; 3 - разъем проводки электровентилятора системы охлаждения/панели приборов; 4 - электровентилятор системы отопления и вентиляции; 5 - блок управления системой отопления и вентиляции салона.
РЕМОНТ АВТОЭЛЕКТРОНИКИ ЗАРЯДНЫЕ УСТРОЙСТВА ДЛЯ АКБ

|