Сборник цветных электросхем на русском языке для Рено Мэган 2. Качество сборки автомобиля Renault Megane II и уровень комфорта заимствованы у авто более высокого класса. Варианты "универсал" и "седан", как и другие автомобили семейства Renault Megane II, воплощают в себе значительные достижения. На автомобиле Megane седан не только применены такие новаторские компоновочные решения, как плоский двойной пол, но и увеличен на 27° наклон спинки заднего сиденья, а на задней полке имеются закрытое вещевое отделение и солнцезащитная шторка. Оригинальные солнцезащитные шторки на задних дверях обеих моделей дополняют многочисленные принадлежности, создающие в автомобиле атмосферу комфорта, соответствующую уровню автомобилей более высокого класса. Сосредоточив в себе все новые технические решения, применяемые на автомобилях высокого класса, Megane универсал и Megane седан, в зависимости от варианта, оснащаются многими видами оборудования, призванными обеспечить удобство и надежность эксплуатации, в числе которых отпирание дверей и запуск двигателя в режиме "свободные руки", крышка люка наливной горловины топливного бака со встроенной пробкой, навигационная система Carminat с убирающимся экраном размером 16/9, регулятор-ограничитель скорости движения, датчик дождя и интенсивности солнечного излучения.
Электросхема генератора и стартера Renault

Климатическая установка с автоматическим управлением

Дополнительный обогреватель в салоне - схема соединений

Электрообогреватель заднего стекла

Электросхема подогрева сидений Renault Megane II

Схема прикуривателя автомобиля Рено 2

Звуковой сигнал - принципиальная схема

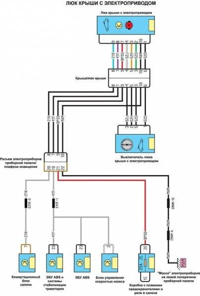
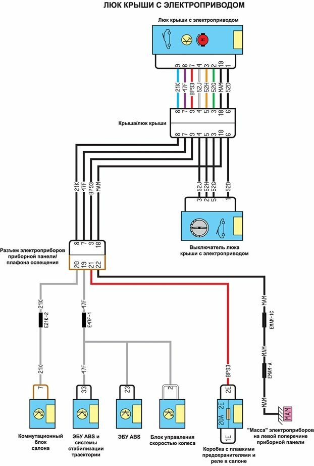
Люк крыши с электроприводом

Стеклоочистители и стеклоомыватели Renault Megane II

Электросхема диагностического разъема

Рулевое управление с электроусилителем

Электросхема освещения салона и багажного отделения авто

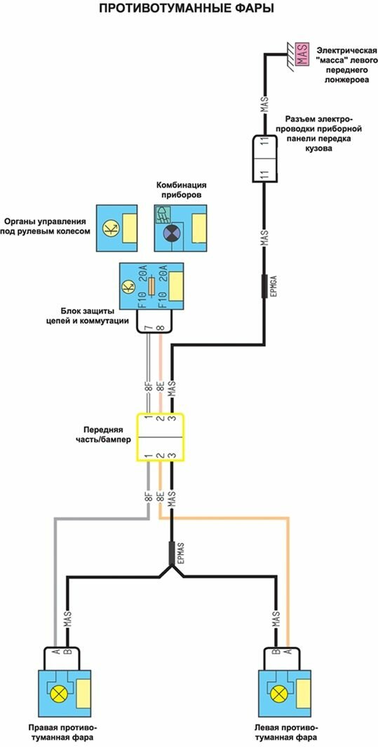
Противотуманные фары Renault Megane II

РЕМОНТ АВТОЭЛЕКТРОНИКИ ЗАРЯДНЫЕ УСТРОЙСТВА ДЛЯ АКБ

|