Полный сборник качественных цветных электросхем автомобиля Пежо 306 - полностью на русском языке. Фары, подсветка салона, зажигание и заряд аккумулятора, распределение питания и устройство пускового блока. Имеются фото блока реле и предохранителей. Обратите внимание, что доступен только просмотр только на сайте. Увеличить нужную схему можно кликнув по ней и развернув на весь экран с помощью специального значка сверху. Для автомобиля PEUGEOT 308 предусмотрено на выбор несколько бензиновых и дизельных силовых агрегатов. Базовый атмосферный 16-клапанный двигатель способен производить мощность в 120 л.с. и может сочетаться с 5-ступенчатой МКПП или 4-ступенчатым «автоматом», который обладает возможностью ручного переключения. Для более мощного бензинового мотора THP 150 л.с. предусмотрена 6-ступенчатая АКПП.
Схема предохранителей автомобиля PEUGEOT 308 с 2007 года выпуска
Блок, расположенный в моторном отсеке


Блок, расположенный в салоне Пежо 308


Система управления двигателем PEUGEOT 308

Система управления двигателем PEUGEOT 308 - продолжение

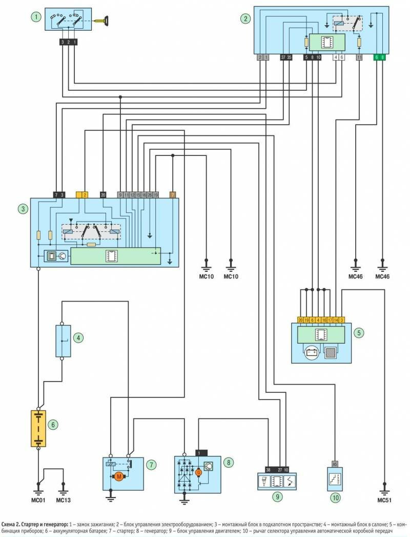
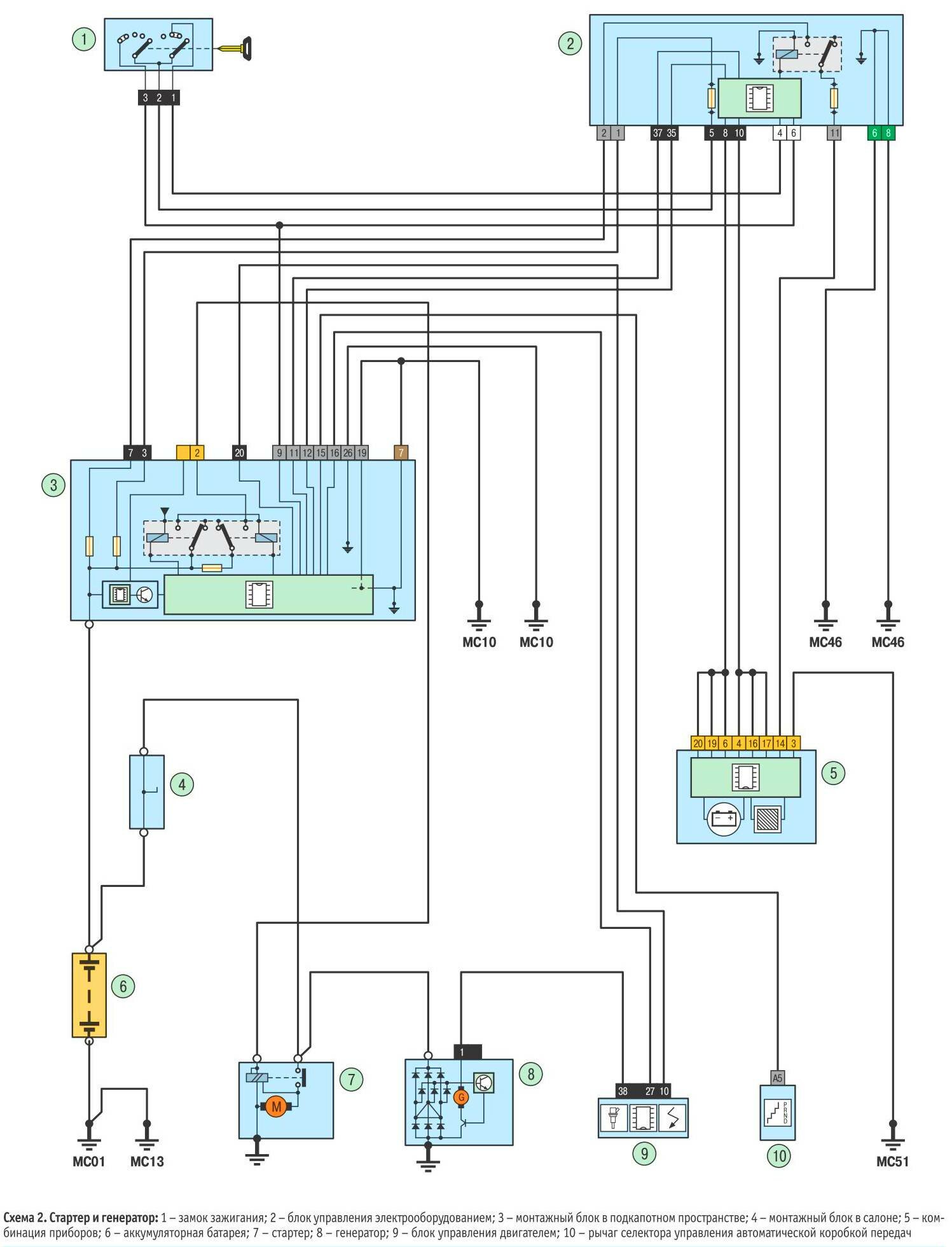
Принципиальная электросхема стартера и генератора

Подключение фар ближнего и дальнего света

Габаритные огни PEUGEOT 308

Схема стоп-сигнало авто

Противотуманные фары Пежо 308 и фонари

Фонари света заднего хода - подключение

Схема сигнализации и поворотников

Электропривод стеклоподъёмников на дверях

Схема центрального замка 308

РЕМОНТ АВТОЭЛЕКТРОНИКИ ЗАРЯДНЫЕ УСТРОЙСТВА ДЛЯ АКБ

|