Продолжение сборника электросхем автомобиля Opel Corsa C. Здесь показаны схемы таких узлов: модуль управления кузовным оборудованием, рулевое управление с электроусилителем, система противоугонной сигнализации, антиблокировочная тормозная система и регулирование тягового усилия, центральное управление дверными замками и другие. Первую часть схем Opel Corsa смотрите здесь.
Схема модуля управления кузовным оборудованием Opel Corsa

A15 – модуль управления кузовным оборудованием.
F53 – предохранитель.
F28 – предохранитель.
F54 – предохранитель.
F52 – предохранитель.
Разъемы
X1 – приборная панель и передняя часть кузова.
X46 – передняя часть кузова и модуль управления кузовным оборудованием.
X30 – передняя часть кузова и вентилятор.
XD – диагностический разъем.
X45 – панель приборов и модуль управления кузовным оборудованием.
Сокращения
7.5A – 7.5 ампер.
GID – графический информационный дисплей.
15–12 вольт при включенном зажигании.
IMO – иммобилайзер.
15A – 15 ампер.
INS – приборы.
20A – 20 ампер.
MK – охлаждение двигателя.
30–12 вольт.
MT – механическая коробка передач.
AB – подушка безопасности.
MTA – механическая коробка передач с автоматическим сцеплением.
AC – кондиционер.
TC – регулирование тяги.
AT – автоматическая коробка передач.
TID – тройной информационный дисплей.
BCM – модуль управления кузовным оборудованием.
D – дизель Opel Corsa .
XNL – ксеноновые фары.
DIAG – диагностический разъем.
Z10XEP – двигатель Z10XEP.
ECC – электронное регулирование климата.
Z12XEP/Z14XEP – двигатель Z12XEP/Z14XEP.
EPS – рулевое управление с электроусилителем.
Z13DT – двигатель Z13DT.
ESP – электронная система стабилизации.
Z14XE – двигатель Z14XE.
F1 – предохранитель F1.
Z17DTH – двигатель Z17DTH.
F3 – предохранитель.
F3 Z18XE – двигатель Z18XE.
F11 – предохранитель F11.
ZH – дополнительный обогреватель, топливный.
F17 – предохранитель F17.
ZV – центральное управление дверными замками.
FI – бензин.
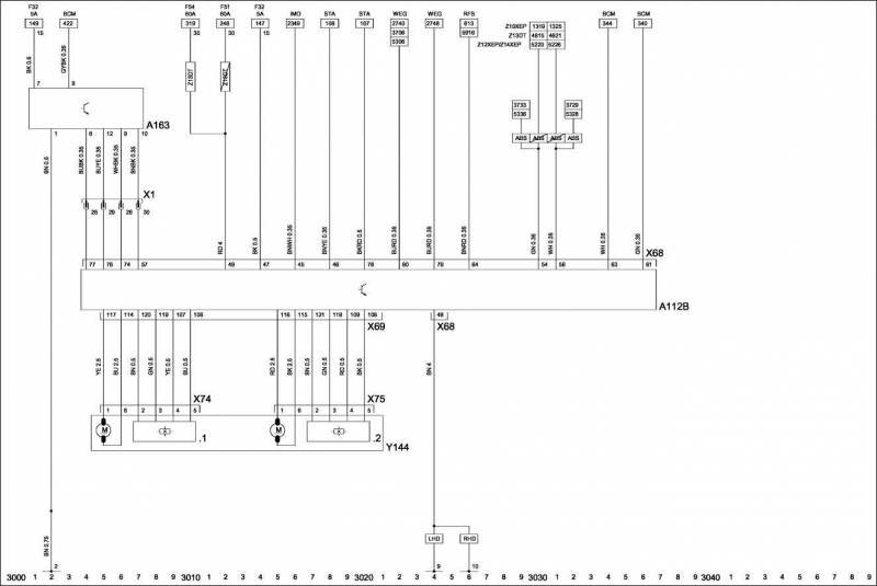
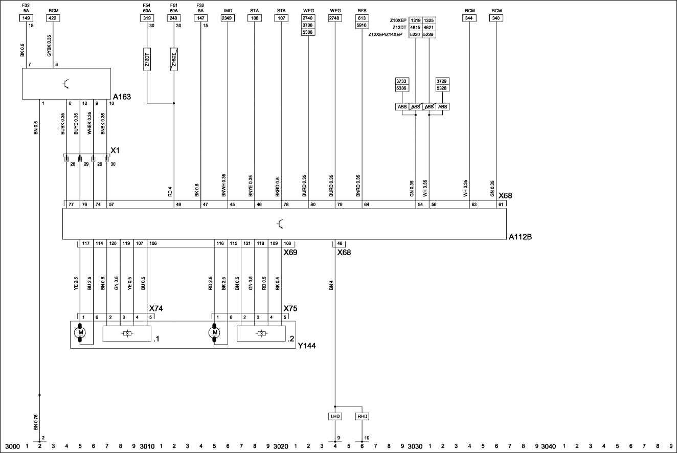
Электросхема механической коробки передач с автоматическим сцеплением

A112B – блок управления – механическая коробка передач с автоматическим сцеплением.
Y144.1 – электродвигатель – коробка передач, выбор.
A163 – переключатель – рычаг переключения передач.
Y144.2 – электродвигатель – коробка передач, переключение.
Y144 – узел – исполнительные механизмы трансмиссии.
Разъемы
X1 – приборная панель и передняя часть кузова.
X74 – автоматическая коробка передач и узел – исполнительные элементы трансмиссии.
X68 – передняя часть кузова и блок управления – механическая коробка передач с автоматическим сцеплением.
X75 – автоматическая коробка передач и узел – исполнительные элементы трансмиссии.
X69 – автоматическая коробка передач и блок управления – механическая коробка передач с автоматическим сцеплением.
Сокращения
5A – 5 ампер.
IMO – иммобилайзер.
15 – 12 вольт при включенном зажигании.
LHD – левостороннее управление.
30 – 12 вольт.
RFS – фонари заднего хода.
60A – 60A.
RHD – правостороннее управление.
ABS – антиблокировочная тормозная система.
STA – запуск и зарядка.
BCM – модуль управления кузовным оборудованием.
WEG – сигнал скорости автомобиля.
F32 – предохранитель F32.
Z10XEP – двигатель Z10XEP.
F51 – предохранитель F51.
Z12XEP/Z14XEP – двигатель Z12XEP/Z14XEP.
F54 – предохранитель F54.
Z13DT – двигатель Z13DT.
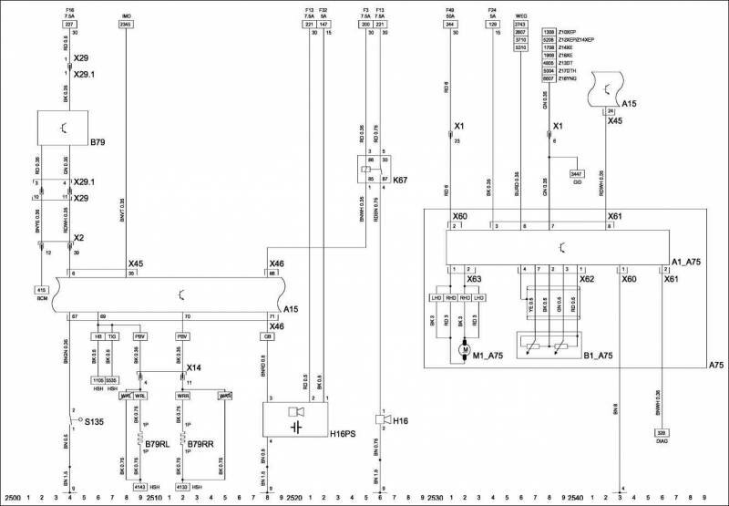
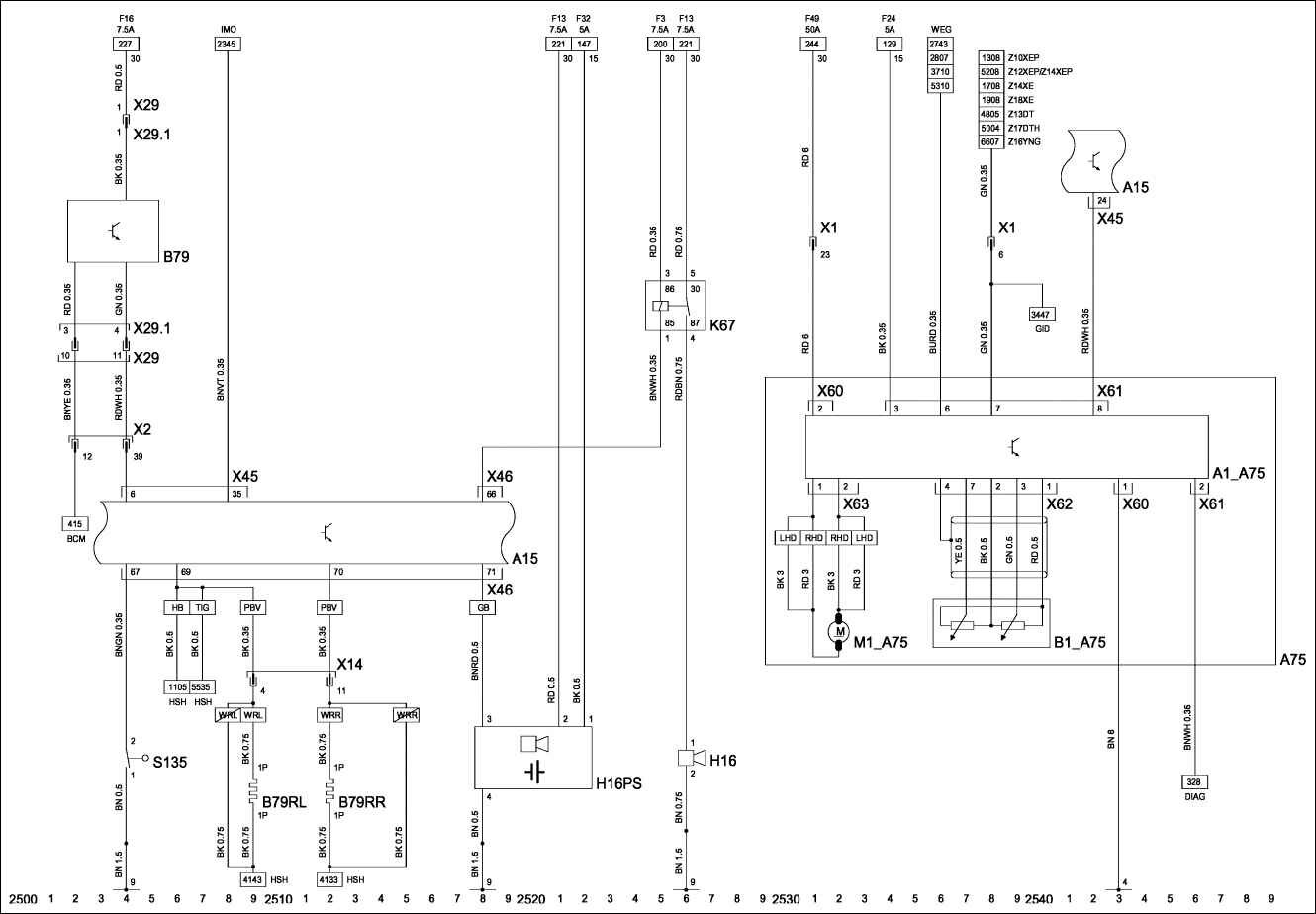
Схема рулевого управления с электроусилителем и противоугонной сигнализации

A1-A75 – блок управления – электроусилитель рулевого управления.
B79RR – датчик разбитого стекла – система противоугонной сигнализации, задний, правый.
A15 – модуль управления кузовным оборудованием.
H16 – звуковой сигнал – система противоугонной сигнализации.
A75 – узел – рулевое управление с электроусилителем.
H16PS – сирена – система противоугонной сигнализации.
B1-A75 – датчик – отклонение рулевого управления.
K67 – реле – звуковой сигнал, система противоугонной сигнализации.
B79 – датчик – система противоугонной сигнализации, пассажирский салон.
M1-A75 – электродвигатель – рулевое управление с электроусилителем.
B79RL – датчик разбитого стекла – система противоугонной сигнализации, задний, левый.
S135 – выключатель – капот двигателя, система противоугонной сигнализации.
Разъемы
X1 – приборная панель и передняя часть кузова.
X46 – передняя часть кузова и модуль управления кузовным оборудованием.
X2 – приборная панель и задняя часть кузова, левая.
X60 – панель приборов и блок управления – рулевое управление с электроусилителем.
X14 – передняя часть кузова и задняя часть кузова, левая.
X61 – панель приборов и блок управления – рулевое управление с электроусилителем.
X29 – задняя часть кузова, левая и микрофон/датчик и система охранной противоугонной сигнализации, пассажирский салон.
X62 – блок управления – электронное рулевое управление с усилителем и датчик – отклонение рулевого управления.
X29.1 – задняя часть кузова, левая и датчик – система противоугонной сигнализации, пассажирский салон.
X63 – блок управления – электронное рулевое управление с усилителем – электронный усилитель руля.
X45 – панель приборов и модуль управления кузовным оборудованием.
Сокращения
5A – 5 ампер.
HSH – обогрев заднего окна.
7.5A – 7.5 ампер.
IMO – иммобилайзер.
15 – 12 вольт при включенном зажигании.
LHD – левостороннее управление.
30 – 12 вольт.
PBV – Combo.
50A – 50 ампер.
RHD – правостороннее управление.
BCM – модуль управления кузовным оборудованием.
DIAG – диагностический разъем.
WEG – сигнал скорости автомобиля.
F3 – предохранитель F3.
WRL – заднее стекло, левое.
F13 – предохранитель F13.
WRR – заднее стекло, правое.
F16 – предохранитель F16.
Z10XEP – двигатель Z10XEP.
F24 – предохранитель F24.
Z12XEP/Z14XEP – двигатель Z12XEP/Z14XEP.
F32 – предохранитель F32.
Z13DT – двигатель Z13DT.
F49 – предохранитель F49.
Z14XE – двигатель Z14XE.
GB – Великобритания.
Z16YNG – двигатель Z16YNG.
GID – графический информационный дисплей.
Z17DTH – двигатель Z17DTH.
HB – хэтчбэк.
Z18XE – двигатель Z18XE.
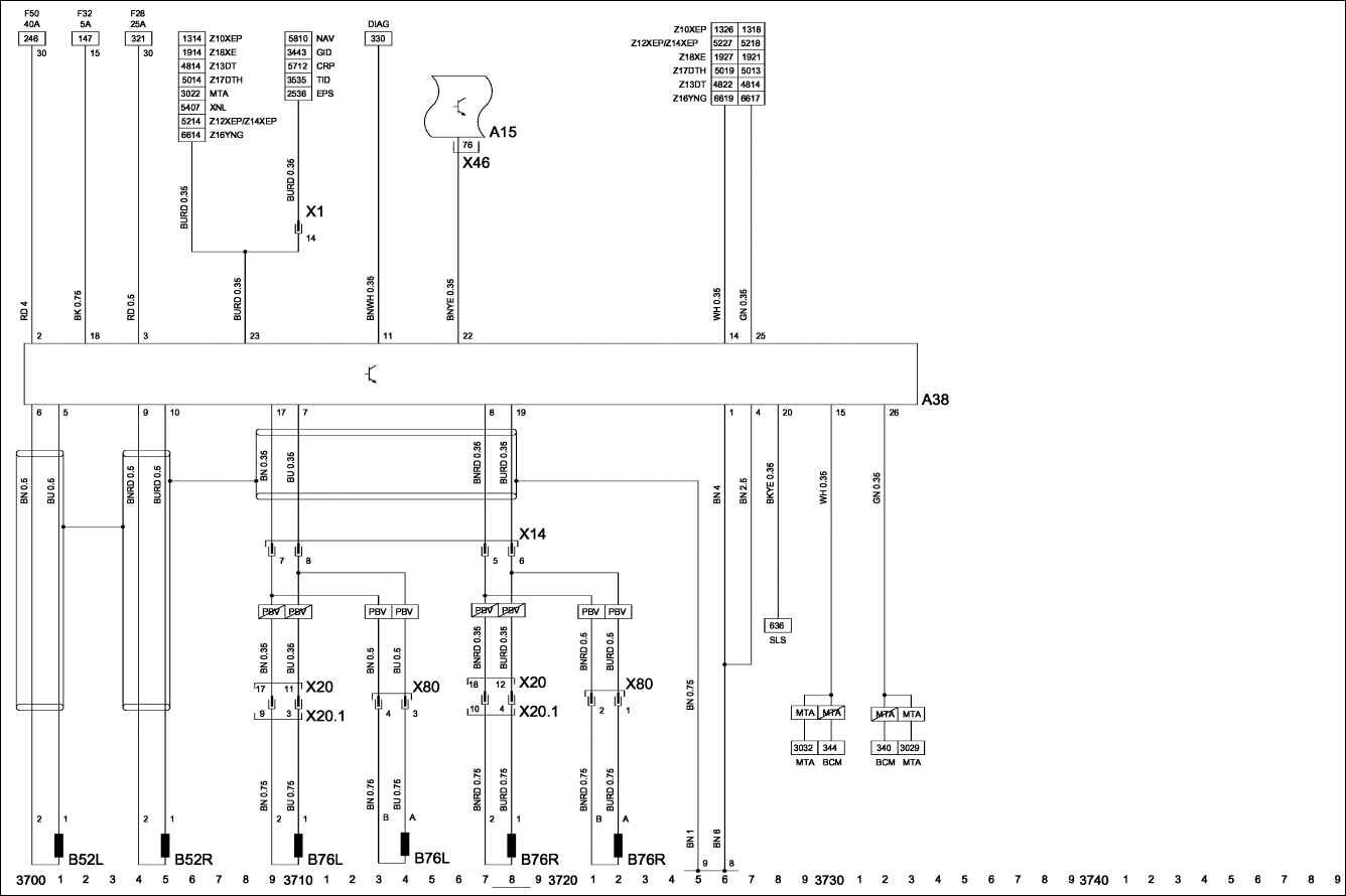
Антиблокировочная тормозная система и регулирование тягового усилия - схемы

A15 – модуль управления кузовным оборудованием.
B52R – датчик – скорость колеса, переднее, правое.
A38 – контроллер – антиблокировочная тормозная система.
B76L – датчик – скорость колеса, заднее, левое.
B52L – датчик – скорость колеса, переднее, левое.
B76R – датчик – скорость колеса, заднее, правое.
Разъемы
X1 – приборная панель и передняя часть кузова.
X20.1 – задняя часть кузова, левая и датчик оборотов.
X14 – передняя часть кузова и задняя часть кузова, левая.
X46 – передняя часть кузова и модуль управления кузовным оборудованием.
X20 – задняя часть кузова, левая и датчик оборотов / топливный бак.
X80 – задняя часть кузова, левая и датчик оборотов.
Сокращения
5A – 5 ампер.
MTA – механическая коробка передач с автоматическим сцеплением.
15 – 12 вольт при включенном зажигании.
NAV – система навигации.
25A – 25 ампер.
PBV – Combo.
30 – 12 вольт.
SLS – выключатель стоп-сигнала.
40A – 40 ампер.
TID – тройной информационный дисплей.
BCM – модуль управления кузовным оборудованием.
XNL – ксеноновые фары.
CRP – автомобильный телефон.
Z10XEP – двигатель Z10XEP.
DIAG – диагностический разъем.
Z12XEP/Z14XEP – двигатель Z12XEP/ Z14XEP.
EPS – рулевое управление с электроусилителем.
Z13DT – двигатель Z13DT.
F28 – предохранитель F28.
Z16YNG – двигатель Z16YNG.
F32 – предохранитель F32.
Z17DTH – двигатель Z17DTH.
F50 – предохранитель F50.
Z18XE – двигатель Z18XE.
GID – графический информационный дисплей.
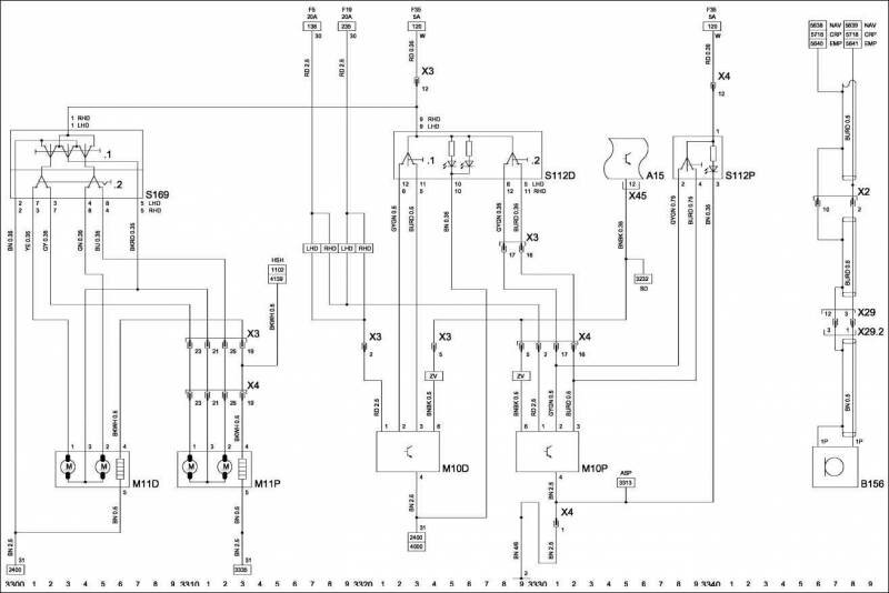
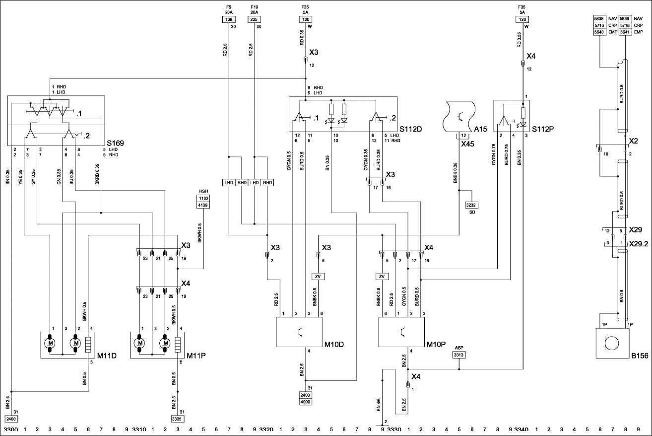
Стеклоподъемники и наружное зеркало заднего вида Opel Corsa

A15 – модуль управления кузовным оборудованием.
S112D. 1 – переключатель – стеклоподъемник, дверь водителя.
B156 – микрофон Opel Corsa .
S112D. 2 – переключатель – стеклоподъемник, дверь переднего пассажира.
M10D – электродвигатель – стеклоподъемник, дверь водителя.
S112P – переключатель – стеклоподъемник, дверь переднего пассажира.
M10P – электродвигатель – стеклоподъемник, дверь переднего пассажира.
S169 – выключатель – наружное зеркало.
M11D – узел зеркала – дверь водителя.
S169.1 – выключатель – регулировка наружного зеркала.
M11P – узел зеркала – дверь пассажира.
S169.2 – выключатель – наружное зеркало, левое/правое.
S112D – переключатель – стеклоподъемник.
Разъемы
X2 – приборная панель и задняя часть кузова, левая.
X29 – задняя часть кузова, левая и микрофон/датчик и система охранной противоугонной сигнализации, пассажирский салон.
X3 – панель приборов и дверь водителя.
X29.2 – задняя часть кузова, левая и микрофон.
X4 – панель приборов и дверь переднего пассажира.
X45 – панель приборов и модуль управления кузовным оборудованием.
Сокращения
5A – 5 ампер.
F35 – предохранитель F35.
20A – 20 ампер.
HSH – обогрев заднего окна.
30–12 вольт.
LHD – левостороннее управление.
31 – масса.
NAV – система навигации.
ASP – наружное зеркало.
RHD – правостороннее управление.
CRP – автомобильный телефон.
SD – люк в крыше.
EMP – радио.
W – 12 вольт при вставленном ключе.
F5 – предохранитель F5.
ZV – центральное управление дверными замками.
F19 – предохранитель F19.
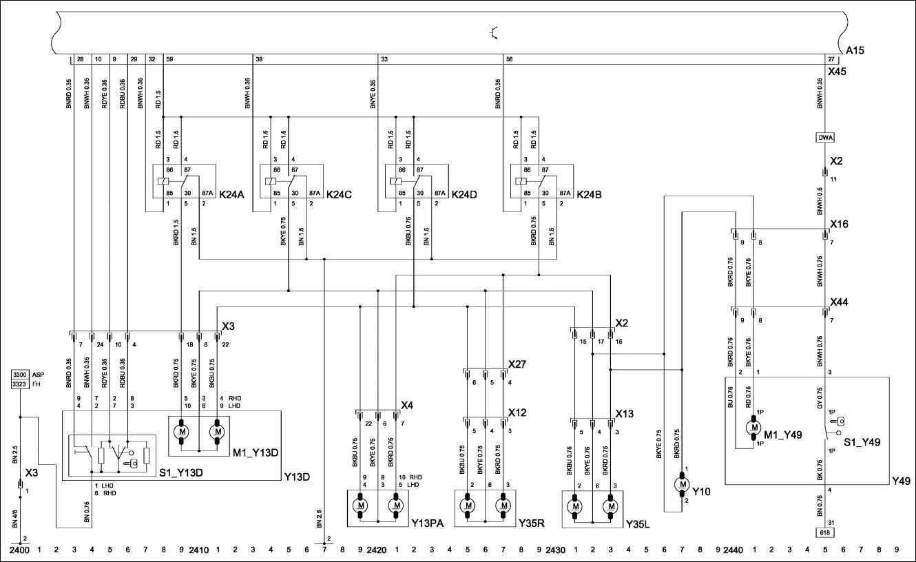
Центральное управление дверными замками Opel Corsa

A15 – модуль управления кузовным оборудованием.
S1-Y49 – выключатель – замок багажника/задней торцевой двери, система противоугонной сигнализации.
K24A – реле замка двери водителя.
Y10 – электродвигатель – центральное запирание, лючок, топливозаправочный.
K24B – реле – замок.
Y13D – узел – центральный замок, дверь водителя.
K24C – реле отпирания.
Y13PA – электродвигатель – центральное запирание, дверь переднего пассажира.
K24D – реле мертвой блокировки.
Y35L – электродвигатель – центральное запирание, задняя дверь, левая.
M1-Y13D – электродвигатель – центральное запирание.
Y35R – электродвигатель – центральное запирание, задняя дверь, правая.
M1-Y49 – электродвигатель – центральное запирание, крышка багажника/задняя торцевая дверь.
Y49 – узел – замок, крышка багажника/задняя торцевая дверь.
S1-Y13D – выключатель – центральное запирание.
Разъемы
X2 – приборная панель и задняя часть кузова, левая.
X16 – задняя часть кузова, левая и задняя торцевая дверь.
X3 – панель приборов и дверь водителя.
X27 – приборная панель и задняя часть кузова, правая.
X4 – панель приборов и дверь переднего пассажира.
X44 – встроенный разъем – задняя торцевая дверь.
X12 – задняя часть кузова, правая и задняя дверь, правая.
X45 – панель приборов и модуль управления кузовным оборудованием.
X13 – задняя часть кузова, левая и задняя дверь, левая.
Схема выключателя стоп-сигнала, задняя светотехника, переключатель сцепления авто

E106R. 2 – стоп-сигнал – правый.
E106L – задний блок фонарей – левый.
E106R. 3 – фонарь заднего хода – правый.
E106L. 1 – задний фонарь – левый.
E106R. 4 – указатель поворота – задний, правый.
E106L. 2 – стоп-сигнал – левый.
K71 – реле – фонарь заднего хода.
E106L. 3 – фонарь заднего хода – левый.
S32 – выключатель – фонарь заднего хода.
E106L. 4 – указатель поворота – задний, левый.
S41 – переключатель – сцепление.
E106R – блок задних фонарей – правый.
S216 – выключатель – стоп-сигнал, двойной.
E106R. 1 – задний фонарь – правый.
Разъемы
X1 – приборная панель и передняя часть кузова.
X16 – задняя часть кузова, левая и задняя торцевая дверь.
X2 – приборная панель и задняя часть кузова, левая.
X21 – приборная панель и задняя часть кузова, правая.
X14 – передняя часть кузова и задняя часть кузова, левая.
X44 – встроенный разъем – задняя торцевая дверь.
Сокращения
5A – 5 ампер.
KZL – лампы освещения номерного знака.
10A – 10 ампер.
LHD – левостороннее управление.
15–12 вольт при включенном зажигании.
MT – механическая коробка передач.
20A – 20 ампер.
MTA – механическая коробка передач с автоматическим сцеплением.
ABS – антиблокировочная тормозная система.
RHD – правостороннее управление.
AT – автоматическая коробка передач.
RL – задние фонари.
AZV – прицепное устройство.
RW – стеклоочиститель заднего стекла.
BCM – модуль управления кузовным оборудованием.
SLS – выключатель стоп-сигнала.
CRC – круиз-контроль.
TID – тройной информационный дисплей.
D – дизель.
EIS – электрохромное внутреннее зеркало.
XNL – ксеноновые фары.
ESP – электронная система стабилизации.
Z10XEP – двигатель Z10XEP.
F25 – предохранитель F25.
Z12XEP/Z14XEP – двигатель Z12XEP/Z14XEP.
F32 – предохранитель F32.
Z13DT – двигатель Z13DT.
F38 – предохранитель F38.
Z14XE – двигатель Z14XE.
F39 – предохранитель F39.
Z16YNG – двигатель Z16YNG.
F40 – предохранитель F40.
Z17DTH – двигатель Z17DTH.
GID – графический информационный дисплей.
Z18XE – двигатель Z18XE.
HSH – обогрев заднего окна.
ZV – центральное управление дверными замками.
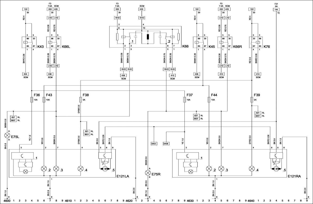
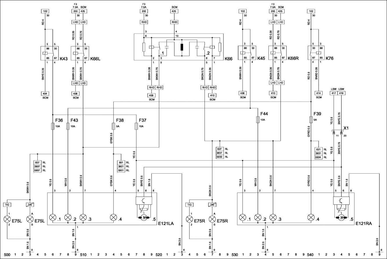
Фары головного света автомобиля Opel Corsa

E75L – указатель поворота – боковой, левый.
F36 – предохранитель.
E75R – указатель поворота – боковой, правый.
F37 – предохранитель.
E121LA – фара – левая.
F38 – предохранитель.
E121LA. 1 – ближний свет – слева.
F39 – предохранитель.
E121LA. 2 – дальний свет – слева.
F43 – предохранитель.
E121LA. 3 – указатель поворота – передний, левый.
F44 – предохранитель.
E121LA. 4 – габаритный огонь – левый.
K43 – реле – ближний свет.
E121LA. 5 – регулирование положения фар – слева.
K45 – реле – дальний свет.
E121RA – фара – правая Opel Corsa .
K66 – реле – лампа указателя поворота.
E121RA. 1 – ближний свет – правый.
K66.1 – реле – указатель поворота, левый.
E121RA. 2 – дальний свет – справа.
K66.2 – реле – указатель поворота, правый.
E121RA. 3 – указатель поворота – передний, правый.
K66L – реле – указатель поворота, левый.
E121RA. 4 – габаритный огонь – правый.
K66R – реле – указатель поворота, правый.
E121RA. 5 – устройство регулирования положения фар – справа.
K76 – реле – стояночные огни.
Сокращения
7.5A – 7.5 ампер.
LSW – переключатель освещения.
30 – 12 вольт.
RHD – правостороннее управление.
BCM – модуль управления кузовным оборудованием.
RL – задние фонари.
F3 – предохранитель F3.
LHD – левостороннее управление.
Версия с ксеноновыми фарами Opel Corsa

E75L – указатель поворота – боковой, левый.
F36 – предохранитель.
E75R – указатель поворота – боковой, правый.
F37 – предохранитель.
E121LA – фара – левая.
F38 – предохранитель.
E121LA. 1 – ближний свет – слева.
F39 – предохранитель.
E121LA. 2 – дальний свет – слева.
F43 – предохранитель.
E121LA. 3 – указатель поворота – передний, левый.
F44 – предохранитель.
E121LA. 4 – габаритный огонь – левый.
K43 – реле – ближний свет.
E121LA. 5 – регулирование положения фар – слева.
K45 – реле – дальний свет.
E121RA – фара – правая.
K66 – реле – лампа указателя поворота.
E121RA. 1 – ближний свет – правый.
K66.1 – реле – указатель поворота, левый.
E121RA. 2 – дальний свет – справа.
K66.2 – реле – указатель поворота, правый.
E121RA. 3 – указатель поворота – передний, правый.
K66L – реле – указатель поворота, левый.
E121RA. 4 – габаритный огонь – правый.
K66R – реле – указатель поворота, правый.
E121RA. 5 – устройство регулирования положения фар – справа.
K76 – реле – стояночные огни.
Сокращения
5A – 5 ампер.
F3 – предохранитель F3.
7.5A – 7.5 ампер.
F21 – предохранитель F21.
15 – 12 вольт при включенном зажигании.
LHD – левостороннее управление.
30 – 12 вольт.
RHD – правостороннее управление.
BCM – модуль управления кузовным оборудованием.
RL – задние фонари.
РЕМОНТ АВТОЭЛЕКТРОНИКИ ЗАРЯДНЫЕ УСТРОЙСТВА ДЛЯ АКБ

|