Полный сборник электросхем мотоциклов фирмы Yamaha. Около десятка различных популярных моделей. Все схемы представлены в хорошем качестве, и скачать их можно бесплатно.
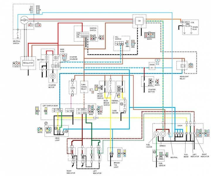
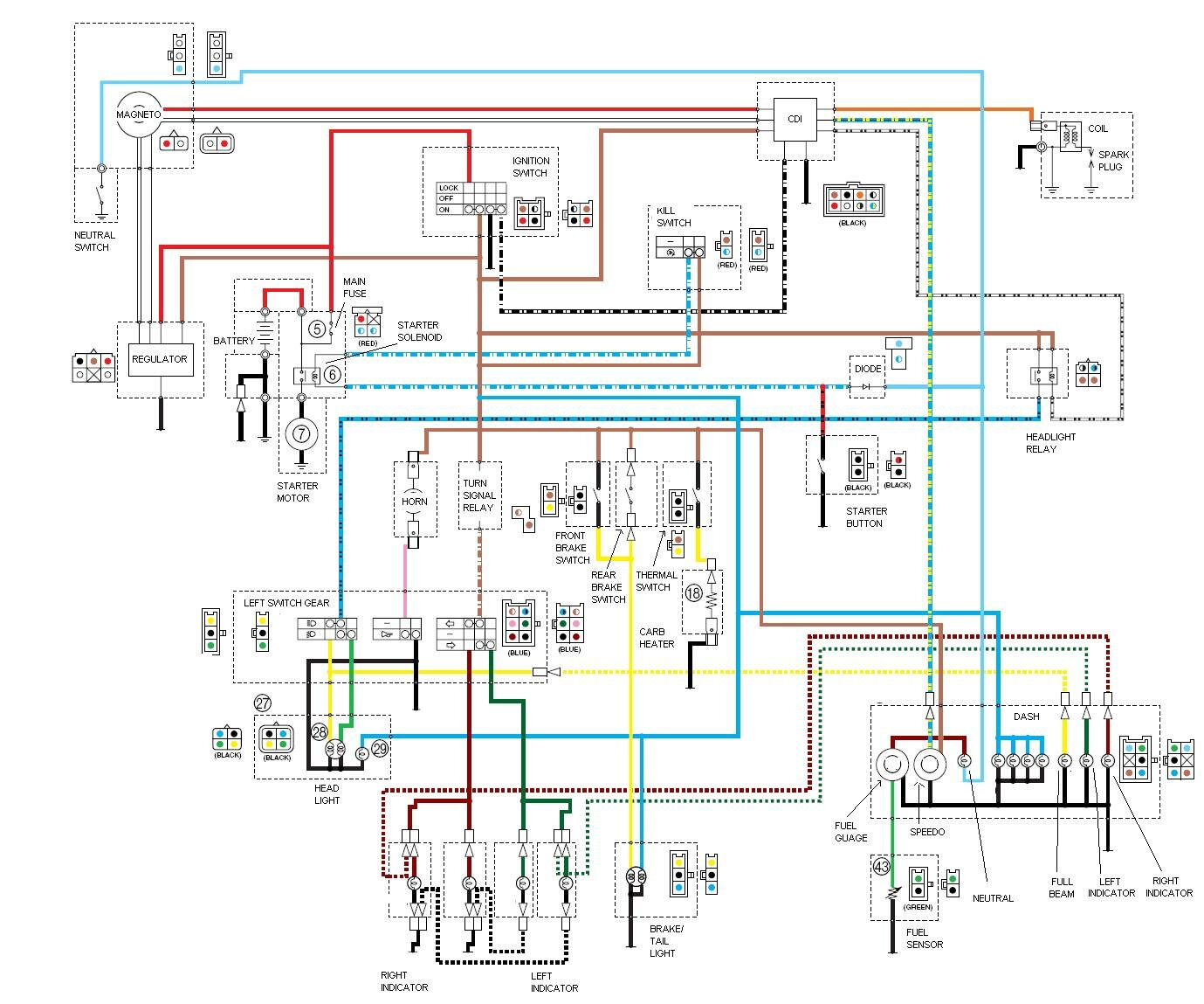
Электросхема Yamaha YBR125

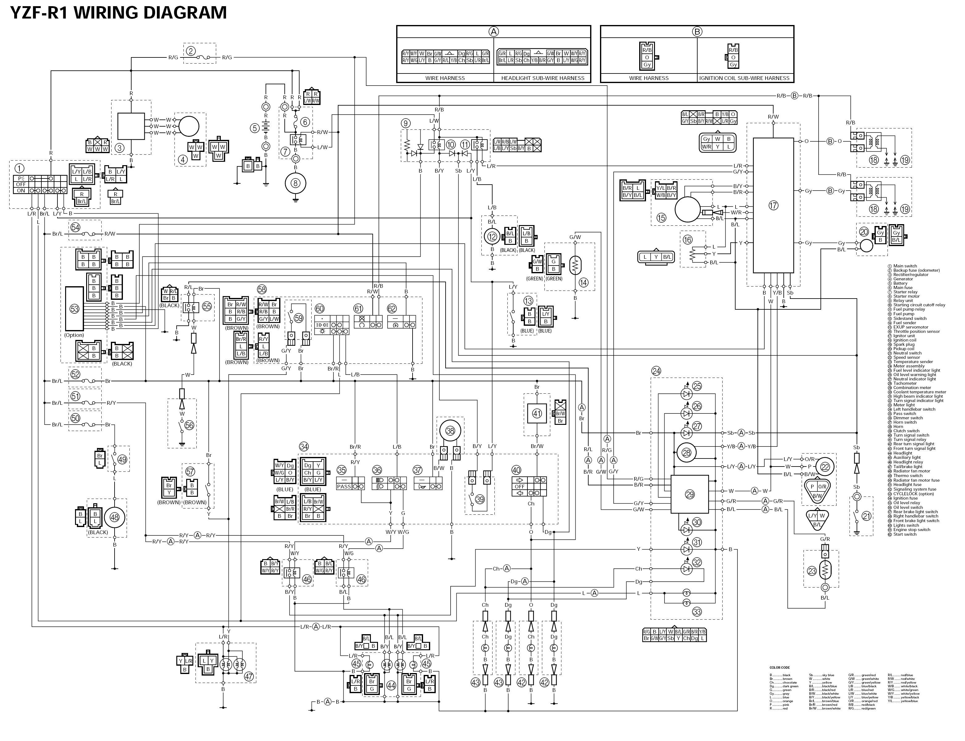
Электросхема Yamaha YZF-R1

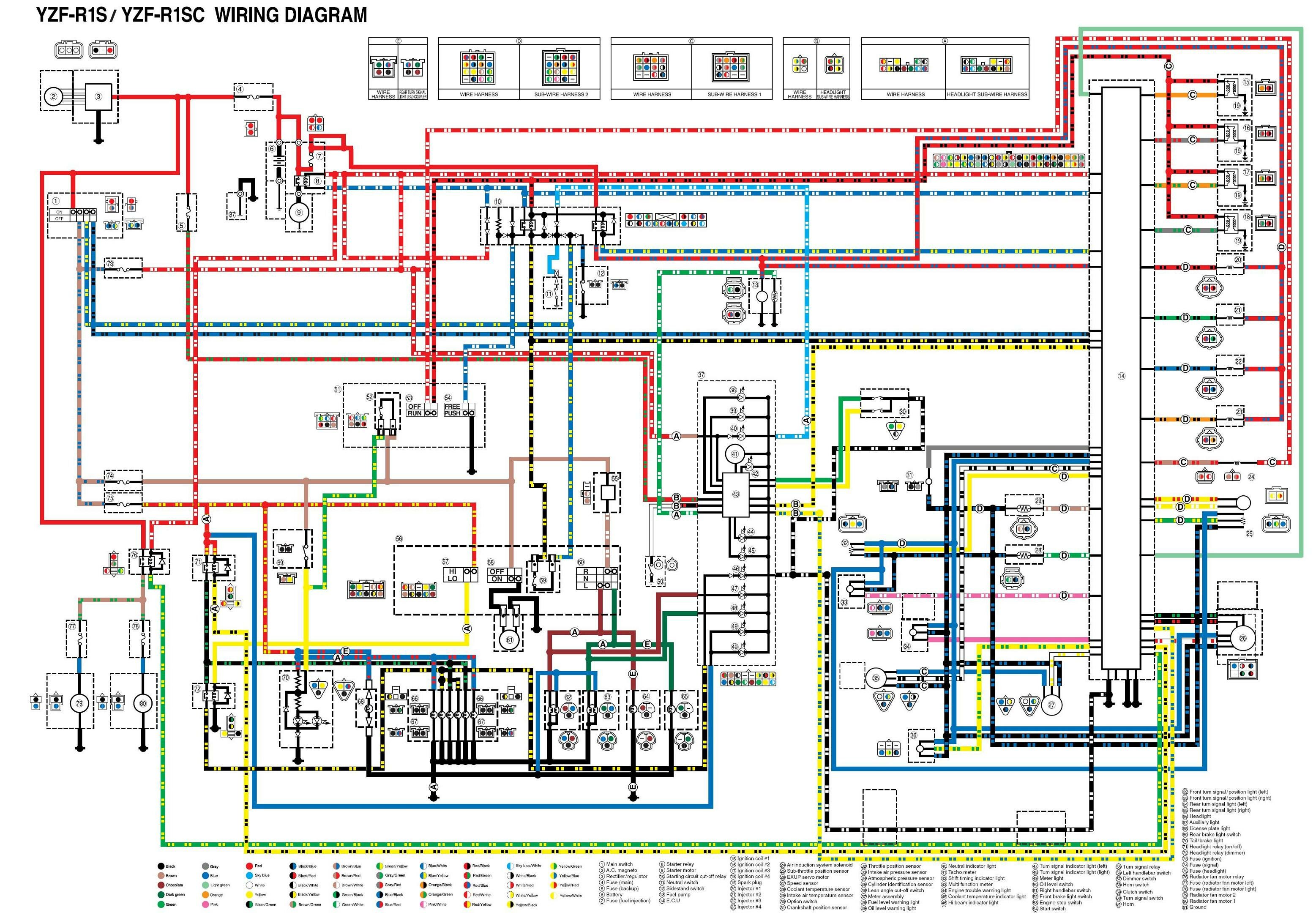
Электросхема Yamaha YZF-R1S

Электросхема Yamaha YZF-R6L

Электросхема Yamaha R5F 350

Схема мотоцикла Yamaha SR250

Схема мотоцикла Yamaha TDM850

РЕМОНТ АВТОЭЛЕКТРОНИКИ ЗАРЯДНЫЕ УСТРОЙСТВА ДЛЯ АКБ

|