Соединения проводки и электрооборудования автомобиля форд фокус. Для увеличения схемы кликните по ней. Схема соединения стеклоочистителя и стеклоомывателя ветрового стекла

1 - выключатель (замок) зажигания; 2 - монтажный блок реле и предохранителей; 3 - предохранитель 15 А; 4 - реле стеклоочистителя ветрового стекла; 5 - мотор омывателя ветрового стекла; 6 - комбинированный подрулевой переключатель
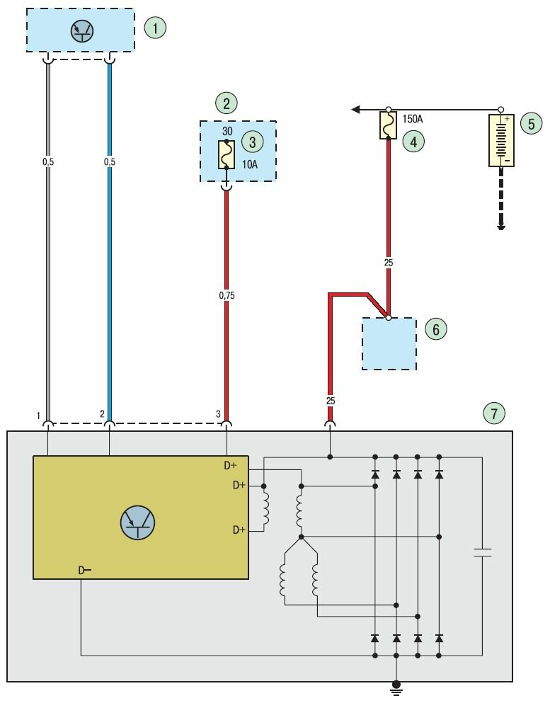
Схема соединения системы заряда аккумуляторной батареи

1 - электронный блок управления трансмиссией; 2 - монтажный блок предохранителей; 3 - предохранитель 10 А; 4 - предохранитель 15 А; 5 - аккумуляторная батарея; 6 - стартер; 7 - генератор
Схема соединения системы гидропривода тормозной системы

1 - монтажный блок предохранителей; 2 - монтажный блок предохранителей и реле; 3 - регулируемый переключатель педали тормоза; 4 - моторедуктор педали тормоза
Схема соединения системы вентиляции, отопления и кондиционирования воздуха

1, 9 - монтажный блок предохранителей и реле; 2 - предохранитель 30 А; 3 - реле электровентилятора отопителя; 4 - мотор электровентилятора отопителя; 5 - резистор электровентилятора отопителя; 6 - переключатель режимов работы электровентилятора отопителя; 7 - электронный блок управления двигателем и трансмиссией; 8 - комбинация приборов
Электросхема соединения системы пуска двигателя форд

1, 5 - предохранитель 20 А; 2, 4 - монтажный блок предохранителей и реле; 3 - выключатель (замок) зажигания; 6 - реле стартера; 7 - аккумуляторная батарея; 8 - плавкая вставка 150 А; 9 - стартер; 10 - электронный блок управления двигателем и трансмиссией
Схема соединения системы контроля скорости

1 - предохранитель 20 А; 2 - монтажный блок предохранителей; 3 - выключатель (замок) зажигания; 4 - монтажный блок предохранителей и реле; 5 - датчик; 6 - переключатель скорости

1 - монтажный блок предохранителей; 2 - предохранитель 20 А; 3 - выключатель (замок) зажигания; 4 - монтажный блок предохранителей и реле; 5 - электронный блок управления двигателем и трансмиссией; 6 - комбинация приборов; 7 - датчик положения педали сцепления; 8 - выключатель на педали тормоза; 9 - блок управления замками дверей (центральный замок)
Электросхема соединения системы кондиционирования воздуха

1 - предохранитель 10 А; 2 - предохранитель 30 А; 3 - монтажный блок предохранителей и реле; 4 - реле электровентилятора; 5 - электровентилятор; 6, 8 - электронный блок управления двигателем и трансмиссией; 7 - датчик температуры охлаждающей жидкости

1 - монтажный блок предохранителей; 2 - предохранитель 50 А; 3 - блок электровентиляторов системы охлаждения; 4, 6 - электронный блок управления двигателем и трансмиссией; 5 - выключатель системы кондиционирования воздуха; 7 - датчик температуры охлаждающей жидкости
Схема соединения системы усилителя рулевого управления

1 - предохранитель 80 А; 2 - предохранитель 10 А; 3 - монтажный блок предохранителей; 4 - комбинация приборов; 5 - модуль электрического усилителя рулевого управления; 6 - датчик положения вала рулевой колонки
Система динамической стабилизации автомобиля форд фокус

1, 3 - электронный модуль системы динамической стабилизации; 2 - датчик угловой скорости; 4 - датчик положения управляемых колес
РЕМОНТ АВТОЭЛЕКТРОНИКИ ЗАРЯДНЫЕ УСТРОЙСТВА ДЛЯ АКБ

|