Сборник электросхем для грузовика Камаз. Электрооборудование автомобилей состоит из следующих систем: электроснабжения, световой сигнализации, наружного и внутреннего освещения, контрольно-измерительных приборов; системы отопления, стеклоочистки и звуковой сигнализации, пуска двигателя. Ниже приведены электрические схемы этих систем и их описание. Имеется два варианта - для различных модификаций автомобиля Камаз.
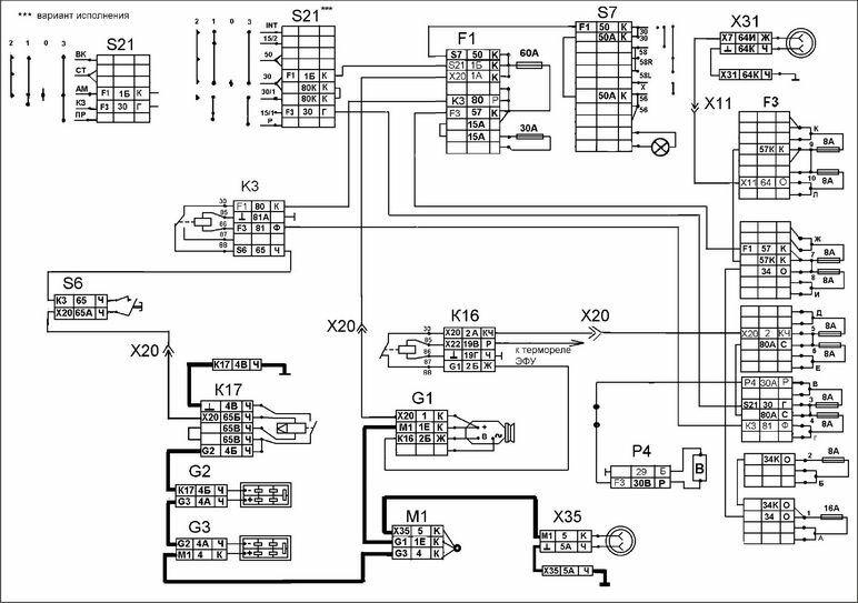
Общая электросхема КАМАЗ моделей 5320, 5410, 5511

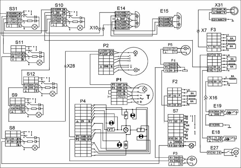
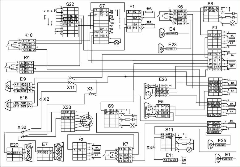
Электросхема систем световой сигнализации КАМАЗ

Электросхема систем энергоснабжения и очистки КАМАЗ

Электросхема наружного и внутреннего освещения КАМАЗ

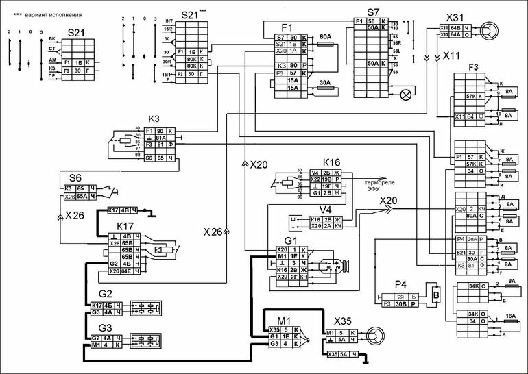
Второй вариант, где схемы разделены по узлам
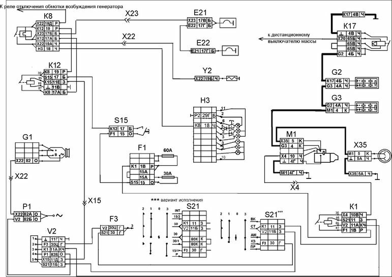
Схема электроснабжения для всех автомобилей Камаз с генератором 800вт

Схема электроснабжения для автомобилей КамАЗ с генератором 2квт

Схема пуска двигателя Камаз

Электросхема контрольно-измерительных приборов

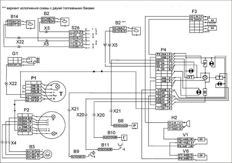
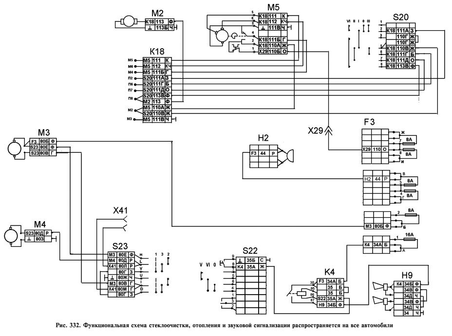
Схема стеклоочистки, отопления и звуковой сигнализации

Схема внутреннего освещения Камаз

Электросхема наружнего освещения

Схема наружней световой сигнализации и блокировки колес

РЕМОНТ АВТОЭЛЕКТРОНИКИ ЗАРЯДНЫЕ УСТРОЙСТВА ДЛЯ АКБ

|