Ниже предоставленны схемы электрооборудования на Крайслер Кантри 1996-2002 г.в. Пятидверный семиместный минивэн Chrysler Town & Country (с английского - "Город и Страна") выпускается еще с далекого 1941 года. Как следует из названия автомобиля, он разрабатывался как для городских условий, так и для сельской местности (для всей страны). С момента выхода Крайслер Таун энд Кантри уже было продано более 10 миллионов этих автомобилей. Поэтому можно смело говорить о том, что данная модель по-прежнему остается престижным товаром с богатой историей и уверенно держит первенство в своем рыночном сегменте.
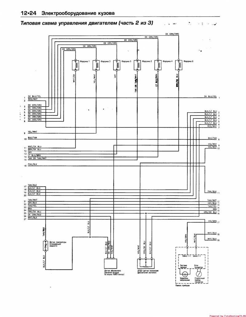
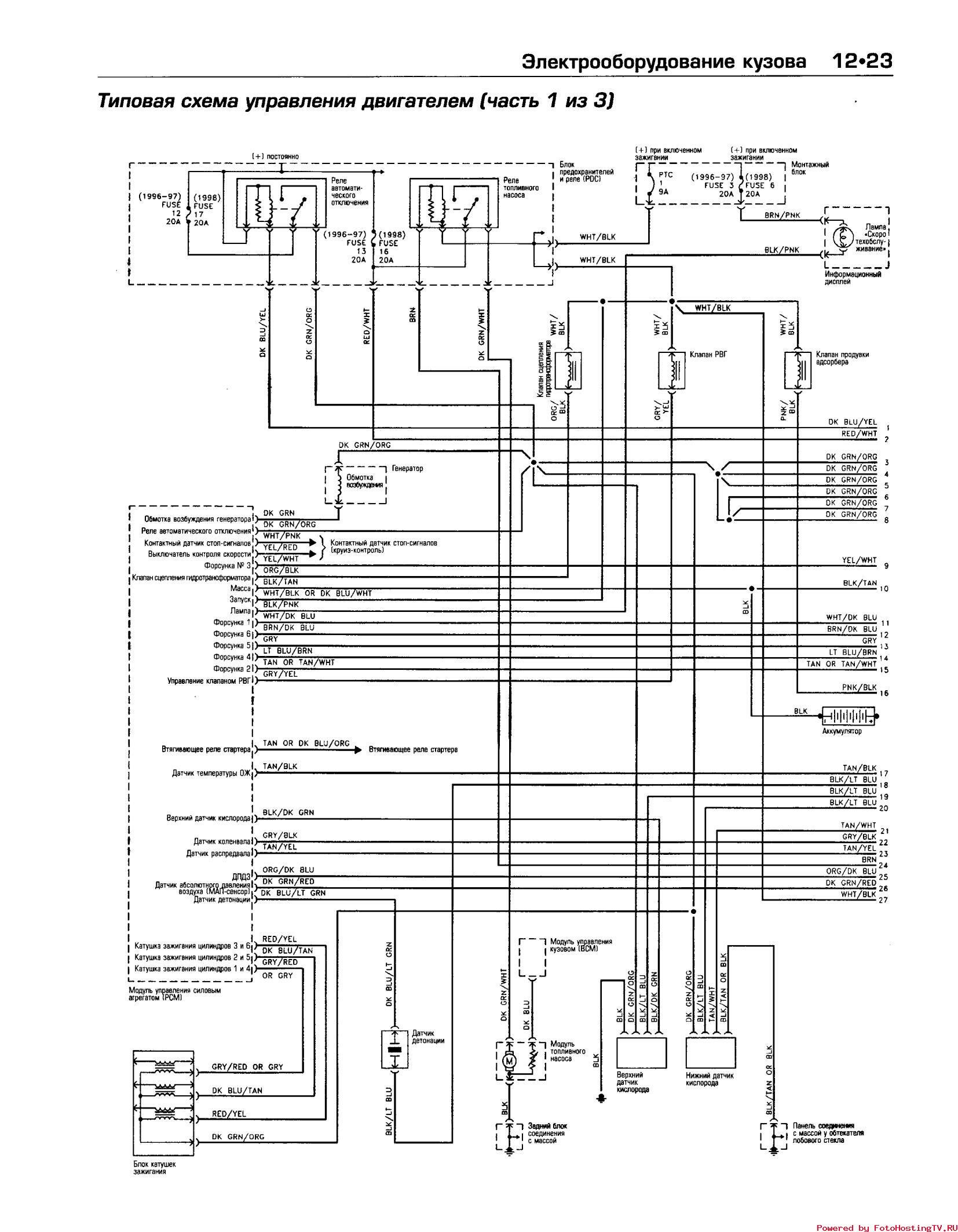
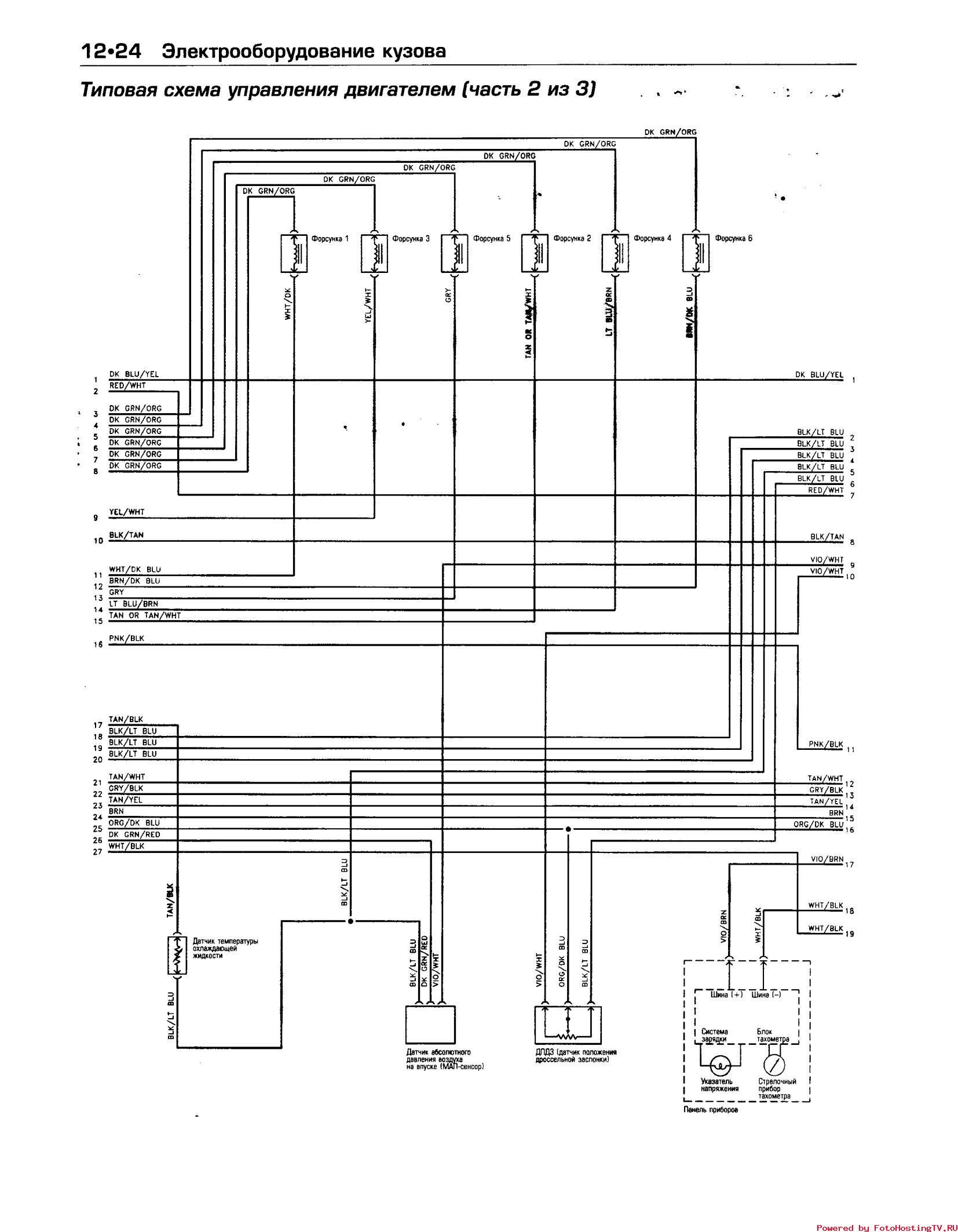
Cхема управления двигателем



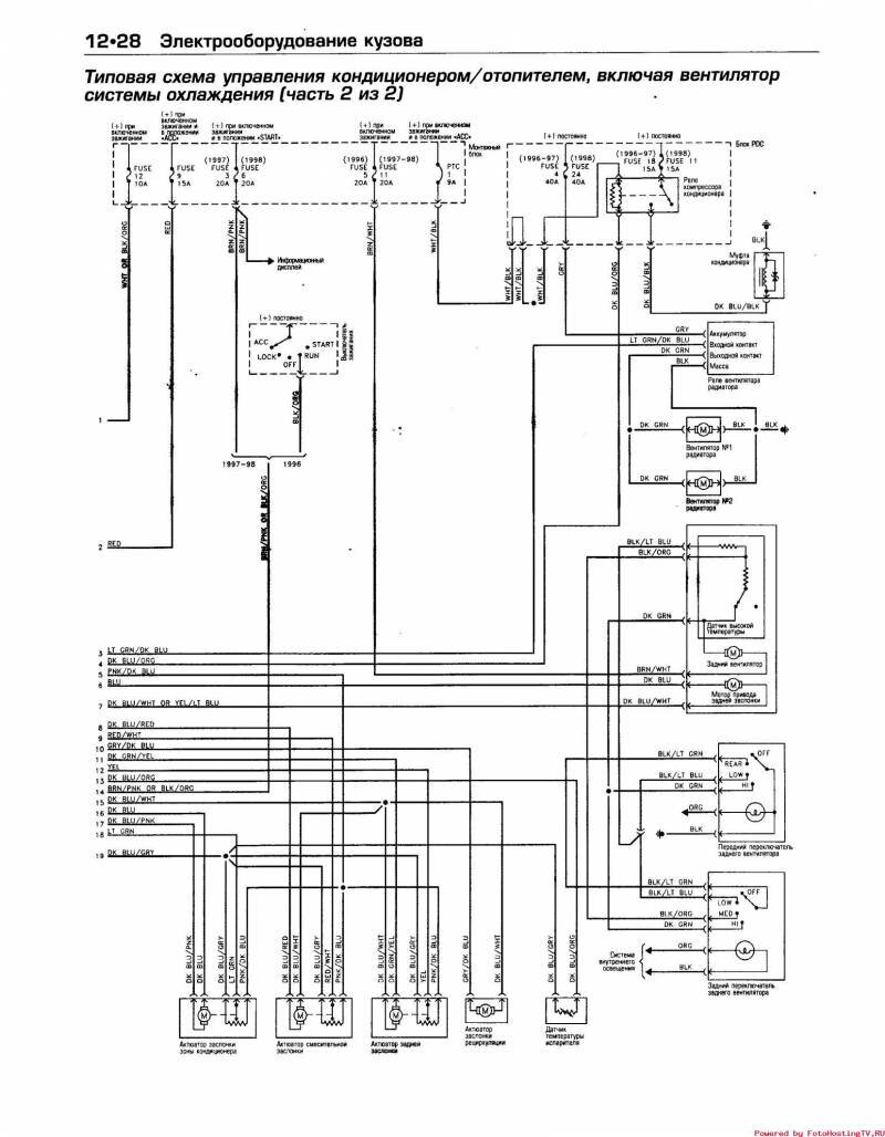
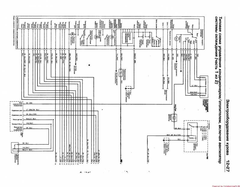
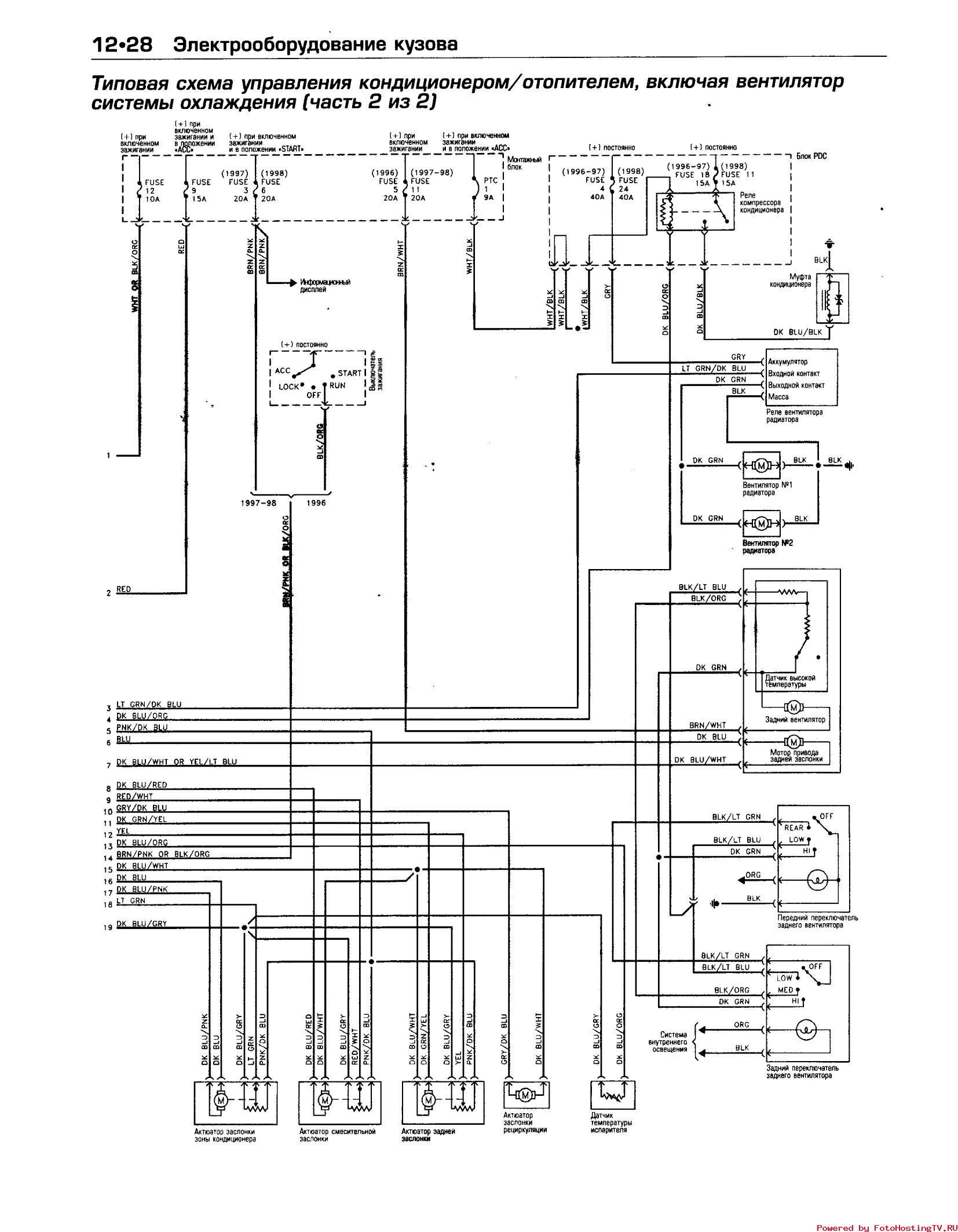
Электросхема управления кондеционнером - отопителем и вентилятором системы охлаждения


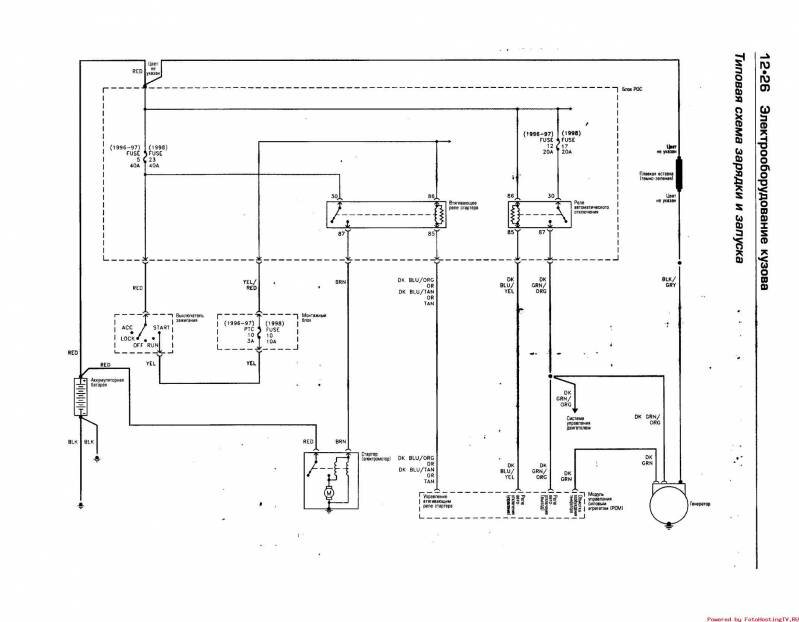
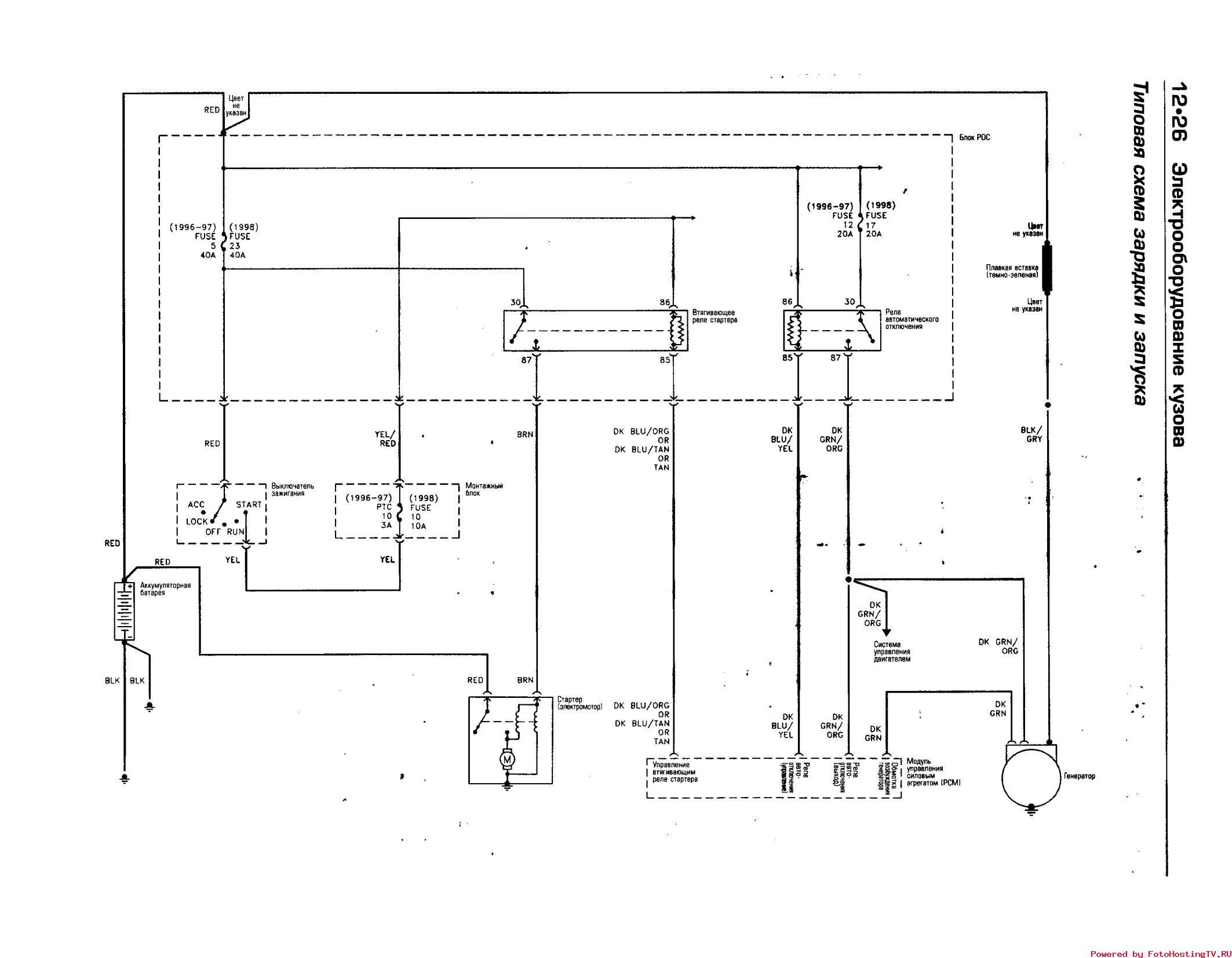
Эл.схема зарядки и запуска на Крайслер Кантри

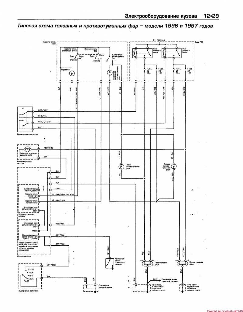
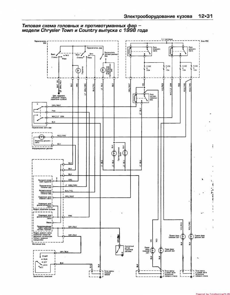
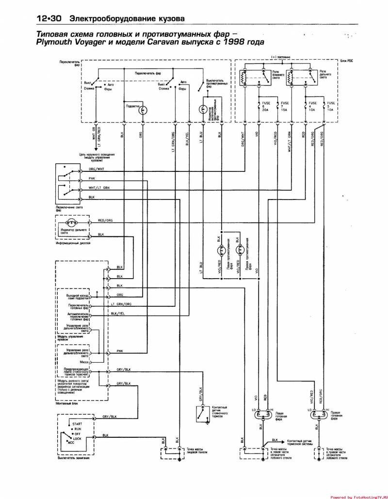
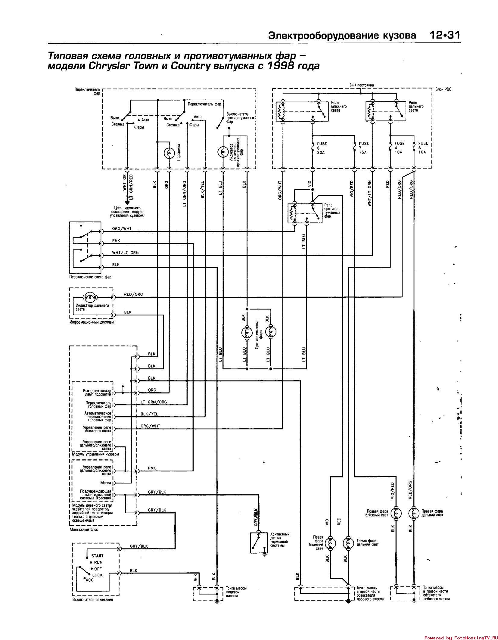
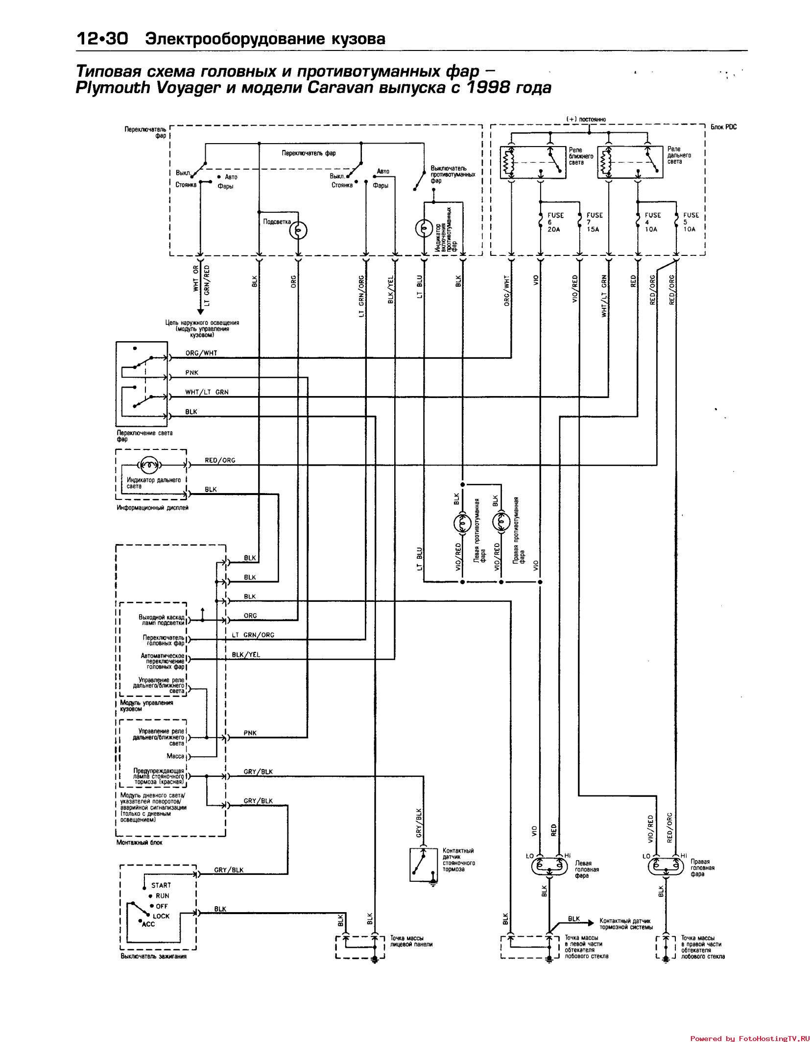
Схема головных и противотуманных фар



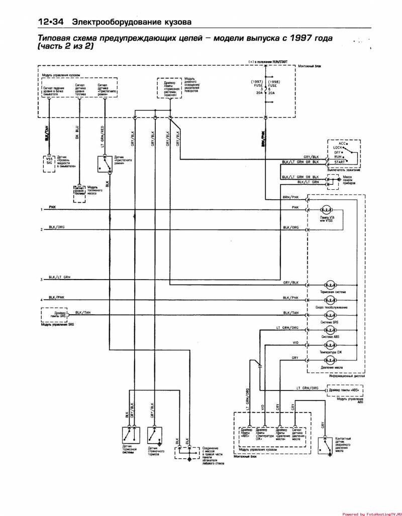
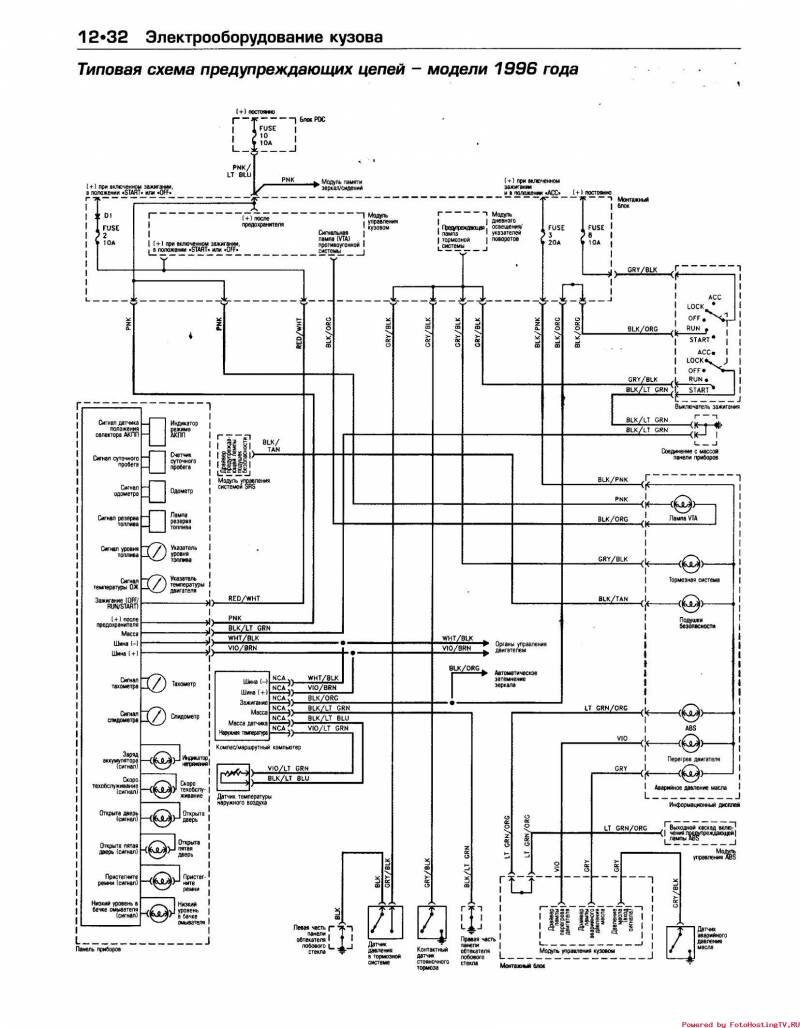
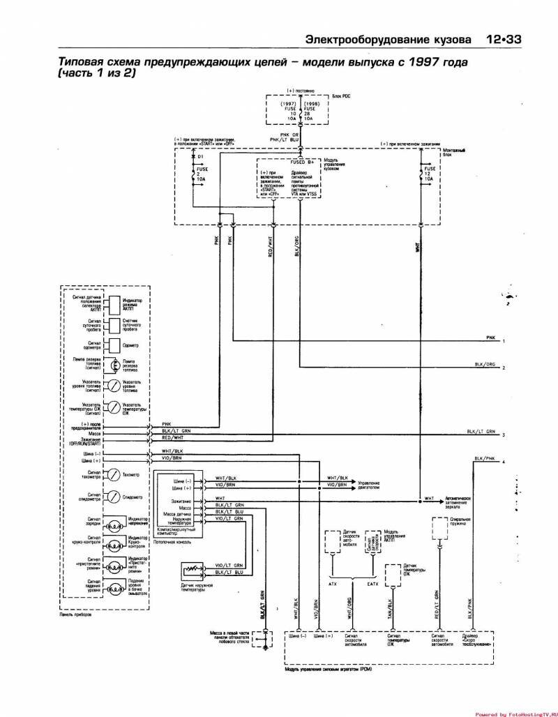
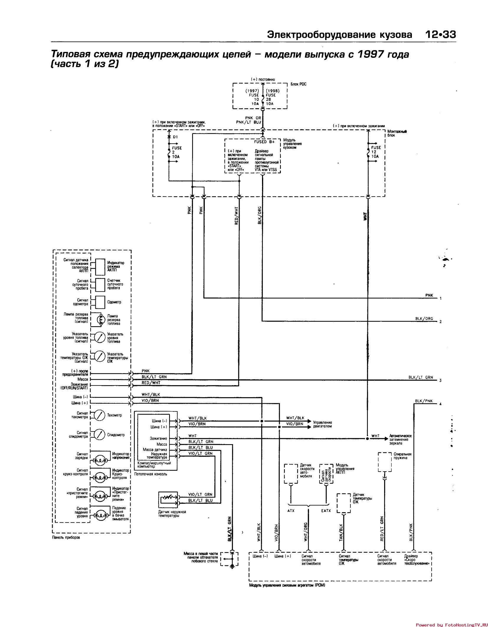
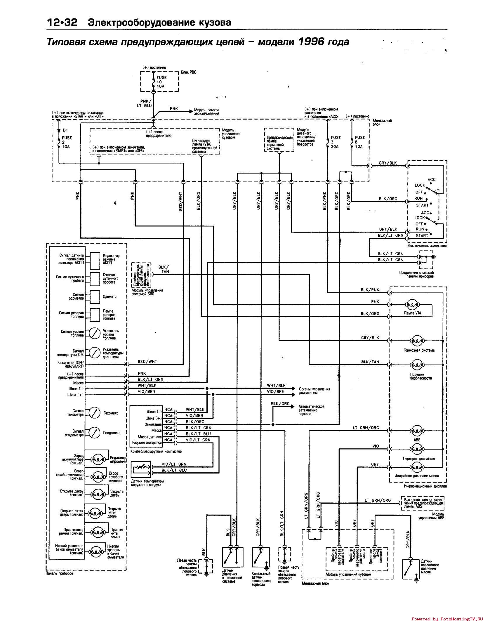
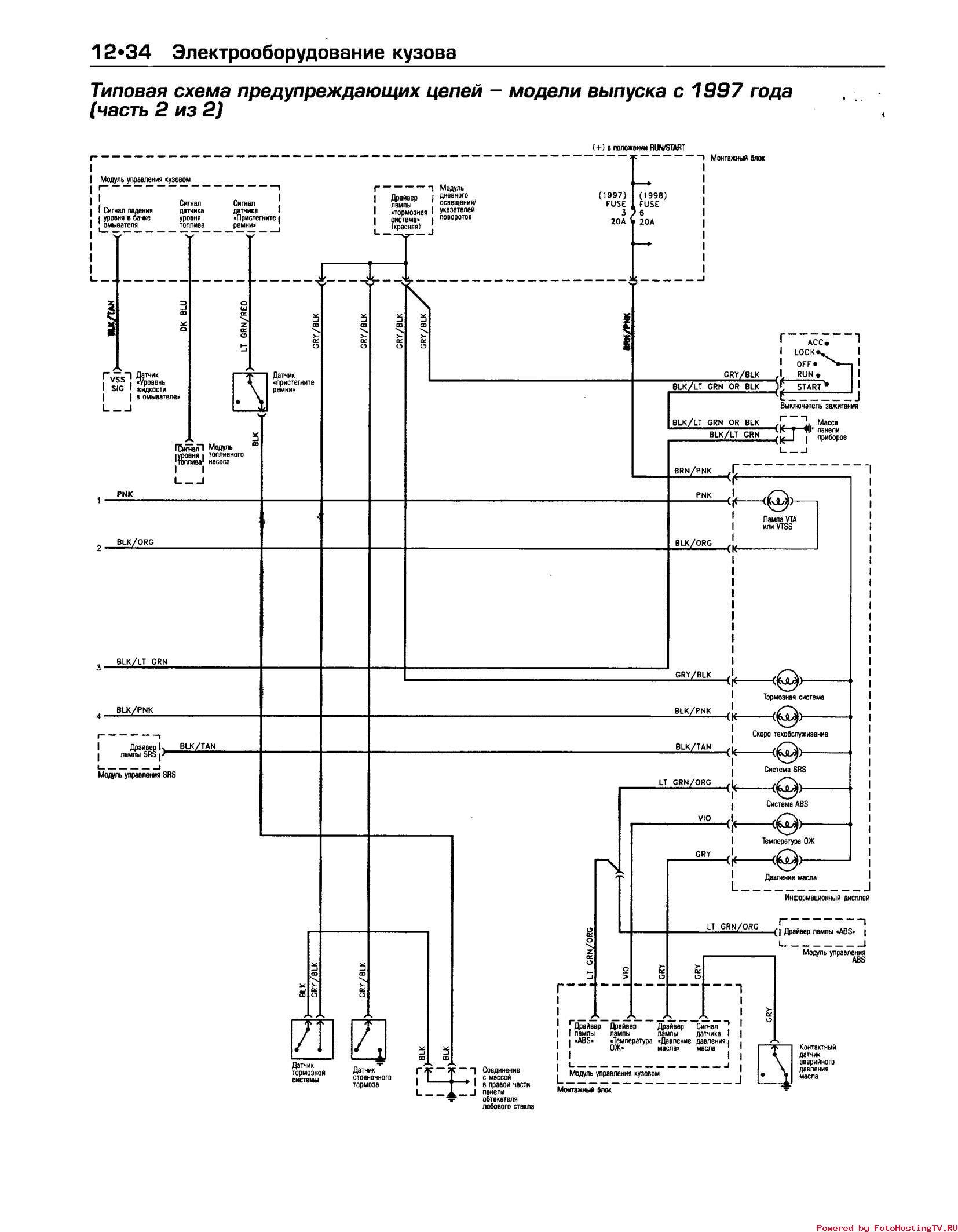
Электросхема предупреждающих цепей



РЕМОНТ АВТОЭЛЕКТРОНИКИ ЗАРЯДНЫЕ УСТРОЙСТВА ДЛЯ АКБ

|