Схемы электрические для автомобиля Дэу Сенс. Весь сборник электросхем с описанием на русском языке можно скачать в архиве.
Электросхемы Дэу Сенс





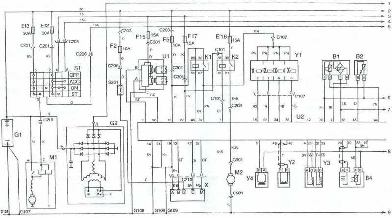
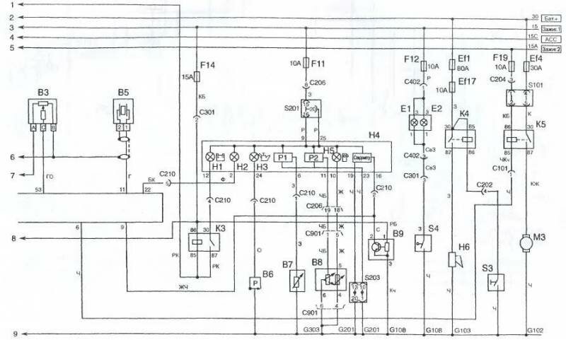
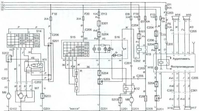
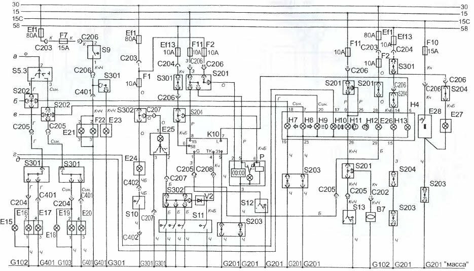
Обозначения на электросхемах:
Расшифровка обозначений в схеме DAEWOO SENS: С обозначение гнездовых жгутовых разъемов (например, С101); 5 обозначение блоков перемычек (например, 5101); С обозначение «массы» (например, С101); Р обозначение предохранителей (блок в салоне: например, Р1; Ef обозначение предохранителей (блок в моторном отсеке: например, ЕТ1).
Датчики: В1 датчик температуры воздуха и абсолютного давления; 8 2 датчик температуры охлаждающей жидкости (сигнал на контроллер); 83 датчик положения дроссельной заслонки; 84 датчик кислорода; 85 датчик детонации; 86 датчик аварийного давления масла; 87 датчик указателя температуры охлаждающей жидкости; 88 датчик уровня топлива; 89 датчик скорости; Y2 — датчик положения коленчатого вала. Лампы и нагревательные элементы: Е1, Е2 лампа заднего хода; ЕЗ лампа левого переднего габарита; Е4 лампа левого заднего габарита; Е5 лампа правого переднего знака; Е6 — лампы правого заднего габарита; Е7, Е8 — лампы подсветки номерного знака; Е9, Е11 — лампы ближнего света, ЕЮ, Е12 — лампы дальнего света; Е13, Е14 лампы задних проти вотум анных огней; Е15, Е18 лампы боковых повторителей; Е16, Е17 лампы левого поворота; Е19, Е20 лампы правого поворота; Е21, Е22 лампы стопсигнала; Е23 лампа дополнительного сигнала торможения; Е24 лампа освещения багажника; Е25 лампа освещения салона; Е26 лампа освещения комбинации приборов; Е27 лампа освещения пепельницы; Е28 нагревательный элемент прикуривателя; Е29 нагревательный элемент стекла задка.
Комбинация приборов, контрольные лампы и дополнительное оборудование: HI контрольная лампа разряда аккумуляторной батареи; Н2 онтрольная лампа ЭСУД; НЗ контрольная лампа давления масла; Н4 комбинация приборов; Н5 контрольная лампа остатка топлива; Н6 звуковой сигнал; Н7 контрольная лампа левого поворота; Н8 контрольная лампа правого поворота; Н9 контрольная лампа дальнего света; Н10 контрольная лампа включения задних противотуманных огней; Н11 контрольная лампа ручного тормоза; HI2 контрольная лампа открытых дверей; Н13 контрольная лампа непристегнутого ремня безопасности; HI4 , Н16 громкоговорители левые; HI5 , Н17 громкоговорители правые; Н18 магнитола.
Реле: К1 реле питания; К2 реле бензонасоса; КЗ реле разряда аккумуляторной батареи; К4 реле включения звукового сигнала; К5 — реле ключения электродвигателя вентилятора радиатора; Кб — реле включения подсветки; К7 реле фар; К8 реле задних противотуманных фонарей; К9 реле прерыватель аварийной сигнализации и поворотов; К10 реле звуковой сигнализации; К11 релепрерыватель стеклоочистителя; К12 реле включения электродвигателя отопителя; К13 реле токообогрева стекла задка.
Стартер и электродвигатели: М1 стартер; М2 бензонасос; МЗ электродвигатель вентилятора радиатора; М4, М5 электрокорректор направления световых лучей фар; Мб — электродвигатель смывателя ветрового стекла; М7 — электродвигатель стеклоочистителя; М8 электродвигатель отопителя.
Часы, указатели, резистор: Р часы; Р1 указатель температуры охлаждающей жидкости; Р2 указатель уровня топлива; Р добавочный резистор DAEWOO SENS.
Выключатели, переключатели, диод: 51 выключатель зажигания; 52 замыкатель «массы»; 53 выключатель звукового сигнала; 54 выключатель огней заднего хода; 85.1 выключатель наружного освещения; 55.2 переключатель света фар; 55.3 переключатель поворотов; 56 переключатель электрокорректора фар; 57 — выключатель задних противотуманных огней; 58 — выключатель аварийной сигнализации; 59 выключатель сигнала торможения; 5 1 0 концевой выключатель плафона освещения багажника; 511 — концевой выключатель боковой двери; У2 диод; 5 1 2 выключатель ремня безопасности; 513 выключатель контрольной лампы ручного тормоза; 5 1 4 переключатель стеклоочистителя; 515 переключатель отопителя; 516 выключатель токообогрева стекла задка.
Система зажигания и впрыска топлива: Ш модуль зажигания; Y1 форсунки; Y2 контроллер; YЗ регулятор холостого хода DAEWOO SENS.
РЕМОНТ АВТОЭЛЕКТРОНИКИ ЗАРЯДНЫЕ УСТРОЙСТВА ДЛЯ АКБ

|