Цветные электросхемы на русском языке, от автомобиля Дэу Нексия. Все схемы разделены по модулям, для увеличения достаточно кликнуть на изображении. Представленны схемы таких узлов автомобиля, как генераторной установки и системы пуска двигателя, система управления двигателем, топливные форсунки, питание, датчики и другие элементы. Чтоб скачать схемы Daewoo Nexia на компьютер - сохраните нужную картинку и откройте в программе для просмотра изображений. Вторая часть сборника схем Nexia находится тут.
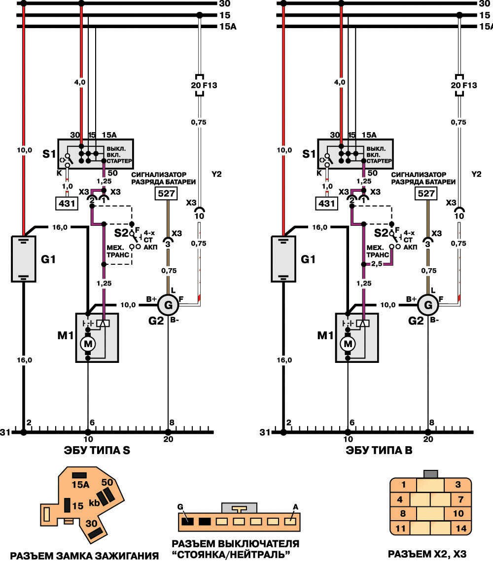
Электросхема замка зажигания, стартера, генератора Дэу Нексия

G1 Аккумуляторная батарея
М1 Стартер
S1 Замок зажигания
82 Выключатель "Стоянка/нейтраль"
Схема системы зажигания Daewoo Nexia

К1 ЭБУ
11 Катушка зажигания
Y1 Блок зажигания
Y2 Распределитель зажигания
Топливные форсунки, питание автомобиля

К1 ЭБУ
Y3 Топливные форсунки
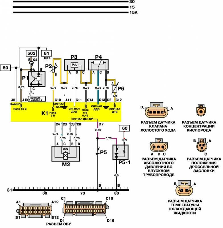
Датчики температуры, давления, скорости, заслонки - схемы электрооборудования

К1 ЭБУ
М2 Клапан холостого хода (КХХ)
Р1 Датчик скорости автомобиля (ДСА)
Р2 Датчик температуры охлаждающей жидкости (ДТЖ)
РЗ Датчик абсолютного давления во впускном трубопроводе (ДАД)
ХЗ Разъем переключателя октан-корректора
Р4 Датчик положения дроссельной заслонки (ДДЗ)
Р5 Электропроводка датчика концентрации кислорода (ДКК)
Р5-1 Датчик концентрации кислорода (1,5-литровые двигатели типа DOCH)
Р5-2 СО-потенциометр (1,5-литровые двигатели с МСВТ)
Р6 Датчик температуры воздуха во впускном трубопроводе (ДТВ)
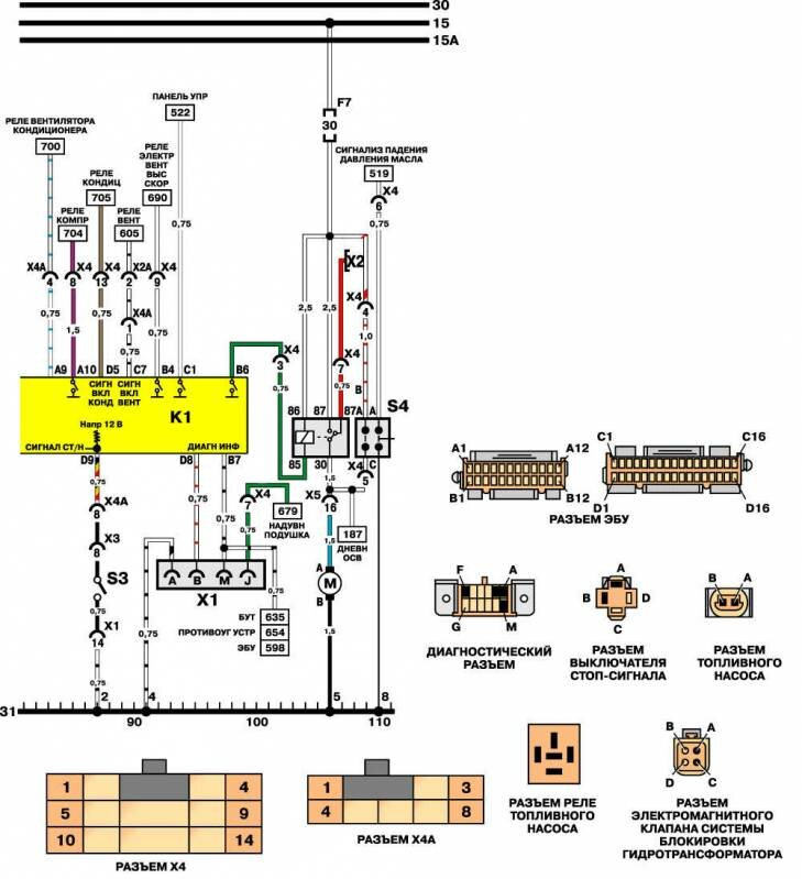
Схемы системы диагностики, блокировки гидротрансформатора, топлива

К1 ЭБУ
МЗ Электродвигатель топливного насоса
S2 Выключатель "Стоянка/нейтраль"
S4 Реле давления масла
Х1 Разъем бортовой системы диагностики
Х2 Тестовый разъем топливного насоса
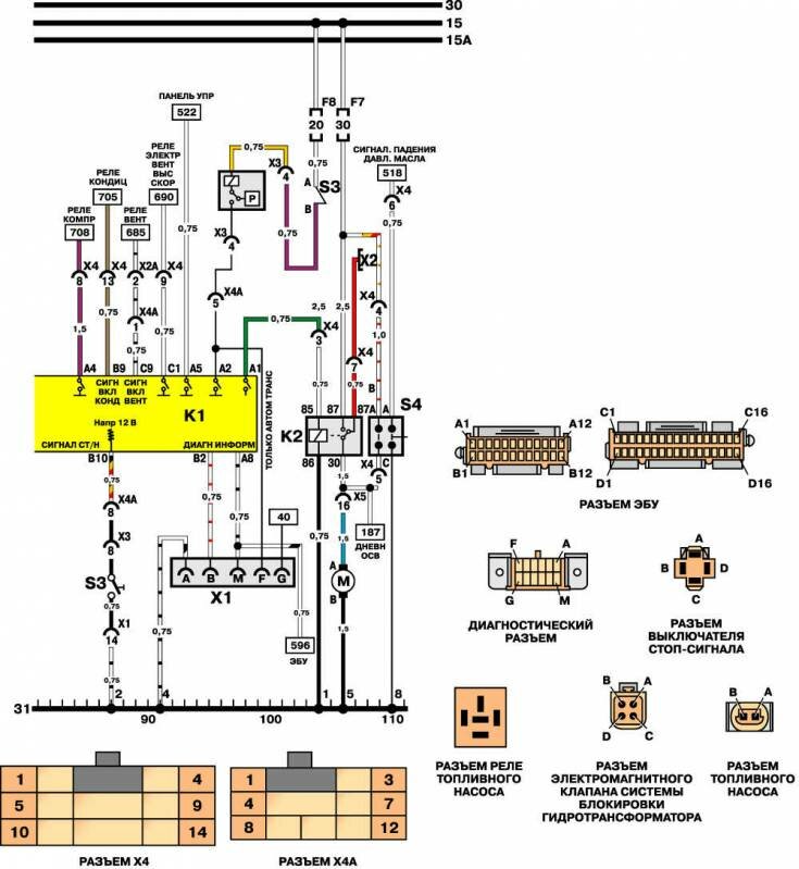
Электросхема управления трансмиссией, противоугонное устройство, подушка безопасности

К18 БЛОК УПРАВЛЕНИЯ ТРАНСМИССИЕЙ
К19 БЛОК УПРАВЛЕНИЯ ПРОТИВОУГОННОГО УСТРОЙСТВА
К20 БЛОК УПРАВЛЕНИЯ ПОДУШКИ БЕЗОПАСНОСТИ
Р1 ДАТЧИК СКОРОСТИ АВТОМОБИЛЯ
R8 КАТУШКА-ДАТЧИК
R9 КОНТАКТНАЯ КАТУШКА
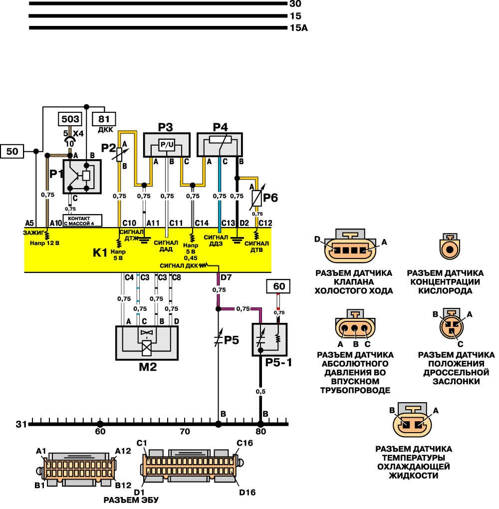
Датчики температуры, давления, скорости, заслонки, клапан ХХ

К1 ЭБУ
М2 Клапан холостого хода (КХХ)
Р1 Датчик скорости автомобиля (ДСА)
Р2 Датчик температуры охлаждающей жидкости (ДТЖ)
РЗ Датчик абсолютного давления во впускном трубопроводе (ДАД)
Р4 Датчик положения дроссельной заслонки (ДДЗ)
Р5 Датчик концентрации кислорода (неэтилированный бензин)
Р5-1 Датчик концентрации кислорода (этилированный бензин)
Р5-2 СО-потенциомер (1,5-литровые двигатели с МСВТ)
Р6 Датчик температуры воздуха во впускном трубопроводе (ДТВ)
Схемы систем диагностики, блокировки гидротрансформатора, топлива

К1 ЭБУ
К2 Реле топливного насоса
МЗ Электродвигатель топливного насоса
52 Выключатель "Стоянка/нейтраль"
53 Выключатель стоп-сигнала
S4 Реле давления масла
Х1 Разъем бортовой системы диагностики
Х2 Тестовый разъем топливного насоса
Y4 Электромагнитный клапан блокировки гидротрансформатора
Противотуманные передние фары и задние фонари Дэу Нексиа

Е5 Противотуманная передняя фара (левая)
Е6 Противотуманная передняя фара (правая)
Е7 Противотуманный задний фонарь (левый)
Е8 Противотуманный задний фонарь (правый)
К5 Реле противотуманных фар
57 Выключатель противотуманных передний фар
58 Выключатель противотуманных задних фонарей
Электросхема приборов освещения автомобиля Дэу Нексиа

Е1 Лампа дальнего света (левая фара)
Е2 Лампа ближнего света (левая фара)
ЕЗ Лампа дальнего света (правая фара)
Е4 Лампа ближнего света (правая фара)
КЗ Реле включения освещения
К4 Реле включения фар
М4 Электродвигатель регулятора левой фары
М5 Электродвигатель регулятора правой фары
R2 Блок управления регулятора фар (направление светового пучка)
S5 Правый выключатель
S6 Переключатель света фар.
РЕМОНТ АВТОЭЛЕКТРОНИКИ ЗАРЯДНЫЕ УСТРОЙСТВА ДЛЯ АКБ

|