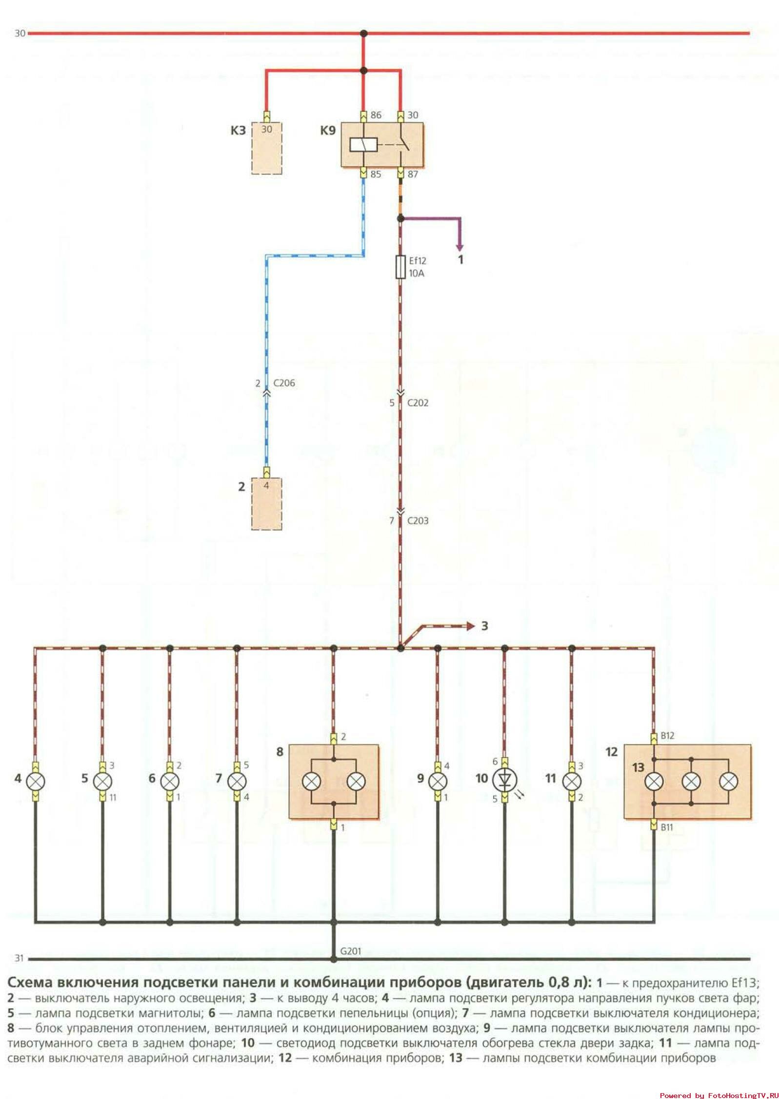
Сборник элетросхем для автомобиля Дэу Матиз. Все схемы цветные и содержат необходимые обозначения элементов, предохранителей, соединений комбинации приборов, двигателя. Для просмотра электросхем подключения электрических компонентов и распиновки контактных штекеров кликните на картинке. Некоторые модули не попали в статью - их можно скачать отдельно в данном архиве. Вся информация по автомобилю Daewoo Matiz предоставляется бесплатно, и будет полезна как для самостоятельного ремонта авто, так и в помощь сервисным мастерским.
Электросхемы Дэу Матиз














Нумерация контактов в электрических разъёмах Daewoo Matiz

РЕМОНТ АВТОЭЛЕКТРОНИКИ ЗАРЯДНЫЕ УСТРОЙСТВА ДЛЯ АКБ

|