Продолжаем рассматривать электросхему отечественного автомобиля Daewoo Nexia. Ниже приведены цветные схемы таких узлов, как звуковой и световые сигналы автомобиля, фонари указателей поворота, аварийная сигнализация, предупреждающий зуммер, замок багажника, топливный клапан и некоторые другие. Первая часть схем электрооборудования Дэу Нексиа находится здесь.
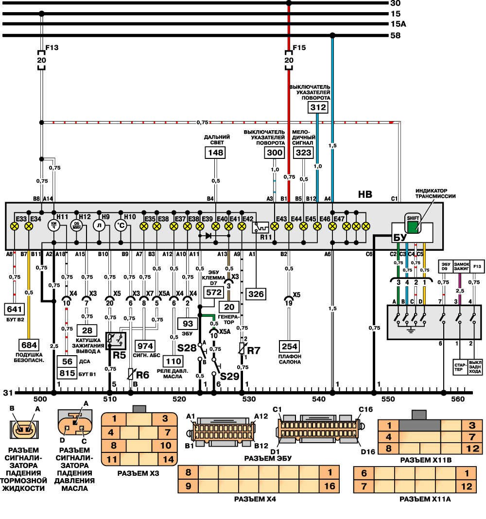
Электросхема звукового и световых сигналов Daewoo Nexia

Е9 Лампа подсветки селектора диапазонов автоматической трансмиссии
Е10 Лампа переднего габаритного фонаря (левого)
Е11 Лампа переднего габаритного фонаря (правого)
Е12 Лампа заднего габаритного фонаря (левого)
Е13 Лампа фонаря освещения номерного знака
Е14 Лампа фонаря освещения номерного знака
Е15 Лампа заднего габаритного фонаря (правого)
КБ Реле дневного освещения
S9 Выключатель звукового сигнала
Освещение салона, багажника, прикуриватель, часы автомобиля

Е16 Лампа подсветки (прикуриватель)
Е17 Лампа подсветки (пепельница)
Е18 Лампа освещения багажника
Е18-1 Лампа освещения багажника (автомобили с 5-дверным кузовом)
Е19 Лампа освещения салона
Е49 Лампа освещения перчаточного ящика
Н2 Часы с цифровой индикацией
R3 Прикуриватель
S10 Выключатель освещения перчаточного ящика
S11 Выключатель освещения багажника (автомобили с 5 дверным кузовом)
S12 Дверной выключатель освещения (правая задняя дверь)
S13 Дверной выключатель освещения (левая задняя дверь)
S14 Дверной выключатель освещения (правая передняя Дверь)
S15 Дверной выключатель освещения (левая передняя дверь)
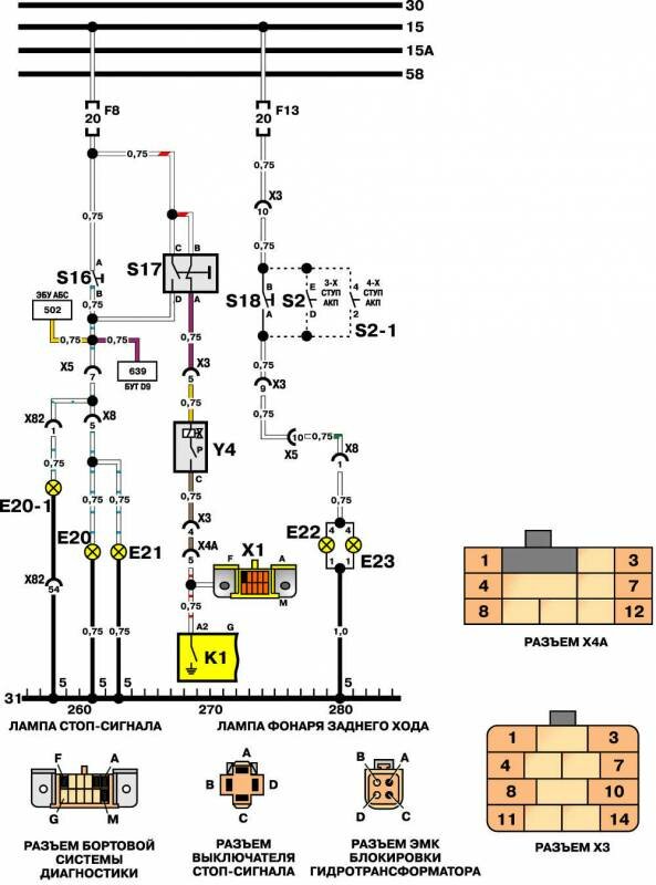
Фонари стоп-сигнала, заднего хода, СБГ

Е20 Лампа стоп-сигнала (левого)
Е20-1 Лампа центрального верхнего стоп-сигнала (автомобили с 3-х и 5-дверным кузовом)
Е21 Лампа стоп-сигнала (правого)
Е22 Лампа фонаря заднего хода (левого)
Е23 Лампа фонаря заднего хода (правого)
S2 Выключатель "Стоянка/нейтраль" (3-ступенчатая автоматическая трансмиссия)
S2-1 Выключатель "Стоянка/нейтраль" (4-ступенчатая автоматическая трансмиссия)
S16 Выключатель стоп-сигнала (механическая ручная трансмиссия)
S17 Выключатель стоп-сигнала (3-ступенчатая автоматическая трансмиссия)
S18 Выключатель фонаря заднего хода (механическая ручная трансмиссия)
XI Диагностический разъем
Y4 ЭМК блокировки гидротрансформатора
Фонари указателей поворота, аварийная сигнализация Daewoo Nexia

Е24 Сигнализатор включения аварийной сигнализации
Е25 Лампа бокового указателя поворота (левого)
Е26 Лампа указателя поворота (заднего левого)
Е27 Лампа указателя поворота (переднего левого)
Е28 Лампа указателя поворота (переднего правого)
Е29 Лампа указателя поворота (заднего правого)
Е30 Лампа бокового указателя поворота (правого)
К8 Реле указателей поворота
S 19 Выключатель аварийной сигнализации
S20 Выключатель указателей поворота
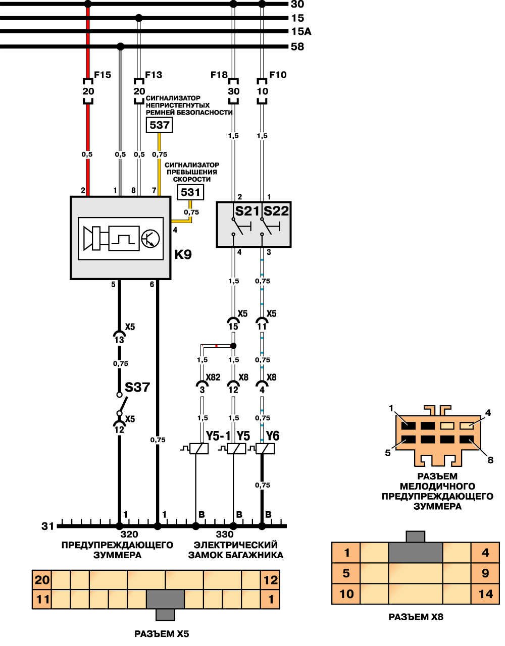
Предупреждающий зуммер, замок багажника, топливный клапан автомобиля

К9 Предупреждающий зуммер
521 Выключатель замка багажника
522 Выключатель топливного клапана
S37 Выключатель ремней безопасности
Y5 ЭМК замка багажника
Y5-1 ЭМК замка багажника (автомобили с 30-х и 5-дверным кузовом)
Y5 Топливный бак
Схема электрообогревателя заднего стекла Daewoo Nexia

Е31 Лампа подсветки выключателя электрообогревателя заднего стекла
Е32 Лампа-индикатор включения электрообогревателя заднего стекла
К10 Реле-таймер электрообогревателя заднего стекла
R11 Электрообогреватель заднего стекла
S23 Выключатель электрообогревателя заднего стекла
Стеклоочиститель, автомагнитола Daewoo

К11 Реле стеклоочистителя ветрового стекла
К12 Реле насоса стеклоомывателя (автомобили с 3-х и 5-дверным кузовом)
К13 Реле заднего стеклоочистителя (автомобили с 3-х и 5-дверным кузовом)
М6 Электродвигатель насоса стеклоомывателя
М7 Электродвигатель стеклоочистителя
М8 Электродвигатель стеклоомывателя (автомобили с 3-х и 5-дверным кузовом)
М9 Электродвигатель заднего стеклоочистителя (автомобили с 3-х и 5-дверным кузовом)
М10 Антенна с электроприводом R4 Переключатель режимов работы стеклоочистителя
R4 Переключатель режимов работы стеклоочистителя
S24 Выключатель стеклоомывателя
S25 Выключатель стеклоочистителя S25-1 Выключатель заднего стеклоочистителя (автомобили с 3-х и 5-дверным кузовом)
Н3 Громкоговоритель передний левый
Н4 Громкоговоритель задний левый
Н5 Громкоговоритель передний правый
Н8 Громкоговоритель задний правый
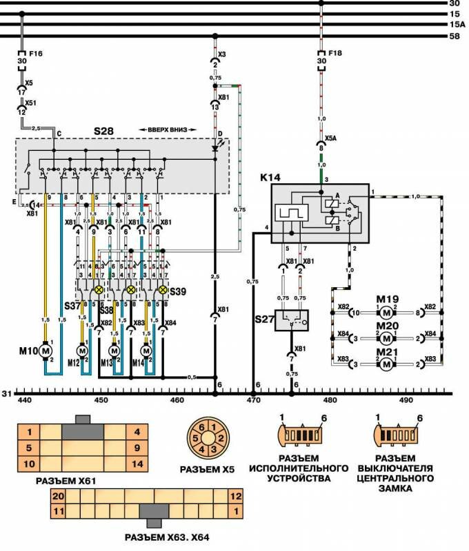
Электростеклоподъемники, центральный замок

М10 Электродвигатель стеклоподъемника (передний левый)
М12 Электродвигатель стеклоподъемника (передний правый)
М13 Электродвигатель стеклоподъемника (задний левый)
М14 Электродвигатель стеклоподъемника (задний правый)
М19 Электродвигатель правый передний
М20 Электродвигатель правый задний
М21 Электродвигатель левый задний
S26 Главный выключатель стеклоподъемников
S27 Выключатель центрального замка
S37 Выключатель стеклоподъемника (передний правый)
S38 Выключатель стеклоподъемника (задний левый)
S38 Выключатель стеклоподъемника (задний правый)
S39 Выключатель стеклоподъемника (передний левый)
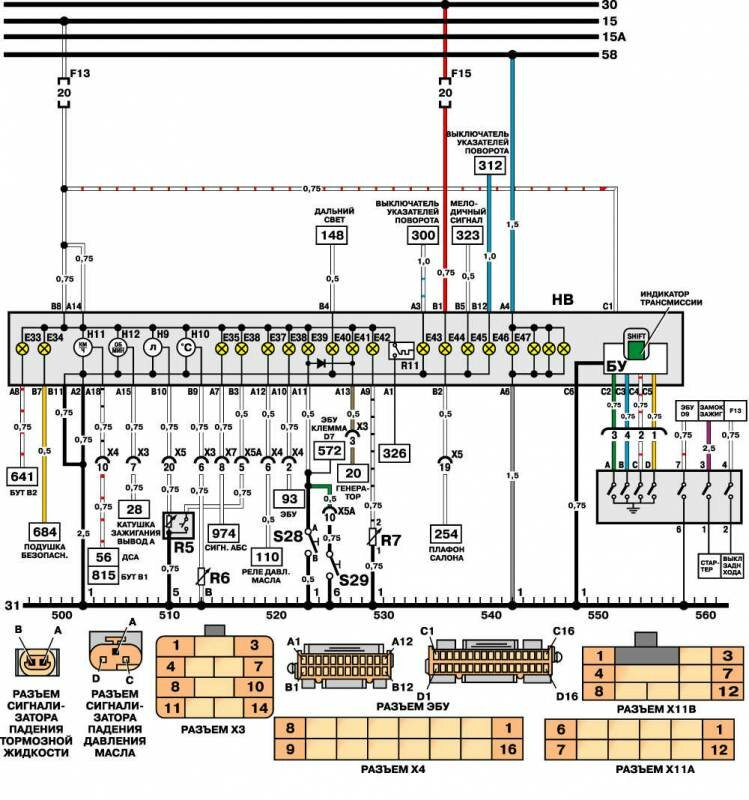
Приборная доска Daewoo Nexia

Е33 Индикатор питания
Е34 Сигнализатор неисправности подушки безопасности
Е35 Сигнализатор неисправности АБС
Е36 Сигнализатор минимального запаса топлива
Е37 Сигнализатор падения давления масла
Е38 Сигнализатор неисправности систем двигателя
Е39 Сигнализатор включения стояночного тормоза и падения уровня тормозной жидкости
Е40 Индикатор дальнего света фар
Е41 Сигнализатор падения уровня жидкости омывателя
Е42 Индикатор указателя поворота
Е43 Сигнализатор незакрытой двери
Е44 Сигнализатор непристегнутого ремня безопасности
Е46 Лампа подсветки приборной доски
Н8 Приборная доска
Н9 Указатель уровня топлива
Ж1 Указатель температуры охлаждающей жидкости
Н11 Спидометр
Н12 Тахометр
R5 Датчик уровня топлива в баке
R6 Датчик температуры охлаждающей жидкости
R7 Выключатель сигнализатора падения уровня жидкости стеклоомывателя
S43 Выключатель (4-ступенчатая автоматическая трансмиссия)
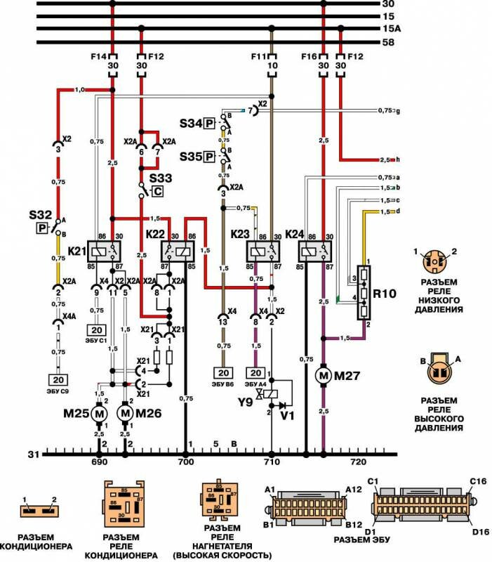
Кондиционер вохдуха, электровентилятор, нагнетатель

F48 Лампы подсветки выключателя кондиционера
К21 Реле электрического вентилятора (высокая скорость)
К22 Реле электрического вентилятора (низкая скорость)
К23 Реле компрессора кондиционера
К24 Реле электродвигателя нагнетателя
К25 Электрический двигатель (дополнительный)
М26 Электрический двигатель
М27 Электродвигатель нагнетателя
R10 Резистор электродвигателя нагнетателя
R11 Резистор электродвигателя вентилятора (низкая скорость)
532 Переключатель вентилятора
533 Температурное реле радиатора
534 Реле низкого давления
535 Реле высокого давления
536 Выключатель кондиционера
V1 Диод
Y1 Компрессор кондиционера
Y10 Электромагнит включения режима рециркуляции.
РЕМОНТ АВТОЭЛЕКТРОНИКИ ЗАРЯДНЫЕ УСТРОЙСТВА ДЛЯ АКБ

|