Продолжение каталога электросхем автомобилей BMW 7-й серии. В разделе представлены для бесплатного просмотра и скачивания схемы таких узлов, как звуковой сигнал, система SRS, комбинация приборов, противоугонная система, обогрев переднего стекла, подогрев передних сидений, стеклоподъемники, стеклоочистители и стеклоомыватели и другие модули электросхемы авто серии BMW 7.
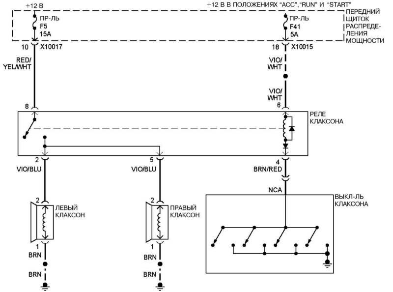
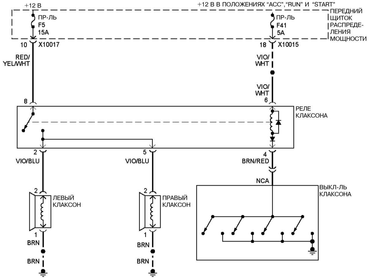
Схема звукового сигнала BMW

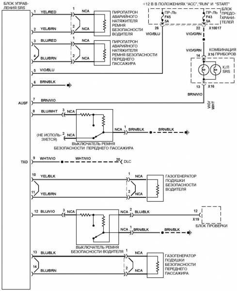
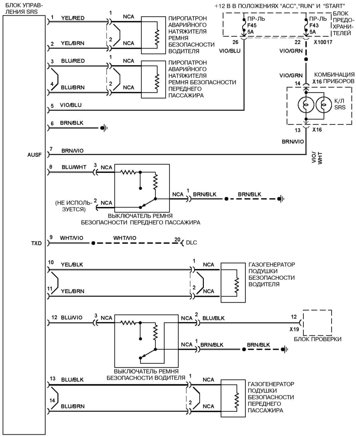
Электросхема системы SRS

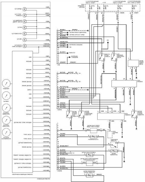
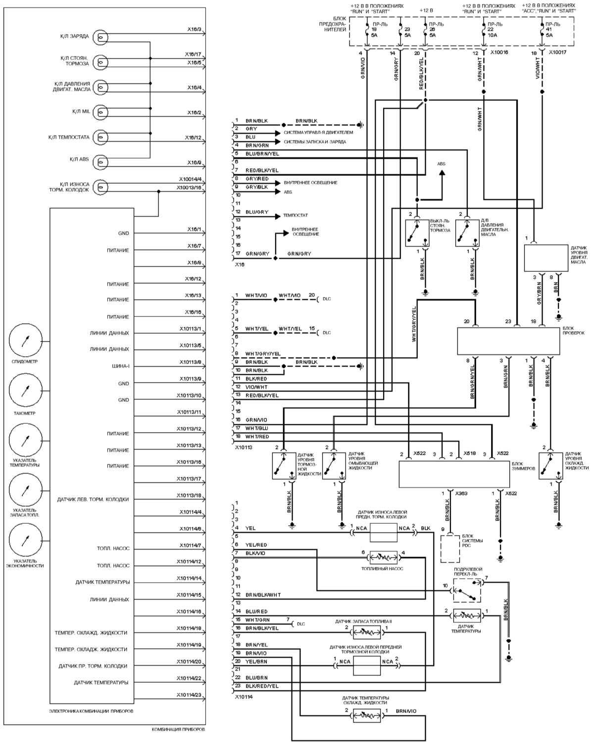
Комбинация приборов BMW 7

Темпостат - схема

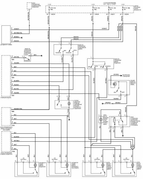
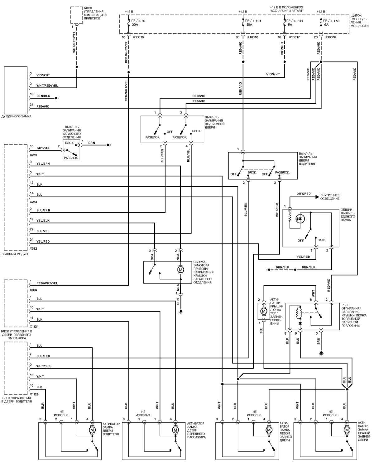
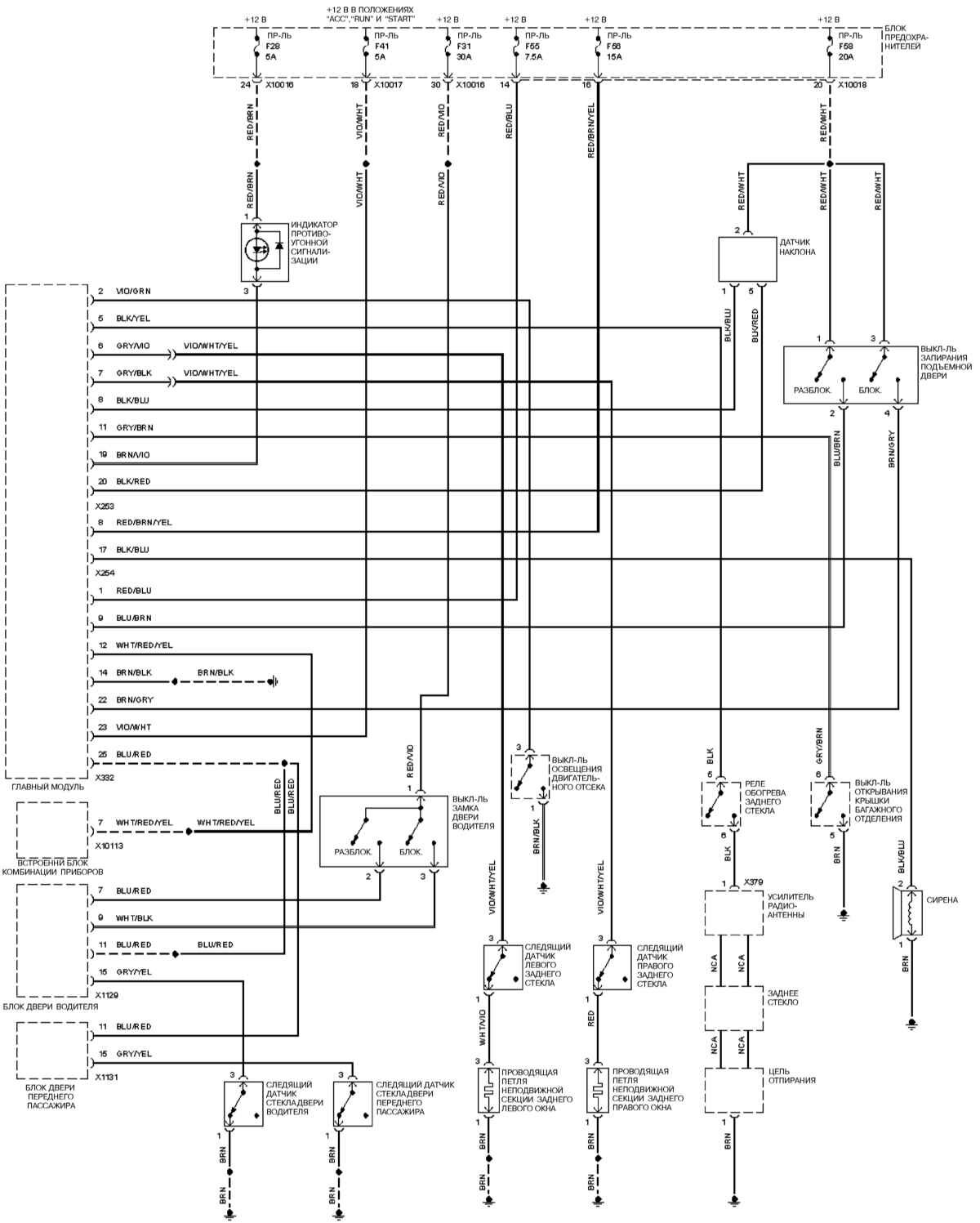
Схема центрального замка авто

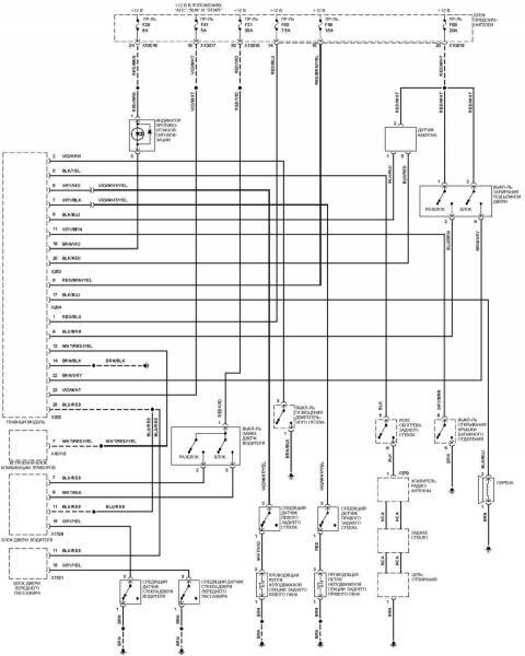
Электросхема противоугоннки

Схема подогрева форсунок стеклоомывателей

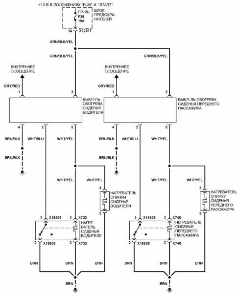
Подогрев сидений BMW 7


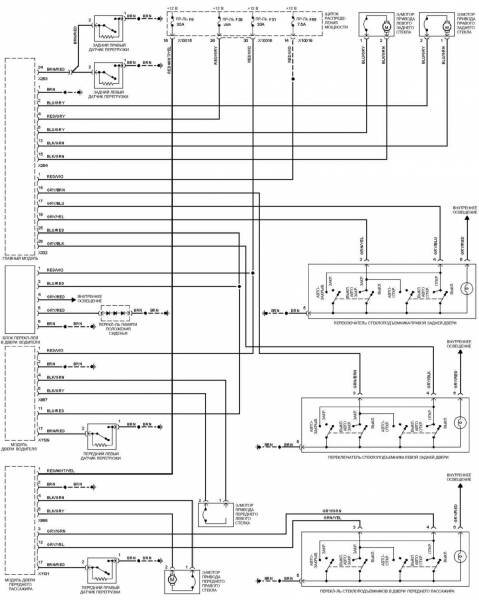
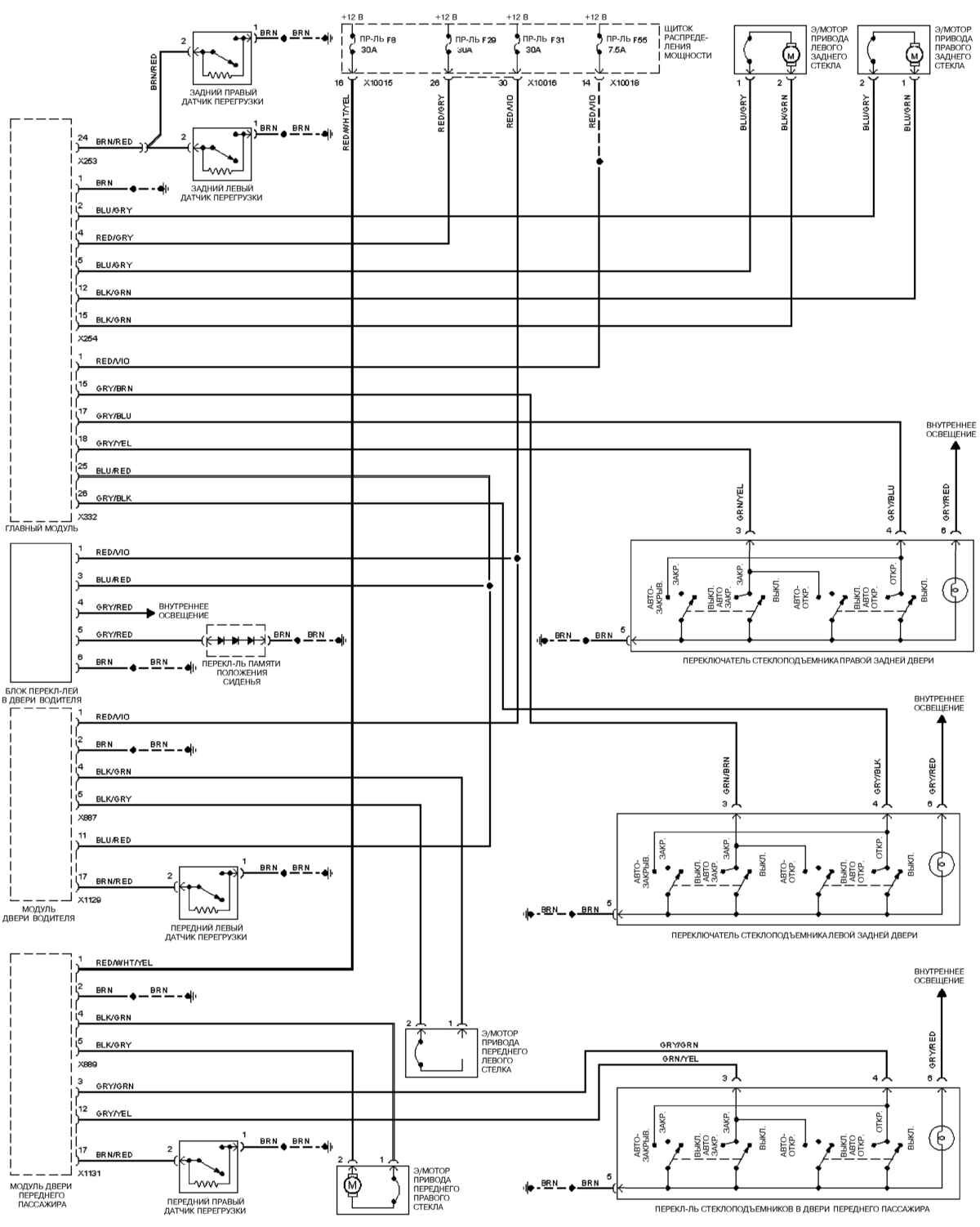
Электросхема стеклоподъемников

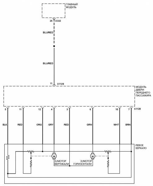
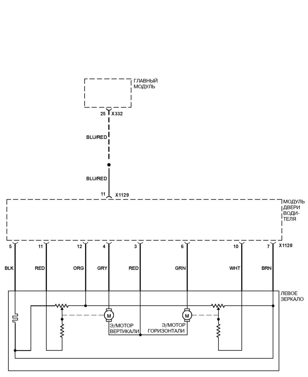
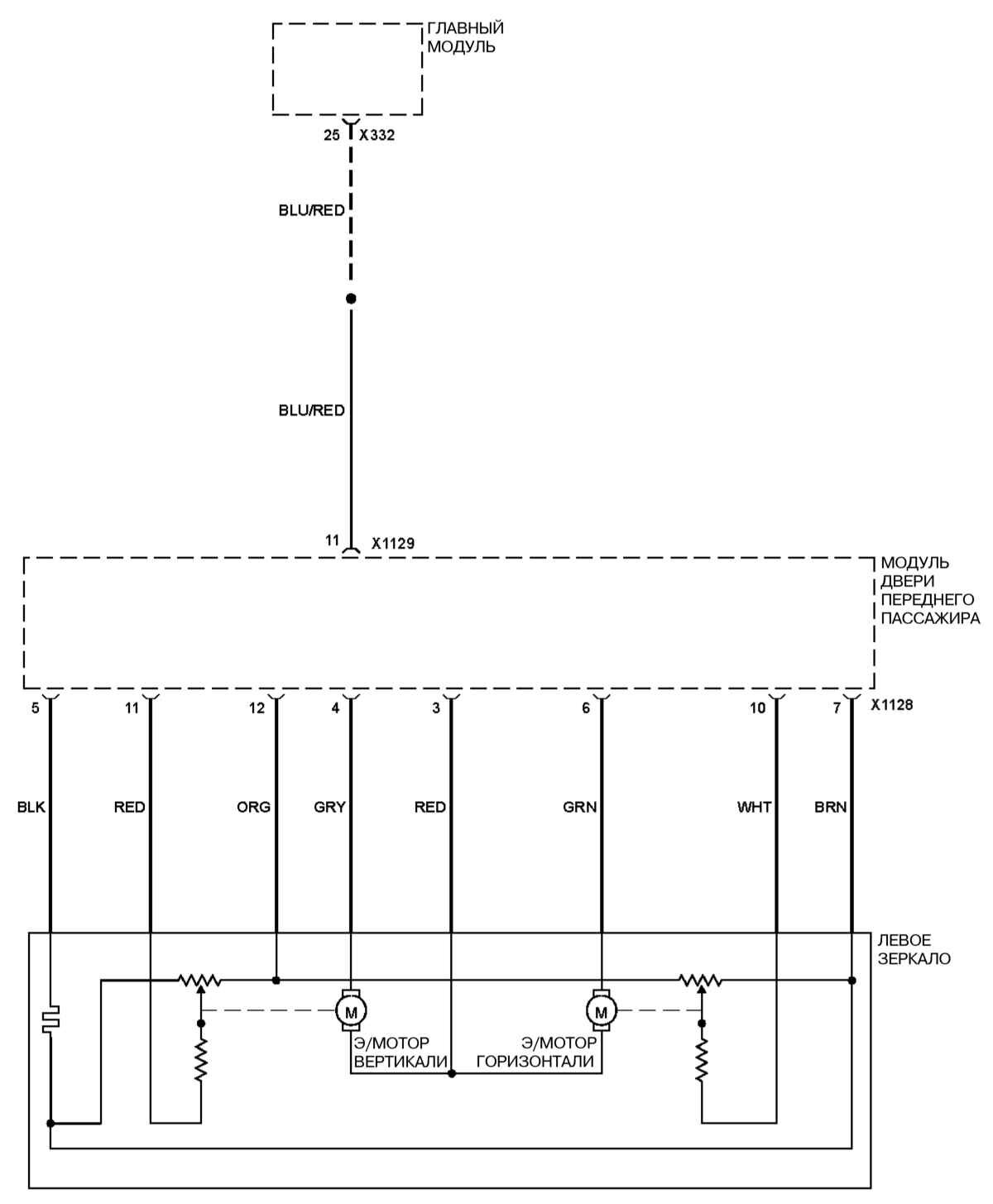
Схемы наружных зеркал


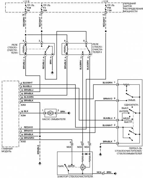
Стеклоочистители и стеклоомыватели BMW

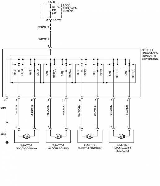
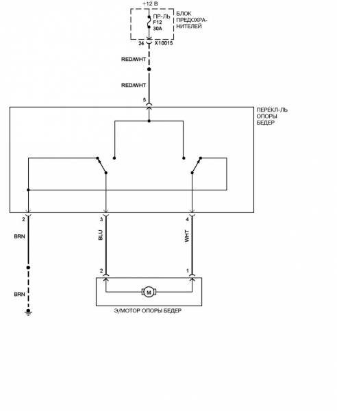
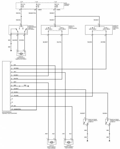
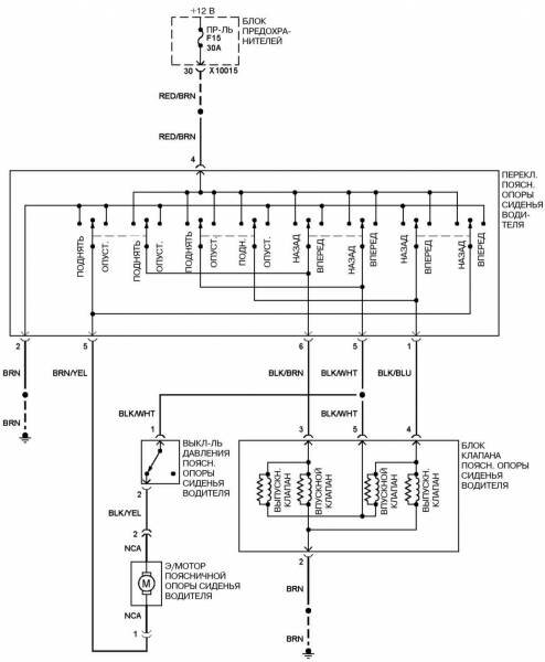
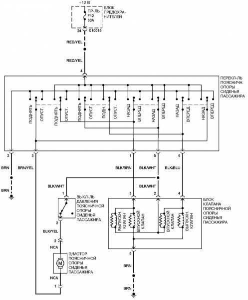
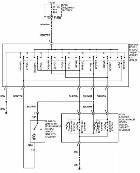
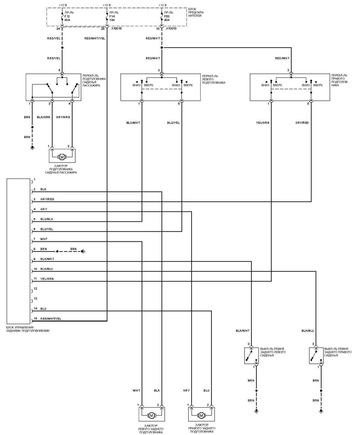
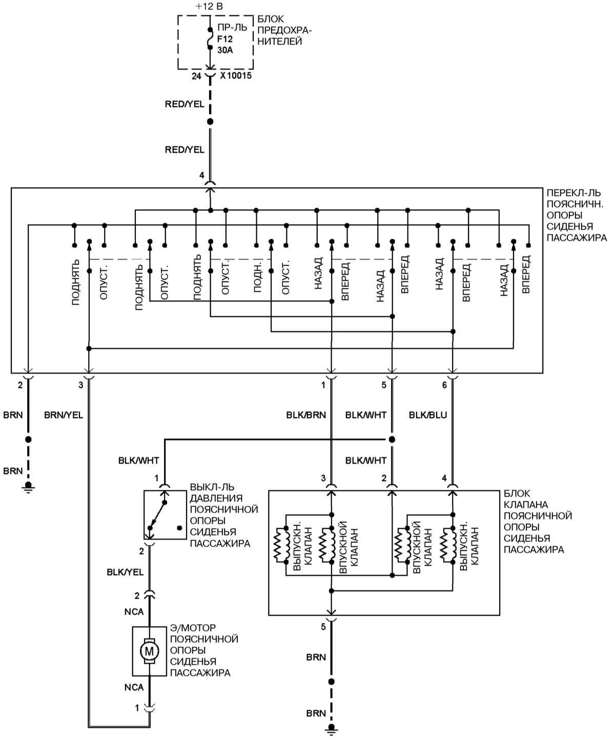
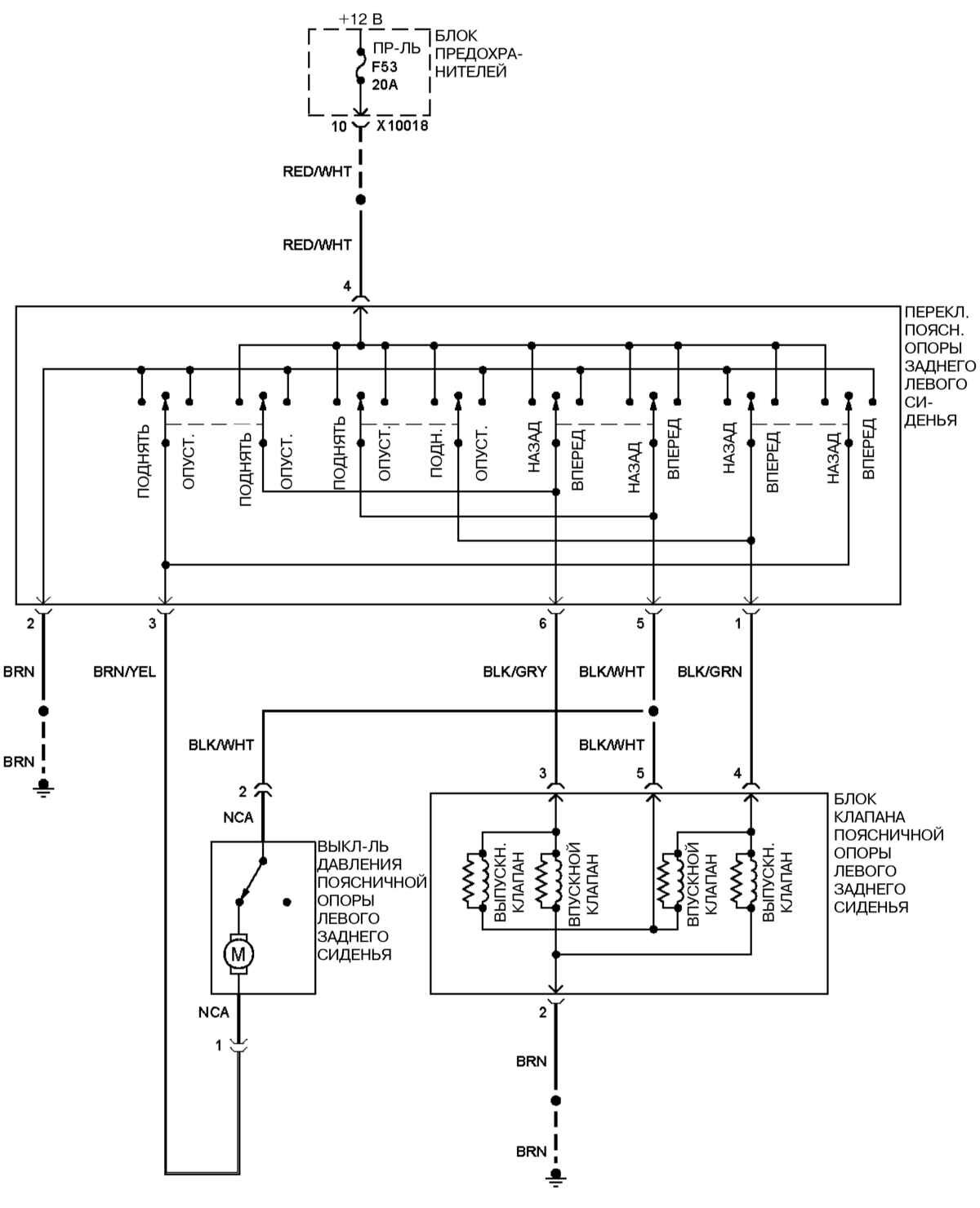
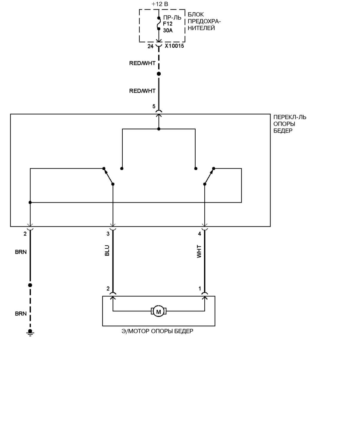
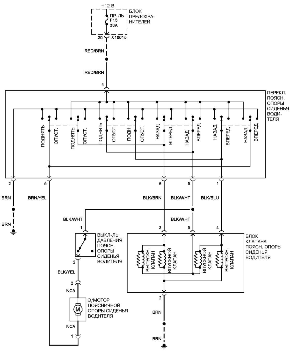
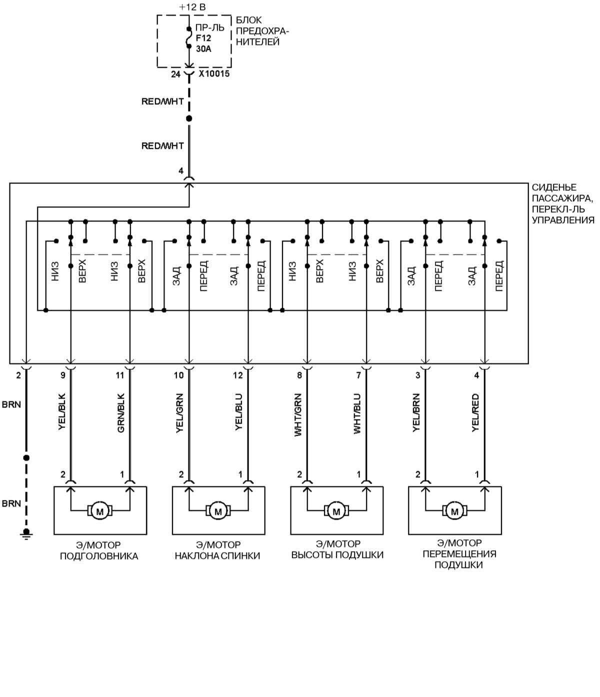
Электроприводы сидений и подголовников







РЕМОНТ АВТОЭЛЕКТРОНИКИ ЗАРЯДНЫЕ УСТРОЙСТВА ДЛЯ АКБ

|