Электросхемы для автомобиля БМВ на русском языке и в нормальном качестве. Все схемы доступны для просмотра. Тут вы можете посмотреть такие узлы автомобиля, как свечи накаливания, реле свечей накаливания, датчик температуры всасываемого воздуха, топливная система, звуковые сигналы, управление очистителями-омывателями, переключатель сигналов поворота и другие узлы. Продолжение описания схем на БМВ смотрите тут.
Схема свечей накаливания, реле свечей накаливания БМВ

Инжектор

Датчик температуры всасываемого воздуха

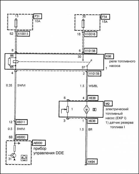
Топливная система БМВ

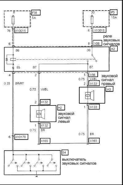
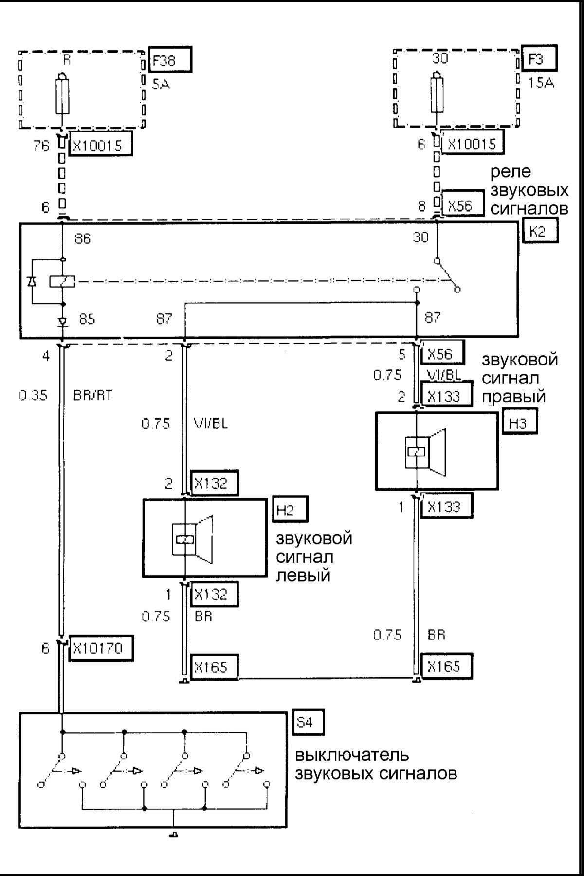
Звуковые сигналы автомобиля

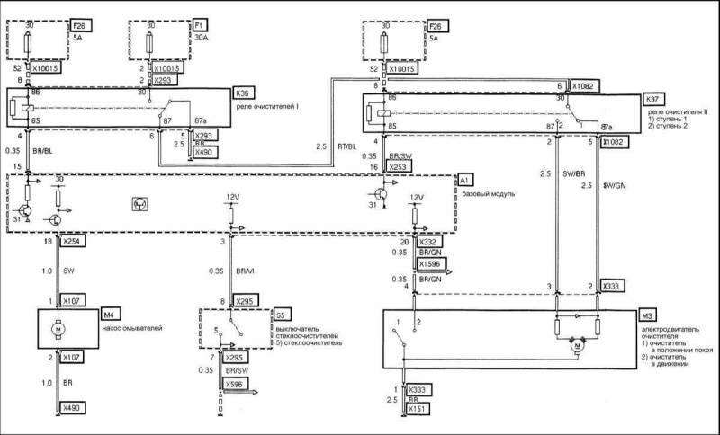
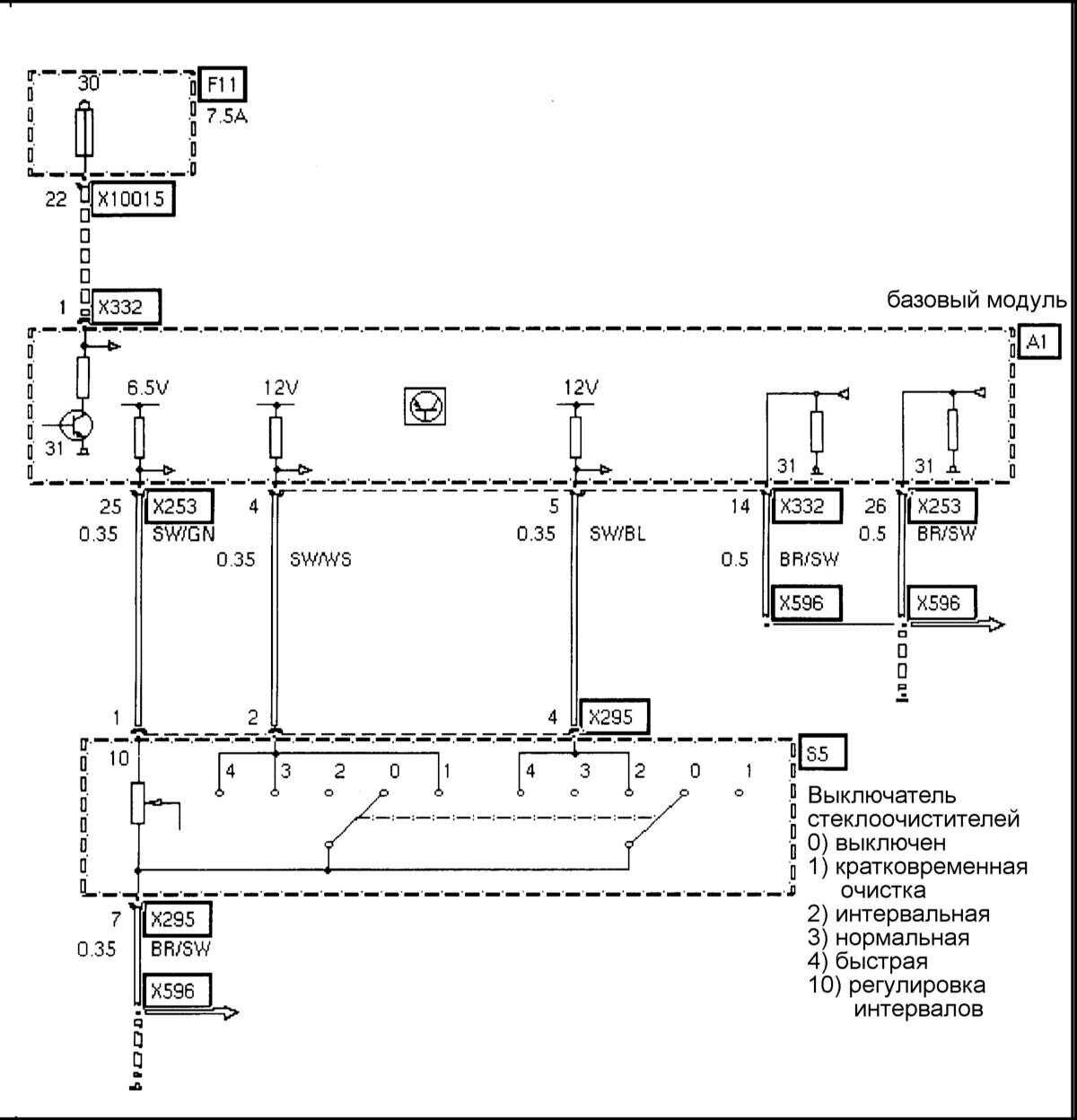
Выключатель стеклоочистителя

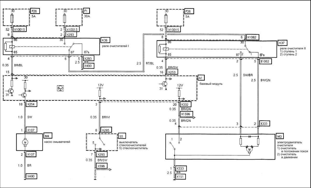
Управление очистителями

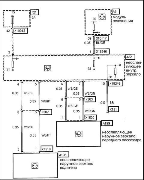
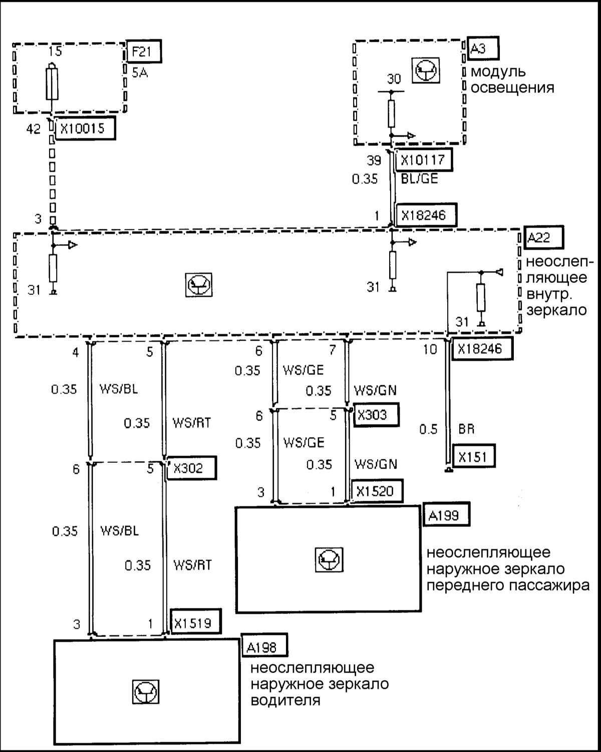
Наружное зеркало БМВ



Переключатель сигналов поворота

Выключатель аварийной сигнализации БМВ

Ток используемых в элетропроводке предохранителей - таблица для БМВ E39

РЕМОНТ АВТОЭЛЕКТРОНИКИ ЗАРЯДНЫЕ УСТРОЙСТВА ДЛЯ АКБ

|