Ниже предоставленны электросхемы оборудования на AUDI 100 / А6.

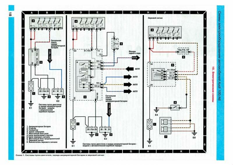
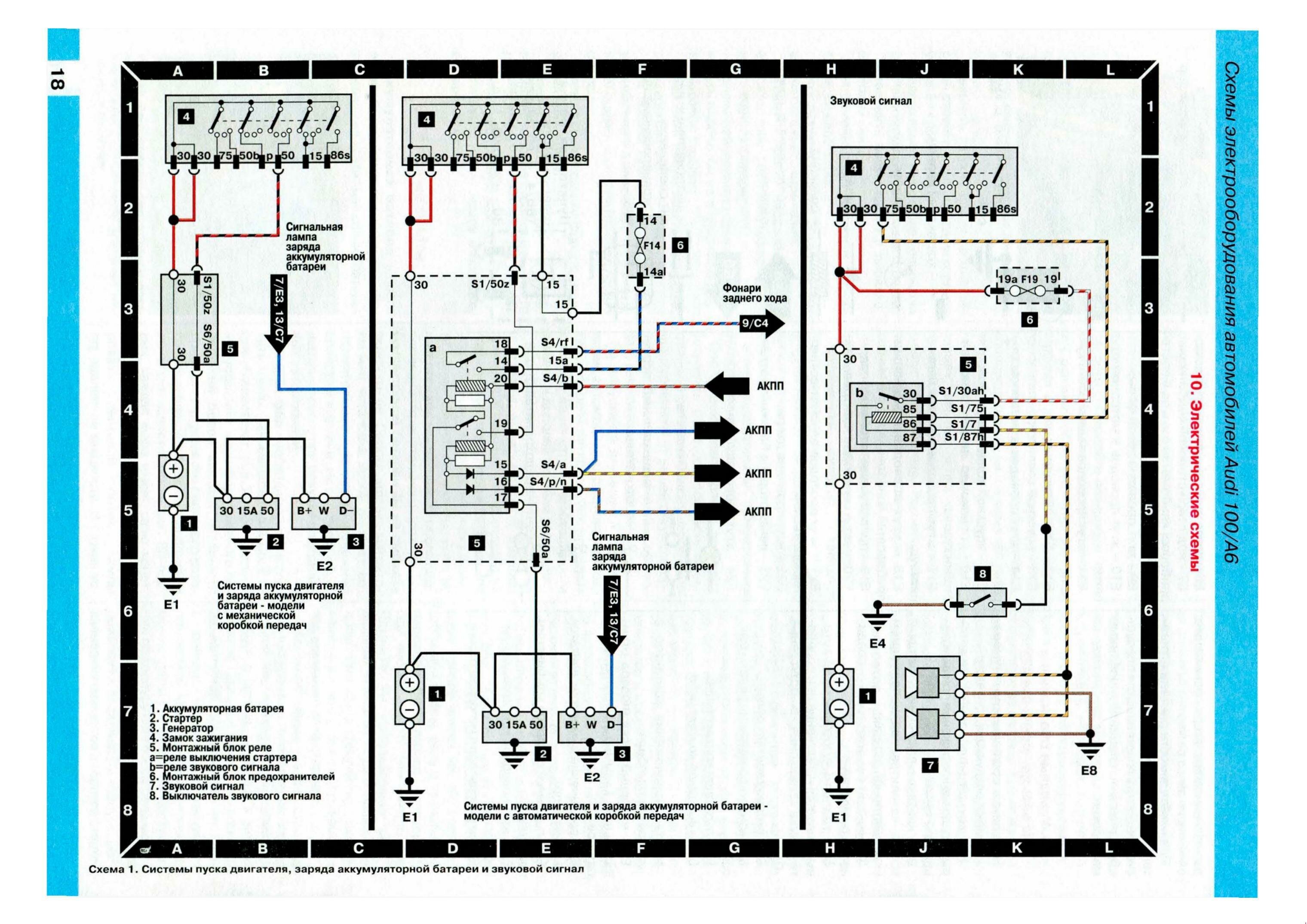
Электросхема системы пуска двигателя, заряда аккумуляторной батареи и звукового сигнала

Вентилятор охлаждения двигателя и вентилятор отопителя салона


Схема системы управления диз. двигателем

Электросхема управления двигателем Mono - Motronic

Схема системы управления двигателем KE - Motronic

Эл.схема системы управления двигателем KE - Jetronic

Схема контрольных ламп и приборов

Система внешнего освещения - схема на Ауди 100



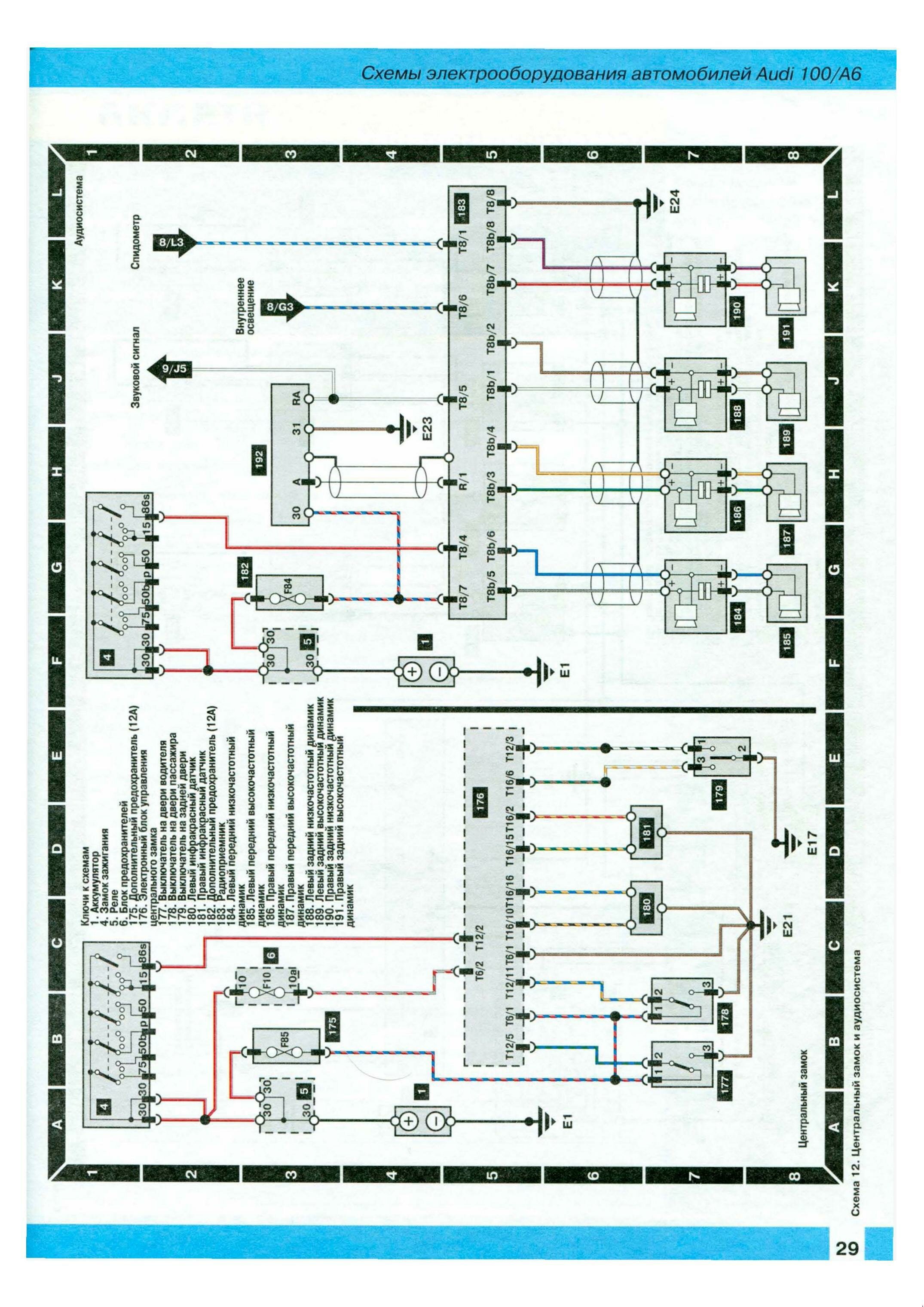
Центральный замок и аудиосистема - электросхема

РЕМОНТ АВТОЭЛЕКТРОНИКИ ЗАРЯДНЫЕ УСТРОЙСТВА ДЛЯ АКБ

|